legrand 0 770 25 Mosaic Roller Blind Push Button User Manual
USE
Control mechanisms for roller shutters, blinds and awnings.
Can be flush-mounted in box depth 40 mm min.
3 postions: UP/STOP/DOWN
RANGE
| Blanc | Aluminium | Matte Black | |
| Pushbutton for roller shutters / blinds / awnings | 0 770 25 | 0 792 25 | – |
| Switch for roller shutters / blinds / awnings | 0 770 26 | 0 792 26 | 0 791 26L |
| Pushbutton direct control for roller shutters / blinds / awnings | 0 770 28 | 0 792 28 | – |
OVERALL DIMENSIONS (mm)

CONNECTION
Terminal type: automatic
Stripping: 13 mm
Terminal capacity: 2 x 2.5 mm2
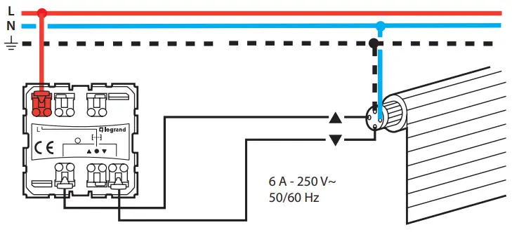
Pushbutton wiring (Cat. No. 0 770 25 – 0 792 25)

Switch wiring (Cat. No. 0 770 26 – 0 791 26L – 0 792 26)

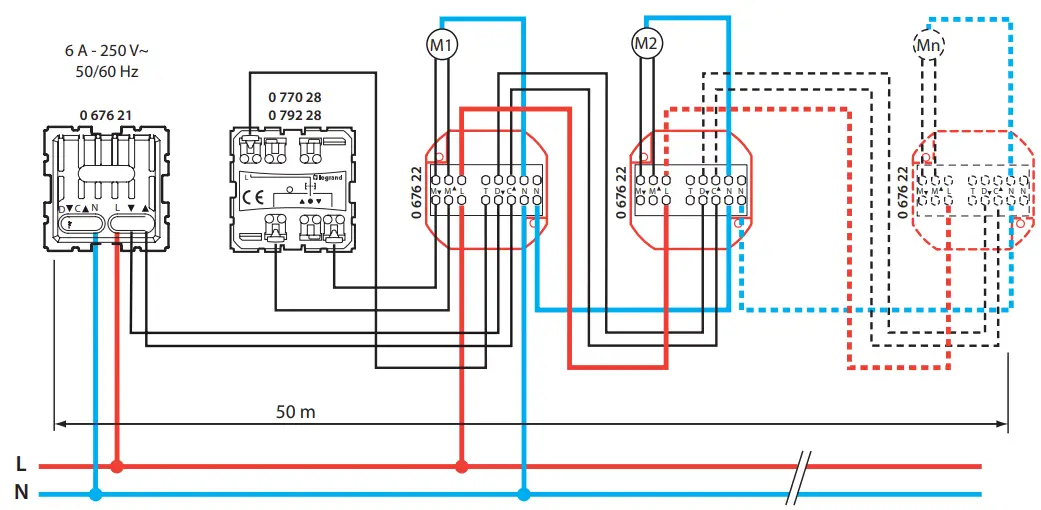
Pushbutton wiring (Cat. No. 0 770 28 – 0 792 28)

Pushbutton wiring (Cat. No. 0 770 28 – 0 792 28) with relays

OPERATION
Cat. Nos. 0 770 25 – 0 792 25: double pushbutton for controlling one or more opening motors via automation control units (closing mechanism).
Cat. Nos. 0 770 26 – 0 791 26L – 0 792 26: double switch for direct control of opening drives (fixed position mechanism).
Cat. Nos. 0 770 28 – 0 792 28: double pushbutton for relay control (closing mechanism) of motor opening (without STOP).

TECHNICAL DATA
- Mechanical characteristics
Impact tests: IK 04
Penetration by solid/liquids bodies: IP 41 - Material characteristics
Rocker: ABS- White RAL 9003
- Painted matt black RAL 9017 satin finish
- Painted Aluminum varnished glittery
Base: Polycarbonate
Rocker support: Polycarbonate
Self-extinguishing: 850° C / 30 s for insulating parts holding live parts in place
650° C / 30 s for other parts made of insulating materials
- Electrical characteristics
Voltage: 250 V~
Current: 0 770 26 – 0 791 26L – 0 792 26 : 6 AX
0 770 25/28 – 0 792 25/28 : 6 A
Max. controlled power: 500 W - Climatic characteristics
Storage temperatures: – 10° C to + 70° C
Operating temperatures: – 5° C to + 35° C
CLEANING
Surface cleaning with a cloth.
Do not use: acetone, tar remover, trichloroethylene
- Resistance to cleaning agents
Resistance to the following agents: Hexane (EN 60669-1), Methylated spirits, Soapy water, Diluted ammonia, Diluted pure bleach 10%, Glass cleaning substance, Pre-impregnated wipes. - Resistance to hospital-type cleaning agents
Resistance to the following agents: Anios, Surfanios, Bactilysine, Diluted hydrogen peroxide (35%).
Caution: A preliminary test should be carried out if other specific cleaning products are to be used.
CONFORMITY – APPROVALS
Conform with standards of installation and manufacturing.
Refer to e.catalogue.
Technical data sheet: F00499EN/06 Updated: 25/07/2019 Created: 01/12/2006

















