ECOLAB Booster 12 Topax Hygiene System 
Installation Guide

Placing
- The Booster must be placed in a frost-free room.
- Free space around the Booster: Min. 800 mm.
Water supply
- Booster 6: Minimum 100l/min,
- Booster 12: Minimum 200l/min,
- Booster 24: Minimum 400l/min,
- Pressure: 2-4 bar,
- Max. temperature 70°C.
It is recommended to install a Mixing System in connection with the Booster to be able to control the water temperature.
Power supply
A wiring diagram is placed in the control box of the Booster.
- Booster 6 and 12: Supplied with 1½ m 4X2,5 rubber cable which is connected to a main switch close by.
- Booster 24: A 4X6 cable is connected to the terminals on the main switch which is placed in the control box.
Piping
The pipe system should be made of stainless steel pipes. The pipe joints should be made in such a way that separation is possible in case of e.g. repairs, movement or the like. It is recommended that the pipes connected directly to the Booster are not mounted until it is in place.
- Pipe joints:
- Booster 6: 5/4″
- BST. Booster 12: 1½”
- BST. Booster 24: 2½” BST.
Note:
Booster 24 – is not supplied with a built-in fi lter. Se pa ra te fi lter must be inserted into the supply line.
Mounting
Booster 6 and 12 are supplied either for fl oor or wall mounting. Booster 24 is only supplied for fl oor mounting.
Wall mounting (6 and 12)
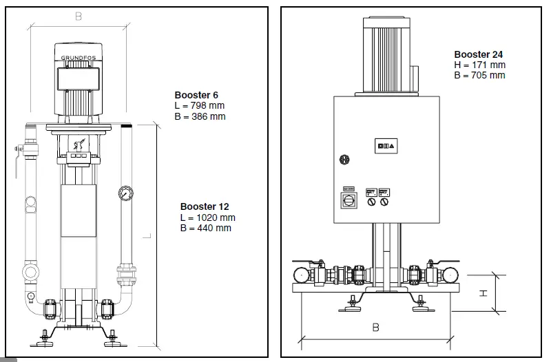
Dimensions see fi gure 1.It is recommended to mount the Booster in an appropriate height (ap-prox. 1m above the fl oor) on brick or concrete walls. The Booster must hang vertically both seen from the side and the front. Secure the Booster with the attached screws and Rawl plugs.
Floor mounting (6, 12 and 24)
Dimensions see fi gures 2 and 3.The mounting must take place on a fi rm ground (concrete or tiles). The Booster must stand vertically both seen from the side and the front. The adjustable feet of the Booster are secured to the fl oor with tie bolts.
| 380 – 415 V 50 Hz | Protection | Motor protection |
| 6 floor | 25 A /20 A time-lag | 11 A |
| 6 wall | 20 A /16 A time-lag | 8 A |
| 12 | 25 A | 15.2 A |
| 24 | 63 A | 2×15.2 A |
| 380 – 480 V 60 Hz | Protection | Motor protection |
| 6 floor/wall | 25 A /20 A time-lag | 10.8 – 9 A |
| 12 wall | 25 A | 22 – 18.8 A |
| 12 floor | 35 A | 21.4 – 17.4 A |
| 24 | 63 | 2 x 21.4 – 18.8 A |





















