ECOLAB Foamatic Compact Topax Hygiene System

Preface
The Foamatic Compact unit is used for rinsing, foaming and spraying of detergents and sanitisers. The formation of foam is performed by mixing water, detergent or sanitiser and compressed air in a specially designed injector system.
It is important that your operational staff reads these directions for use prior to the installation and start of operation. Operation as laid down in the directions for use will ensure an optimum level of hygiene in your factory and a minimum level of repair work.
Application
Foamatic Compact satellites are connected to a booster/pump station with a fixed piping system. Foamatic Compact is equipped with an injector device making it work as a complete cleaning unit. The station is designed for the cleaning of walls and floors in factory rooms, of production machinery, of transport systems such as conveyors, transport trucks, transport boxes, containers, moulds etc. and can be used for internal and external cleaning of vehicles. The unit is made of corrosion resistant materials, mainly stainless steel, and is therefore especially suitable for application within the food industry. If you need information on further applications, please contact Ecolab. Combining a booster pump and a Foamatic Compact makes it possible to:
- pre-rinse with water
- foam detergent
- rinse of with water
- spray or foam sanitise
- final rinse with water
Special Warnings
The special warnings CAUTION, ATTENTION, and NOTE used in this manual have the following meanings:
CAUTION:
This term is used to highlight the fact that complete or even partial failure to properly adhere to operation instructions, working instructions, specified working sequences and similar can cause personal injuries or accidents.
ATTENTION:
This term is used to highlight the fact that complete or even partial failure to properly adhere to operating instructions, working instructions, specified working sequences and similar can cause damage to the equipment.
NOTE:
This term is used to draw attention to a particular feature.
Safety Instructions
Repairs must only be made when the all supplies are closed and the station has been depressurized.
ATTENTION!
Maintenance work is only to be carried out by authorised personnel.
Product line
Basic unit
The basic unit consists of a Foamatic Compact inclusive the below accessories.
Accessories
The unit is equipped with the following standard accessories:
1. Wall bracket

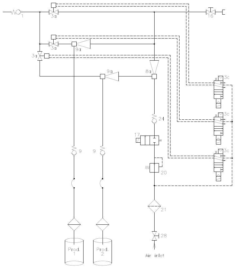
Description of function
Flow Chart

- 1. Non return valve, water
- 3a.Ball valve
- 3c Solenoid valve for ball valve
- 8a. Air inlet
- 9. Non return valve for chemical
- 9a. Injector
- 4
- 15. Ball valve
- 17. Solenoid valve for air
- 20. Air regulator
- 21. Air filter
- 24. Non return valve for air
- 28. Closing valve for air
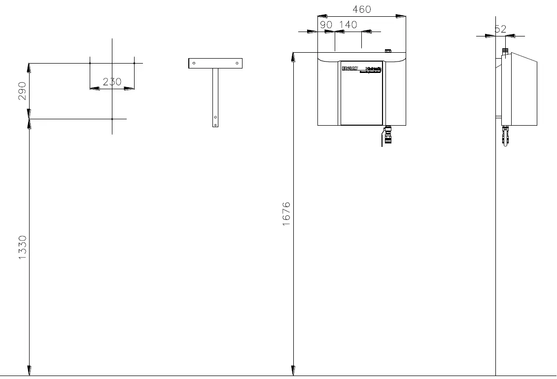
Installation
Direction for mounting of Foamatic Compact
ATTENTION!
- The unit should be mounted in frost free rooms only.
- The unit can be mounted on a wall or on a separate frame (article no. 370300), which may be installed in production areas and anchored to the floor.
For mounting on walls, please note the following:
- The wall for mounting should be either a stable brick wall or a wall made of concrete.
- The delivered wall bracket should be secured to the wall by the enclosed screws and corresponding dowels.
- The mounting holes should be drilled according to dimensional sketch on page 6.
- The wall bracket should be mounted on the wall according to the above description. Afterwards the unit is mounted on the bracket.

Water connection
ATTENTION!
- Before the unit is connected to the water supply pipe the supply line should be rinsed through carefully in order to remove coarse impurities and metal shavings.
- The connection for water should be made at the top of the unit (above pos. 1 on drawing page 9).
- Minimum internal diameter of the supply pipe must be at least 3/4″ (19 mm).
- Foamatic Compact is equipped with a closing valve on the inlet of the unit (above pos 1 on drawing page 9).
- The pressure loss in the supply line should be held as low as possible by.:
- avoiding long supply pipes
- mounting low pressure resistance ball valves and
- avoiding fittings with high pressure loss
NOTE!
- When installing the piping, take care to avoid air traps.
- All pipe connections to the unit must be supplied with unions to ensure simple service and dismounting of the unit.
- Max. temperature on inlet water : 70°C
Max. pressure on inlet water :25 bar
Min. Pressure on inlet water :12 bar
Min. Water supply :100 l/min
Air connection
ATTENTION!
- Before the unit is connected to the air supply, the piping must be carefully rinsed in order to remove coarse impurities.
- The unit requires an air supply boasting:
- an inlet pressure of min. 6 bar and
- a minimum capacity of 200 Nl/min.
- The air supply must be connected to the unit directly with a union in order to simplify dismounting. On all units a closing valve is mounted with ¼” thread (pos. 28 on drawing page 9).
Supply of detergents
- Place the can with suitable detergent in the can holder.
- Check the suction filter on the hose for detergent for impurities.
- Put the suction hose into the can below product level and avoid suction of air.
After pre-rinsing, check again that the hose is sufficiently below product level and avoid suction of air during operation with foam or spray function. - After use the remove the hose from the detergent/disinfection. When changing detergent and after use thoroughly rinse the injector with clean water.
Start up
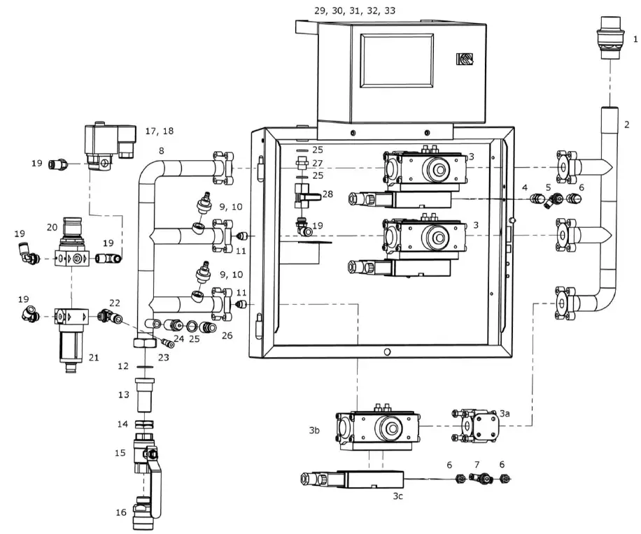
Layout drawing
Foamatic Compact (119000010)
- 1. Non return valve, inlet
- 3. Ball valve with actuator
- 9a. Injector
- 10. Chemical limiting nozzle
- 15. Ball valve, outlet
- 16. quick coupling, outlet
- 17. Solenoid valve for air
- 20. Reduction valve for air
- 21. Air filter w. water separator
- 28. Closing valve for air
- 29. El. box with PLC and display
Start up procedures
When all supply connections have been connected in accordance with procedures described in chapter 4 the unit is ready for start up.
WARNING!
- Ensure that the outlet valve is closed.
- Connect the hose to the quick coupling (16 on drawing page 9), open the closing valve.
- Open the closing valve(above pos. 1 on drawing on page 9) and the hose/piping system is filled with water. The unit is now ready for use.
- Set the air pressure on the reduction valve to 6 bar (pos 20 on drawing page 9) check the pressure gauge afterwards.
NOTE!
When setting the regulator, carefully pull up the knob and turn it right for pressure increase and left for pressure decrease.
User Panel
The Foamatic Compact is equipped with a simple and user friendly PLC controller. The operational buttons (see ill. above) are used to change between program, stop/reset and manual operation. Below please find an ill. of what F1-F4 are used for.
- F1: Start cleaning program
- F2: Stop/reset program
- F3:Manual operation of rinse, foam and disinfection.
- F4:Not used
ESC-button (see ill. above) is used to enter a functionality and again when leaving the functionality. Arrow keys are used to change times in the cleaning program. OK is used to confirm a change.
Start program
Manual Operation
How to stop/reset the unit
Changing parameters in the PLC
All program changes are made using the marked buttons. Please find below instructions, how to change the standard settings which are pre- programmed when the Foamatic Compact is delivered.
PROGRAMMING:
| Push | Display | Text |
![]() | ![]() | Date and time |
![]() | ![]() | |
![]() | You move up and down in the menu using the arrow keys. Push OK to select the item you wish to change. |
![]() | ![]() | Setting of parameters. You can now enter the menu where parameter times can be changed. |
![]() | Example
| Push ”OK” to change a parameter. You can see the curser where the character looks different and blinks. Now you can move up and down in times using right and left arrow key. Change the time using arrow keys up and down. Changeable parameters: ”Rinse 1, -2, -3”, ”Pause de”, ”Pause fo”, ”Foam”, ”Desinfec” and ”Air dry”. |
![]() ![]() ![]() ![]() | ![]() | Push ”OK”, to set the clock. Enter Clock or LCD menu. Use left and right arrow key. In the LCD menu contrast and background lightning can be set. |
![]() ![]() | Use this key combination in order to return to the main menu. | |
![]() | This picture appears by the end of the program, just before ”END program” |
![]() | Signal from Foamatic Compact, PLC not ready. “GO” signal from external unit is not high. Needs “GO” signal to start program | |
![]() | One of the containers have ran out of detergent. |
Directions during operation
WARNING!
We recommend using only original Topax nozzles
- If the system is not used for a longer period of time we recommend the following:
- Close the closing valve for water on top of the Foamatic Compact (above 1 on drawing page 9)
- Manually open the water valve and empty the piping system for water to depressurise the unit.
Safety Precautions
Closing valve for water (above 1 on drawing page 9).
With this closing valve the water supply can be shut of. Furthermore, a non return valve is built into the unit.
- Closing valve for air (pos. 28 on drawing page 9).
With this closing valve the air supply to the system can be shut of. Furthermore, a non return valve for air is built into the unit.
Technical specifications
Technical data
| Technical specifications | Foamatic Compact | |
| Water | ||
| Min/Max inlet pressure | bar | 12-25 |
| Consumption during rinsing | L/min. | 0-100 |
| Consumption during foaming | L/min. | 10-12 |
| Min. water inlet | L/min. | 10 |
| Max. temperature | Cº | 70 |
| Inlet pipe Ø | Ø | 3/4″ |
| Outlet pipe, Ø | Ø | 1/2″ |
| Compressed air | ||
| Min./Max. pressure | bar | 5-10 |
| Air consumption | Nl/min. | 200 |
| Inlet pipe, air Ø | Ø | 1/4” |
| Electricity | ||
| Supply voltage | (V/Hz) N-L1 | 100-240/50-60 |
| Fuse | (A) | 10 |
| General | ||
| Design | Stainless steel | |
| Measure in mm | H x W x D | 560x440x220 |
| Weight | kg | 17,2 |
Identification plate

- Producer
- Serial no
- Type
- Date
- Order number
- Max. pressure
- Voltage
- Frequency
- Water pressure
- Ampere consumption
- Max. temperature
Maintenance
Instructions
- If the quick couplings leak, o-rings should be replaced.
- Filter in air filter (pos. 21 on drawing on page 9) must be exchanged at least once a year.
- Depending on usage, at least once a year maintenance should be undertaken by an authorised service engineer in order to prevent defects and failure of operation. Authorised engineers are persons who due to their skills and experience have sufficient knowledge of Topax Hygiene systems and are confident with the state work safety regulations, accident preventing regulations, lines and generally acknowledge technical regulations such as DIN norms and VDE provisions. For your safety this cleaning unit has been manufactured according to all relevant regulations valid in the EU and it has therefore been fitted with the CE marking. For further information, please refer to Ecolab.
Trouble shooting and Remedy
Symptoms
The unit does not build up pressure Insufficient foam creation No foam creation No spray desinfection
Possible causes
Insufficient water supply Fault No water supply No supply of detergent Unsuitable product Insufficient air supply Injector air pressure too high No air supply Non return valve blocked Injector nozzle blocked
Remedy
Open water supply See user guide Ensure water supply Ensure supply of detergent Choose suitable product Open the air supply Adjust air pressure Ensure air supply Clean or exchange valve Clean injector nozzle
| Fault | Cause | Remedy |
| The unit does not build up pressure | No water supply Fault | Open supply valve for water See user guide |
| Quality of foam unsatisfactory | Type of detergent not suitable | Change to suitable detergent |
| Insufficient air supply to the unit | Provide sufficient air supply 200 Nl/min 5-10 bar. | |
| Incorrect air pressure to the unit | Set the pressure to 6 bar on the reduction valve. | |
| Air pressure in injector is too high (read the pressure level on the manometer). | Adjust the pressure to 6 bar on the reduction valve | |
| Nozzle in mixing chamber is blocked | Clean the nozzle in the mixing chamber | |
| No foam creation | No supply of detergent | Secure supply of detergent |
| No foam and/or spray | Non return valve for detergent blocked. Concentration of detergent is set to low. | Clean or exchange valve. Increase concentration |
| The station does not build up compressed air | Inlet valve for compressed air not open. | Open inlet valve for compressed air |
Components
Exploded drawings of Foamatic Compact with spare part list

| Pos. no. | Item no. | Description | Amount |
| 1 | 600400 | Non return valve 3/4″ | 1 |
| 2 | 110000599 | Inlet Foamatic Compact | 1 |
| 3 | 0605760 | Valve DN 15 | 3 |
| 3a | 0605771 | 3-parted ball valve | (3) |
| 3b | 0605792 | Actuator | (3) |
| 3c | 0623088 | Solenoid valve 24VDC | (3) |
| 4 | 0608244 | Pilot valve | 2 |
| 5 | 0608096 | Air fitting, angle 1/4”x4mm | 1 |
| 6 | 69930001 | Silencer | 4 |
| 7 | 0608121 | Quick fitting Tee 1/4″x4mm | 2 |
| 8 | 110000600 | Outlet Foamatic Compact | 1 |
| 9 | 0664281 | Chemical non return valve | 2 |
| 10 | 0646105 | Limiting nozzle set | 2 |
| 11 | 640401 | Chemical nozzle for injector, 150l | 2 |
| 12 | 356900 | O-ring for union | 1 |
| 13 | 357300 0608200 | Union male 1/2″ Nippel pipe 1/2” x 40mm | 1 1 |
| 14 | 350705 | Lock nut 1/2” | 2 |
| 15 | 632800 | Ball valve 1/2” | 1 |
| 16 | 0607773 | Coupling 1/2″ | 1 |
| 17 | 530900 | Solenoid valve 1/4″ | 1 |
| 18 | 533100 531500 | Coil 24V DC Plug for coil | 1 1 |
| 19 | 638500 | Quick fitting 1/4”x8mm angle | 4 |
| Pos. no. | Item no. | Description | Amount |
| 20 | 637000 | Reduction valve for air 1/4” | 1 |
| 21 | 635600 | Air filter 1/4” with water separator | 1 |
| 22 | 638601 | Quick fitting, tee 8 x 1/4″ x 8mm | 1 |
| 23 | 638950 | Reduction nippel 8 x 4 | 1 |
| 24 | 0664034 | Non return valve for air | 1 |
| 25 | 638100 | Sealing 1/4″ | 3 |
| 26 | 634500 | Quick fitting 1/4″, internal thread | 1 |
| 27 | 633500 | Hexagon nippel 1/4″ | 1 |
| 28 | 634000 | Closing valve for air1/4″ | 1 |
| 29 | 314202 | El box | 1 |
| 30 | 110000604 | PLC | 1 |
| 31 | 110000652 | Display for PLC | 1 |
| 32 | 110000633 | Tilting switch | 1 |
| 33 | 0601828 | Power supply 24V DC | 1 |
Warranty
ATTENTION!
Our guarantee is given for a period of 12 months from delivery on all parts which have provable become unfit for use due to material, construction or manufacturing defects as well as inadequate work. The guarantee compensations will occur in the shape of either reimbursement, replacement or repair of the defective or damaged part at our works. Installation and freight costs are always on the purchaser´s account. Any defective parts are to be placed at our disposal. Claims that may otherwise be raised for any legal reason will not be acknowledged. No liability will be accepted for damage occurred indirectly. The purchaser has no right to let any third party repair possible defects on our account. All hoses, rubber parts or synthetic materials, natural wear and tear as well as damage caused by careless and inappropriate handling, including transport damage are not covered by the guarantee. Further, the guarantee does not apply if the system has been subjected to frost. The obligation of guarantee compensation also ceases if changes or repairs are made by non authorised persons. Claims under the guarantee will only be acknowledged when they are placed immediately after the defect has been noticed. The guarantee ceases in case of change of ownership. The dealer cannot be held responsible for personal injury, damage to equipment, working deficits, including production loss, loss of profits, loss of stock or the like which may occur by imperfect and delayed delivery of the sold product, regardless of the reason, including manufacturing and material defects. Please see our standard terms of sale and delivery.
User Service
Europe
Headquarter
Ecolab Europe GmbH
Richtistrasse 7
8304 Wallisellen
Switzerland
EU Declaration of conformity
Manufacturer:
Company name: Nilfisk-Alto Food Division
Address: Blytækkervej 2 9100 Aalborg Danmark
Tel.: +45 72182000
Hereby declare that
Machine:
No: Foamatic Compact
Name: -Topax Hygiene System
Type: Foamatic Compact
– is in conformity with:
the COUNCIL DIRECTIVE of 14 June 1989 on mutual approximation of the laws of the Member States on the safety of machines (89/392/EEC as amended by directives 91/368/EEC, 93/44/EEC and 93/68/EEC) with special reference to Annex 1 of the Directive on essential safety and health requirements in relation to the construction and manufacture of machines.
was manufactured in conformity with the following national standards that implements a harmonised standard:
EN 292-1
Basic terminology, methodology
EN 292-2
Technical principles and specification
Name: Michael Mortensen
Company: Nilfisk-Alto Food Division


ESC-button (see ill. above) is used to enter a functionality and again when leaving the functionality. Arrow keys are used to change times in the cleaning program. OK is used to confirm a change.
Manual Operation
How to stop/reset the unit







































