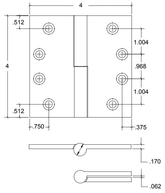
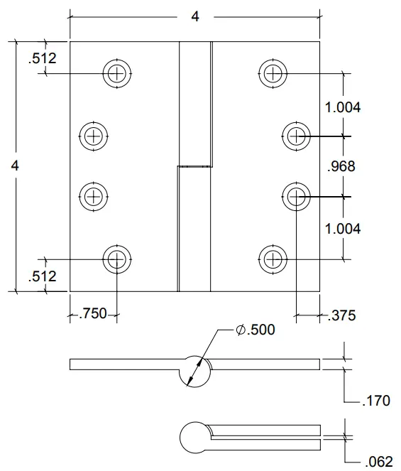
Accessories – PH206.40
4” x 4” Paumelle Round Barrel Hinge Installation & Template
Instructions
PH206.40 Paumelle Round Barrel Hinge
| Round Barrel (Left Hand) | Round Barrel (Right Hand) |
![]() | ![]() |
No. 12 x 1 1/4” Flat-head slotted wood screws are included
[email protected]
www.hamiltonsinkler.com
Tel: 212-760-3377


















