Models: RDV3611ETRN / RDV3611ETRL

Symmetry gas fireplace
Installation guide
Important
Appliance must be installed with a Rinnai-approved flue system.
This appliance shall be installed in accordance with:
- Manufacturer’s installation instructions
Current:
- AS/NZS 5601 Gas Installations
- AS/NZS 5263 Gas Appliances General Requirements
- AS/NZS 3000 Electrical Standards
- AS/NZS 3500 Plumbing and Drainage Standards
Installation, servicing, and repair shall be carried out only by authorized personnel.
Warning
Improper installation, adjustment, alteration, service, or maintenance can cause property damage, personal injury, or loss of life.
For more information about buying, using, and servicing Rinnai appliances call 0800 RINNAI (0800 746 624).
Rinnai New Zealand Limited
105 Pavilion Drive, Mangere, Auckland
PO Box 53177, Auckland Airport, Auckland 2150
| Phone: | (09) 257 3800 |
| Email: | [email protected] |
| Web: | rinnai.co.nz youtube.com/rinnainz facebook.com/rinnainz |
Installer please note
The Symmetry RDV3611 is recommended for a new build installation into a false (mock) chimney. It is not suitable for retrofitting into an existing masonry fireplace.
Appliance, including the flue, is installed after framing and before cladding. Rinnai strongly recommend the appliance is fully tested BEFORE any material is applied, as installation problems may result in the fire needing to be pulled out—this is difficult if cladding has been installed.
Specification
Specification summary
| Input: Output: Efficiency: Heating area: Gas type: | 19-33 MJ/h 3.8-7.5 kW* 80% up to 116 m2** NG or ULPG |
A direct vent inbuilt gas fireplace with a glass front and convection fan (top discharge). Operated with a remote control (7-day programmable timer).
* Will vary according to gas type and flue configuration
** Will vary depending on geographical location in NZ
Data plate
Centre front of base panel, behind the service panels.
Gas connection
½ “ BSP male flare. This connects straight into the gas control on the lower left hand side of the unit.
Ignition
Integrated sparker to pilot.
Noise level: 37-45 dB(A)
Flue
Inner 100 mm, outer 170 mm.
Appliance must be installed with a Rinnai flue system.
Power consumption and electrical supply
High 50 W
Standby <1 W
Comes with a 1.5 m power cord and 3-pin plug. The standard electrical connection is to the right hand side of the appliance.
Safety devices
Light to pilot, delayed ignition, overheat switch, electronic flame failure supervision, and combustion chamber relief.
Temperature control
Thermostatic, temperature control range 7-32 °C.
Weight: 60 kg
Installation considerations
Maximum flue height is 5.4 m.
Smaller rooms will heat up quickly, and due to the efficiency of the appliance, the fire will turn off once the set temperature has been reached.
The Symmetry looks and performs best when installed close to the floor.
If the unit is installed higher up the wall the movement of air from the convection fan, depending on the room configuration, could create draughts.
Cover panel: 150 mm opening on both sides of the unit. Covers are removed only when a Symmetry heat transfer kit is installed.
Standard metal outer frame

Premium flat metal outer frame

Gas supply
Gas pipe sizing must consider gas input to this appliance as well as other gas appliances in the premises.
The gas connection from the control valve is a ½ “ BSP male flare fitting. This connects straight into the gas control on the lower left hand side of the appliance.
Refer to the dimension diagram for the gas connection dimensions from the back and centreline of the unit.

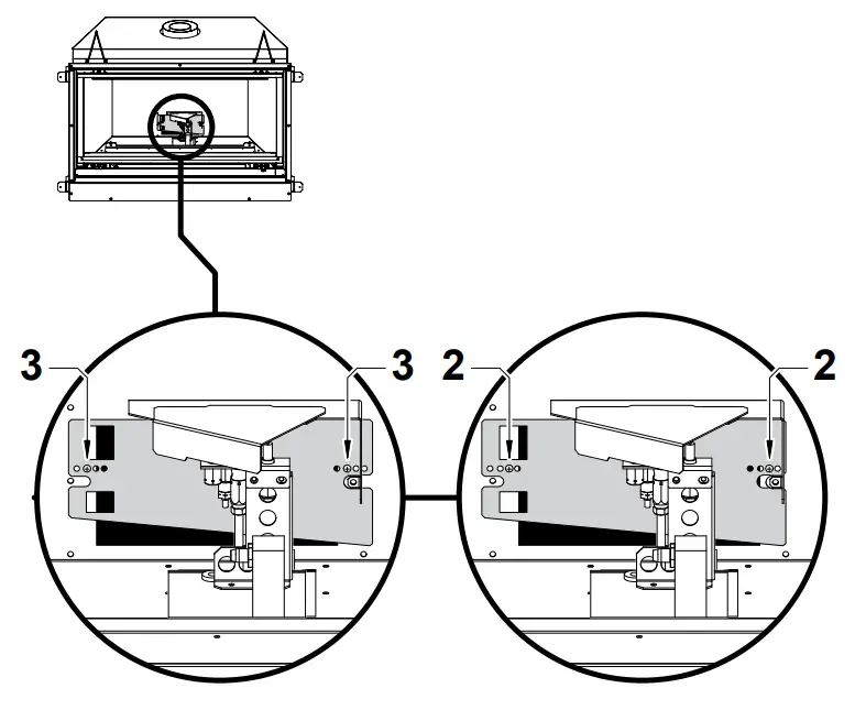
To access the gas connection, remove the upper and lower bracket (also called the service access panels).
The brackets can be removed by undoing the screws as shown below at each end of the unit.

Electrical supply
The Symmetry is fitted with a 1.5 m power cord and a 3-pin plug.
The standard electrical connection is to the right side of the front of the appliance. If necessary this can be changed by an electrician to terminate on the left.
The connection is either direct wired* or connected to a power point within the cavity. This must be connected to a dedicated 230 V, 10 A earthed power point. The electric isolation switch must be accessible after the appliance has been installed.

The unit must not be located below a power socket outlet (potential fire hazard).
If the supply cord is damaged, it must be replaced by a licensed tradesperson. This must be a genuine replacement part available from Rinnai.
* Consult a qualified electrician if direct wiring is required as it must comply with AS/NZS 5601.1 and AS/NZS 3000 and other relevant local regulations.
Framing dimensions

Enclosure dimensions
W-width 1100-1125 mm*
H-height 850 mm min.
D-depth 540 mm min.
S – side clearance
* If installing a Symmetry heat transfer kit allow for an additional 250 mm side clearance per kit.
For example if one kit is being installed the width would need to be 1350-1375 mm. This additional clearance is required to ensure the ducting does not come into contact with the fire.
The main points governing location are flueing and warm air distribution. The Symmetry has an integrated zero clearance box that isolates the appliance from combustible materials. This means it can be installed directly into a decorative fireplace constructed from materials such as wood or plaster.
Corner installations

Clearances from combustibles
The clearances listed below, measured from the edge of the inner glass, are minimum clearances unless otherwise stated.
While the heater is operating
The appliance must not be installed where curtains or other combustible materials could come into contact with the heater. The 400 mm side clearance includes side walls.
Floor protection
Heat emanating from this fire may over time affect the appearance of some materials used for flooring, such as, carpet, vinyl, cork or timber. This may be amplified if the air contains cooking vapours or cigarette smoke. To avoid this occurring, it is recommended that a mat be placed in front of this appliance.

Mantels and surrounds
Combustible mantels and surrounds require clearance from the unit to minimise the risk of fire. Mantels and surrounds, made of combustible materials such as wood, are allowed providing they are outside the minimum clearances shown.
Hearths
A hearth is not necessary but can be used for decorative purposes or protection of sensitive flooring if required. A hearth must not obscure the front of the fire.
Wall surface above the fire
The temperature of the wall surface directly above the fire may get warm and distort paint finishes, or distort vinyl wall coverings. For durability of surfaces, please contact the
manufacturer for their specification.
A Mantel needs to be a min. of 400 mm away from the edge of the inner glass.
B Max. mantel depth at 400 mm (A) is 250 mm max.
C Surround needs to be a minimum of 400 mm away from the edge of the inner glass.
For every 50 mm of added mantel depth there must be an additional 100 mm of clearance from the edge of the inner glass. For example:
| Mantel depth 300 mm 350 mm 400 mm | A: clearance required 500 mm 600 mm 700 mm |
The below diagram is to assist people who are determining the clearance area around the Symmetry without having the unit on site.
TV installation
The Symmetry has a fan that distributes warm air from the top of the appliance out into the room.
As warm air is dispersed outwards, as opposed to directly upwards, installation of a TV may be an option.
The diagram shows recommended clearances when installing a TV directly above the Symmetry, or into a recess. All dimensions are in millimetres.
400 mm dimension
The 400 mm dimension is the minimum clearance required to a mantel. The image adjacent shows the dimension from the edge of the frame, in the case of the Symmetry the 400 mm dimension is to be taken from the edge of the inner glass.

Always check with the TV manufacturer
It is up to the owner to check the TV installation with the TV manufacturer—some have warranty conditions that state a TV is not to be installed above a fireplace.
Rinnai does not accept any responsibility for damage to a TV resulting from the use of this information.
Installation overview
Read these instructions to get an overview of the steps required before starting the installation.
Failure to follow these instructions could cause a malfunction of the appliance. This could result in serious injury and/or property damage.
Unpack the appliance and components, and check for damage. Do not install any damaged parts.
Check all components have been supplied and that you have the correct gas type.
Adapt steps as necessary to suit the installation, for example new build or renovation—order of steps may vary.
* In some instances (renovation), if there is gas supply to the unit, it would be better to commission before cladding, as removing the unit, should installation problems occur, becomes difficult if the cladding has already been applied.
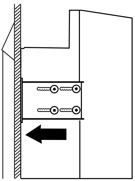
Mounting bracket installation
Install the four mounting brackets supplied onto the unit. The position of the thickness will depend on the cladding thickness and the type of installation (framed or frameless).
The Symmetry can be installed with granite and metal frames, and also as a frameless installation. The frameless installation can have brick, rock veneer, or tiles—these will sit tight up against the framing plate of the fire.
The metal mounting brackets can be adjusted (20 mm) to allow for the different cladding thicknesses.
![]() | ![]() | ![]() |
| Granite or metal frame Bracket is in the forward position and the backing board is around the framing plate. | Brick or tile installation Note the depth of the brick recess. The bracket is in the middle position and the front face of the backing board is level with the back face of the framing plate. | Frameless brick or tile installation Note the cutaway in the brick for a shallower recess. The bracket is in the back position with the front face of the backing board sitting behind the framing plate. |
Installing the Symmetry and fixing to the frame
The Symmetry comes pre-assembled with the burner already in position. For all installations the unit MUST BE positioned on a level surface
- Position the unit inside the cavity.
- Bend and secure the two metal standoffs supplied with the unit into position on top of the unit. These provide the 150 mm vertical clearance to the upper lintel.
- Fix the unit to the frame with the four mounting brackets. These act as seismic constraints as well as providing horizontal clearance to the frame.
- Install the glass front, this will help protect the unit while the remaining installation work is completed.
The carton in which the Symmetry is packaged has a cardboard cutout that is the same size as the glass frame. This can be used to protect the unit during installation.

Cladding
When installing the cladding* ensure it is installed up to the flange and not over it. Any overhang will affect performance of the appliance and cause an unsafe situation.
Cladding MUST NOT extend lower than the cladding support bracket.

* In some instances (renovation), if there is gas supply to the unit, it would be better to commission before cladding, as removing the unit, should installation problems occur, becomes difficult if the cladding has already been applied.
Flue restrictor installation
The flue restrictor works by limiting the amount of air required for combustion. The higher the flue, the more the air is circulated. This can affect the performance of the fire. Different flue configurations require different positioning of the flue restrictor—refer to p. 24-25 to determine what setting is required.
The different hole positions are shown in the diagram. These are stamped on the flue restrictor.
Before installing the flue restrictor
Before the flue restrictor can be installed you need to remove the pilot shield and carefully lift the burner bed out of the unit.
Attach the flue restrictor as shown by securing with the screws provided.
Log set installation
The log set is packaged separately and consists of five log pieces and three moulded rocks. Use extreme care when handling the log pieces, they are made from fragile material and will damage easily.
Use these instructions in conjunction with the log location guide, which is attached to the engine. Experience has shown that the majority of performance problems have been caused by the log set being installed incorrectly. 
It is important to place the pieces in the correct position. Incorrect placement can create carbon build-up and affect performance. Malfunctioning due to incorrect log/rock placement is not covered by warranty. The unit MUST NEVER be used with broken logs or rocks or other burn media.
- Carefully remove the log set from the packaging and fit the front base left log (with moulded rock). There is a cutout in the back of the log and in the burner—it should only fit one way, sitting flat with no movement.

- Fit the snake shaped log into the curve on the far right of the burner base. It should sit hard up against the burner and once positioned not rock or wobble.
- Fit the front middle left log (whale tail in the front) into the back flat section of the burner, and swing over so that it slots on top of the front base left log.
- Place the y-shaped log securely in the back recess of the burner (there is a cutout in the log and in the back of the burner)—it will almost touch the back burner cover.

- Place the top bent log over the u-shaped log and the whale tail log—there are pockets underneath to help position it properly. For correct positioning ensure that the top bent log is located on the three points shown.
- Place the round flat rock and front left rock over the burner screw holes. Keep them as far away as possible from the glass, while making sure they still cover the holes.
Place the remaining triangular shaped rock on top of the round flat rock as shown.
After all pieces are in position double check everything is sitting flat with little or no movement— they should be stable and not wobble.
Commissioning
The gas pressures of the appliance are factory set and will normally not require adjustment. When checking the operating pressures the combustion chamber glass must be on.
If installing an LPG unit with a vertical flue termination, the appliance must be uprated to 33 MJ/h using the uprating kit and instructions supplied with the unit.
To check and set the burner pressures
- Turn on the gas and power supply to the unit.
- Refer to the data plate for applicable test point pressures.
- The test point is on the gas control valve. Using a suitable screw driver loosen the captivated test point screw and attach a manometer.
- Using the manual control switch (on the appliance), turn the unit on and switch to the HIGH setting, and adjust the pressure as necessary.
- Disconnect the solenoid (yellow wire), this will ensure the unit is on the lowest setting, and set the appliance to the LOW setting. Adjust the pressure as necessary. Reconnect the solenoid.
- After checking the pressures, turn the unit off, remove the manometer, and replace the test point screw.
- Turn the heater on and off a few times to check ignition.
- When you are satisfied that the heater is working correctly reassemble and start the appliance to check the flame pattern.

Test operation and lighting sequence
It may take approximately two hours of operation for the logs to achieve their full flame pattern and glow. During this burning in period some smoke and smell may be xperienced. The appliance should run on the high setting in a well ventilated room until these dissipate. It is important to check the flame pattern during this time.
Abnormal flame pattern
Abnormal flame performance and/or flame pattern can indicate a problem with the fire such as blocked gas injectors or log set that may have shifted. There are some warning signs that could indicate a problem.
- Unusual smell from the appliance
- Continued difficulty or delay in establishing a flame
- Flame appears either very short or very long
- Flame only burns part way across the burner
- Severe soot building up on the inside of the glass door
Important
It is the responsibility of the installer to check that under normal conditions of the appliance, all flue gases are exhausted to the outside atmosphere and that there is no spillage of combustion gases into the room.
If the appliance cannot be made to perform correctly please contact Rinnai.

Fitting the frames and optional dress guard
The installation steps vary depending on the type of frame selected, bevelled, premium flat, granite, or inner frame only for frameless installations. For steps on how to install the frame refer to the separate installation instruction provided with each frame kit.
Installation checklist and customer handover
Complete the installation checklist in the customer operation guide, and make sure you leave the guide with the customer. Take the time to explain to the customer about the use and care of the unit, that they understand the instructions, and the importance of regular servicing.

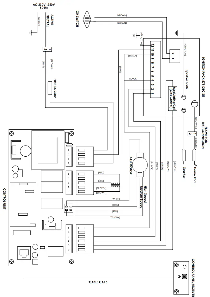
Wiring diagram (11652-A)

Symmetry flueing
General flueing guidelines
Every gas fire requires a flue system that will draw effectively and clear flue products safely under all potential wind and climatic conditions. It is the responsibility of the installer to ensure that the appliance is provided with an effective flue.
Some guidelines to assist with flue design are detailed below. These must be read and modified as necessary depending on the installation. The Symmetry RDV3611 must be installed with an approved flue system, approved components are shown in this guide.
Flue clearance to combustibles
The Rinnai Symmetry RDV3611 flue is made up of an inner flue with a protective outer flue (heat shield). It is the inner flue that gets hot, requiring clearance to a combustible surface.
AS/NZS 5601.1 6.8.12 (c) states there must be an air space around the flue of at least 25 mm. As the Ø 170 mm outer flue maintains a 70 mm air space around the hot section of the inner flue, protection of a combustible surface is automatically maintained.
The only additional clearance required is 10 mm from the outer flue to a combustible surface to allow for expansion and contraction of the outer flue component.
Flashings
Flashings are not included with the Symmetry flue kits, these must be specified. The only exception is the flashing kit (R3646) provided in the horizontal flue kits, refer note on next page.
Flue cowl clearance
To ensure products of combustion are cleared adequate clearance from the building is required.
The flue cowl should have a 500 mm clearance from any part of the building. This also applies to steeped and pitched roofs where the flue cowl should be 500 mm clear of the ridge line. Adequate fresh air flow must exist around the flue cowl following installation.
Minimum clearances are shown in AS/NZS 5601.1.
Flue terminal locations
Flue terminals must be compliant with the flue terminal locations shown in AS/NZS 5601.1. The flue cannot terminate under a floor or in a roof space.
Self-supporting flue
The weight of the flue system should not be supported by the appliance—it should be selfsupporting.
Supporting the flue is usually completed during the framing stage with flue supports or straps within the cavity. Wall straps have been included in the Rinnai Vertical Flue Kits.
Elbow straps are also available as a separate component to prevent excess weight on the flue elbow.
Horizontal runs of flue pipe
Horizontal runs of flue pipe must be supported to prevent any downward sags. Horizontal pipe sections should be supported every 1.2 m. Wall straps can be used for this purpose.
The horizontal run of flue pipe must have a 20 mm rise for every 1 m of run towards the flue termination. Never allow the flue pipe to run downwards towards the horizontal flue terminal.
A downward slope can trap heat and become a fire hazard.
Shared flues
Gas appliances must not be connected to a chimney or flue serving a separate fuel burning appliance.
R3646 horizontal flashing kit
Designed to maintain clearances to combustibles, and to join the internal flue to the outside flue terminal. The kit is comprised of two sections:
– flashing collar
– flashing box
For new builds the flashing kit should be installed at the same time as the framing / building wrap / cladding.
Flueing options – vertical termination

Maximum number of 45° bends = 2 Maximum number of 90° bends = 2
The shaded regions determine the position of the flue restrictor—refer p. 13.
Flueing options – horizontal termination

Maximum number of 90° bends = 1
The shaded regions determine the position of the flue restrictor—refer p. 13
Symmetry RDV3611 flue kits
Symmetry RDV3611 flue kits have been based on the flue configurations shown. If you have a combined vertical and horizontal flue configuration you can order separate components to suit.
RDV3611 Flue Kit Horizontal (short, R3660)
- Flue pipe 900 mm x 1
- Elbow 90° x 1
- Flue pipe 300 mm x 1
- Horizontal flashing kit x 1
- Wall terminal x 1
RDV3611 Flue Kit Horizontal B (long, R3661)
- Flue pipe 900 mm x 1
- Elbow 90° x 1
- Flue pipe 230 mm x 2
- Horizontal flashing kit x 1
- Wall terminal x 1
Refer p. 30 for a schematic diagram of a horizontal flue termination and the flue components required.


Symmetry RDV3611 horizontal flue kits
The following diagram explains the components, dimensions (mm), and appropriate flue kits available for differing horizontal flue installations. Refer to the table below to calculate what flue pipe length and/or kit you may need.

Distance from the appliance to the cowl
| Flue Kit | Horizontal flue | D |
| 230 mm pipe | 560-675 mm | |
| Short A | 300 mm pipe | 635-750 mm |
| Long B | 230 mm pipe x 2 | 745-860 mm |
| 300 mm + 230 mm pipe | 825-940 mm | |
| 300 mm pipe x 2 | 895-1010 mm |
• Adjust the distance by sliding the cowl on the pipe
• At its maximum position the cowl should still keep a 45 mm overlap.
Symmetry RDV3611 flue components
RDV3611 flue pipes
| 150 mm: | R3630 |
| 230 mm: | R3631 |
| 300 mm: | R3632 |
| 450 mm: | R3633 |
| 600 mm: | R3634 |
| 900 mm: | R3635 |
| 1200mm: | R3636 |
Pipe used to construct horizontal and vertical flueing. Cannot be cut to size. Once joined nominal length reduces approx. 35 mm.
Inner: Aluminium
Outer: Galvanised steel
![]()
Thru-wall plate interior (R3645)
Interior through-wall plate for internal wall passes. Centres and ensures suitable clearances from combustibles.
![]()
Flue extension
75-175 mm: R3638
75-360 mm: R3639
Used for extended straight lengths of flue. Available in two lengths— extending to 175 mm or 360 mm.
Inner: Aluminium
Outer: Galvanised steel![]()
RDV3611 flue elbow 90° (R3643)
Used to facilitate between vertical and horizontal flueing. Elbow swivels 360 ° at base. Angle not adjustable.
Once joined effective length reduces 35 mm to approx. 130 mm.
Inner: Aluminium
Outer: Galvanised steel
Flue restrictor (11516)
Supplied with the unit.
Maintains efficiency by restricting air flow through the unit as flue length and flue pull increases.

Roof cowl (R3651)
Aluminium flue terminal required for all vertical flue installations.
High wind vertical cowl protection kit (R3655)
For windy areas such as Wellington, coastal properties, and elevated properties on hills. Designed to wrap around the vertical cowl to reduce wind entering the flue and causing flame disturbances. It is fitted to the cowl and can be retrofitted.
Construction = stainless steel
Horizontal wall terminal (R3650)
Aluminium flue terminal required for all horizontal installations.
Depth with horizontal flashing kit installed – 252 mm.
Horizontal flashing kit (R3646)
Flashing components used to join the internal flue to the outside flue— Refer horizontal wall terminal for installed dimensions.
Box depth 100 mm.
Wall strap (R3647)
Adjustable strap used in interior/exterior installations to add lateral support to the flue.
Provides a 50-200 mm clearance to combustible walls.
Elbow strap (R3644)
Flue support for elbow and offsets.

RDV3611 flue elbow 45 ° (x2)
Code: R3642
Offsets obstructions. Elbow swivels 360 ° at base. Angle not adjustable. Kit contains two 45 ° bends.
Once joined effective length reduces 35 mm to approx. 73 mm.
Inner: Aluminium
Outer: Galvanised steel

Flue pipe (length and code) | Offset | Rise | |
None (bend to bend) | N/A | 124 mm | 340 mm |
150 mm | R3630 | 203 mm | 419 mm |
230 mm | R3631 | 257 mm | 473 mm |
300 mm | R3632 | 311 mm | 527 mm |
450 mm | R3633 | 417 mm | 633 mm |
600 mm | R3634 | 524 mm | 740 mm |
900 mm | R3635 | 737 mm | 953 mm |
1200 mm | R3636 | 949 mm | 1165 mm |
Horizontal termination example
flue components required

Vertical termination example
flue components required

Rinnai.co.nz
Tel: 0800 746 624
http://www.youtube.com/rinnainz
http://facebook.com.rinnainz
























