Input EMC Filters VW3A4701 … 12
Metal kit IP21 VW3A47901 … 908
Instruction Manual
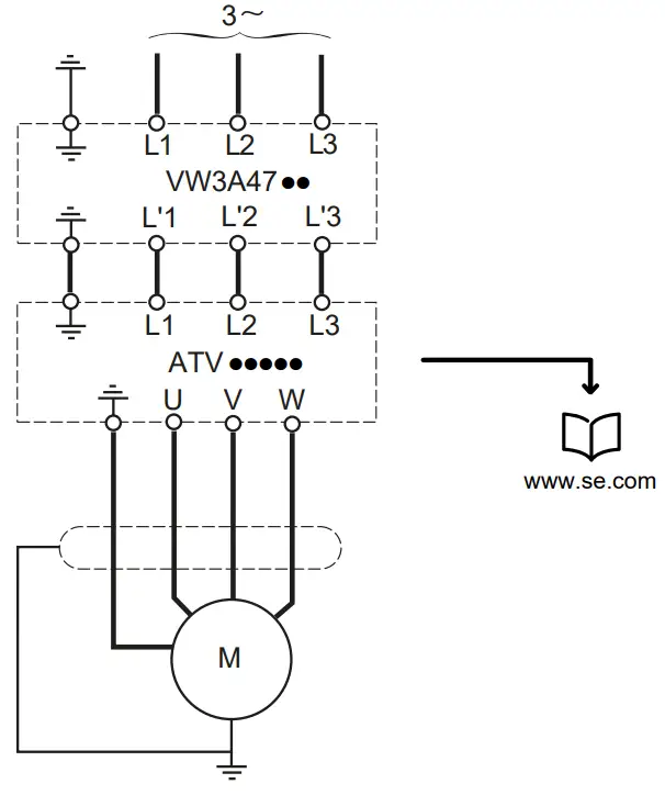
VW3A4701 Input EMC Filters Metal Kit
![]()
DANGER
HAZARD OF ELECTRIC SHOCK, EXPLOSION, OR ARC FLASH
- Only appropriately trained persons who are familiar with and fully understand the contents of the present manual and all other pertinent product documentation and who have received all necessary training to recognize and avoid hazards involved are authorized to work on and with this equipment.
- Installation, adjustment, repair, and maintenance must be performed by qualified personnel.
- Verify compliance with all local and national electrical code requirements as well as all other applicable regulations with respect to grounding of all equipment.
- Before performing work and/or applying voltage on the equipment, follow the instructions given in the appropriate installation manual.
Failure to follow these instructions will result in death or serious injury.
CAUTION
SHARP EDGES
Use all necessary personal protective equipment (PPE) such as gloves when performing any type of work whatsoever on or with this product.
Failure to follow these instructions can result in injury or equipment damage.
Electrical equipment should be installed, operated, serviced, and maintained only by qualifed personnel. No responsibility is assumed by Schneider Electric for any consequences arising out of the use of this product.
© 2022 Schneider Electric. All Rights Reserved.
| INPUT EMC FILTERS | METAL KIT IP21 | |
| VW3A4701 | 8A | VW3A47901 |
| VW3A4702 | 15A | VW3A47902 |
| VW3A4703 | 35A | VW3A47903 |
| VW3A4704 | 50A | VW3A47904 |
| VW3A4705 | 70A | VW3A47905 |
| VW3A4706 | 100A | VW3A47906 |
| VW3A4707 | 160A | VW3A47907 |
| VW3A4708 | 200A | VW3A47908 |
| VW3A4709 | 240A | – |
| VW3A4710 | 320A | – |
| VW3A4711 | 50A | – |
| VW3A4712 | 70A | – |
INPUT EMC FILTERS | A | B | C | D | A1 | B1 | Ø | |||||||
| mm | in | mm | in | mm | in | mm | in | mm | in | mm | in | mm | in | |
| VW3A4701 | 75 | 3.0 | 220 | 8.7 | 130 | 5.1 | 500 | 19.7 | 45 | 1.8 | 200 | 7.9 | 7 | 0.28 |
| VW3A4702 | 75 | 3.0 | 240 | 9.4 | 140 | 5.5 | 500 | 19.7 | 45 | 1.8 | 220 | 8.7 | 7 | 0.28 |
| VW3A4703 | 80 | 3.2 | 302 | 11.9 | 155 | 6.1 | 750 | 29.5 | 50 | 2.0 | 282 | 11.1 | 7 | 0.28 |
| VW3A4704 | 90 | 3.5 | 283 | 11.1 | 165 | 6.5 | 950 | 37.4 | 70 | 2.8 | 268 | 10.6 | 5.5 | 0.22 |
| VW3A4705 | 100 | 3.9 | 328 | 12.9 | 175 | 6.9 | 1000 | 39.4 | 70 | 2.8 | 305 | 12 | 9 | 0.35 |
| VW3A4706 | 120 | 4.7 | 340 | 13.4 | 180 | 7.1 | 1300 | 51.2 | 80 | 3.1 | 322 | 12.7 | 7 | 0.28 |
| VW3A4707 | 130 | 5.1 | 395 | 15.6 | 240 | 9.4 | – | – | 90 | 3.5 | 372 | 14.6 | 9 | 0.35 |
| VW3A4708 | 200 | 7.9 | 445 | 17.5 | 320 | 12.6 | – | – | 140 | 5.5 | 415 | 16.3 | 11 | 0.43 |
| VW3A4711 | 90 | 3.5 | 283 | 11.1 | 165 | 6.5 | 950 | 37.4 | 70 | 2.8 | 268 | 10.6 | 5.5 | 0.22 |
| VW3A4712 | 100 | 3.9 | 328 | 12.9 | 175 | 6.9 | 1000 | 39.4 | 70 | 2.8 | 305 | 12 | 9 | 0.35 |

INPUT EMC FILTERS | A | C | E | Ø | ||||
mm | in | mm | in | mm | in | mm | in | |
| VW3A4701 + VW3A47901 | 77 | 3 | 132 | 5.2 | 321 | 12.6 | 7 | 0.28 |
| VW3A4702 + VW3A47902 | 77 | 3 | 142 | 5.6 | 341 | 13.4 | 7 | 0.28 |
| VW3A4703 + VW3A47903 | 83 | 3.3 | 157 | 6.2 | 397 | 15.6 | 7 | 0.28 |
| VW3A4704 + VW3A47904 | 93 | 3.7 | 167 | 6.6 | 428 | 16.9 | 5.5 | 0.22 |
| VW3A4705 + VW3A47905 | 103 | 4.0 | 177 | 7 | 470 | 18.5 | 9 | 0.35 |
| VW3A4706 + VW3A47906 | 123 | 4.8 | 182 | 7.2 | 515 | 20.3 | 7 | 0.28 |
| VW3A4707 + VW3A47907 | 134 | 5.3 | 242 | 9.5 | 615 | 24.2 | 9 | 0.35 |
| VW3A4708 + VW3A47908 | 204 | 8 | 322 | 12.7 | 660 | 26.0 | 11 | 0.43 |
VW3A4709, VW3A4710

INPUT EMC FILTERS | A | B | C | A1 | B1 | Ø | ||||||
| mm | in | mm | in | mm | in | mm | in | mm | in | mm | in | |
| VW3A4709 | 260 | 10.2 | 520 | 20.4 | 117 | 4.6 | 235 | 9.3 | 120 | 4.7 | 12 | 0.47 |
| VW3A4710 | 260 | 10.2 | 520 | 20.4 | 117 | 4.6 | 235 | 9.3 | 120 | 4.7 | 12 | 0.47 |

VW3A4701 … 4706
VW3A4711 … 4712




NHA11121-05
www.se.com




















