
Instruction Leaflet
11/21 IL00906001Z
![]()

Electric current! Danger to life!
Only skilled or instructed persons may carry out the following operations.
DX-SIN3-…

Eaton.com/documentation
MN04020005… DA1
MN040059… DC1
MN040002… DG1
MN040060… DM1

DX-SIN3-004
DX-SIN3-010
DX-SIN3-016
DX-SIN3-023
DX-SIN3-032
DX-SIN3-037
DX-SIN3-048
DX-SIN3-061
DX-SIN3-072
DX-SIN3-090
DX-SIN3-115
DX-SIN3-150
DX-SIN3-180

DX-SIN3-250

DX-SIN3-480
Dimensions and weights
DX-SIN3-004…DX-SIN3-180

IP00
| [mm] | a | a1 | b | b1 | c | d1 | d2 | kg (lb) |
| DX-SIN3-004 | 155 | 130 | 105 | 56.5 | 160 | 4 x M8 | M4 | 4 (8.82) |
| DX-SIN3-010 | 155 | 130 | 120 | 71.5 | 160 | 4 x M8 | M4 | 6.1 (13.45) |
| DX-SIN3-016 | 190 | 170 | 160 | 67 | 195 | 4 x M8 | M4 | 9.5 (20.95) |
| DX-SIN3-023 | 240 | 190 | 190 | 95 | 280 | 4 x M11 | M6 | 14.4 (31.75) |
| DX-SIN3-032 | 240 | 190 | 200 | 105 | 280 | 4 x M11 | M6 | 19.7 (43.44) |
| DX-SIN3-037 | 240 | 190 | 210 | 115 | 280 | 4 x M11 | M6 | 21.3 (46.97) |
| DX-SIN3-048 | 240 | 190 | 220 | 125 | 280 | 4 x M11 | M6 | 26.2 (57.77) |
| DX-SIN3-061 | 300 | 240 | 228 | 133 | 315 | 4 x M11 | M6 | 35 (77.18) |
| DX-SIN3-072 | 300 | 240 | 250 | 145 | 320 | 4 x M11 | M6 | 39 (86) |
| DX-SIN3-090 | 300 | 240 | 270 | 171 | 320 | 4 x M11 | M6 | 53.5 (117.97) |
| DX-SIN3-115 | 360 | 264 | 220 | 124.5 | 420 | 4 x M10 | M8 | 67.5 (148.84) |
| DX-SIN3-150 | 360 | 264 | 225 | 140 | 422 | 4 x M10 | M8 | 79 (174.2) |
| DX-SIN3-180 | 360 | 264 | 235 | 154.5 | 444 | 4 x M10 | M8 | 88.7 (195.58) |
| [in] | a | a1 | b | b1 | c | d1 | d2 | kg (lb) |
| DX-SIN3-004 | 6.1 | 5.12 | 4.13 | 2.22 | 6.3 | 4 x M8 | M4 | 4 (8.82) |
| DX-SIN3-010 | 6.1 | 5.12 | 4.72 | 2.81 | 6.3 | 4 x M8 | M4 | 6.1 (13.45) |
| DX-SIN3-016 | 7.48 | 6.69 | 6.3 | 2.64 | 7.68 | 4 x M8 | M4 | 9.5 (20.95) |
| DX-SIN3-023 | 9.45 | 7.48 | 7.48 | 3.74 | 11.02 | 4 x M11 | M6 | 14.4 (31.75) |
| DX-SIN3-032 | 9.45 | 7.48 | 7.87 | 4.13 | 11.02 | 4 x M11 | M6 | 19.7 (43.44) |
| DX-SIN3-037 | 9.45 | 7.48 | 8.27 | 4.53 | 11.02 | 4 x M11 | M6 | 21.3 (46.97) |
| DX-SIN3-048 | 9.45 | 7.48 | 8.66 | 4.92 | 11.02 | 4 x M11 | M6 | 26.2 (57.77) |
| DX-SIN3-061 | 11.81 | 9.45 | 8.98 | 5.24 | 12.4 | 4 x M11 | M6 | 35 (77.18) |
| DX-SIN3-072 | 11.81 | 9.45 | 9.84 | 5.71 | 12.6 | 4 x M11 | M6 | 39 (86) |
| DX-SIN3-090 | 11.81 | 9.45 | 10.63 | 6.73 | 12.6 | 4 x M11 | M6 | 53.5 (117.97) |
| DX-SIN3-115 | 14.17 | 10.39 | 8.66 | 4.9 | 16.54 | 4 x M10 | M8 | 67.5 (148.84) |
| DX-SIN3-150 | 14.17 | 10.39 | 8.86 | 5.51 | 16.61 | 4 x M10 | M8 | 79 (174.2) |
| DX-SIN3-180 | 14.17 | 10.39 | 9.25 | 6.08 | 17.48 | 4 x M10 | M8 | 88.7 (195.58) |
DX-SIN3-250

A
PE = M12
⌀ 4 x 13 mm
(⌀ 4 x 0.51″)
DX-SIN3-480

Mounting


11/21 IL00906001Z
Derating
Installation altitude
| h | I/Ie | |
| 1000 m | 3280.84 ft | 1 |
| 1500 m | 4921.26 ft | 0.98 |
| 2000 m | 6561.68 ft | 0.95 |
| 2500 m | 8202.1 ft | 0.93 |
| 3000 m | 9842.52 ft | 0.90 |
| 3500 m | 11482.94 ft | 0.88 |
| 4000 m | 13123.36 ft | 0.85 |
Ambient temperature
| ta [°C] | ta [°F] | I/Ie |
| 40 | 104 | 1 |
| 45 | 113 | 0.94 |
| 50 | 122 | 0.88 |
| 55 | 131 | 0.82 |
| 60 | 140 | 0.75 |
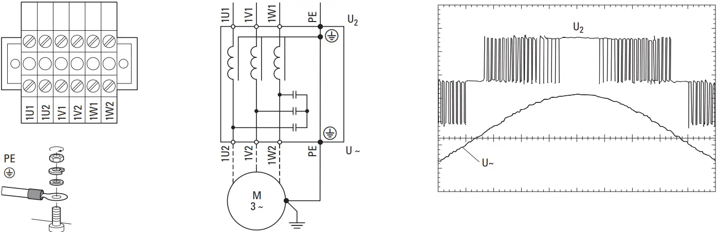
Electrical connection
DX-SIN3-004…440


DX-SIN3-480
150 mm² (300 kcmil)

A
1U1, 1U2
1V1, 1V2
1W1, 1W2
B
60 Nm (531.04 lb-in)
PE: 20 Nm (177.01 lb-in)


Technical data
| L ±10 % mH | Ie A | lmax. | f2 Hz | PVCu W | f2(typ) Hz | f PWM(typ) kHz | uK % | |
| DX-SIN3-004 | 11 | 4 | 1.5 x Ie | 0 – 150 | 50 | 150 | 4 | 6 |
| DX-SIN3-010 | 5.1 | 10 | 1.5 x Ie | 0 – 150 | 100 | 150 | 4 | 7 |
| DX-SIN3-016 | 3.07 | 16.5 | 1.5 x Ie | 0 – 150 | 110 | 150 | 4 | 6.9 |
| DX-SIN3-023 | 2.5 | 23.5 | 1.5 x Ie | 0 – 150 | 125 | 150 | 4 | 8 |
| DX-SIN3-032 | 2 | 32 | 1.5 x Ie | 0 – 150 | 140 | 150 | 4 | 8.7 |
| DX-SIN3-037 | 1.7 | 37 | 1.5 x Ie | 0 – 150 | 210 | 150 | 4 | 8.6 |
| DX-SIN3-048 | 1.2 | 48 | 1.5 x Ie | 0 – 150 | 240 | 150 | 4 | 7.8 |
| DX-SIN3-061 | 1 | 61 | 1.5 x Ie | 0 – 150 | 280 | 150 | 4 | 8.3 |
| DX-SIN3-072 | 0.95 | 72 | 1.5 x Ie | 0 – 150 | 300 | 150 | 4 | 9.3 |
| DX-SIN3-090 | 0.8 | 90 | 1.5 x Ie | 0 – 150 | 290 | 150 | 4 | 9.8 |
| DX-SIN3-115 | 0.7 | 115 | 1.5 x Ie | 0 – 150 | 460 | 150 | 3 | 11 |
| DX-SIN3-150 | 0.5 | 150 | 1.5 x Ie | 0 – 150 | 530 | 150 | 3 | 10.2 |
| DX-SIN3-180 | 0.4 | 180 | 1.5 x Ie | 0 – 60 | 580 | 60 | 5 | 9.8 |
| DX-SIN3-250 | 0.35 | 250 | 1.5 x Ie | 0 – 60 | 810 | 60 | 5 | 11.9 |
| DX-SIN3-480 | 0.14 | 480 | 1.5 x Ie | 0 – 60 | 1550 | 60 | 5 | 9.1 |
Pulse frequency of the frequency inverter

fPWM = const. = 3 – 8 kHz
1 U2 ≦ 230 V → ≦ 200 m (≦ 656.17 ft)
U2 ≦ 500 V → ≦ 150 m (≦ 492.13 ft)
l U2 ≦ 230 V → ≦ 300 m (≦ 924.25 ft)
U2 ≦ 500 V → ≦ 200 m (≦ 656.17 ft)
11/21 IL00906001Z
CAUTION
Use Unit only under load!
© 2012 Eaton Industries GmbH
EU: Eaton Industries GmbH, Hein-Moeller-Straße 7-11, 53115 Bonn, Germany
UK: Eaton Electric Ltd., P.O. Box 554, Abbey Park, Southampton Road, Titchfield, PO14 4QA, United Kingdom
USA:
Eaton.com/eatoncare
+1 877-386-2273
Eaton.com/contacts
Eaton.com/aftersales
Eaton.com/documentation
11/21 IL00906001Z
Eaton.com/recycling


















