1814E with FilterQuick™
Electric Fryer
1814E FilterQuick Electric Fryer
Wiring Diagrams
This manual is updated as new information and models are released. Visit our website for the latest manual.

DANGER
Prior to the movement, testing, maintenance, and any repair on your Frymaster fryer, disconnect ALL electrical power from the fryer.
SECTION 1: WIRING DIAGRAMS
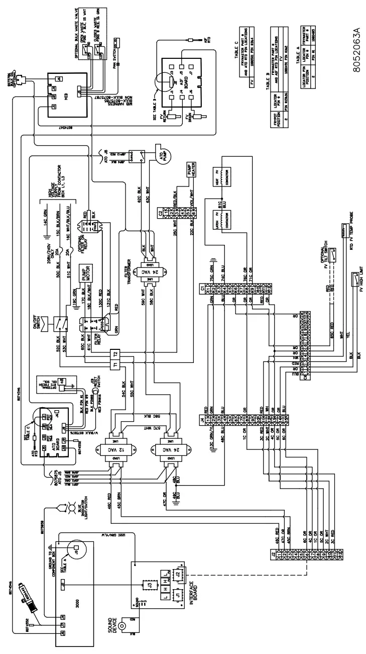
1.1 Control Wiring
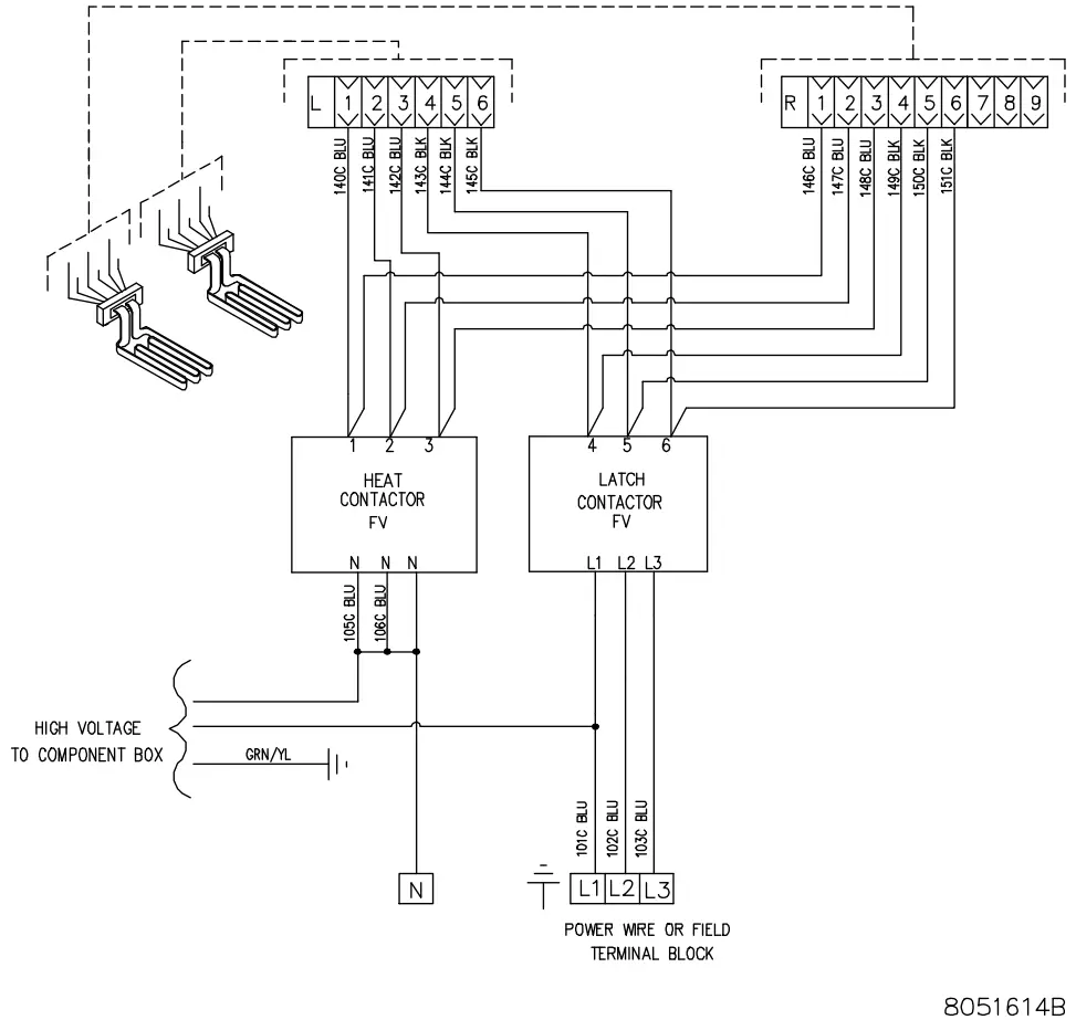
1.2 Contactor Box – Delta Configuration
1.3 Contactor Box – WYE Configuration
THIS PAGE INTENTIONALLY LEFT BLANK
FRYMASTER
8700 LINE AVENUE, SHREVEPORT, LA 71106-6800
800-551-8633
318-865-1711
WWW.FRYMASTER.COM
EMAIL: [email protected]
Welbilt offers fully-integrated kitchen systems and our products are backed by KitchenCare aftermarket parts and service. Welbilt’s portfolio of award-winning brands includes Cleveland ®, Kolpak ™, Convotherm ®, Crem ®, Delfield ®, Frymaster ®, Garland ® ®, Lincoln ®, Merco ®, Merrychef ®, and Multiplex ®. Bringing innovation to the table · welbilt.com
©2022 Welbilt Inc. except where explicitly stated otherwise. All rights reserved. Continuing product improvement may necessitate a change of specifications without notice.
Part Number FRY_D_8197320 08/2022





















