FilterQuick™ FQE30
Electric Fryer
FQE30 Electric Fryer
Wiring Diagrams
This manual is updated as new information and models are released. Visit our website for the latest manual.

DANGER
Prior to the movement, testing, maintenance, and any repair on your Frymaster fryer, disconnect ALL electrical power from the fryer.
SECTION 1: WIRING DIAGRAMS
1.1 Control Wiring
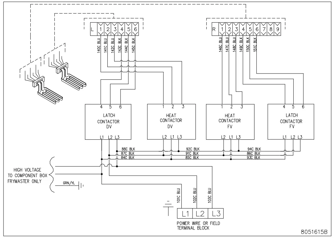
1.2 Contactor Box – Delta Configuration

FULL VAT

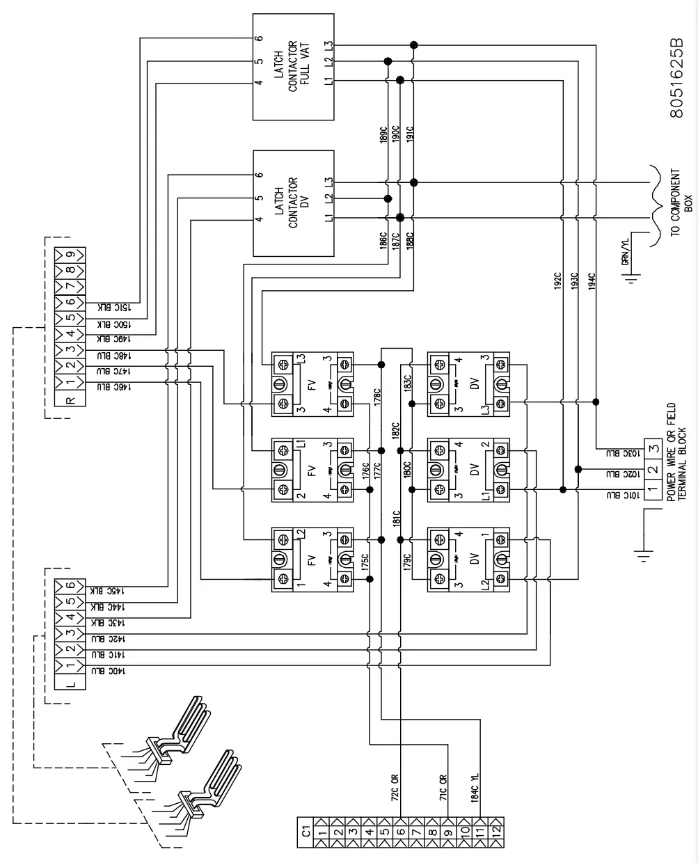
1.3 Contactor Box – Delta Configuration 14kW/17kW EPRI/TRIAC

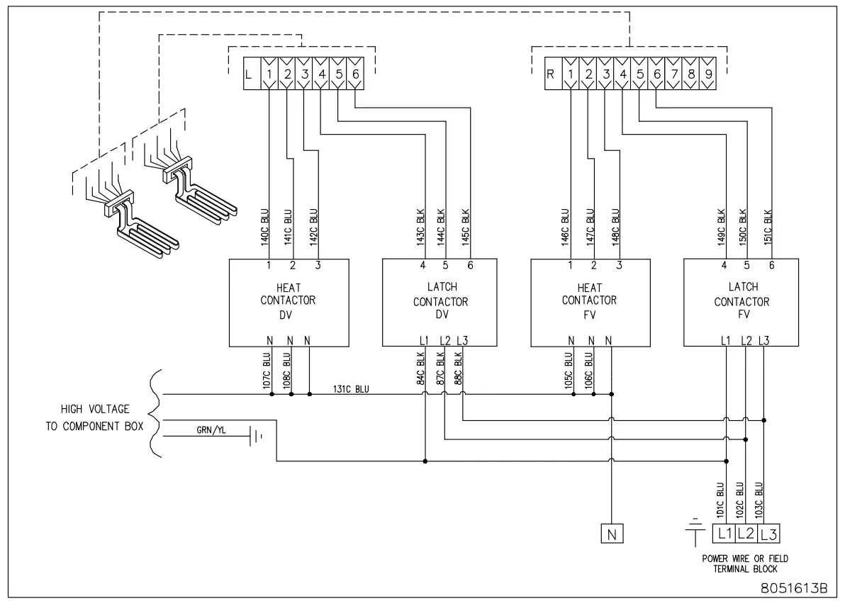
1.4 Contactor Box – WYE Configuration

FULL VAT

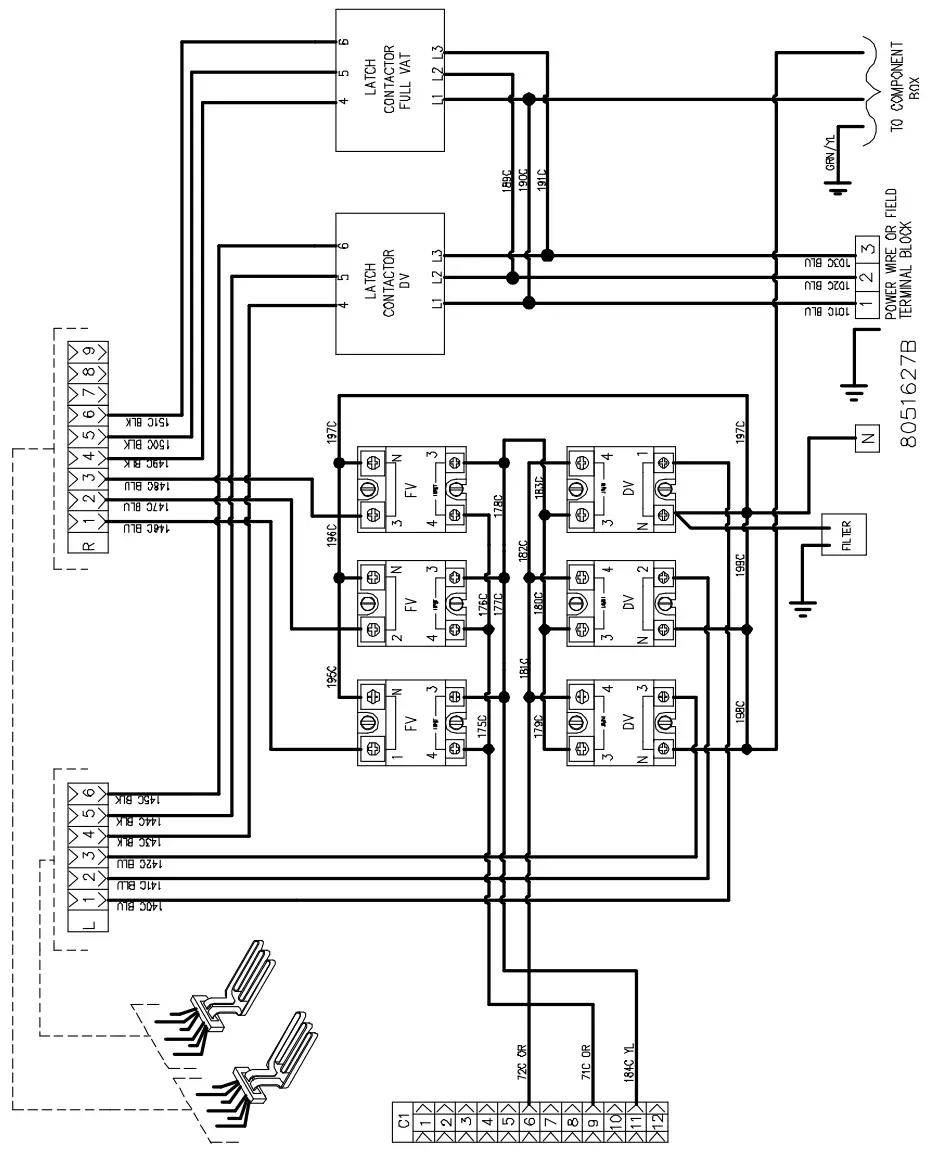
1.5 Contactor Box – WYE Configuration 14kW/17kW EPRI/TRIAC

1.6 FilterQuick™ Electric Simplified Wiring
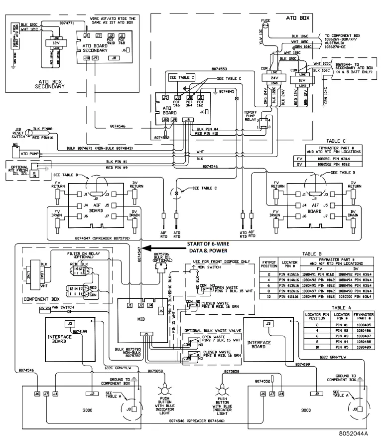
1.6.1 FilterQuick™ Electric Simplified Wiring with Push Button
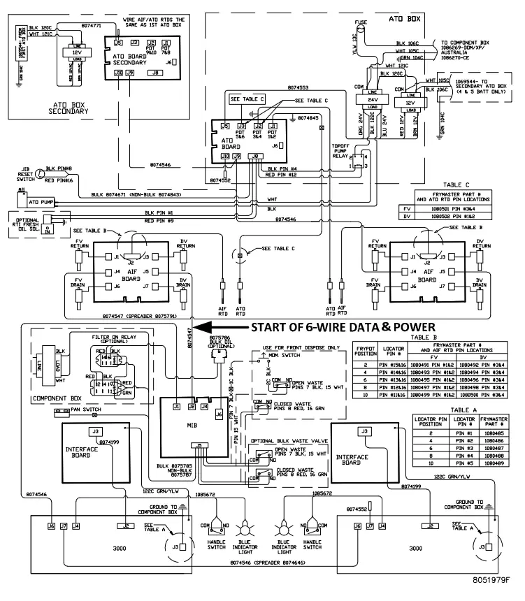
1.6.2 FilterQuick™ Electric Simplified Wiring with Push Pull Handles
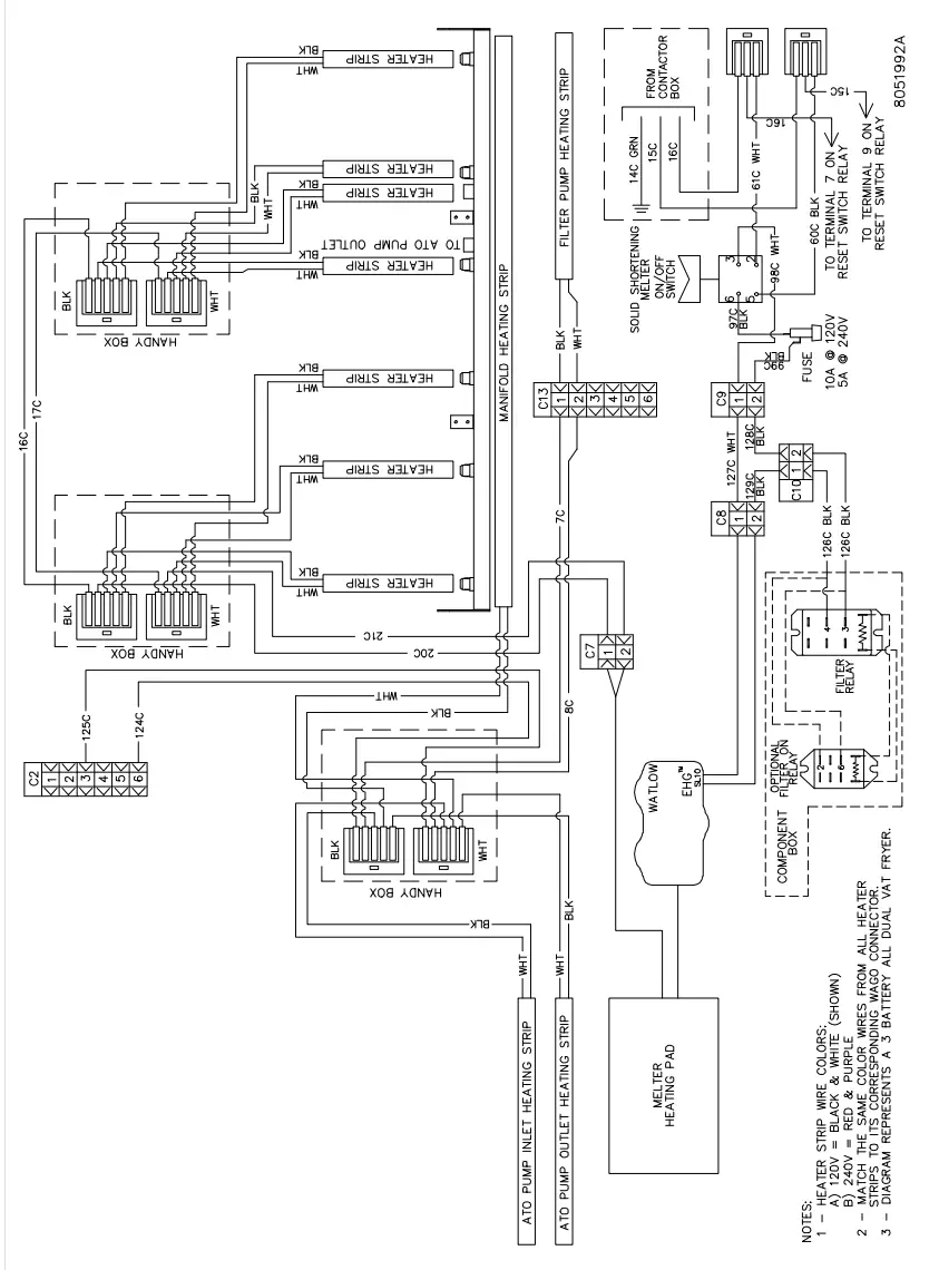
1.7 Shortening Melting Unit Wiring Diagram
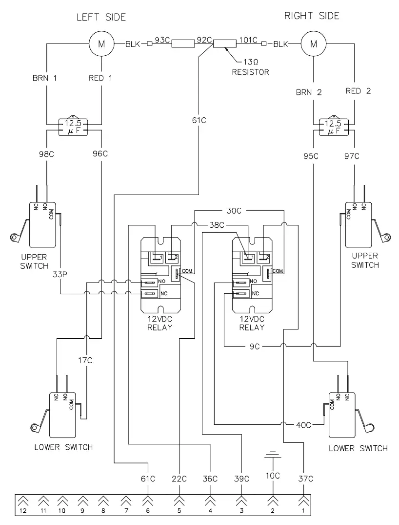
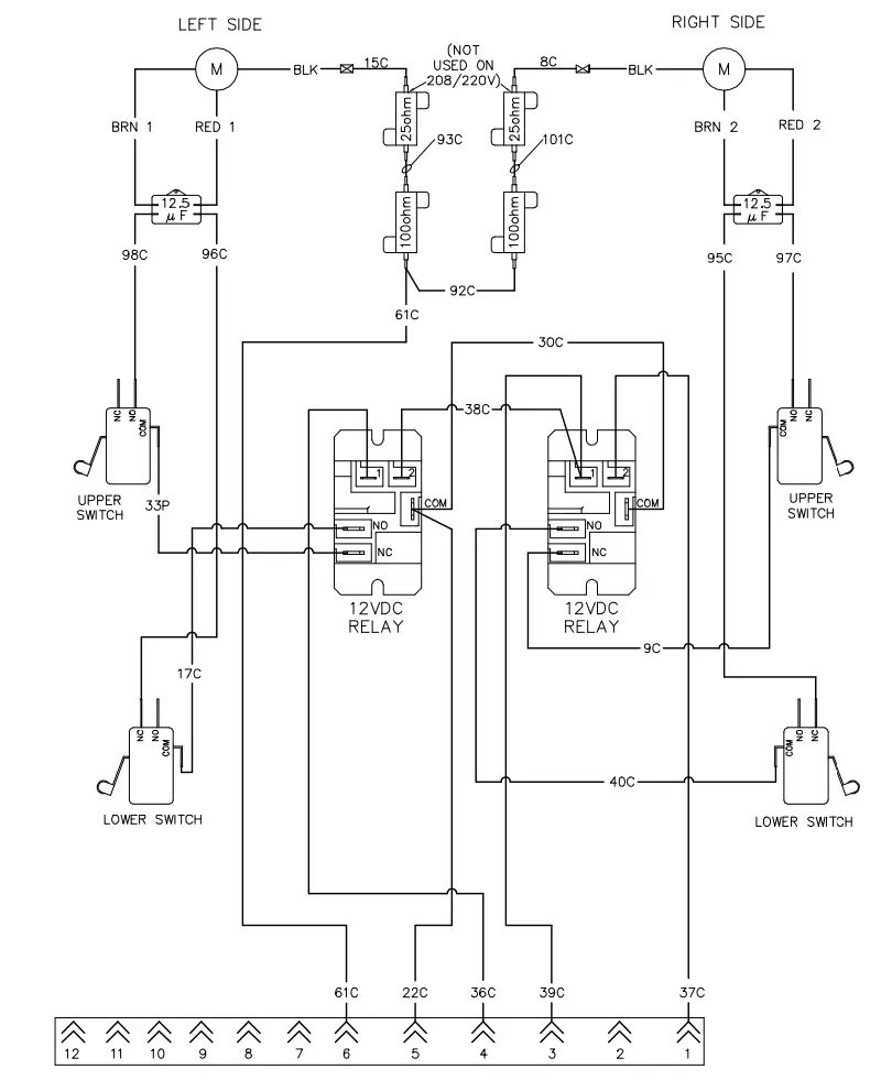
1.8 Modular Basket Lift Wiring Diagram 100-120V
REFERENCES TO LEFT & RIGHT ARE FROM THE REAR OF THE FRYER
8050555E
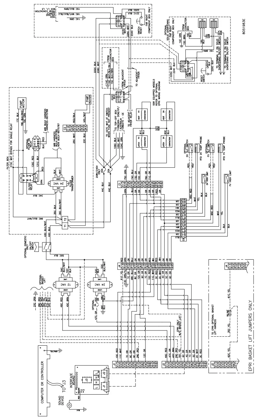
1.9 Modular Basket Lift Wiring Diagram 208-250V

REFERENCES TO LEFT & RIGHT ARE FROM THE REAR OF THE FRYER
8050888D
FRYMASTER
8700 LINE AVENUE, SHREVEPORT, LA 71106-6800
800-551-8633
318-865-1711
WWW.FRYMASTER.COM
EMAIL: [email protected]

Welbilt offers fully-integrated kitchen systems and our products are backed by KitchenCare aftermarket parts and service. Welbilt’s portfolio of award-winning brands includes Cleveland ® , Kolpak ™ , Convotherm ® , Crem ® , Delfield ® , Frymaster ® , Garland ® ® , Lincoln ® , Merco ® , Merrychef ®, and Multiplex ® . Bringing innovation to the table · welbilt.com
©2022 Welbilt Inc. except where explicitly stated otherwise. All rights reserved. Continuing product improvement may necessitate a change of specifications without notice.
Part Number FRY_D_8197225 08/2022




















