
E3830, E3860 & E3865
DOMINATORPLUS Fryers
INSTALLATION and
SERVICING INSTRUCTIONS
Dominator Plus E3830 Single Basket Electric Fryer
IMPORTANT
The installer must ensure that the installation of the appliance is in conformity with these instructions and National Regulations in force at the time of installation. Particular attention MUST be paid to:
BS7671 IEE Wiring Regulations
Electricity at Work Regulations
Health And Safety At Work Act
Fire Precautions Act
This appliance has been UKCA/CE marked based on compliance with the relevant Electrical and
Electromagnetic Compatibility (EMC) Regulations/Directives for the voltages stated on the data plate.
WARNING: THIS APPLIANCE MUST BE EARTHED.
Upon completion of the installation, these instructions should be left with the Engineer-in-Charge for reference during servicing. Further to this, The Users Instructions should be handed over to the User, having had a demonstration of the operation and cleaning of the appliance.
IT IS MOST IMPORTANT THAT THESE INSTRUCTIONS BE CONSULTED BEFORE INSTALLING AND COMMISSIONING THIS APPLIANCE. FAILURE TO COMPLY WITH THE SPECIFIED PROCEDURES MAY RESULT IN DAMAGE OR THE NEED FOR A SERVICE CALL.
PREVENTATIVE MAINTENANCE CONTRACT
To obtain maximum performance from this unit regular servicing of the appliance should be undertaken to ensure correct operation, it is functioning as intended, and is safe to use. We recommend servicing in accordance with SFG20 Maintenance Schedules and as a minimum, after 2,500 hours of use, or annually, whichever comes first and that a maintenance contract is arranged with an appointed service contact. Visits may then be made at agreed intervals to carry out adjustments and repairs.
WEEE Directive Registration No. WEE/DC0059TT/PRO
At end of unit life, dispose of the appliance and any replacement parts in a safe manner, via a licensed waste handler. Units are designed to be dismantled easily and recycling of all material is encouraged whenever practicable.
Falcon Foodservice Equipment
Wallace View, Hillfoots Road, Stirling, FK9 5PY, Scotland
T100774 Ref.17
Service Contact
Phone: 01438 363 000
Email: [email protected]
IMPORTANT INFORMATION
ELECTRICAL SAFETY AND ADVICE REGARDING SUPPLEMENTARY ELECTRICAL PROTECTION
Commercial kitchens and food service areas are environments where electrical appliances may be located close to liquids, operate in and around damp conditions, or where restricted movement for installation and service is evident.
The installation and periodic inspection of the appliance should only be undertaken by a qualified, skilled, and competent electrician; and connected to the correct power supply suitable for the load as stipulated by the appliance data label.
The electrical installation and connections should meet the necessary requirements of the local electrical wiring regulations and any electrical safety guidelines.
We recommend: –
- Supplementary electrical protection with the use of a type A residual current device (RCD)
- Fixed wiring appliances incorporate a locally situated switch disconnector to connect to, which is easily accessible for switching off and safe isolation purposes. The switch disconnector must meet the specification requirements of IEC 60947.
Your attention is drawn to: –
BS 7671:2018–Guidance Note 8 – 8.13: Other locations of increased risk
It is recognized that there may be locations of increased risk of electric shock other than those specifically addressed in Part 7 of BS 7671. Examples of such locations could include laundries where there are washing and drying machines in close proximity and water are present, and commercial kitchens with stainless steel units, where once again, water is present.
Where because of the perception of additional risks being likely, the installation designer decides that an installation or location warrants further protective measures, the options available include:
- Automatic Disconnection of Supply (ADS) by means of a residual current device having a residual operating current not exceeding 30mA;
- Supplementary protective equipotential bonding; and
- Reduction of maximum fault clearance time.
The provision of RCDs and supplementary bonding must be specified by the host organization’s appointed installation designer or electrical contractor and installed by a suitably qualified and competent electrician so as to comply with Regulations 419.2 and 544.2
Warranty Policy Shortlist
Warranty does not cover :-
- Correcting faults caused by incorrect installation of a product.
- Where an engineer cannot gain access to a site or a product.
- Repeat commission visits.
- Replacement of any parts where damage has been caused by misuse.
- Engineer waiting time will be chargeable.
- Routine maintenance and cleaning.
- Gas conversions i.e. Natural to Propane gas.
- Descaling of water products and cleaning of water sensors where softeners/ conditioners are not fitted, or are fitted and not maintained.
- Blocked drains
- Independent steam generation systems.
- Gas, water, and electrical supply external to the unit.
- Light bulbs
- Re-installing vacuum in kettle jackets.
- Replacement of grill burner ceramics when damage has been clearly caused by misuse.
- Where an engineer finds no fault with a product that has been reported faulty.
- Re-setting or adjustment of thermostats when the unit is operating to specification.
- Cleaning and unblocking of fryer filter systems due to customer misuse.
- Lubrication and adjustment of door catch.
- Cleaning and Maintenance
- Cleaning of burner jets
- Poor combustion is caused by a lack of cleaning.
- Lubrication of moving parts
- Lubrication of gas cocks
- Cleaning/adjustment of pilots
- Correction of gas pressure to the appliance.
- Renewing of electric cable ends.
- Replacement of fuses
- Corrosion is caused by the use of chemical cleaners.
SECTION 1 – INSTALLATION
UNLESS OTHERWISE STATED, PARTS THAT HAVE BEEN PROTECTED BY THE MANUFACTURERS ARE NOT TO BE ADJUSTED BY THE INSTALLER.
1.1 MODEL NUMBERS, NETT WEIGHTS and DIMENSIONS
| Model | Width (mm) | Depth (mm) | Height (mm) | Weight (kg) |
| E3830 Fryer | 300 | 770 | 890 | 45 |
| E3860 Fryer | 600 | 770 | 890 | 73 |
| E3865 Fryer | 600 | 770 | 890 | 85 |
1.2 SITING
Before connecting the appliance to the electricity supply, it must be correctly positioned and leveled. Leveling is affected by turning the lower area of the adjustable legs. If desired, feet that allow floor-fixing may be specified at the time of order.
1.3 ELECTRICAL CONNECTION
The unit is designed for use on AC supplies only and terminals are arranged for either 2-phase operation (E3830 model) or 3-phase (E3860 & E3865 models).
Cable entry is located at the appliance’s rear in the form of a cable gland.
A suitably rated isolating switch with a contact separation of at least 3mm in all poles must be installed. All wiring must be executed in accordance with the regulations listed on the title page of this document.
Warning – This appliance must be earthed.
1.4 ELECTRICAL RATINGS
The electrical rating is stated on the appliance data plate.
| Model | L1 | L2 | L3 |
| E3830 Fryer | 21.7A | 21.7A | |
| E3860 Fryer | 31.7A | 15.85A | 31.7A |
| E3865 Fryer | 21.7A | 43.5A | 21.7A |
SECTION 2 – ASSEMBLY and COMMISSIONING
2.1 ASSEMBLY
The appliance is supplied completely and ready to be connected to the main supply.
Position the unit in desired location and level it. Turn the lower section of each leg clockwise to raise the corresponding corner height or anti-clockwise to lower it.
Castors
Undo the grub screw and use a spanner to adjust the castor height. Turn clockwise to raise the level and anti-clockwise to lower it.
Secure grub screw when the task is completed.

2.2 CONNECTION TO THE ELECTRICAL SUPPLY
To gain access to terminals, proceed as follows: –
Remove fixings at the unit rear to remove the cover and access electrical connections.
Undo cable gland.
Feed cable through cable gland into the electrical box. Connect leads to respective terminals.
Tighten the cable gland. Replace cover.
2.3 COMMISSIONING
Fill pan(s) w i t h oil to mark on element guard (i.e. approximately 20 liters for E3830 model and 40 liters for
E3860 & E3865 models) and switch on at the isolator switch. Open the door and press the on/off switch to the ‘ ON ’ position. Turn the thermostat to the maximum setting and check that it operates at the correct temperature of 190°C.
The importance of never switching on the elements unless they are covered by oil or water must be stressed. DO NOT USE SOLID FAT.
2.4 INSTRUCTION TO USER
After installing and commissioning the appliance, hand user instructions to the user or purchaser.
Ensure that person(s) responsible is (are) made familiar with the use and maintenance of the unit.
SECTION 3 – SERVICING and MAINTENANCE
BEFORE ATTEMPTING ANY MAINTENANCE TASK, ISOLATE THE APPLIANCE AT THE MAIN SUPPLY. TAKE STEPS TO ENSURE THAT IT MAY NOT BE INADVERTENTLY SWITCHED ON.
MAINTENANCE CHECK
Regular servicing of the appliance should be undertaken to ensure correct operation, it is functioning as intended, and is safe to use. We recommend servicing after 2,500 hours of use, or annually, whichever comes first.
Any maintenance schedule should be carried out in accordance with the SFG20 Maintenance Schedule. Should any issues with the integrity of the components be identified these should be replaced. If the appliance is not considered safe the unit should be removed from service and the responsible person advised why the unit is not safe to use and what remedial action is needed. Contents of the maintenance schedule should be agreed upon with the maintenance provider.
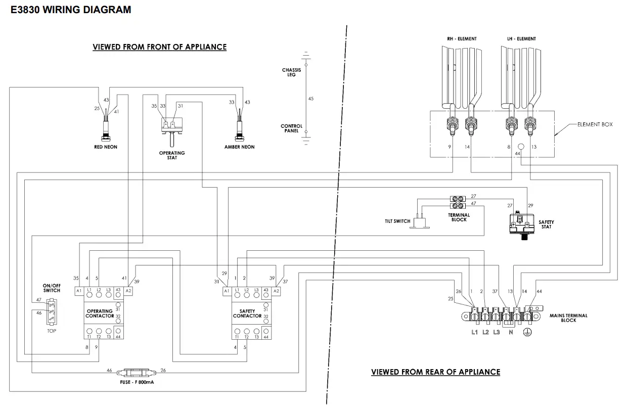
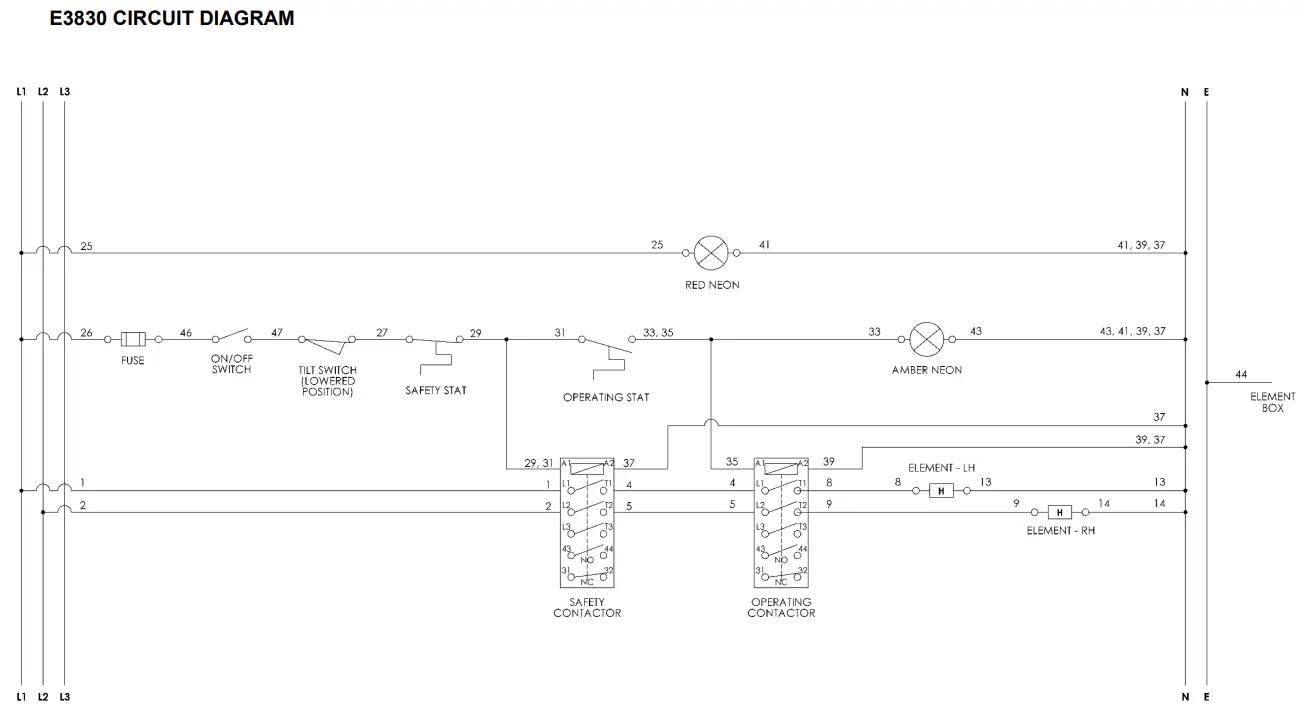
3.1 ELECTRICAL CONTROL GEAR
The main terminals are located at the rear of the unit. The contactor(s) are contained within a box at the front.
To gain access, open the door and remove the cover panel behind.
The control thermostat(s) and neon lamps are mounted on the facia panel, which is secured by four fixings.
3.2 NEON INDICATOR LAMPS
These must be replaced by new lamps in event of failure.
To replace a faulty lamp, first, remove the facia panel and pull off push-on terminals. Remove the lamp by undoing the fixing nut at the rear.
3.3 THERMOSTATS
The fryer has two thermostats.
The adjustable control thermostat is mounted upon the control panel.
The safety thermostat is located within the element box. It has a fixed setting and a manual reset button at the rear of the element box. In the event of control thermostat failure and resultant overheating of the frying medium, the safety thermostat will trip supply to elements before oil temperature becomes dangerous.
To restore the circuit having rectified the fault, it is necessary to press the reset button. This is situated within the turret which projects through the element box rear. The oil must be allowed to cool to enable the safety thermostat to be reset.
A defective safety or control thermostat cannot be repaired and must be replaced. The capillary tubes pass through the pan wall and are sealed with small glands which must not be over-tightened. The vial must be fixed in position within the pan before tightening the gland. The vial tip should protrude from the protective tube by 33mm. The thermostat capillary tube must be covered with sleeve insulation. The safety stat vial should be located centrally within the element clip.
3.4 CONTACTOR
This should require little or no maintenance under normal circumstances. After long service, the contacts may become pitted and at that point, new contacts should be fitted.
3.5 ELEMENTS
These are individually replaceable. Access to terminals and fixing nuts is gained upon removing the element box cover. When fitting a new element, ensure that the sealing gasket is fitted and tighten the fixing nut firmly, preferably with the aid of a tubular box spanner or socket.
When re-fitting the element box cover, check the condition of oil resistant gasket. Do not use excessive force when securing the cover as this may deform it and allow oil to enter the box.
3.6 CLEANLINESS
To maintain maximum performance, the pan must be kept clean. Periodically, the oil must be drained off and the pan should be filled with water and detergent. Boil up contents and drain whilst still hot before flushing out with clean water. Thoroughly dry the pan and all fittings before re-filling with oil. The elements can be lifted and hinged backward to gain full access to all surfaces of the pan and elements.
3.7 TILT SWITCH
Located in the element terminal box, this component should require no maintenance.
SECTION 4 – SPARES
When ordering spares, quote the unit type and serial number. This information will be found on the data plate located on the cover panel behind the door.
An identity label is also provided on the front frame.

























