Falcon Pro-Lite LD46 8 Ltr Free Standing Single Electric Fryer

CAUTION: Read the instructions before using the appliance.
The installer must ensure that the installation of the unit(s) is in conformity with regulations in force at the time. For the UK, particular attention requires to be paid to
- BS7671 IEE Wiring Regulations
- Electricity at Work Regulations
- Health and Safety at Work Act
- Fire Precautions Act
This appliance has been UKCA/CE marked based on compliance with the relevant Electrical and Electromagnetic Compatibility (EMC) Regulations/Directives for the voltages stated on the data plate.
WARNING: THIS APPLIANCE MUST BE EARTHED!
Preventive Maintenance Contract
To obtain maximum performance from this unit regular servicing of the appliance should be undertaken to ensure correct operation, it is functioning as intended, and safe to use. We recommend servicing after 15,000 hours of use, or annually, whichever comes first and that a maintenance contract be arranged with an appointed service contact. Visits may then be made at agreed intervals to carry out adjustments and repairs. A quotation will be given upon request to the contact numbers below.
WEEE Directive Registration No. WEE/DC0059TT/PRO
At end of unit life, dispose of appliance and any replacement parts in a safe manner, via a licensed waste handler. Units are designed to be dismantled easily and recycling of all material is encouraged whenever practicable.
Falcon Foodservice Equipment
- Address: Wallace View, Hillfoots Road, Stirling, FK9 5PY, Scotland
Service Contact
- Tel: 01438 363 000
- Email: [email protected]
IMPORTANT INFORMATION
ELECTRICAL SAFETY AND ADVICE REGARDING SUPPLEMENTARY ELECTRICAL PROTECTION
Commercial kitchens and food service areas are environments where electrical appliances may be located close to liquids, or operate in and around damp conditions or where the restricted movement for installation and service is evident. The installation and periodic inspection of the appliance should only be undertaken by a qualified, skilled and competent electrician; and connected to the correct power supply suitable for the load as stipulated by the appliance data label. The electrical installation and connections should meet the necessary requirements to the local electrical wiring regulations and any electrical safety guidelines.
We recommend
- Supplementary electrical protection with the use of a residual current device (RCD)
- Fixed wiring appliances incorporate a locally situated switch disconnector to connect to, which is easily accessible for switching off and safe isolation purposes. The switch disconnector must meet the specification requirements of IEC 60947.
Your attention is drawn to: BS 7671:2018–Guidance Note 8 – 8.13: Other locations of increased risk
It is recognized that there may be locations of increased risk of electric shock other than those specifically addressed in Part 7 of BS 7671. Examples of such locations could include laundries where there are washing and drying machines in close proximity and water is present, and commercial kitchens with stainless steel units, where once again, water is present.
Where because of the perception of additional risks being likely, the installation designer decides that an installation or location warrants further protective measures, the options available include
- Automatic Disconnection of Supply (ADS) by means of a residual current device having a residual operating current not exceeding 30mA;
- Supplementary protective equipotential bonding; and
- Reduction of maximum fault clearance time.
The provision of RCDs and supplementary bonding must be specified by the host organization’s appointed installation designer or electrical contractor and installed by a suitably qualified and competent electrician so as to comply with Regulations 419.2 and 544.2
Warranty Policy Shortlist
The warranty does not cover
- Correcting faults caused by incorrect installation of a product.
- Where an engineer cannot gain access to a site or a product.
- Repeat commission visits.
- Replacement of any parts where damage has been caused by misuse.
- Engineer waiting time will be chargeable.
- Routine maintenance and cleaning.
- Gas conversions i.e. Natural to Propane gas.
- Descaling of water products and cleaning of water sensors where softeners/ conditioners are not fitted, or are fitted and not maintained.
- Blocked drains
- Independent steam generation systems.
- Gas, water and electrical supply external to unit.
- Light bulbs
- Re-installing vacuum in kettle jackets.
- Replacement of grill burner ceramics when damage has been clearly caused by misuse.
- Where an engineer finds no fault with a product that has been reported faulty.
- Re-setting or adjustment of thermostats when unit is operating to specification.
- Cleaning and unblocking of fryer filter systems due to customer misuse.
- Lubrication and adjustment of door catches.
- Cleaning and Maintenance
- Cleaning of burner jets
- Poor combustion caused by lack of cleaning
- Lubrication of moving parts
- Lubrication of gas cocks
- Cleaning/adjustment of pilots
- Correction of gas pressure to appliance.
- Renewing of electric cable ends.
- Replacement of fuses
- Corrosion caused by use of chemical cleaners.
Technical Installation & Information Table
| Model | Width | Depth | Height | Weight | Rating | Fuse Rating |
| LD46 Freestanding Fryer | 300mm | 630mm | 965mm | 29kg | 6.0kW | n/a |
| LD48 Freestanding Fryer | 600mm | 630mm | 965mm | 50kg | 2 x 6.0kW | n/a |
| LD50 Countertop Fryer | 300mm | 630mm | 315mm | 12.5kg | 2.75kW | n/a |
| LD56 Countertop Fryer | 600mm | 630mm | 315mm | 25kg | 2 x 2.75kW | n/a |
| LD60 Chip Scuttle | 450mm | 630mm | 315mm | 17.5kg | 1.25kW | 7 amp |
| LD39 Pasta Cooker | 300mm | 630mm | 315mm | 12.5kg | 2.75kW | 13 amp |
SITING
- The PRO-LITE models have been designed in a modular form which consists of a base, counter and free-standing units.
- Information that relates to individual models is listed in Table 1.
- Free-standing and base models should be installed upon a firm, level surface and adjustable feet are provided for leveling purposes.
- Counter units must be positioned upon a table, counter or similar surface.
- Vertical and horizontal clearances required from top and sides of a particular unit to any overlying combustible surface (i.e. wall, partition, etc) are listed in Table 1. Relevant fire regulations must be complied with.
- Mounting Counter Units upon an Oven
- When mounting a counter unit upon a PRO-LITE oven, it is recommended that units that carry liquids, i.e. fryers and bains’ maries, are secured as follows:
- Remove oven outer back panel.
- Remove oven crown plate.
Position unit(s) which require to be secured upon the oven
Secure hob unit(s) to oven through side flange center holes into the threaded inserts in the base(s) of the hob unit(s). Use fixings provided (packed separately) and replace oven back panel. The unit is now ready for an electrical connection.
Mounting Counter Units upon a Hotcupboard

PRO-LITE hot cupboards are designed to be used in conjunction with counter models. Assembly is achieved by means of two-shouldered fixings being applied to a top unit underside from inside a base unit as detailed in Figure 1.
ELECTRICAL SUPPLY AND CONNECTION
Electrical ratings are as stated on the unit data plate. The listing in Table 1 is based on standard UK specification at 230V, 400V 2N or 400V 3N as appropriate. Wiring must be executed in accordance with the regulations listed in this booklet.
WARNING: Each individual appliance must be earthed!
The appliance is also provided with a terminal for the connection of an external equipotential conductor. This terminal is ineffective electrical contact with all fixed exposed metal parts of the appliance, and shall allow the connection of a conductor having a nominal cross-sectional area of up to 10 mm². It is located on the rear panel and is identified by the following label and must only be used for bonding purposes.

After completion of installation, the method of operation should be demonstrated to the responsible person(s). The isolating switch location, for use in an emergency or during cleaning should also be pointed out.
- LD50 and LD56 FRYERS
- LD60 CHIP SCUTTLE
- LD69 PASTA COOKER
These models are designed to be connected to a single phase AC supply using the 2 metre mains lead fitted as standard. Check that no damage has occurred to the appliance, power cable and plug top during transit. If damage has occurred do not use the appliance. Ensure that the mains power cable is routed free from the appliance to avoid damage. We recommend supplementary electrical protection with the use of a residual current device (RCD). Periodic testing, repair and fixed wiring connection should only be undertaken by a skilled and competent electrician.
Wires are coloured in accordance with the following code and should be connected to the plug as follows
- EARTH to terminal marked E or coloured GREEN or GREEN/YELLOW.
- NEUTRAL to terminal marked N or coloured BLACK.
- LIVE to terminal marked L or coloured RED.
Units which receive power from a plug, adaptor or distribution board must be individually protected by a fuse with an appropriate rating. (See Table 1) For models with two mains leads, each lead requires to be protected by a fuse with an appropriate rating. (See Table 1) Any replacement supply cable must be 1.5mm², cord code designation 245 IEC 57 (CENELEC H05 RN-F). For internal connection, outer sheathing must be stripped 140mm from the cable end. The live and neutral conductors must be trimmed so that the Earth conductor is longer by 50mm. Pass inlet cable through the rear panel cord grip and ensure that cable is routed without leaving excessive free length inside the appliance.
LD46 and LD48 FRYERS
These models are supplied for use on 2 phases of a 3 phase and neutral AC supply. Ratings are stated on appliance data plate. The fryers may also be operated on a single phase AC supply by fitting a bridging link. When a unit is connected to a single phase AC supply, data plate information must be amended to indicate the correct voltage supply and the phase power split should be deleted. The electrical supply must be installed using a suitable isolating switch with a minimum contact separation of 3mm in all poles.
USING AND CLEANING PRO-LITE UNITS
IMPORTANT: GENERAL NOTES ON CLEANING
- Disconnect unit from electricity supply prior to cleaning
- Never use a coarse abrasive to clean exterior panels. A soft cloth with a warm water and detergent solution is sufficient.
- Never attempt to steam clean a unit or hose it down with a jet of water.
LD60 CHIP SCUTTLE

- Chip scuttle is supplied with removable storage pans and drainer.
- The lamp is heated by a 500W halogen heat lamp – controlled by switch located on control panel.
Using a Chip Scuttle
When storing chips, it is not advisable to keep them covered for longer than is absolutely necessary as this will cause the potato to become soggy.
Cleaning a Chip Scuttle
Clean containers as soon as possible after use with hot water and detergent. Soap filled pads may be used to remove stubborn deposits. Avoid leaving empty used containers in the unit. Food deposits may bake on.
- LD46 and LD48 FREE STANDING FRYERS
- LD50 and LD56 COUNTERTOP FRYERS
Temperature Control

The fryers are controlled by a thermostat which offers settings between 130 and 190°C.
Using a Fryer
- Thoroughly clean and dry pan before using for the first time.
- Ensure drain valve is closed, i.e. handle turned fully clockwise on LD46 and LD48 models and fully left on LD50 and LD56 models. Fill pan with oil to level mark.
Pan Capacities
- LD46: 8 litres
- LD48: 2 x 8 litres
- LD50: 7 litres
- LD56: 2 x 7 litres
Set thermostat to desired temperature and leave unit to heat up. When selected temperature is reached, the amber neon will go out to indicate that unit is ready to use. When oil temperature drops, i.e. when food is immersed in oil, the thermostat will automatically restore current to elements. Before draining pan or removing elements for cleaning, switch unit off at mains isolating switch. All models are fitted with safety switches to cut off power if element box is raised from pan when power remains on. Repositioning box upon main body automatically restores power. A re-settable safety thermostat is located on underside of element box to protect against any overheating situation. Attention is drawn to the following safety related points
WARNING: NEVER switch unit on unless pan is filled with oil.
- Before draining pan or removing element box for cleaning, isolate fryer at main switch.
- The possibility of surge boiling exists when over-wet food or a larger than recommended load is applied to the pan.
- The pan may catch fire if oil is below minimum level mark.
- Used oil has a reduced flashpoint making it prone to surge boiling.
Cleaning a Fryer
The unit should be cleaned regularly. To facilitate cleaning of pan interior, elements and element box may be lifted from pan. When the worst of the food particles and oil have been removed from pan and elements, replace box. Fill pan to level mark with water/detergent solution, take care not to let solution overflow. Drain pan, thoroughly rinse and dry.
IMPORTANT: In the event of no power being available to the element box, check that it is set properly on the main body. If this is not successful then reset safety stat by pressing red button on the underside of the element box.
LD69 PASTA COOKER
Unit Controls

- A temperature control and indicator neons monitor operation of unit.
Using a Pasta Cooker
- Ensure drain valve is closed, ie. lever is fully left and safety catch has dropped into position.
- Fill pan with 10 litres of water (to top level mark on element guard).
- If a basket is immersed, maximum fill mark corresponds to top of perforated section. Take care not to overfill basket.
WARNING: Never, under any circumstances, switch unit on unless pan is filled with water. The minimum level is indicated on element guard.
- Set control to desired temperature and allow water to heat. If setting is below 100°C, amber neon will go out. Power to element is cut when temperature is reached.
- When temperature drops, control will automatically restore power to elements and amber neon will light.
- If setting is beyond 100Žo?C mark, water will boil continuously and amber neon will remain lit at all times.
- Top up water regularly to avoid well from boiling dry, this could damage unit. Regular water replacement of to reduce starch build-up is recommended when cooking pasta.
WARNING: Take extreme care when draining hot water!
IMPORTANT NOTE: A safety switch is provided to cut-off power to elements if element box is raised from pan. Box repositioning will automatically restore power. In the event of power not being available to element, check box is properly located upon main body.
WARNING: Do not leave baskets in boiling water for an unnecessary period of time as the handles quickly become VERY HOT!
Cleaning a Pasta Cooker
Isolate unit at mains supply. Attach spout to drain valve. To open valve, lift safety catch at pan front and move lever to right. Drain water from pan into an appropriate vessel. Lift off element box to gain access to pan. Wipe empty pan and remove food debris. Also remove any debris which may be present on elements. Reposition element box and refill pan with a water detergent solution to level mark indicated on element guard. Drain pan. Thoroughly rinse and dry before use. Retain spout in clip provided on lid underside when not in use.
SERVICING & MAINTENANCE
ELECTRICAL MAINTENANCE WARNING
Before attempting any electrical maintenance, SWITCH OFF THE MAIN SWITCH and take steps to ensure that it is not inadvertently switched on.
MAINTENANCE CHECK
Regular servicing of the appliance should be undertaken to ensure correct operation, it is functioning as intended, and safe to use. We recommend servicing after 15,000 hours of use, or annually, whichever comes first. Any maintenance schedule should include the inspection and checking of all relevant components including items such as seals, along with lubrication of components and seals where required. Should any issues with the integrity of the components be identified these should be replaced. If the appliance is not considered safe the unit should be removed from service and the responsible person advised why the unit is not safe to use and what remedial action is needed. Contents of the maintenance schedule should be agreed with the maintenance provider.
LD60 CHIP SCUTTLE
SERVICE ACCESS
Base Plate
- Upturn unit and rest it at edge of work surface with rear up stand overhanging edge.
- Undo base plate fixings to remove base plate.
FUNCTIONAL COMPONENTS
- Temperature Control.
- Remove base panel.
- Remove control knob.
- Remove electrical connections, noting their positions.
- For units with thermostat, carefully remove phial from retaining clips and clear structure.
- Undo fixings that secure control to panel and remove.
- Replace in reverse order.
Elements
- Remove base plate.
- Undo electrical connections, noting positions.
- Undo element fixings and remove.
- Replace in reverse order.
Terminal Block
- Remove base plate.
- Remove electrical connections at terminal block, noting positions.
- Undo fixings which secure block to unit and remove.
- Replace in reverse order.
Cable
- Remove base plate.
- Undo mains cable cord grip at unit rear.
- Undo electrical connections at terminal block and remove cable.
- Replace in reverse order. Ensure cable is fed through securing clamp and pulled taut before tightening clamp.
LD46, LD48, LD50 and LD56 FRYERS
WARNING: ENSURE UNIT IS ISOLATED AT MAINS SUPPLY
SERVICE ACCESS
Outer Back Panel
- Remove lid, baskets and fish plate. Lift element box from pan.
- Remove box rear panel by undoing fixings on box underside.
FUNCTIONAL COMPONENTS
Control Thermostat
- Remove back panel of element box.
- Remove electrical connections, noting positions.
- Undo fixings which secure thermostat to control panel.
- Remove phial seal at control panel entry point and withdraw phial.
- Replace in reverse order and ensure phial seal and electrical insulation sheet/phial cover are secured in position.
Neon Indicator
- Remove back panel from element box.
- Remove electrical connections.
- Undo neon retaining nut and remove neon.
Microswitch
- Remove back panel from element box.
- Remove electrical connections.
- Undo the fixings which secure switch to panel bracket.
- Replace in reverse order and ensure electrical insulation sheet is securely in position.
Safety Thermostat
- Remove back panel from element box.
- Remove electrical connections.
- Undo the fixings which secure the switch to the panel bracket.
- Replace in reverse order and ensure that the electrical insulation sheet is securely in position.
Elements
- Remove back panel from element box.
- Remove electrical connections, noting their positions.
- Remove retaining nuts and withdraw elements.
- Replace in reverse order.
Terminal Block
- Remove back panel from element box.
- Undo electrical connections, noting their positions.
- Undo fixings which secure block to panel and remove block.
- Replace in reverse order.
Mains Power Cable
- Remove back panel from element box.
- Remove electrical connections, noting their positions.
- Undo cable cord grip at panel entry and withdraw cable.
- Replace in reverse order.
LD69 PASTA COOKER
SERVICE ACCESS
Outer Back Panel
- Remove lid and baskets. Lift element box from pan.
- Remove box rear panel by undoing fixings on box underside.
FUNCTIONAL COMPONENTS
Control Thermostat
- Remove outer back panel.
- Remove electrical connections, noting positions.
- Undo fixings which secure thermostat to element box.
- Remove phial seal at element box entry and withdraw phial.
- Replace in reverse order and ensure phial seal and electrical insulation sheet/phial cover are secured in position.
Neon Indicator
- Remove outer back panel from element box.
- Remove electrical connections.
- Undo neon retaining nut and remove neon.
Microswitch
- Remove outer back panel from element box.
- Remove electrical connections.
- Undo fixings which secure switch to panel bracket.
- Replace in reverse order. Ensure electrical insulation sheet is securely in position.
Elements
- Remove outer back panel from element box.
- Remove electrical connections, noting the positions.
- Undo retaining nuts and withdraw elements
- Replace in reverse order.
Terminal Block
- Remove outer back panel from element box.
- Undo electrical connections, noting the positions.
- Undo fixings which secure block to panel and remove block.
- Replace in reverse order.
Mains Power Cable
- Remove outer back panel from element box.
- Remove electrical connections, noting positions.
- Undo cable cord grip at panel entry and withdraw cable.
- Replace in reverse order.
DIAGRAMS
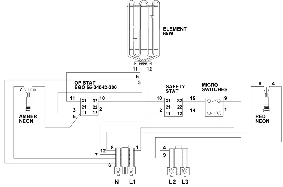
LD46 and LD48 Fryers Wiring Diagram

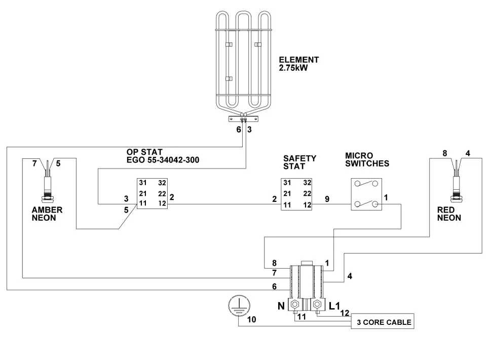
LD50 and LD56 Fryers Wiring Diagram

LD69 Pasta Cooker Wiring Diagram

LD60 Chip Scuttle Wiring Diagram





















