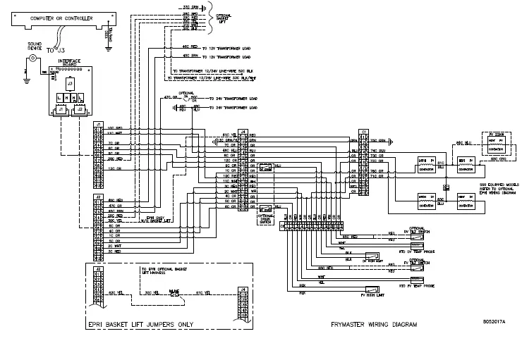
FRYMASTER OCF30 Electric Fryer

Wiring Diagrams
This manual is updated as new information and models are released. Visit our website for the latest manual.

DANGER
Prior to movement, testing, maintenance and any repair on your Frymaster fryer, disconnect ALL electrical power from the fryer.
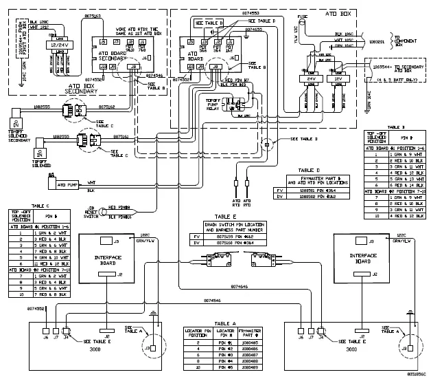
OCF30™ Series Simplified Wiring with 3000 Controller

NOTE: If the fryer does not have the optional auto top off feature, an ATO board will not be present. The controllers will terminate on the far left and far right controller.
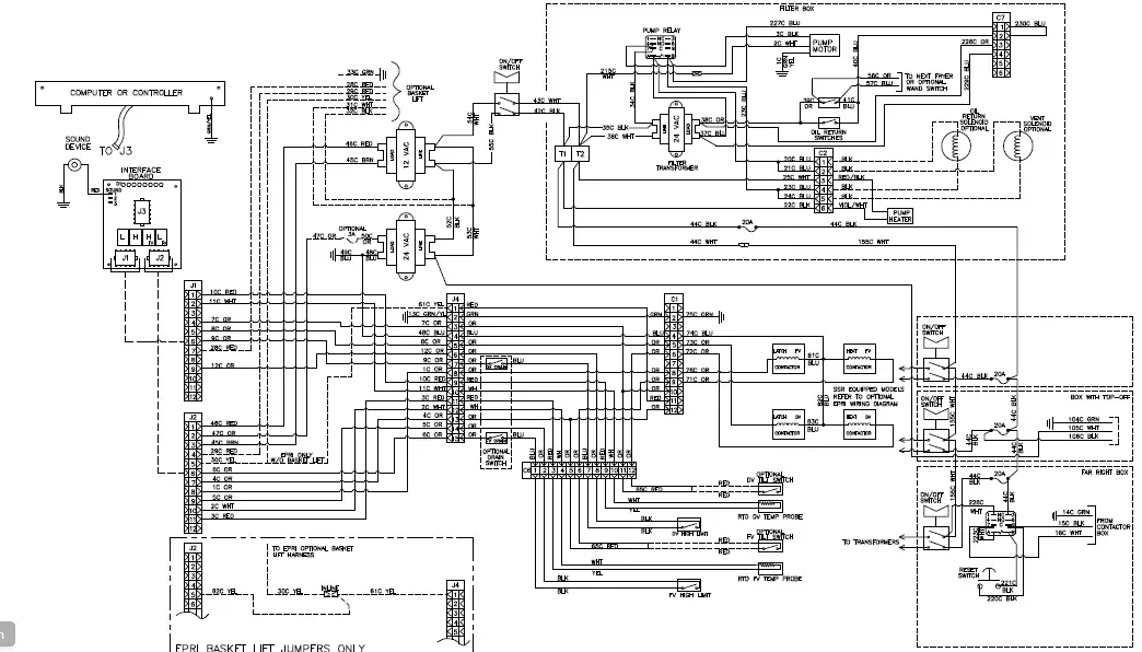
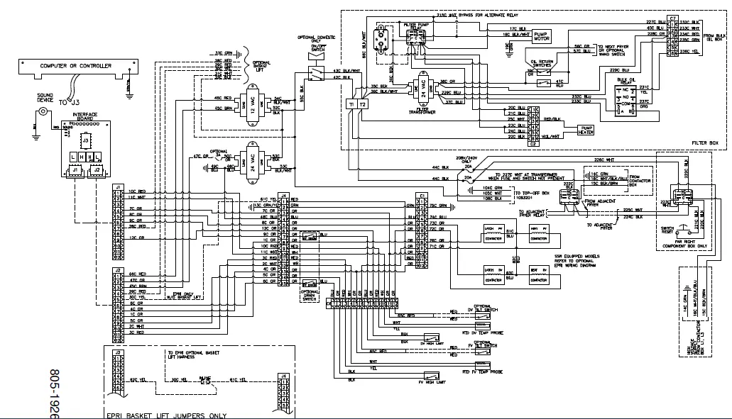
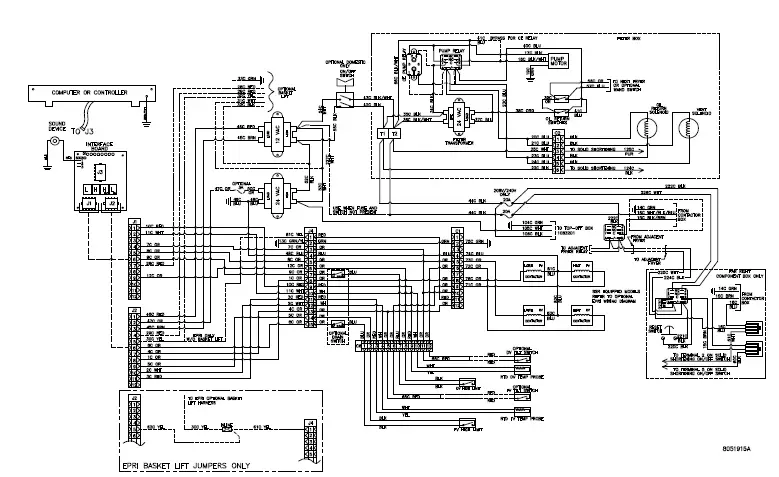
Component Wiring with 3000 controller (Domestic and Export)

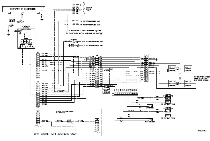
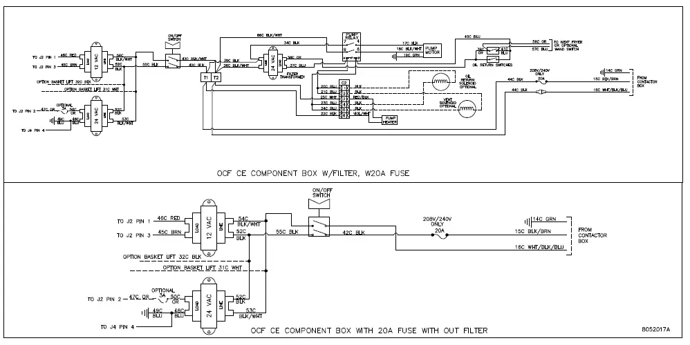
Component Wiring with 3000 controller (CE) page 1

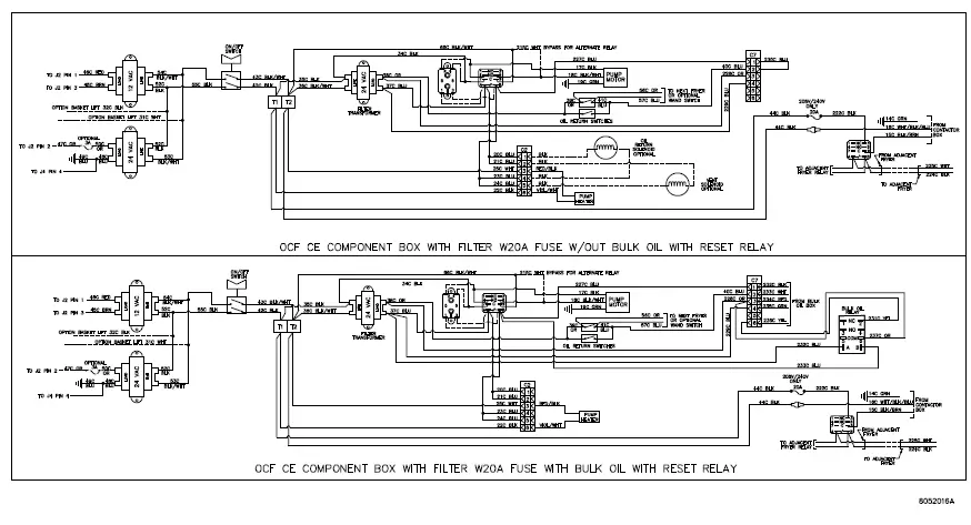
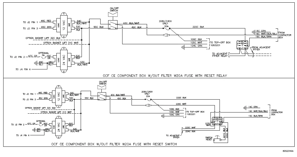
Component Wiring with 3000 controller (CE) page 2

Component Wiring with 3000 constroller (CE)

Component Wiring with 3000 Controller 120V/480V

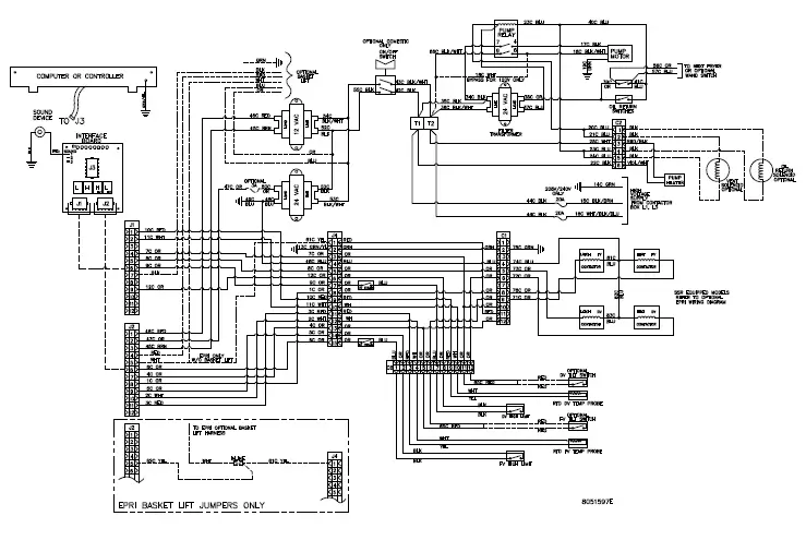
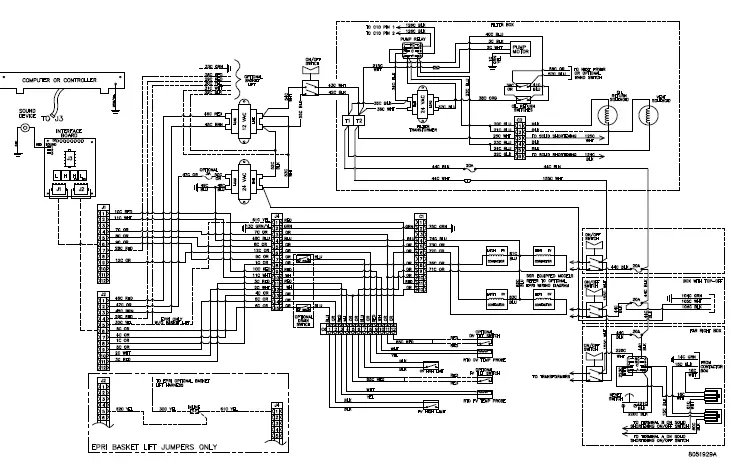
Component Wiring with CM3.5 controller (Domestic and Export)

Component Wiring with CM3.5 Controller (CE) page 1

Component Wiring with CM3.5 Controller (CE)

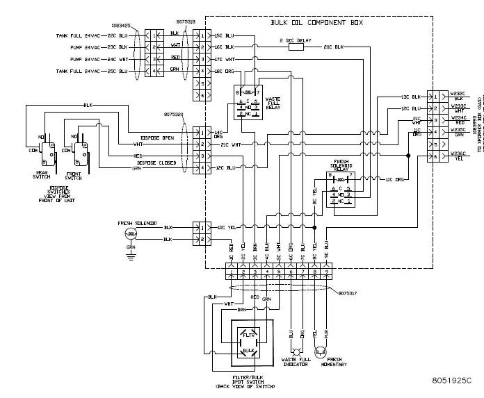
Component Wiring With Bulk Oil

Bulk Oil Wiring Box

Contactor Box – Delta Configuration


Contactor Box – WYE Configuration


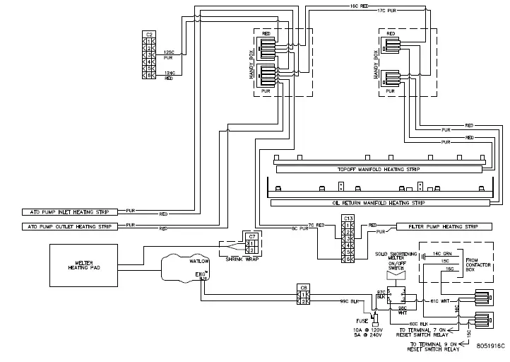
Solid Shortening
Solid Shortening Control Wiring

Solid Shortening Component Wiring 120V/480V

Solid Shortening Component Wiring 240V

Wiring Diagrams
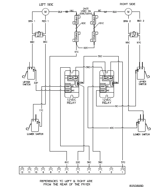
Modular Basket Lift Wiring Diagram 208-250V

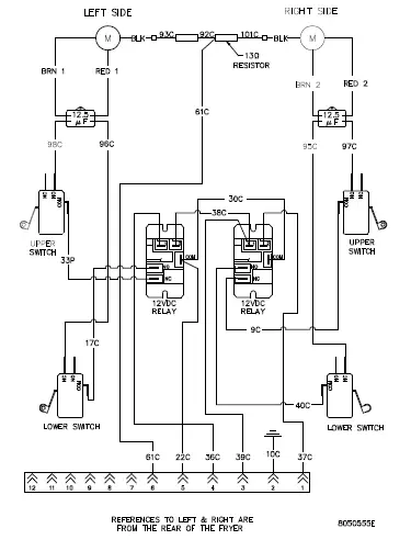
Modular Basket Lift Wiring Diagram 100-120V

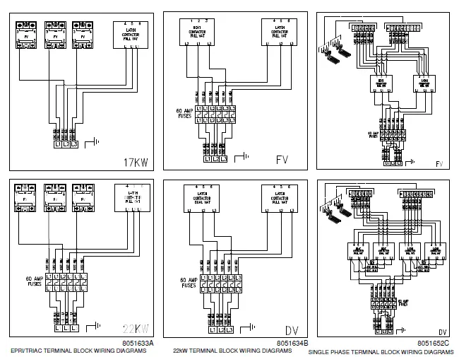
Terminal Block Wiring

FRYMASTER
8700 LINE AVENUE, SHREVEPORT, LA 71106-6800
800-551-8633
318-865-1711
WWW.FRYMASTER.COM
EMAIL: F[email protected]
Welbilt offers fully-integrated kitchen systems and our products are backed by KitchenCare® aftermarket parts and service. Welbilt’s portfolio of award-winning brands includes Cleveland™, Convotherm®, Crem®, Delfield®, Frymaster®, Garland®, Kolpak®, Lincoln®, Merco®, Merrychef® and Multiplex®.
Bringing innovation to the table · welbilt.com
©2022 Welbilt Inc. except where explicitly stated otherwise. All rights reserved. Continuing product improvement may necessitate change of specifications without notice.
Part Number FRY_D_8197224 08/2022



















