ERICSSON 1075-AR GFCI Panel Mount
Product Information
The 1075 Series Panel Mount GFCI is an industrial-grade Ground Fault Circuit Interrupter that is designed to withstand tough work site conditions. It is available in both manual and automatic power-up models. The GFCI is Class A rated with open neutral protection and features a NEMA 4X Faceplate.
The 1060 Series Multiple Outlet GFCI is housed in a polycarbonate, impact-resistant enclosure that retains its properties even under extreme environmental conditions. It comes with spring-loaded flip lids to protect the outlets from work site contaminants when not in use. The unit is equipped with extra hard usage #12/3 SOOW cable and meets OSHA construction site requirements. It has a fast response trip time of less than .025 seconds and is Class A rated with open neutral protection. The enclosure is tamper-proof and offers unmatched vibration resistance, making it ideal for OEM applications.
Product Usage Instructions
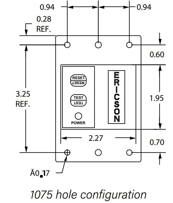
1075 Series Panel Mount GFCI:
- Mount the GFCI in a suitable location using the provided hole configuration (1075-AR or 1075-MR).
- Connect the power supply to the GFCI using the appropriate wiring.
- Ensure that the GFCI is properly grounded.
- To power up the GFCI manually, press the “POWER” button.
- To test the GFCI, press the “TEST” button. The GFCI should trip and cut off power.
- To reset the GFCI after a trip, press the “RESET” button.
1060 Series Multiple Outlet GFCI:
- Place the GFCI in a suitable location.
- Connect the power supply to the GFCI using the appropriate wiring.
- Ensure that the GFCI is properly grounded.
- When not in use, close the spring-loaded flip lids to protect the outlets from work site contaminants.
- To test the GFCI, press the “TEST” button. The GFCI should trip and cut off power.
- To reset the GFCI after a trip, press the “RESET” button.
Note: For both GFCI models, refer to the user manual for detailed installation and troubleshooting instructions. Visit ericson.com/panelmount-gfci for the 1075 Series and ericson.com/multi-gfci for the 1060 Series.
For further assistance, contact Ericson at 1.800.ERICSON or visit ericson.com/rfq for inquiries.
1075 Series Panel Mount GFCI
- cULus listed for U.S. and Canada
- Provides open neutral protection
- Quick and easy field installation into temporary panels and work boxes
- Compact & portable, this unit is easy to use, store and transport
- Unique vibration resistant design
- Works on 2-wire or 3-wire circuits
- Meets OSHA construction site requirements
- Fast response trip time; less than .025 seconds
- Molded polycarbonate enclosure is corrosion and impact resistant and stands up to the toughest work site conditions
- Manual and automatic power-up models available
- Class A with open neutral protection


1060 Series Multiple Outlet GFCI
- Polycarbonate, impact resistant enclosure retains its properties under the most extreme environmental conditions
- Spring-loaded flip lids protect outlets from work site contaminants when not in use
- Unit comes standard with extra hard usage #12/3 SOOW cable
- Meets OSHA construction site requirements
- Fast response trip time; less than .025 seconds
- Class A with open neutral protection
- Tamper proof enclosure
- Unmatched vibration resistance ideal for OEM applications
- Multiple NEMA configurations available


- ericson.com 1.800.ERICSON
- ericson.com/rfq 1.800.374.2766
![]()
Wiring Devices & Cordsets 41






















