100109 Gyspot ALU Pro FV Steel Dent Puller Instruction Manual

GYSPOT ALU PRO FV



GYSPOT ALU PRO FV
a) the presence (above, below and next to the arc welding machine) of other power cables, remote cables and telephone cables;
b) television transmitters and receivers;
c) computers and other hardware;
d) critical safety equipment such as industrial machine protections;
e) the health and safety of the people in the area such as people with pacemakers or hearing aids;
f) calibration and measuring equipment;
g) the isolation of other pieces of equipment which are in the same area.
The user has to ensure that the devices and pieces of equipment used in the same area are compatible with each other. This may require extra precautions;
h) the time of day during the welding or other activities have to be performed.
The surface of the area to be considered around the device depends on the building’s structure and other activities that take place there. The area taken into consideration can be larger than the limits of the installations.
Review of the welding installation
Reviewing the welding installations can be useful to determine and resolve any case of electrical disturbances. The assessment of emissions must include in situ measurements as specified in Article 10 of CISPR 11: 2009. In situ measurements can also be used to confirm the effectiveness of mitigation measures.
RECOMMANDATIONS SUR LES METHODES DE REDUCTION DES EMISSIONS ELECTROMAGNETIQUES
a. National power grid: The capacitive discharge equipment must be connected to the national power grid in accordance with the manufacturer’s recommendation. In case of interferences, it may be necessary to take additional precautions such as the filtering of the power supply network. Consideration should be given to shielding the power supply cable in a metal conduit or equivalent of permanently installed capacitive discharge equipment. It is necessary to ensure the electrical continuity of the shielding along its entire length. The shielding should be connected to the welding current’s source to ensure good electrical contact between the conduct and the casing of the welding current source
b. Maintenance of the capacitive discharge equipment: The arc welding machine should be subject to a routine maintenance check according to the recommendations of the manufacturer. All accesses, service doors and covers should be closed and properly locked when the capacitive discharge equipment is on. The capacitive discharge equipment must not be modified in any way, except for the changes and settings outlined in the manufacturer’s instructions.
c. Welding cables: Cables must be as short as possible, close to each other and close to the ground, if not on the ground.
d. Equipotential bonding: consideration should be given to bonding all metal objects in the surrounding area. However, metal
objects connected to the workpiece increase the risk of electric shock if the operator touches both these metal elements and the electrode. It is necessary to insulate the operator from such metal objects.
e. Earthing of the welded part: When the part is not earthed – due to electrical safety reasons or because of its size and its location (which is the case with ship hulls or metallic building structures), the earthing of the part can, in some cases but not systematically, reduce emissions It is preferable to avoid the earthing of parts that could increase the risk of injury to the users or damage other electrical equipment. If necessary, it is appropriate that the earthing of the part is done directly, but in some countries that do not allow such a direct connection, it is appropriate that the connection is made with a capacitor selected according to national regulations.
f. Protection and shielding: The selective protection and shielding of other cables and devices in the area can reduce perturbation issues. The protection of the entire welding area can be considered for specific situations
TRANSPORT ET TRANSIT DE LA SOURCE DE COURANT DE SOUDAGE
The welding source is fitted with a handle to make it transportable by hand. Be careful not to underestimate the weight of the machine. The handle are not design to be use to hang the machine to something else.
Do not use the cables or torch to move the machine.
Do not place/carry the unit over people or objects.
EQUIPMENT INSTALLATION
- Provide an adequate area to ventilate the machine and access the controls.
- Do not use in an area with conductive metal dust.
- Power cables, extension leads and welding cables must be fully uncoiled to prevent overheating.
The manufacturer does not accept any liability in relation to damages caused to objects or harm caused to persons as the result of incorrect and/or dangerous use of the machine
MAINTENANCE / RECOMMENDATIONS
•
- The operators must have received suitable training in order to use the machine at its maximum potential and weld correctly.
- Check which welding process is authorised by the manufacturer before attempting any vehicle repair.
- The maintenance and the repair of the . Any work undertaken by a third party on the generator will invalidate the warranty. The manufacturer will not accept liability in the event of an incident that would occur after this work was undertaken.
- Ensure the machine is unplugged from the mains, and wait for two minutes before carrying out maintenance work. Inside, voltages and currents are high and dangerous.
- All the welding tools will wear off with use. Ensure that these tools are clean to get the best results.
- Remove regularly the casing and any excess of dust. Take this opportunity to have the electrical connections checked by a qualified person, with an insulated tool.
- Regularly review the condition of the power cable and welding connection cables. In case of visible signs of damage, organise for them to be replaced by the manufacturer or a qualified technician.
- Ensure the vents of the device are not blocked to allow adequate air circulation.
ELECTRICITY SUPPLY
- This machine is fitted with a 16A socket type CEE7/7 which must be connected to a single-phase 90 V to 240 V (50 – 60 Hz) power supply fitted with three wires and one earthed neutral.
- The absorbed effective current (I1eff) is displayed on the machine, for optimal use. Check that the power supply and its protection (fuse and/or circuit breaker) are compatible with the current needed by the machine. In some countries, it may be necessary to change the plug to allow the use at maximum settings.
The horizontal segment at the centre of the display flashes red to indicate that the device is powered.
The GYSPOT ALU protects itself if the voltage exceeds 265V. The device prevents the charge of the capacitors. To indicate the failure, the 3 horizontal segments in the centre of the display light up.
Charge of the capacitors: A blinking display indicates that the GYSPOT ALU is charging the capacitors to the setpoint. ‘DEF’ indicates that there is a capacitors charge fault. Switch off and relight the machine. If the message persists, please contact after sales service department.

OPERATING AND SETTING (P.2)
The GYSPOT ALU was designed to carry out repairs to aluminium car bodies, which have minor dings and dents, marks, scratches or hail damages. Short charging times and thus quick welding sequences are accomplished. The capacitors have a capacity of 66 milliFarads.
Gun cable output (Fig. I- 1 )
Earth cable output (Fig. I- 2 )
The front panel has a keyboard with 4 keys and a LED display (Fig. II).
This device is equipped with:
– 1 earth cable (Length 3m – Ø 35mm²) with 3 brass terminals for earth contact on the car body.
– 1 pistol with a cable (length 3m – Ø 25 mm ²) to weld Ø 4 studs – M4: Alu magnesium (AlMg3), Alu silicon (AlSi12).
When switching on the product, an error message may come up indicating that the trigger has remain depressed. Either
the trigger has stuck or it may be in short-circuit.
- In the first case, simply release it and resume use.
- In the second case, the product will require return the manufacturer for service
OPERATION
The GYSPOT ALU was designed to carry out repairs to aluminium car bodies, which have minor dings and dents, marks, scratches or hail damages. Short charging times and thus quick welding sequences are accomplished.
The robust construction ensures high reliability and high power-on time.
The GYSPOT ALU welds M4 studs using capacitor discharge technology. The welding is very fast (2 to 3 milliseconds).
The GYSPOT ALU has 2 operating modes:
– Voltage programming mode: from 50 to 200 Volt.
– Power programming mode: L,1-9,H. L means low, H means high:
o Switching from voltage mode to power mode is done by pressing the ‘mode’ key (Cf. Fig II- 4 ). See table Power vs
Voltage (Cf. Fig. III).
o Press the on/off switch on the right of the keyboard (Cf. Fig. II- 6 ).
o Notice: the earth adapter is factory mounted
o Grind the area which needs to be straightened, such that the 3 brass pads can make the ground contact with the aluminium car body.
o Position the stud in the copper tip of the gun. Adjust if necessary the screw adjustment of bumper stud (see pictures below)
o In order to get a good welding of the stud, the base must come out by approximately 1mm from the extremity of the mandrel ( 7 )
o The position of the stud in the mandrel can be adjusted by screwing / unscrewing the nut on the adjustment screw
( 8 ) Upon delivery of the gun, the screw 10 is loosened and the cursor 0 is in abutment. This setting allows exerting a force of about 40 N during welding, which is suitable for welding aluminium studs M4. The screw is used to adjust the down force of the spring when the shot is fired or to compensate for the wear of the spring. Adjust the power or the voltage value using + and – buttons. At power up the power value by default is 5 which is 100 volts. In general, the value to have a good welding of a M4 stud for small dent removal is: voltage = 90 V or power = 4. Increase the voltage for thicker panels. Be careful, too elevated power can damage the copper base.
For a good weld, only the « nipple of the stud » must be in contact with the component.
Make a small pressure on the gun without crushing the “pin” of the stud. The capacitor discharge is done automatically when the support comes in the ring.
At this moment the stud is correctly welded. Welding duration is less than 3 milliseconds.
For an optimum repair, we advise you to warm up the metal sheet.

7 The base must come out by approximately 1mm from the extremity of the mandrel.
8 Screw for adjusting the stud’s position.
9 The pin must be perpendicular to the sheet.
Do not press too much to not overwrite the nipple. Only the stud is in contact with the sheet.
10 A wheel with index 0 allows adjusting the compression of the spring.
THERMAL PROTECTION
The machine is provided with an automatic thermal protection system, which will stop the machine to prevent it from overheating. When the Thermal Protection Indicator illuminates (fig. II- 5 ), let the machine cool down.
WARRANTY
The warranty covers faulty workmanship for 2 years from the date of purchase (parts and labour).
The warranty does not cover:
- Transit damage.
- Normal wear of parts (eg. : cables, clamps, etc..).
- Damages due to misuse (power supply error, dropping of equipment, disassembling).
- Environment related failures (pollution, rust, dust). In case of failure, return the unit to your distributor together with:
- The proof of purchase (receipt etc …)
- A description of the fault reported
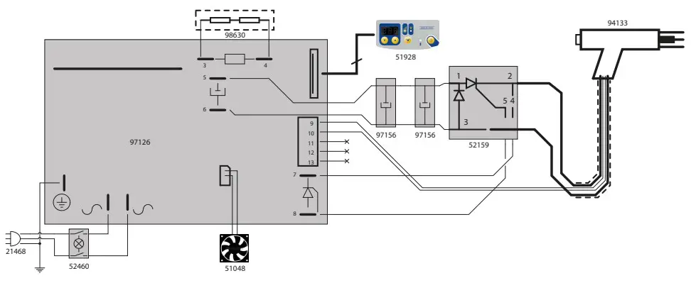
CIRCUIT DIAGRAM

SPARE PARTS

SYMBOLS





















