GYSPOT ALU PRO FV Aluminum Dent Puller

GENERAL INSTRUCTIONS
Read and understand the following safety instructions before use. Any modification or maintenance not specified in the instructions manual should not be undertaken.
The manufacturer is not liable for any injury or damage due to non-compliance with the instructions featured in this manual. In the event of problems or uncertainties, please consult a qualified person to handle the installation properly.
Make sure to keep the instructions as you might need to refer to them later.
These instructions cover the material in the condition it was delivered. It is the responsibility of the user to carry a risk analysis in case the instructions are not followed.
ENVIRONMENT
This equipment must only be used for welding operations in accordance with the limits indicated on the descriptive panel and/or in the user manual. Safety instructions must be followed. In case of improper or unsafe use, the manufacturer cannot be held liable.
This equipment must be used and stored in a room free from dust, acid, flammable gas or any other corrosive agent. The same rules apply for storage.
Operating temperature:
Use between -10 and +40°C (+14 and +104°F).
Storage between -20 and +55°C (-4 and 131°F).
Air humidity:
Lower or equal to 50% at 40°C (104°F).
Lower or equal to 90% at 20°C (68°F).
Altitude:
Up to 1000 meters above sea level (3280 feet).
PROTECTION OF THE INDIVIDUALS
Capacitive discharge equipment can be dangerous and cause serious injuries or even death. It needs to be used by a qualified technician with training relevant to the machine.
Welding exposes the user to dangerous heat, arc rays, electromagnetic fields, risk of electric shock, noise and gas fumes. People wearing pacemakers are advised to consult a doctor before using the welding machine.
To protect oneself as well as the other, ensure the following safety precautions are taken:
![]() | In order to protect you from burns and radiations, wear clothing without turn-up or cuffs. These clothes must be insulating, dry, fireproof, in good condition and cover the whole body |
![]() | Wear protective gloves which guarantee electrical and thermal insulation. |
![]() | Use sufficient welding protective gear for the whole body: hood, gloves, jacket, trousers… (varies depending on the application/operation). Protect the eyes during cleaning operations. Contact lenses are prohibited during use. It may be necessary to install fireproof welding curtains to protect others against arc rays, weld spatters and sparks. . Ask people around the working area to look away from at the arc or the molten metal, and to wear protective clothing. |
![]() | Ensure ear protection is worn by the operator if the work exceeds the authorised noise limit (the same applies to any person in the welding area). |
![]() | Parts that have previously been welded will be hot and may cause burns if manipulated. It is important to secure the working area before leaving to ensure the protection of property and the safety of others. |
WELDING FUMES AND GAS
Fumes, gas and dust produced during welding are hazardous to health. It is mandatory to ensure adequate ventilation and/or extraction to keep fumes and gas away from the work area. Using an air fed welding helmet is recommended in case of insufficient ventilation in the workplace.
Check that the air supply is effective by referring to the recommended safety regulations.
Precautions must be taken when welding in small areas, and the operator will need supervision from a safe distance. In addition, the welding of certain materials containing lead, cadmium, zinc, mercury or beryllium may be particularly harmful.
Also remove any grease on the metal pieces before welding. Do not weld in areas where grease or paint are stored.
FIRE AND EXPLOSION RISKS
Protect the entire welding area. Flammable materials must be moved to a minimum safe distance of 11 meters. A fire extinguisher must be readily available near the welding operations. Keep people, flammable materials/objects and containers that are under pressure at a safe distance. Welding in closed containers or pipes should be avoided and , if they are opened, they must be emptied of any flammable or explosive material (oil, fuel, gas …). Grinding operations should not be carried out close to the power supply or any flammable materials.
ELECTRICAL SAFETY
The electrical mains used must have an earth terminal. An electric shock could cause serious injuries or potentially even deadly accidents.
Never make contact with live parts inside or outside the current source (cables, electrodes, arms, guns…) as they are connected to the welding circuit. Before opening the device, it is imperative to disconnect it from the mains and wait 2 minutes, so that all the capacitors are discharged.
Damaged cables and torches must be changed by a qualified and skilled professional. Make sure that the cable cross section is adequate with the usage (extensions and welding cables). Always wear dry clothes which are in good condition in order to be isolated from the welding circuit. Wear insulating shoes, regardless of the workplace/environment in which you work in.
EMC CLASSIFICATION
This Class A machine is not intended to be used on a residential site where the electric current is supplied by the domestic low-voltage power grid. There may be potential difficulties in ensuring electromagnetic compatibility at these sites, due to conducted interferences as well as radiation.
EN 61000-3-12 This equipment complies with the IEC 61000-3-12 standard. EN 61000-3-11 This equipment complies with the IEC 61000-3-11 standard.
ELECTROMAGNETIC INTERFERENCES
The electric currents flowing through a conductor cause electrical and magnetic fields (EMF). The welding current generates an EMF around the welding circuit and the welding equipment.
The EMF electromagnetic fields can interfere with certain medical implants, such as pacemakers. Protection measures must be taken for people having medical implants. For example, access restrictions for passers-by or an individual risk evaluation for the welders.
Each welder must follow the procedures below in order to minimise exposure to electromagnetic generated by the welding circuit:
- position the welding cables together – strap them if possible;
- keep your head and top half of the body as far from the welding circuit as possible;
- never enrol the cables around your body;
- never position your body between the welding cables. Hold both welding cables on the same side of your body;
- connect the earth clamp as close as possible to the area being welded;
- do not work too close to, do not lean and do not sit on the welding machine
- do not weld when you’re carrying the welding machine or its wire feeder.
People wearing pacemakers are advised to consult their doctor before using this device. Exposure to electromagnetic fields while welding may have other health effects which are not yet identified.
RECOMMENDATIONS FOR EVALUATING THE WELDING AREA AND INSTALLATION
Miscellaneous
The user is responsible for the correct installation and usage of the welding material based on the instructions supplied by the manufacturer. If electromagnetic disturbances are detected, it is the user’s responsibility to resolve the situation with the manufacturer’s technical assistance. In some cases, this corrective action may be as simple as earthing the welding circuit. In other cases, it may be necessary to construct an electromagnetic shield around the welding power source and around the entire piece by fitting input filters. In all cases, electromagnetic interferences must be reduced until they are no longer inconvenient.
Welding area assessment
Before installing the machine, the user must evaluate the possible electromagnetic problems that may arise in the area where the installation is planned. The following must be taken into account:
a) the presence (above, below and next to the arc welding machine) of other power cables, remote cables and telephone cables;
b) television transmitters and receivers;
c) computers and other hardware;
d) critical safety equipment such as industrial machine protections;
e) the health and safety of the people in the area such as people with pacemakers or hearing aids;
f) calibration and measuring equipment;
g) the isolation of other pieces of equipment which are in the same area. The user has to ensure that the devices and pieces of equipment used in the same area are compatible with each other. This may require extra precautions;
h) the time of day during the welding or other activities have to be performed.
The surface of the area to be considered around the device depends on the building’s structure and other activities that take place there. The area taken into consideration can be larger than the limits of the installations.
Review of the welding installation
Reviewing the welding installations can be useful to determine and resolve any case of electrical disturbances. The assessment of emissions must include in situ measurements as specified in Article 10 of CISPR 11: 2009. In situ measurements can also be used to confirm the effectiveness of mitigation measures.
RECOMMANDATIONS SUR LES METHODES DE REDUCTION DES EMISSIONS ELECTROMAGNETIQUES
a. National power grid: The capacitive discharge equipment must be connected to the national power grid in accordance with the manufacturer’s recommendation. In case of interferences, it may be necessary to take additional precautions such as the filtering of the power supply network. Consideration should be given to shielding the power supply cable in a metal conduit or equivalent of permanently installed capacitive discharge equipment. It is necessary to ensure the electrical continuity of the shielding along its entire length. The shielding should be connected to the welding current’s source to ensure good electrical contact between the conduct and the casing of the welding current source.
b. Maintenance of the capacitive discharge equipment: The arc welding machine should be subject to a routine maintenance check according to the recommendations of the manufacturer. All accesses, service doors and covers should be closed and properly locked when the capacitive discharge equipment is on. The capacitive discharge equipment must not be modified in any way, except for the changes and settings outlined in the manufacturer’s instructions.
c. Welding cables: Cables must be as short as possible, close to each other and close to the ground, if not on the ground.
d. Equipotential bonding: consideration should be given to bonding all metal objects in the surrounding area. However, metal objects connected to the workpiece increase the risk of electric shock if the operator touches both these metal elements and the electrode. It is necessary to insulate the operator from such metal objects.
e. Earthing of the welded part: When the part is not earthed – due to electrical safety reasons or because of its size and its location (which is the case with ship hulls or metallic building structures), the earthing of the part can, in some cases but not systematically, reduce emissions It is preferable to avoid the earthing of parts that could increase the risk of injury to the users or damage other electrical equipment. If necessary, it is appropriate that the earthing of the part is done directly, but in some countries that do not allow such a direct connection, it is appropriate that the connection is made with a capacitor selected according to national regulations.
f. Protection and shielding: The selective protection and shielding of other cables and devices in the area can reduce perturbation issues. The protection of the entire welding area can be considered for specific situations.
TRANSPORT ET TRANSIT DE LA SOURCE DE COURANT DE SOUDAGE
The welding source is fitted with a handle to make it transportable by hand. Be careful not to underestimate the weight of the machine. The handle are not design to be use to hang the machine to something else.
Do not use the cables or torch to move the machine.
Do not place/carry the unit over people or objects.
EQUIPMENT INSTALLATION
- Provide an adequate area to ventilate the machine and access the controls.
- Do not use in an area with conductive metal dust.
- Power cables, extension leads and welding cables must be fully uncoiled to prevent overheating.
The manufacturer does not accept any liability in relation to damages caused to objects or harm caused to persons as the result of incorrect and/or dangerous use of the machine .
MAINTENANCE / RECOMMENDATIONS
The operators must have received suitable training in order to use the machine at its maximum potential and weld correctly.- Check which welding process is authorised by the manufacturer before attempting any vehicle repair.
- The maintenance and the repair of the . Any work undertaken by a third party on the generator will invalidate the warranty. The manufacturer will not accept liability in the event of an incident that would occur after this work was undertaken.
- Ensure the machine is unplugged from the mains, and wait for two minutes before carrying out maintenance work. Inside, voltages and currents are high and dangerous.
- All the welding tools will wear off with use. Ensure that these tools are clean to get the best results
- Remove regularly the casing and any excess of dust. Take this opportunity to have the electrical connections checked by a qualified person, with an insulated tool.
- Regularly review the condition of the power cable and welding connection cables. In case of visible signs of damage, organise for them to be replaced by the manufacturer or a qualified technician. · Ensure the vents of the device are not blocked to allow adequate air circulation.
ELECTRICITY SUPPLY
- This machine is fitted with a 16A socket type CEE7/7 which must be connected to a single-phase 90 V to 240 V (50 – 60 Hz) power supply fitted with three wires and one earthed neutral.
- The absorbed effective current (I1eff) is displayed on the machine, for optimal use. Check that the power supply and its protection (fuse and/or circuit breaker) are compatible with the current needed by the machine. In some countries, it may be necessary to change the plug to allow the use at maximum settings.
The horizontal segment at the centre of the display flashes red to indicate that the device is powered.
The GYSPOT ALU protects itself if the voltage exceeds 265V. The device prevents the charge of the capacitors. To indicate the failure, the 3 horizontal segments in the centre of the display light up.
Charge of the capacitors: A blinking display indicates that the GYSPOT ALU is charging the capacitors to the setpoint. `DEF’ indicates that there is a capacitors charge fault. Switch off and relight the machine. If the message persists, please contact after sales service department.
| ELECTRICAL SPECIFICATIONS | |
| U1N rated power supply voltage | 1 ~ 90-240 V |
| Frequency | 50/60 Hz |
| No load voltage allocated U20 / U2d | 50-200 V |
| Permanent power Sp | 0,2 kVA |
| Permanent supply current I1p / ILp | 0,9 A / 2,5 A |
| Maximal current of a secondary short circuit I2cc | 13 000 A |
| Permanent secondary current I2p | 110 A |
| THERMAL CHARACTERISTICS | |
| Ambient operating temperature | From +5°C to +40°C |
| Ambient storage and transport temperature | From -25°C to +55°C |
OPERATING AND SETTING (P.2)
The GYSPOT ALU was designed to carry out repairs to aluminium car bodies, which have minor dings and dents, marks, scratches or hail damages. Short charging times and thus quick welding sequences are accomplished. The capacitors have a capacity of 66 milliFarads.
Gun cable output (Fig. I-❶ )
Earth cable output (Fig. I-❷ )
The front panel has a keyboard with 4 keys and a LED display (Fig. II).
This device is equipped with:
– 1 earth cable (Length 3m – Ø 35mm²) with 3 brass terminals for earth contact on the car body.
– 1 pistol with a cable (length 3m – Ø 25 mm ²) to weld Ø 4 studs – M4: Alu magnesium (AlMg3), Alu silicon (AlSi12).
When switching on the product, an error message may come up indicating that the trigger has remain depressed. Either the trigger has stuck or it may be in short-circuit.
- In the first case, simply release it and resume use.
- In the second case, the product will require return the manufacturer for service.
OPERATION
The GYSPOT ALU was designed to carry out repairs to aluminium car bodies, which have minor dings and dents, marks, scratches or hail damages.
Short charging times and thus quick welding sequences are accomplished.
The robust construction ensures high reliability and high power-on time.
The GYSPOT ALU welds M4 studs using capacitor discharge technology. The welding is very fast (2 to 3 milliseconds).
The GYSPOT ALU has 2 operating modes:
– Voltage programming mode: from 50 to 200 Volt.
– Power programming mode: L,1-9,H. L means low, H means high:
o Switching from voltage mode to power mode is done by pressing the ‘mode’ key (Cf. Fig II- 4 ❶ ). See table Power vs Voltage (Cf. Fig. III).
| P | L | 1 | 2 | 3 | 4 | 5 | 6 | 7 | 8 | 9 | H |
| V | 70 V | 75 V | 80 V | 85 V | 90 V | 100 V | 108 V | 118 V | 125 V | 135 V | 150 V |
o Press the on/off switch on the right of the keyboard (Cf. Fig. II-❻ ).
o Notice: the earth adapter is factory mounted
o Grind the area which needs to be straightened, such that the 3 brass pads can make the ground contact with the aluminium car body.
o Position the stud in the copper tip of the gun. Adjust if necessary the screw adjustment of bumper stud (see pictures below)
o In order to get a good welding of the stud, the base must come out by approximately 1mm from the extremity of the mandrel ( ❼ )
o The position of the stud in the mandrel can be adjusted by screwing / unscrewing the nut on the adjustment screw ( ❽ )
Upon delivery of the gun, the screw ❿ is loosened and the cursor ⓿ is in abutment. This setting allows exerting a force of about 40 N during welding, which is suitable for welding aluminium studs M4. The screw is used to adjust the down force of the spring when the shot is fired or to compensate for the wear of the spring.
Adjust the power or the voltage value using + and – buttons. At power up the power value by default is 5 which is 100 volts. In general, the value to have a good welding of a M4 stud for small dent removal is: voltage = 90 V or power = 4.
Increase the voltage for thicker panels. Be careful, too elevated power can damage the copper base.
For a good weld, only the « nipple of the stud » must be in contact with the component.
Make a small pressure on the gun without crushing the “pin” of the stud. The capacitor discharge is done automatically when the support comes in the ring.
At this moment the stud is correctly welded. Welding duration is less than 3 milliseconds.
For an optimum repair, we advise you to warm up the metal sheet.
❼ The base must come out by approximately 1mm from the extremity of the mandrel.
❽ Screw for adjusting the stud’s position.
❾ The pin must be perpendicular to the sheet.
Do not press too much to not overwrite the nipple. Only the stud is in contact with the sheet.
❿ A wheel with index ⓿ allows adjusting the compression of the spring.
THERMAL PROTECTION
The machine is provided with an automatic thermal protection system, which will stop the machine to prevent it from overheating. When the Thermal Protection Indicator illuminates (fig. II-❺ ), let the machine cool down.
WARRANTY
The warranty covers faulty workmanship for 2 years from the date of purchase (parts and labour).
The warranty does not cover:
- Transit damage.
- Normal wear of parts (eg. : cables, clamps, etc..).
- Damages due to misuse (power supply error, dropping of equipment, disassembling).
- Environment related failures (pollution, rust, dust).
In case of failure, return the unit to your distributor together with:
– The proof of purchase (receipt etc …)
– A description of the fault reported
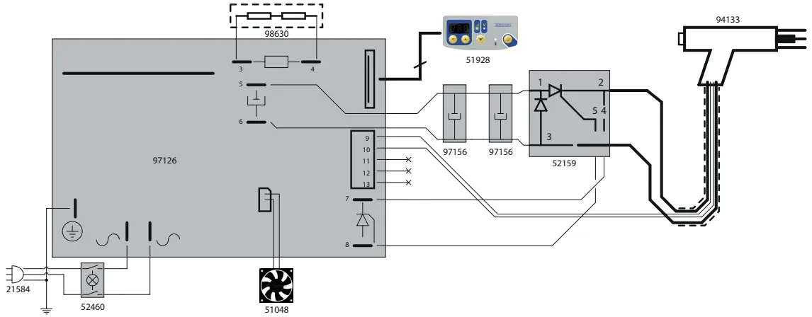
CIRCUIT DIAGRAM

SPARE PARTS

N° | SPOT | |
| 1 | 50W 68 ohms resistance | 63499 |
2 | Luminous orange switch (22/30) 0-I | 52460 |
3 | Fan | 51048 |
| 4 | PCB capacitor Aluspot | 97156C |
5 | Keyboard | 51928 IND2 |
6 | Thyristor module – 400A diode | 52159 |
| 7 | Managing PCB Aluspot | 97126C |
![]() | – Caution ! Read the user manual. | |
A | Amps | |
V | Volt | |
Hz | Hertz | |
![]() | – Adapted for welding in environments with increased risk of electrical shock. However, the welding machine should not be placed in such places. | |
IP21 | – Protected against rain and against fingers access to dangerous parts | |
U1N | Rated power supply voltage – | |
Sp | Permanent power (at a 100% duty cycle) | |
S50 | Power at 50% duty factor | |
U20 | Alternative no load voltage | |
I2cc | Maximal current of a secondary short circuit | |
![]() | – Device complies with europeans directives, The EU declaration of conformity is available on our website (see cover page). | |
![]() | – Conformity mark EAC (Eurasian Economic Commission). | |
![]() | – Equipment in compliance with British requirements. The British Declaration of Conformity is available on our website (see home page). | |
![]() | – CMIM : Moroccan Certification | – CMIM : Marokkaanse certificering |
![]() | – The electric arc produces dangerous rays for eyes and skin (protect yourself !). | |
![]() | – Separate collection required, Do not throw in a domestic dustbin. | |
![]() | – Caution ! Strong magnetic field. People wearing active or passive implants must be informed. |
![]() | Danger of electric shock |
![]() | Caution, welding can produce fire or explosion. |
![]() | This product should be recycled appropriately. |
| Temperature information (thermal protection) |
GYS SAS
1, rue de la Croix des Landes CS 54159
53941 SAINT-BERTHEVIN Cedex France






The operators must have received suitable training in order to use the machine at its maximum potential and weld correctly.



























