
WP22DN
REMOTE CONTROLS AND INTERFACES
DANTETM/AES67 digital audio wall panel interface


USER MANUAL
v.20220406
IMPORTANT REMARK

The lightning flash with arrowhead symbol, within an equilateral triangle, is intended to alert the user to the presence of uninsulated “dangerous voltage” within the product’s enclosure that may be of sufficient magnitude to constitute a risk of electric shock to persons.
The exclamation point within an equilateral triangle is intended to alert the user to the presence of important operating and maintenance (servicing) instructions in the literature accompanying the appliance.
WARNING (If applicable): The terminals marked with symbol of ” ” may be of sufficient magnitude to constitute a risk of electric shock. The external wiring connected to the terminals requires installation by an instructed person or the use of ready-made leads or cords.
WARNING: To prevent fire or shock hazard, do not expose this equipment to rain or moisture.
WARNING: An apparatus with Class I construction shall be connected to a mains socket-outlet with a protective earthing connection.
IMPORTANT SAFETY INSTRUCTIONS
- Read these instructions.
- Keep these instructions.
- Heed all warnings.
- Follow all instructions.
- Do not use this apparatus near water.
- Clean only with dry cloth.
- Do not block any ventilation openings. Install in accordance with the manufacturer’s instructions.
- Do not install near any heat sources such as radiators, heat registers, stoves, or other apparatus (including amplifiers) that produce heat.
- Do not defeat the safety purpose of the polarized or grounding type plug. A polarized plug has two blades with one wider than the other. A grounding type plug has two blades and a third grounding prong. The wide blade or the third prong are provided for your safety. If the provided plug does not fit into your outlet, consult an electrician for replacement of the obsolete outlet.
- Protect the power cord from being walked on or pinched particularly at the plugs, convenience receptacles, and at the point where they exit from the apparatus.
- Only use attachments/accessories specified by the manufacturer.
- Unplug the apparatus during lightening sorts or when unused for long periods of time.
- Refer all servicing to qualified personnel. Servicing is required when the apparatus has been damaged in any way, such as power supply cord or plug is damaged, liquid has been spilled or objects have fallen into the apparatus, the apparatus has been exposed to rain or moisture, does not operate normally, or has been dropped.
- Disconnecting from mains: Switching off the POWER switch all the functions and light indicators of the amplifier will be stopped, but fully disconnecting the device from mains is done unplugging the power cord from the mains input socket. For this reason, it always shall remain readily operable.
- Equipment is connected to a socket-outlet with earthing connection by means of a power cord.
- The marking information is located at the bottom of apparatus.
- The apparatus shall not be exposed to dripping or splashing and that no objects filled with liquids, such as vases, shall be placed on apparatus.
NOTE: This equipment has been tested and found to comply with the limits for a Class A digital device, pursuant to part 15 of the FCC Rules. These limits are designed to provide reasonable protection against harmful interference when the equipment is operated in a commercial environment. This equipment generates, uses, and can radiate radio frequency energy and, if not installed and used in accordance with the instruction manual, may cause harmful interference to radio communications. Operation of this equipment in a residential area is likely to cause harmful interference in which case the user will be required to correct the interference at his own expense.
WARNING: This product must not be discarded, under any circumstance, as unsorted urban waste. Take to the nearest electrical and electronic waste treatment centre.
NEEC AUDIO BARCELONA, S.L. accepts no liability for any damage that may be caused to people, animal or objects due to failure to comply with the warnings above.
IMPORTANT NOTE
Thank you for choosing our DANTETM/AES67 digital audio wall panel audio interface WP22DN.
It is VERY IMPORTANT to carefully read this manual and to fully understand its contents before any connection in order to maximize your use and get the best performance from this equipment.
To ensure optimal operation of this device, we strongly recommend that its maintenance be carried out by our authorized Technical Services.
The WP22DN comes with a 3-year warranty.
INTRODUCTION
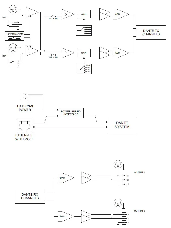
WP22DN is a wall panel interface with DANTETM/AES67 digital audio transport protocols compatibility.
It features 2 audio MIC/LINE Combo connector inputs in its frontal panel and 2 DANTETM/AES67 conversion channels either directly or by the sum of the analogue inputs channels (stereo to mono conversion). Also, it features 2 analogue outputs with duplicated connectors in XLR format for the front panel and Euroblock on the rear panel, both linked to 2 DANTETM/AES67 channels coming from the local network. It supports PoE supply or local power supply.
Main features
- DANTETM/AES67 compatible audio interface wall panel
- 2 balanced analog inputs, MIC/LINE level (4 gain taps selector), with Combo connector
- Conversion of 2 analog channels to 2 DANTETM/AES67 channels, directly taking the 2 input channels or combining them (IN1 + IN2 mix)
- 2 balanced analogue outputs, with XLR connector on the front panel and Euroblock connector on the rear panel. The outputs come from the conversion of the 2 DANTETM/AES67 channels received in the unit
- Ethernet communication interface, RJ45 connector
- PoE power or by local power supply
- Phantom Power available for the analogue inputs, 48VDC, 5 mA max.
- Double gang size, compatible with Ecler double gang surface mount installation box (WPa2SMBOX, supplied by default with each unit) and with Ecler double gang flush mount installation box (WPa2FMBOX, optional)
- Double set of front panel plates: one with access to the inputs’ gain selector, and the other one without access to the gain selector
INSTALLATION
The installation of the WP22DN unit comprises the following steps.
Mounting the unit
- Remove the front panel covers, held in place by magnets. You can use the magnet provided as a tool, by making contact in the upper right corner of the cover and gently pulling on it.
- Connect the RJ-45 connector on the CAT5 or higher cable that will connect the unit to the local area network. If necessary (see below section Installing an External Power Supply) – connect an external power.
- If required, connect the analogue audio outputs at the back side of the unit (equipped with Euroblock terminals) to the desired audio device. These 2 outputs are an exact copy of the 2 outputs available with XLR connectors at the front panel.
- Screw the device to the surface mount box or flush mount box.
- Mount the desired set of front panel covers (with or without access to the inputs’ gain trimmers), held in place by magnets.

WP22DN top view
WP22DN front panel controls
WP22DN front panel view
Behind the right front panel plate (INPUT2 / OUTPUT 2) there’s a 3 x DIP Switch selector set. It is used to define the contents of DANTETM/AES67 output channels 1 and 2 (coming from straight analogue inputs or a combination of them both) and the activation of the Phantom Power for the analogue input channels.
WP22DN front panel view with front plates removed
| DIP Switch 1 (left one) | DIP Switch 2 (centre one) | DIP Switch 3 (right one) |
| OFF (up position): Dante Channel 1 = analogue IN1 | OFF (up position): Phantom Power for analogue IN1 and IN2 = OFF | OFF (up position): Dante Channel 2 = analogue IN2 |
| ON (down position): Dante Channel 1 = analogue IN1 + IN2 | ON (down position): Phantom Power for analogue IN1 and IN2 = ON | ON (down position): Dante Channel 2 = analogue IN2 + IN1 |
DIP Switches configuration table
Additionally, each analogue input has its own gain control, with 4 taps: 0 / 10 / 20 / 35dB, as marked in the front panel plates which have that access enabled for the adjustment using a screwdriver.
Note: a DANTETM/AES67 receiver unit is required to check, by means of vumeters, the proper adjustment of these input gains and resulting levels, once the signals have been converted to DANTETM/AES67 by the WP22DN unit and received by this DANTETM/AES67 receiver unit. In the next example a MIMO4040DN unit is receiving two DANTETM/AES67 channel coming from a WP22DN unit:

It’s then possible to monitor their levels in the MIMO4040DN reception unit:


Installing an External Power Supply
In case of not having a PoE type power received in the WP22DN panel directly from the connection port of the network switch to which it is connected, it is possible to power the panel through an optional external power supply, model WP-PSU or WP24-PSU, with stripped wires connected to the Euroblock + and – terminals shown in 5.1. Mounting the unit.
WP-PSU power supply
POWER UP AND MANAGEMENT FROM DANTE CONTROLLER SOFTWARE
WP22DN Power Up
When the unit is connected to the DANTETM/AES67 network and supplied with PoE or external DC supply, the front panel LED indicators will show the following information:
POWER LED: will light up in green meanwhile the unit is powered
DANTE LED: will light with the following coded information:
- RED (fixed): during the boot up process
- AMBER (fixed): during the PTP (Precision Time Protocol) network time synchronization
- GREEN (fixed): when the unit has been set up as a D DANTETM/AES67 Slave
- GREEN (blinking): when the unit has been set up as a DANTETM/AES67 Master
WP22DN network configuration and DANTETM/AES67 routing
In order to configure WP22DN network parameters and DANTETM/AES67 channels transmission and reception, Audinate’s application Dante Controller must be used. For extended information, please refer to the developer’s documentation:
www.audinate.com/products/software/dante-controller?lang=es
WP22DN comes from factory with DHCP service activated, meaning this that the unit will automatically take a dynamic IP address served by a DHCP server in the local area network where it is connected to, in case it exists. However, specific static network parameters can be configured using Dante Controller, accessing to the window shown in this example:
The unit’s default name (label shown in Dante Controller), from factory, is always WP22DNnnnnnn, where “nnnnnn” matches the 6 last digits from the MAC address of each device. Anyway, this name can be renamed accessing to this window:

The routing for DANTETM/AES67 channel transmitters and receivers can be defined in the routing window, where all the devices with Dante capabilities detected in the network will as well appear:
NOTES:
Check that all WP22DN, MIMO4040DN, WPNET, etc. units in a project are working with the latest firmware versions available.
At www.ecler.com an EclerNet software firmware package is always available, including the latest official versions of EclerNet Manager firmware and software.
FRONT PANEL

- INPUT 1 and 2 Combo connectors (analogue inputs)
- INPUT 1 and 2 GAIN selectors (analogue inputs)
- OUTPUT 1 and 2 XLRM connectors (analogue outputs)
- POWER LED
- DANTE LED
REAR PANEL

- OUTPUT 1 and 2 Euroblock connectors (analogue outputs)
- External PSU connector (12 to 24 VDC compatible)
- RJ45 network DANTETM/AES67 interface
BLOCK DIAGRAM

ASSEMBLY DIAGRAM

TECHNICAL FEATURES
WP22DN
| Analogue inputs | |
| Input channels Connectors Max Input Level Gain settings Input Impedance CMRR 20Hz- 20kHz THD+Noise @ 1kHz, 0dBV Gain Phantom power | 2 x analog, balanced 2 x XLRF + jack Combo +10dBV / +12dBu @ 0dB Gain 0 / 10 / 20 / 35dB Balanced > 4kΩ 65dB typ. <0.004% +48VDC, 5mA max. ON / OFF by DIP SWITCH |
| Analogue outputs | |
| Output channels Connectors Max Output Level Frequency response (-3dB) Flatness THD+Noise @ 1kHz Output Noise floor FFT (20Hz – 20kHz) | 2 analog, balanced, line level 2 XLR M External, 2 Euroblock Internal +10dBV / +12dBu @ 0dB Gain 5Hz to 24kHz better than ±0.1dB <0.004% better than 110dB |
| AD/DA converters | |
| Resolution Dynamic Range Latency (fs = 48 kHz) | 24bit AKM 48kHz ADC 110dB ADC 0,81ms |
| Dante™ / AES67 audio interface | |
| Dante™ / AES67 Network Tx / Rx channels Latency Connector Cable length between devices | 2 / 2 1 / 2 / 5 ms (selectable) 1 x RJ45 100m CAT5e/CAT6 |
| DC supply | |
| Poe Power supply External Power supply Power consumption | PoE: class 0 802.3af Poe PD compliant 12 – 24VDC from PoE 60mA / 2.8W, from Ext power 2.7W |
| Accessories included | |
| Mounting systems | Surface mount installation box WPa2SMBOX |
| Mechanical | |
| Finished colour Dimensions Weight | White (RAL 9016) 170x85x40mm / 6.7“ x 3.3“ x 1.6“ 0,4 kg. / 0.9 lb. |
PACKAGE CONTENTS
- One WP22DN unit
- Double frame for mounting on Ecler double electrical boxes
- Double set of front panel plates: with and without access to analogue inputs’ gain
- Screws for fixing to surface or flush double electrical boxes
- Magnet for front plates removal
- Ecler Double gang surface mount box
- Euroblock aerial connectors
- Quick User Guide
- Warranty Card
All product characteristics are subject to variation due to production tolerances. NEEC AUDIO BARCELONA S.L. reserves the right to make changes or improvements in the design or manufacturing that may affect these product specifications.
For technical queries contact your supplier, distributor or complete the contact form on our website, in Support / Technical requests.

Motors, 166-168 08038 Barcelona – Spain – (+34) 932238403
[email protected]
www.ecler.com
References
Dante Controller, Pro AV Networking Software from Audinate | AV's Leading Technology
Pro Audio and Video Solutions | Ecler AV Experiences | Shaping sound for Life Spaces
Pro Audio and Video Solutions | Ecler AV Experiences | Shaping sound for Life Spaces
Ecler Support & Community: expert assistance, FAQs, news and more
NOTES:

















