
ecler ALMA24 Digital Loudspeaker Manager User Manual

ALMA24
1. IMPORTANT REMARK

WARNING: SHOCK HAZARD – DO NOT OPEN
The lightning flash with arrowhead symbol, within an equilateral triangle, is intended to alert the user to the presence of uninsulated “dangerous voltage” within the product’s enclosure that may be of sufficient magnitude to constitute a risk of electric shock to persons.
The exclamation point within an equilateral triangle is intended to alert the user to the presence of important operating and maintenance (servicing) instructions in the literature accompanying the appliance.
WARNING (If applicable): The terminals marked with symbol of “
” may be of sufficient magnitude to constitute a risk of electric shock. The external wiring connected to the terminals requires installation by an instructed person or the use of ready-made leads or cords.
WARNING: To prevent fire or shock hazard, do not expose this equipment to rain or moisture.
WARNING: An apparatus with Class I construction shall be connected to a mains socket-outlet with a protective earthing connection.
2. IMPORTANT SAFETY INSTRUCTIONS
- Read these instructions.
- Keep these instructions.
- Heed all warnings.
- Follow all instructions.
- Do not use this apparatus near water.
- Clean only with dry cloth.
- Do not block any ventilation openings. Install in accordance with the manufacturer’s instructions.
- Do not install near any heat sources such as radiators, heat registers, stoves, or other apparatus (including amplifiers) that produce heat.
- Do not defeat the safety purpose of the polarized or grounding type plug. A polarized plug has two blades with one wider than the other. A grounding type plug has two blades and a third grounding prong. The wide blade or the third prong are provided for your safety. If the provided plug does not fit into your outlet, consult an electrician for replacement of the obsolete outlet.
- Protect the power cord from being walked on or pinched particularly at the plugs, convenience receptacles, and at the point where they exit from the apparatus.
- Only use attachments/accessories specified by the manufacturer.
- Unplug the apparatus during lightening sorts or when unused for long periods of time.
- Refer all servicing to qualified personnel. Servicing is required when the apparatus has been damaged in any way, such as power supply cord or plug is damaged, liquid has been spilled or objects have fallen into the apparatus, the apparatus has been exposed to rain or moisture, does not operate normally, or has been dropped.
- Disconnecting from mains: When switching off the POWER switch, all the functions and light indicators of the unit will be stopped, but fully disconnecting the device from mains is done by unplugging the power cable from the mains input socket. For this reason, it always shall remain easily accessible.
- Equipment is connected to a socket-outlet with earthing connection by means of a power cord.
- The marking information is located at the bottom of the unit.
- The apparatus shall not be exposed to dripping or splashing and that no objects filled with liquids, such as vases, shall be placed on apparatus.
NOTE: This equipment has been tested and found to comply with the limits for a Class A digital device, pursuant to part 15 of the FCC Rules. These limits are designed to provide reasonable protection against harmful interference when the equipment is operated in a commercial environment. This equipment generates, uses, and can radiate radio frequency energy and, if not installed and used in accordance with the instruction manual, may cause harmful interference to radio communications. Operation of this equipment in a residential area is likely to cause harmful interference in which case the user will be required to correct the interference at his own expense.
WARNING: This product must not be discarded, under any circumstance, as unsorted urban waste. Take to the nearest electrical and electronic waste treatment centre.
NEEC AUDIO BARCELONA, S.L. accepts no liability for any damage that may be caused to people, animal or objects due to failure to comply with the warnings above.
3. IMPORTANT NOTE
Thank you for choosing our Ecler ALMA24 Digital Loudspeaker Manager!
It is VERY IMPORTANT to carefully read this manual and to fully understand its contents before any connection in order to maximize your use and get the best performance from this equipment.
To ensure optimal operation of this device, we strongly recommend that its maintenance be carried out by our authorised Technical Services.
Ecler ALMA24 comes with a 3-year warranty.
4. COMPLIANCE WITH INTERNATIONAL STANDARDS
The ALMA24 processor complies with the following international standards:
- EN55103-1 Electromagnetic Compatibility.
Product family standard for audio, video, audio-visual and entertainment lighting control apparatus for professional use
Part 1: Emission - EN55103-2 Electromagnetic Compatibility.
Product family standard for audio, video, audio-visual and entertainment lighting control apparatus for professional use
Part 2: Immunity - EN60065 Audio, video and similar electronic apparatus. Safety requirements
Complying with the requirements of directives 73/23/EC and 2004/108/EC
5. INTRODUCTION
The ALMA24 is a digital signal processor featuring 2 audio inputs and 4 audio outputs, USB connectivity and two ports of volume remote control (0-10VDC).
5.1 Main features
- 2 audio inputs and 4 audio outputs, with XLR connectors
- DSP with 24-bit quantization and 48kHz sampling frequency
- LED Indicators for Signal Presence /CLIP, on each input and output
- 2 REMOTE ports to control the volume of the inputs or outputs (0-10VDC) from external devices, such as WPm series panels
- USB interface and compatibility with EclerCOMM software (free download from http://www.ecler.com/en/products/software.html)
- Processing:
Controls of gain, phase, MUTE, etc., per input and output
8 pEQ (parametric filters) per input and 8 pEQ per output
Butterworth, Linkwitz-Riley or Bessel crossovers on the inputs and outputs (up to 48 dB/oct)
Delays on the inputs and outputs
Compressor/peak limiter on the inputs (with make-up gain)
Compressor/peak limiter on the outputs (with make-up gain)
Compressor/RMS limiter on the outputs (with make-up gain)
2 LINK groups available to link output channels
1 LINK group available to link input channels - System templates for the creation of user setups:
T1: 2 x 1 stereo way
T2: 2 stereo ways
T3: 4 mono ways
T4: 4 mono outputs - Each system template automatically sets the operating and control mode of the channels and their settings, including the LINK group they pertain to. Example: in a stereo setup, the settings applied to a left channel output will be automatically applied to the output which is assigned to the right channel, and vice versa (same LINK group)
- User presets: 20
- Editing names (labels) of inputs, outputs, presets and device
- Locking with password protection
6. INSTALLATION
The ALMA24 can be mounted in a standard 19” rack (482.6 mm) taking up one height unit (44 mm).
For professional use it is recommended to place the processor in the same rack as the power amplifiers.
Given the small power consumption of the unit, no ventilation is required. Nevertheless, it is advisable not to expose the unit to extreme temperatures as well as ensure a dry and dust-free operating environment.
It is important not to place the processor next to electrical noise sources such as transformers, voltage dimmers, motors, etc. or their mains supply cables. The metal cover of the device should never be removed under any circumstance for that same reason.
The ALMA24 operates with alternate current (AC) between 100 and 240V at 47 to 63Hz. This device features an oversized power supply which adapts itself to any mains voltage around the world, without the need of manual adjustment.
Even though the noise produced by powering up is minimum, it is always advisable to follow this power up sequence: signal sources, mixing unit, processor and, finally, power amplifiers. The power down sequence must follow exactly a reverse order. By closely following these sequences, all peaks or transients produced by switching on and off devices do not affect the next devices in the chain and, of course, never reach the loudspeakers, which are extremely sensitive about this.
6.1 Ground Loops
Care should be taken, so that the different mechanical and electrical grounds, as well as the chassis and ground connections arriving to the device, to be independent from each other.
Ground loops can be easily detected through a low frequency hum noise (50Hz). Depending on the level of this noise, it can interfere on the music quality.
6.2 Audio connections
Usually, many people do not care enough about the quality of cables. Many times, because of a bad connection or bad quality cables, there can be important problems during the music reproduction.
7. FRONT PANEL

- Input and output LED indicators
The LED indicator for each input (2, 3) or each output (4, 5, 6, 7) allows to visualize
the presence of audio signal (lit in green), its proximity to the saturation or CLIP level
(orange) or the saturation status (red). - USB Connector
A type-B USB connector (1) is used to connect the ALMA24 to a PC and perform
the unit management and control from Ecler COMM Manager software. - POWER ON indicator
Lights up when the device is turned on (8).
8. BACK PANEL

The back panel features the following connections:
- Mains, fuse and power switch (17, 18, 19)
Due to the switched mode power supply, the operating voltage range is 100V – 240V
AC, with a frequency between 47Hz and 63Hz. Before powering up the unit, make
sure that the ALMA24 is correctly connected to ground in a installation that complies
with local regulations. - Input (9, 10) and output (11, 12, 13, 14) connectors
The ALMA24 has two balanced audio inputs (INPUT 1 and INPUT 2) on 3-pin female
XLR connectors (pin 1 to ground, pin 2 to signal + (positive) and pin 3 to signal –
(negative)). The ALMA24’s signal output is performed through four balanced outputs
(OUTPUT 1-4), on 3-pin male XLR connectors. As for inputs, the connectors are
configured with the pin 1 to ground, pin 2 to signal + (positive) and pin 3 to signal –
(negative). - REMOTE connectors (15, 16)
The A and B REMOTE connectors allow you to simultaneously control the volume of one or multiple inputs, or one or multiple outputs through a WPm series wall panel or similar (0-10VDC). The inputs or outputs controlled from each REMOTE port are selected with the EclerCOMM Manager application software.
9. CONFIGURATION / EclerCOMM Manager SOFTWARE
The ALMA24/ALMAcard device can be configured only through the Windows© EclerCOMM Manager application, since the ALMA24/ALMAcard has no local controls.
The EclerCOMM Manager application is available for free download from the Ecler web site.
9.1 Installation and connection with ALMA24/ALMAcard
Once you have downloaded the software, it is recommended that you first connect the USB cable supplied with the equipment between a computer’s USB port and the ALMA device USB port. After this, the installation is performed by running the downloaded installer file and following the steps displayed on screen.
Once installed, run the EclerCOMM Manager application to open its graphical interface, where you need to select, in the first place, the type of device you want to connect, in this case ALMA24/ALMAcard. This is done by accessing the Device -> Select menu:

Then by clicking on the Connect with device button, the communication can be established with the hardware device, after choosing the synchronization option (SEND to send the current configuration to the hardware device or GET to load the hardware device’s current settings in the application):

The F2 key allows you to rename your hardware device:

9.2 Menus
• File: options to transfer configuration files from the device to your computer or storage device, retrieve saved files, etc.:

Note: A configuration file contains the configuration that was active in the device at the time of saving, but not the content of its 20 presets. When you retrieve a configuration file saved to disk, connect the equipment and transfer this configuration to the hardware (SEND option), that configuration is not stored in any preset, unless it is saved (see Device menu)
In addition to the 20 user-writable presets, there are 4 predefined templates (not rewritable) to start a user configuration from, which are quite common in this type of device:
o T01: 2 x 1 stereo way
o T02: 2 stereo ways
o T03: 4 mono ways
o T04: 4 mono outputs
• Device : options to select a type of device to connect to (Select), recall and activate one of the 20 presets in the device memory (Recall Preset), save the current configuration in the device memory (store Preset) and update the device firmware using a compatible file (the latest versions of compatible firmware for each of our digital devices are available on the Ecler web site):

The options for preset recall and storage are also available directly at the top of the control panel:

• Help : gives access to the user manual, to the Ecler website, and displays the version information of the application:

9.3 Signal generator and remote ports
The built-in signal generator can feed an input to send its signal to the DSP processing chain in order to perform a spectral analysis and/or adjustment of parameters depending on the acoustic characteristics of the room and equipment.

Its parameters are:
- SIGNAL: type of signal generated, Sinewave (sine wave with a variable frequency), Polarity (specific waveform to determine the correct polarity of the speakers, with variable frequency), White Noise and Pink Noise.
- FREQUENCY: frequency of the Sinewave or Polarity signal
The A and B REMOTE connectors allow you to simultaneously control the volume of one or multiple inputs, or one or multiple outputs through a WPm series wall panel or similar (0-10VDC).

Each preset saves the function assigned to the REMOTE ports at the time of saving (so different presets can contain different functions for the same REMOTE port).
9.4 Input processing
The processing available for each audio input channel is the following:

- Volume, Mute, polarity inversion and delay (up to 1 second, displayed in units of time or distance) controls. Also included are 2 level meters (“pre-processing” and “post-processing”) for the input channel.
- CROSSOVER, or low-pass and high-pass filters to define a frequency range to work on, amongst the entire audible spectrum. Available filter types are:
• BYPASS (filter not activated)
• BESSEL 12, 18, 24 or 48 dB/oct
• BUTTERWORTH 6, 12, 18, 24 or 48 dB/oct
• LINKWITZ-RILEY 12, 24 or 48 dB/octave - PARAMETRIC EQ, or parametric equalization filters to enhance or attenuate different frequency ranges of the signal. 8 filters of this type are available for each input, and each one of them can have the following setting:
• BYPASS (filter not activated)
• Parametric EQ (controls for frequency, Q or filter width and gain or attenuation of the affected band)
• HIGH SHELF, 6 or 12 dB/octave
• LOW SHELF, 6 or 12 dB/octave
• HIGH PASS, 6 or 12 dB/octave
• LOW PASS, 6 or 12 dB/octave
• ALL PASS, 1st or 2nd order - COMPRESSOR/LIMITER, or dynamics processor of the input channel with signal-peak detection. It has the following controls:
• THRESHOLD: activation threshold of the processor (dB) • RATIO: gain reduction of the processed (compressed) signal compared to the incoming signal
• ATTACK: time it takes the compressor to start compressing after the threshold has been reached
• RELEASE: time the compressor uses to stop compressing after the input signal has fallen below the threshold
• MAKE-UP: gain applied to the signal after compression, to globally increase its level once dynamically modified
• KNEE: type of curve (transition zone around the threshold) that determines whether the bend in the response curve around threshold is abrupt (HARD) or gradual (SOFT)
• GR (GAIN REDUCTION): compression real time indicator (dB), very useful to adjust different parameters of the compressor, including MAKE-UP GAIN - COPY/PASTE: icons to copy the settings from one channel and “paste” them in another, cloning the settings (all settings, except the label or channel name)
The two inputs can be part of the same group. In this mode, the settings of an input (for example the left channel) will be automatically applied to the other input (right channel), and vice versa.

The F2 key allows you to rename an input or output channel:

9.5 Output processing
The processing available for each audio output channel is the following:

- Volume, Mute, polarity inversion and delay (up to 1 second, displayed in units of time or distance) controls. Also included are 2 level meters (“pre-processing” and “post-processing”) for the output channel. With SELECT, choose the signal source for each output channel, between NONE, IN1, IN2, IN1+IN2 (mono mix from a stereo source) or GEN (internal signal generator). AMP GAIN allows you to set the gain of the amplifier that will work with the ALMA24/ALMAcard device. This parameter is critical for the compressor/limiter to process correctly the signal, in order not to exceed a certain level and/or to protect the installation speaker systems.
- CROSSOVER, or low-pass and high-pass filters to define a frequency range to work on amongst the entire audible spectrum. Available filter types are:
• BYPASS (filter not activated)
• BESSEL 12, 18, 24 or 48 dB/oct
• BUTTERWORTH 6, 12, 18, 24 or 48 dB/oct
• LINKWITZ-RILEY 12, 24 or 48 dB/octave - PARAMETRIC EQ, or parametric equalization filters to enhance or attenuate different frequency ranges of the signal. 8 filters of this type are available for each output, and each one of them can have the following setting:
• BYPASS (filter not activated)
• Parametric EQ (controls for frequency, Q or filter width and gain or attenuation of the affected band)
• HIGH SHELF, 6 or 12 dB/octave
• LOW SHELF, 6 or 12 dB/octave
• HIGH PASS, 6 or 12 dB/octave
• LOW PASS, 6 or 12 dB/octave
• ALL PASS, 1st or 2nd order - COMPRESSOR/LIMITER, or dynamics processor of the output channel with signal-peak detection. It has the following controls:
• THRESHOLD: activation threshold of the processor (volts)
• RATIO: gain reduction of the processed (compressed) signal compared to the incoming signal
• ATTACK: time it takes the compressor to start compressing after the threshold has been reached
• RELEASE: time the compressor uses to stop compressing after the input signal has fallen below the threshold
• MAKE-UP: gain applied to the signal after compression, to globally increase its level once dynamically modified
• KNEE: type of curve (transition zone around the threshold) that determines whether the bend in the response curve around threshold is abrupt (HARD) or gradual (SOFT)
• GR (GAIN REDUCTION): compression real time indicator (dB), very useful to adjust different parameters of the compressor, including MAKE-UP GAIN - COMPRESSOR/LIMITER, or dynamics processor of the output channel with signal RMS-level (Root Mean Square) detection. It has the same controls and indicators as the peak compressor.
- COPY/PASTE: icons to copy the settings from one channel and “paste” them in another, cloning the settings (all settings, except the label or channel name).
- LOUDSPEAKER PRESET: allows you to save a “partial” preset or configuration of an output channel, on your computer or on a storage device, which will be sometimes directly associated with the characteristics of a specific speaker system model (crossover frequencies, delay for time alignment, EQ, compression and limiting, etc.).

This preset can be loaded subsequently in ALMA24/ALMAcard devices requiring an exact copy of the settings it contains.
Each output can be part of a LINK group. In this mode, the settings applied to one of the group outputs (for example the left channel) will be automatically applied to the other outputs from the same group (right channel).

The F2 key allows you to rename an input or output channel:

9.6 Graphical window
The icon in the top right corner of the application allows you to view the graphical window:

This window can display a graphical representation of volume, crossovers processing and parametric equalization of each of the inputs and outputs, and even allows to adjust filter parameters in real-time on the screen. You just have to click and drag one of the circular icons available for each filter.
9.7 Report Log
The icon in the lower right corner of the application allows you to view the list of events recorded by the application since the start of the session:

9.8 Password protection
The device can be password protected so that each time you try to access the EclerCOMM Manager application, this password is requested, protecting settings against tampering.

By default, the equipment is not protected (blank password).
10. CLEANING
The control panel must not be cleaned with any dissolvent, abrasive or petroleum derived substance else paint and silk-printing could be damaged. Whenever cleaning should be necessary use a soft cloth slightly wet with water and neutral liquid soap. Be careful that no liquid gets into the unit through its orifices. Never use sharp or erosive objects to scratch the control panel.
11. FUNCTION LIST AND DIAGRAMS

- USB port
- SP/CLIP indicator light, INPUT 1
- SP/CLIP indicator light, INPUT 2
- SP/CLIP indicator light, OUTPUT 2
- SP/CLIP indicator light, OUTPUT 1
- SP/CLIP indicator light, OUTPUT 4
- SP/CLIP indicator light, OUTPUT 3
- 8. POWER ON indicator light
- XLR input connector, INPUT 1
- XLR input connector, INPUT 2
- XLR output connector, OUTPUT 1
- XLR output connector, OUTPUT 2
- XLR output connector, OUTPUT 3
- XLR output connector, OUTPUT 4
- Screwable terminal for remote control, REMOTE A
- Screwable terminal for remote control, REMOTE B
- Mains socket
- Fuse holder
- Power switch
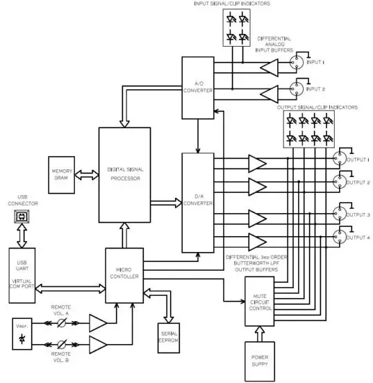
12. BLOCK DIAGRAM

13. TECHNICAL SPECIFICATIONS



All product characteristics are subject to variation due to production tolerances. NEEC AUDIO BARCELONA S.L. reserves the right to make changes or improvements in the design or manufacturing that may affect these product specifications
For technical queries contact your supplier, distributor or complete the contact form on our website, in Support / Technical requests.
Motors, 166‐168 08038 Barcelona ‐ Spain ‐ (+34) 932238403 | [email protected] | www.ecler.com
Read More About This Manual & Download PDF:


















