ebm papst S4E315-AC08-07 Axial Fan

SAFETY REGULATIONS AND NOTES
Please read these operating instructions carefully before starting to work with the device. Observe the following warnings to prevent malfunctions or physical damage to both property and people.
These operating instructions are to be regarded as part of this device.
If the device is sold or transferred, the operating instructions must accompany it.
These operating instructions may be duplicated and forwarded for information about potential dangers and their prevention.
Levels of hazard warnings
These operating instructions use the following hazard levels to indicate potentially hazardous situations and important safety regulations:
DANGER
Indicates an imminently hazardous situation which, if not avoided, will result in death or serious injury. Compliance with the measures is mandatory.
WARNING
Indicates a potentially hazardous situation which, if not avoided, could result in death or serious injury. Exercise extreme caution while working.
CAUTION
Indicates a potentially hazardous situation which, if not avoided, may result in minor or moderate injury or damage of property.
NOTE
A potentially harmful situation can occur and, if not avoided, can lead to property damage.
Staff qualification
The device may only be transported, unpacked, installed, operated, maintained and otherwise used by qualified, trained and authorised technical staff.
Only authorised specialists are permitted to install the device, to carry out a test run and to perform work on the electrical installation.
Basic safety rules
Any safety hazards stemming from the device must be re-evaluated once it is installed in the end device.
Observe the following when working on the unit:
Do not make any modifications, additions or conversions to the device without the approval of ebm-papst.
Electrical voltage
- Check the electrical equipment of the device at regular intervals, refer to chapter 5.2 Safety test.
- Replace loose connections and defective cables immediately
DANGER
Electrical load on the device
Risk of electric shock
→ Stand on a rubber mat if you are working on an electrically charged device.
WARNING
Terminals and connections have voltage even with a
unit that is shut off
Electric shock
→ Wait five minutes after disconnecting the voltage at all poles before opening the device.
CAUTION
In the event of failure, there is electric voltage at the
rotor and impeller
The rotor and impeller are base insulated.
→ Do not touch the rotor and impeller once they are installed.
CAUTION
The motor restarts automatically when operating voltage
is applied, e.g. after a power failure.
Danger of injury
→ Keep out of the danger zone of the device.
→ When working on the device, switch off the mains supply voltage and secure the latter from being switched on again.
→ Wait until the device stops
Safety and protective functions
DANGER
Missing safety device and non-functioning safety device If there is no safety device, you could be seriously injured, for example if you reach into the running device or your hands are sucked into it.
→ Operate the device only with a fixed and isolating safety protection and a fixed guard grille. The guard must withstand the kinetic energy of a fan blade detaching at maximum speed.
→ The device is a built-in component. You, the owner/ operator, are responsible for providing adequate protection for the device.
→ Shut down the device immediately if you detect a missing or ineffective protective feature.
Mechanical movement
DANGER
Rotating device
Body parts that come into contact with the rotor and impeller can be injured.
→ Secure the device against accidental contact.
→ Before working on the system/machine, wait until all parts have come to a standstill.
WARNING
Rotating device
Long hair, loose items of clothing and jewellery could become entangled and pulled into the device. You could be injured.
→ Do not wear any loose clothing or jewellery while working on rotating parts.
→ Protect long hair by wearing a cap.
Emission
WARNING
Depending on the installation and operating conditions, a sound pressure level greater than 70 dB(A) may arise.
Danger of noise-induced hearing loss
→ Take appropriate technical safety measures.
→ Protect operating personnel with appropriate safety equipment, e.g. hearing protection.
→ Also observe the requirements of local agencies.
Hot surface
CAUTION
High temperature at the motor housing
Danger of burn injuries
→ Ensure that sufficient protection against accidental contact is provided.
Transport
NOTE
Transport of device
→ Transport the device in its original packaging only.
→ Secure the device so that it does not slip, e.g. by using a clamping strap.
Storage
- Store the device, partially or fully assembled, in a dry and weatherproof manner in the original packing in a clean environment.
- Protect the device from environmental impacts and dirt until the final installation.
- We recommend storing the device for a maximum up to one year to guarantee proper operation and longest possible service life.
- Even devices explicitly suited for outdoor use are to be stored as described prior to being commissioned.
- Maintain the storage temperature, see chapter 3.5 Transport and storage conditions.
- Please make sure that all screwed cable glands are fitted with dummy plugs.
Disposal
When disposing of the device, please comply with all relevant requirements and regulations applicable in your country.
PROPER USE
The device is exclusively designed as a built-in device for moving air according to its technical data.
Any other or secondary use is deemed improper and constitutes a misuse of the device.
Installations on the customer’s side must meet the mechanical, thermal and service life-related stresses that can occur.
Proper use also includes:
- Moving air with a density of 1.2 kg/m³.
- Using the device in accordance with the permitted ambient temperature, see chapter 3.5 Transport and storage conditions and chapter 3.2 Nominal data.
- Operating the device with all protective features in place.
- Minding the operating instructions.
Improper use
Using the device in the following ways is particularly prohibited and may cause hazards:
- Operating the device with an imbalance, e.g. caused by dirt deposits or icing.
- Opening the terminal box during operation.
- Moving air that contains abrasive particles.
- Moving highly corrosive air, e.g. salt spray mist. Exceptions are devices that are intended for salt spray mist and protected accordingly.
- Moving air that contains dust pollution, e.g. suctioning off saw dust.
- Operating the device close to flammable materials or components.
- Operating the device in an explosive atmosphere.
- Using the device as a safety component or for taking on safetyrelated functions.
- Operation with completely or partially disassembled or modified protective features.
- In addition, all application options that are not listed under proper use
TECHNICAL DATA
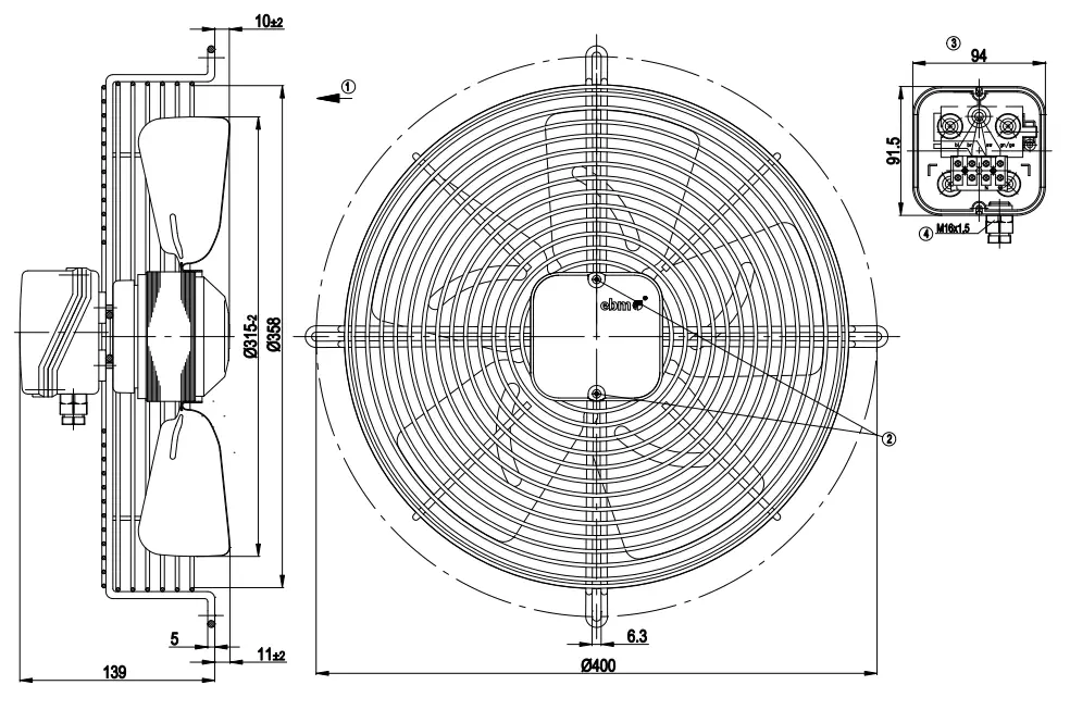
Product drawing
| 1 | Direction of air flow “V” |
| 2 | Tightening torque 0.7 Nm ± 0.2 Nm |
| 3 | Illustration without terminal box cover |
| 4 | Cable diameter: min. 4 mm, max. 8 mm; tightening torque: 1.3 Nm ± 0.2 Nm |

Nominal data
| Motor | M4E068-DF |
| Phase | 1~ | 1~ |
| Nominal voltage / VAC | 230 | 230 |
| Frequency / Hz | 50 | 60 |
| Type of data definition | fa | fa |
| Valid for approval / standard | CE | CE |
| Speed / min-1 | 1370 | 1530 |
| Power input / W | 95 | 135 |
| Current draw / A | 0.42 | 0.6 |
| Motor capacitor / µF | 3 | 3 |
| Capacitor voltage / VDB | 400 | 400 |
| Max. back pressure / Pa | 75 | 65 |
| Min. ambient temperature / °C | -40 | -40 |
| Max. ambient temperature / °C | 40 | 40 |
ml = Max. load · me = Max. efficiency · fa = Running at free air cs = Customer specs · cu = Customer unit Subject to alterations
Technical features
| Mass | 3.7 kg |
| Size | 315 mm |
| Surface of rotor | Coated in black |
| Material of blades | Sheet steel, coated in black |
| Number of blades | 5 |
| Direction of air flow | “V” |
| Direction of rotation | Counter-clockwise, seen on rotor |
| Type of protection | IP 44 |
| Insulation class | “B” |
| Humidity class | F2-2 |
| Mounting position | Shaft horizontal or rotor on bottom; rotor on top on request |
| Condensate discharge holes | Rotor-side |
| Operation mode | S1 |
| Motor bearing | Ball bearing with anti-freezing grease |
| Touch current acc. IEC 60990 (measuring network Fig. 4, TN system) | < 0.75 mA |
| Electrical leads | Via terminal box, integrated capacitor connected via terminal box |
| Motor protection | Thermal overload protector (TOP) wired internally |
| Cable exit | Axial |
| Protection class | I (if protective earth is connected by customer) |
| Product conforming to standard | EN 60335-1; CE |
| Approval | CCC; EAC |
For cyclic speed loads, note that the rotating parts of the device are designed for maximum one million load cycles. If you have specific questions, contact ebm-papst for support.
Mounting data
Secure the mounting screws against accidentally coming loose (e.g. by using self-locking screws).
| Strength class for mounting screws | 8.8 |
You can obtain additional mounting data from the product drawing if necessary.
Transport and storage conditions
Use the device in accordance with its protection type.
| Max. permissible ambient motor temp. (transp./ storage) | + 70 °C |
| Min. permissible ambient motor temp. (transp./storage) | – 40 °C |
CONNECTION AND START-UP
Connecting the mechanical system
CAUTION
Cutting and crushing hazard when removing the fan from the packaging
→ Carefully remove the device from its packaging, only touching the guard grille. Make sure to avoid any shock.
→ Wear safety shoes and cut-resistant safety gloves.
Check the device for transport damage. Damaged devices must no longer be installed.
Install the undamaged device according to your application
Connecting the electrical system
DANGER
Electric voltage on the device
Electric shock
→ Always install a protective earth first.
→ Check the protective earth.
DANGER
Incorrect insulation
Risk of fatal injury from electric shock
→ Use only cables that meet the specified installation requirements for voltage, current, insulation material, load etc.
→ Route cables such that they cannot be touched by any rotating parts.
CAUTION
Electrical voltage
The fan is a built-in component and features no electrically isolating switch.
→ Only connect the fan to circuits that can be switched off with an all-pole separating switch.
→ When working on the fan, you must switch off the installation/machine in which the fan is installed and secure it from being switched on again.
CAUTION
Electric shock
Electric voltage on the metal part
→ Use the device only with the cable guard and terminal box provided for this purpose.
NOTE
Water penetration into leads or wires Water enters at the cable end on the customers side and can damage the device.
→ Make sure that the cable end is connected in a dry environment.
Connect the device only to circuits that can be switched off using an all-pole disconnecting switch.
Prerequisites
- Check whether the data on the type plate agree with the connection data and the data of the operating capacitor.
- Before connecting the device, ensure that the supply voltage matches the operating voltage of the device.
- Only use cables designed for current according to the type plate.
For determining the cross-section, follow the basic principles in accordance with EN 61800-5-1. The protective earth must have a cross-section equal to or greater than the outer conductor cross-section.
We recommend the use of 105°C cables. Ensure that the minimum cable cross-section is at least AWG26/0.13 mm².
Earth wire contact resistance in accordance with EN 60335
Compliance with the impedance specifications in accordance with EN 60335 for the protective earth circuit must be verified in the end application.
Depending on the installation situation, it may be necessary to install an additional protective earthing conductor via the additional protective earth connection point available on the device.
Voltage control
With open loop speed control using transformers or electronic voltage regulators (e.g. phase angle control), excessive current may occur.
In addition, noises can occur with phase angle control depending on the mounting situation.
Frequency inverter
Please use a frequency converter only after consultation with ebm-papst.
Fit sinusoidal filters that work on all poles (live-live and liveearth) between the frequency inverter and the motor for operation with frequency inverters.
Depending on how the device is installed, noises may occur.
Heating of the motor due to use of a frequency converter must be checked in the application by the customer.
Connection in terminal box
Preparing connection lines for the connection
Strip the cable just enough so that the screwed cable gland is tight and the terminals are relieved of strain. Tightening torque, see chapter 3.1 Product drawing.
Connecting cables with terminals
- Remove the cap from the screwed cable gland.
Remove the cap only in those places where cables are inserted. - Insert the line(s) (not included in the standard scope of delivery) into the terminal box.
- First connect the “PE” (protective earth) connection.
- Connect the lines to the corresponding terminals.
Use a screwdriver to do so.
During the connection work, ensure that no cables splice off.
The terminal strip is equipped with a penetration prevention device. - Insert the strands until they meet resistance.
- Seal the terminal box.
Cable routing
No water may penetrate along the cable in the direction of the cable gland.
Fans installed lying flat
Make sure that the cable is routed in the form of a loop (water trap).
Fig. 2: Fan installed lying flat, cable routed as a water trap.
Fans installed in upright position
When routing the cable, ensure that the screwed cable glands are arranged at the bottom. The cables must always be routed downwards.
Fig. 3: Cable routing for fans installed upright.
Connection screen
| L | = U1 = blue |
| Z | brown |
| N | = U2 = black |
| PE | green/yellow |

Open additional screwed cable glands
You have the ability to break a second cable gland opening through on the terminal box.
- WARNING
In event of a fault, the screwed cable gland is under electrical voltage
Electric shock
→ Do not use metal cable glands for plastic terminal boxes. - Screw the cable gland into the pre-cut thread using a screwdriver.
When doing so, note the tightening torques, see chapter 3.1 Product drawing. - Remove the plastic tab that falls off when the wire is pressed through into the terminal box.
Fig. 4: Screwed cable gland opening
Checking the connections
- Make sure that the power is off (all phases).
- Secure it from being switched on again.
- Check the correct fit of the connection lines.
- Screw the terminal box cover closed again. Terminal box tightening torque, see chapter 3.1 Product drawing.
- Make sure that the terminal box is correctly closed and sealed and that all screws and screwed cable glands are properly tightened.
Switch on device
The device may only be switched on if it has been installed properly and in accordance with its intended use, including the required safety mechanisms and professional electrical connection. This also applies for devices which have already been equipped with plugs and terminals or similar connectors by the customer
WARNING
Hot motor housing
Fire hazard
→ Ensure that no combustible or flammable materials are located close to the fan.
- Inspect the device for visible external damage and the proper function of the protective features before switching it on.
- Check the air flow paths of the fan for foreign objects and remove any that are found.
- Apply the nominal voltage to the voltage supply.
Switching off the device
- Disconnect the device from the supply voltage at the main switch for the supply line.
- When disconnecting, be sure to disconnect the earth wire connection last.
MAINTENANCE, MALFUNCTIONS, POSSIBLE CAUSES AND REMEDIES
Do not perform any repairs on your device. Return the device to ebmpapst for repair or replacement.
WARNING
Terminals and connections have voltage even with a unit that is shut off
Electric shock
→ Wait five minutes after disconnecting the voltage at all poles before opening the device.
CAUTION
Electrical load on the capacitor after device is switched off Electric shock, risk of injury
→ Discharge the capacitors before working on the device.
CAUTION
The motor restarts automatically when operating voltage is applied, e.g. after a power failure.
Danger of injury
→ Keep out of the danger zone of the device.
→ When working on the device, switch off the mains supply voltage and secure the latter from being switched on again.
→ Wait until the device stops.
If the device remains out of use for some time, e.g. when in storage, we recommend switching the device on for at least two hours to allow any condensate to evaporate and to move the bearings.
| Malfunction/error | Possible cause | Possible remedy |
| Impeller running roughly | Imbalance in rotating parts | Clean the device; if imbalance is still evident after cleaning, replace the device. If you have attached any weight clips during cleaning, make sure to remove them afterwards. |
| Motor does not turn | Mechanical blockage | Switch off, de- energies, and remove mechanical blockage. |
| Mains supply voltage faulty | Check mains supply voltage, restore power supply. | |
| Faulty connection | De-energies, correct connection, see connection diagram. | |
| Thermal overload protector responded | Allow motor to cool off, locate and rectify cause of error, if necessary cancel restart lock-out | |
| Unacceptable operating point | Check operating point | |
| Over temperature of motor | Ambient temperature too high | Lower ambient temperature if possible |
| Insufficient cooling | Improve cooling |
Cleaning
NOTE
Damage to the device during cleaning.
Malfunction possible
→ Do not clean the device using a water jet or high-pressure washer.
→ Do not use any cleaners containing acids, bases or solvents.
→ Do not use any pointed or sharp-edged objects to clean.
Safety test
| What has to be tested? | How to test? | Frequency | Which measure? |
| Check the protective casing against accidental contact for damage and to ensure that it is intact | Visual inspection | At least every 6 months | Repair or replacement of the device |
| Check the device for damage to blades and housing | Visual inspection | At least every 6 months | Replacement of the device |
| Mounting the connection lines | Visual inspection | At least every 6 months | Fasten |
| Mounting of protective earth connection | Visual inspection | At least every 6 months | Fasten |
| Check the insulation of the wires for damage | Visual inspection | At least every 6 months | Replace wires |
| Tightness of screwed cable gland | Visual inspection | At least every 6 months | Retighten, replace if damaged |
| Condensate discharge holes for clogging, as necessary | Visual inspection | At least every 6 months | Open bore holes |
| Weld seams for crack formation | Visual inspection | At least every 6 months | Replace device |
Customer Support
ebm-papst Mulfingen GmbH & Co. KG · Bachmühle 2 · D-74673 Mulfingen · Phone +49 (0) 7938 81-0 · Fax +49 (0) 7938 81-110 · [email protected] · www.ebmpapst.com



















