SWEBAD Borgholm 150 Bathtub

BORGHOLM 150
MATT: 149 x 70 x 64 cm VOLUME: 190 l.
TECHNICAL DATA

- Length of the power cable min. 2 m. The thickness of the cable and the number of cores depends on the performance of the device and should meet the local requirements. Connections must be made by an authorized electrician.
- Closable cold and hot water input G ½.
- Sewage opening D = 50 mm

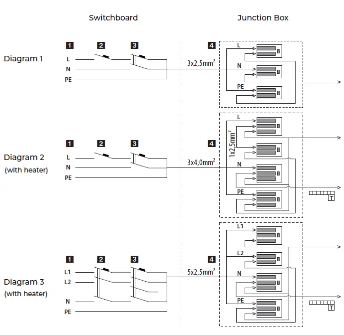
ELECTRIC SPECIFICATION
All electrical connections related to the installation of the product must be executed by a certified professional electrician. At connecting, all local regulations must be observed as well as the permissible load on one phase. To achieve local auxiliary equipotential bonding, make sure you connect all conductive objects in the same room with the earthing terminal of the product’s aluminum frame:
The cross-section of the copper earth continuity connector must be a minimum of 2.5 sq mm. The power circuit of the product must be protected with a residual current circuit breaker with a 30mA threshold and a circuit breaker the operating current of which is leveled with the consumed current of the product. The product is connected to the electrical power line as a stationary device, with no plug connector. The length of the power line should allow moving the product away from walls if necessary. Options for
connecting to the power network according to local opportunities is given in the diagrams below.
- Power network (230V, 50Hz)
- Circuit-breaker
- Residual current circuit breaker
- Bath terminals
BORGHOLM 160
MATT: 159 x 70 x 65 cm VOLUME: 210 l.
TECHNICAL DATA

- Length of the power cable min. 2 m. The thickness of the cable and number of cores depends on the performance of the device and should meet the local requirements. Connections must be made by an authorized electrician.
- Closable cold and hot water input G ½.
- Sewage opening D = 50 mm

ELECTRIC SPECIFICATION
All electrical connections related to the installation of the product must be executed by a certified professional electrician. At connecting, all local regulations must be observed as well as the permissible load on one phase. To achieve local auxiliary equipotential bonding, make sure you connect all conductive objects in the same room with the earthing terminal of the product’s aluminum frame:
The cross-section of the copper earth continuity connector must be a minimum of 2.5 sq mm. The power circuit of the product must be protected with a residual current circuit breaker with a 30mA threshold and a circuit breaker the operating current of which is leveled with the consumed current of the product. The product is connected to the electrical power line as a stationary device, with no plug connector. The length of the power line should allow moving the product away from walls if necessary. Options for
connecting to the power network according to local opportunities is given in the diagrams below.
- Power network (230V, 50Hz)
- Circuit-breaker
- Residual current circuit breaker
- Bath terminals
BORGHOLM 170
MATT: 169 x 75 x 67 cm VOLUME: 265 l.
TECHNICAL DATA
- Length of the power cable min. 2 m. The thickness of the cable and the number of cores depends on the performance of the device and should meet the local requirements. Connections must be made by an authorized electrician.
- Closable cold and hot water input G ½.
- Sewage opening D = 50 mm

ELECTRIC SPECIFICATION
All electrical connections related to the installation of the product must be executed by a certified professional electrician. At connecting, all local regulations must be observed as well as the permissible load on one phase. To achieve local auxiliary equipotential bonding, make sure you connect all conductive objects in the same room with the earthing terminal of the product’s aluminum frame:
The cross-section of the copper earth continuity connector must be a minimum of 2.5 sq mm. The power circuit of the product must be protected with a residual current circuit breaker with a 30mA threshold and a circuit breaker the operating current of which is leveled with the consumed current of the product. The product is connected to the electrical power line as a stationary device, with no plug connector. The length of the power line should allow moving the product away from walls if necessary. Options for
connecting to the power network according to local opportunities is given in the diagrams below.
- Power network (230V, 50Hz)
- Circuit-breaker
- Residual current circuit breaker
- Bath terminals
BORGHOLM 180
MATT: 179 x 80 x 68 cm VOLUME: 300 l.
TECHNICAL DATA

- Length of the power cable min. 2 m. The thickness of the cable and the number of cores depends on the performance of the device and should meet the local requirements. Connections must be made by an authorized electrician.
- Closable cold and hot water input G ½.
- Sewage opening D = 50 mm

ELECTRIC SPECIFICATION
All electrical connections related to the installation of the product must be executed by a certified professional electrician.
At connecting, all local regulations must be observed as well as the permissible load on one phase. To achieve local auxiliary equipotential bonding, make sure you connect all conductive objects in the same room with the earthing terminal of the product’s aluminum frame:
The cross-section of the copper earth continuity connector must be a minimum of 2.5 sq mm. The power circuit of the product must be protected with a residual current circuit breaker with a 30mA threshold and a circuit breaker the operating current of which is leveled with the consumed current of the product. The product is connected to the electrical power line as a stationary device, with no plug connector. The length of the power line should allow moving the product away from walls if necessary. Options for
connecting to the power network according to local opportunities is given in the diagrams below.
- Power network (230V, 50Hz)
- Circuit-breaker
- Residual current circuit breaker
- Bath terminals
BORGHOLM XL 190
MATT: 190 x 86 x 67 cm VOLUME: 330 l.
TECHNICAL DATA

- Length of the power cable min. 2 m. The thickness of the cable and the number of cores depends on the performance of the device and should meet the local requirements. Connections must be made by an authorized electrician.
- Closable cold and hot water input G ½.
- Sewage opening D = 50 mm

ELECTRIC SPECIFICATION
All electrical connections related to the installation of the product must be executed by a certified professional electrician. At connecting, all local regulations must be observed as well as the permissible load on one phase. To achieve local auxiliary equipotential bonding, make sure you connect all conductive objects in the same room with the earthing terminal of the product’s aluminum frame:
The cross-section of the copper earth continuity connector must be a minimum of 2.5 sq mm. The power circuit of the product must be protected with a residual current circuit breaker with a 30mA threshold and a circuit breaker the operating current of which is leveled with the consumed current of the product. The product is connected to the electrical power line as a stationary device, with no plug connector. The length of the power line should allow moving the product away from walls if necessary. Options for
connecting to the power network according to local opportunities is given in the diagrams below.
- Power network (230V, 50Hz)
- Circuit-breaker
- Residual current circuit breaker
- Bath terminals

























