
Whirlpool
Installation Manual
ARIEL
PW1565959CW1 
Serial Number:
PW1565959CW1 Bathtub with Jets

| No. | English | No. | English |
| 1 | Waterfall | 7 | Water Jet |
| 2 | Hand Shower | 8 | Multiple Direction Water Jet |
| 3 | Pneumatic Switch | 9 | Water Suction |
| 4 | Air Regulator | 10 | Headrest |
| 5 | Function Selector | 11 | Drain |
| 6 | Thermostatic Selector | 12 | Overflow Drain & Drain Knob |

All measurements are given in Inches
Designs and sizes can vary. We accept no liability for errors, manufacturing tolerance, and product changes.



Technical Parameters
| Rated Voltage | AC110-120V 60Hz |
| Rated Current | 9A |
| Normal Rated Power | 1100W |
| Recommended Power Service | GFCI-Protected 30A |
| Water Pipe Dimension | ½” |
| Drainage Pipe Dimension | 1 1/2″ (40mm) |
| Max. Hot Water Temperature | 176°F (80°C) |
| Recommended Hot Water | 149°F (65°C) |
| Operating Pressure | Max 116 PSI (8 bar / 0.8 mPa) |
| Recommended Operating Pressure | 14.5-72.5 PSI (1-5 bar / 0.1-0.5mPa) |
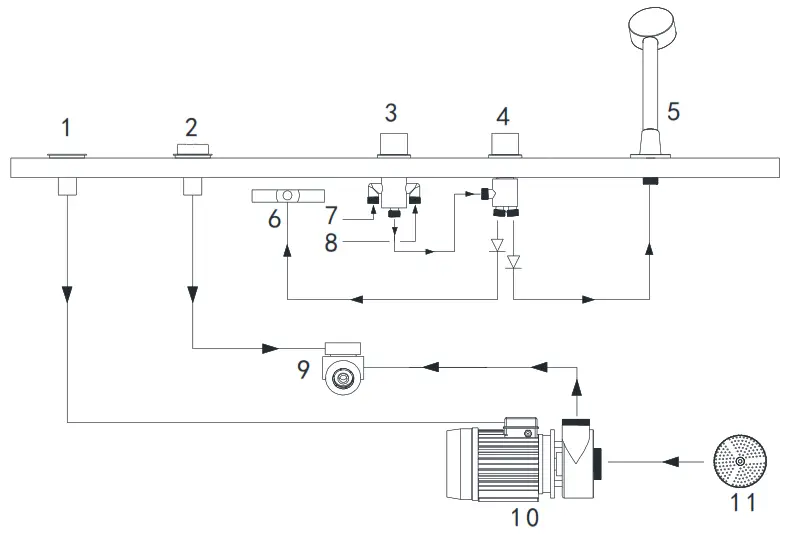
Flowchart

| No. | English | No. | English |
| 1 | Pneumatic Switch | 7 | Cold Water Supply Inlet |
| 2 | Air Regulator | 8 | Hot Water Supply Inlet |
| 3 | Thermostatic Selector | 9 | Water Jet |
| 4 | Function Selector | 10 | Water Pump |
| 5 | Shower Wand | 11 | Water Suction |
| 6 | Waterfall |




















