MSV-F2 DN15 – 400 / 73693330
MSV-F2 DN15 – 400
Operating Guide
MSV-F2 DN15-400 Variable Orifice Commissioning Valve



Handling
Storage
– Storage temperature –20 to +65 °C dry; free of dirt
– A desiccant or heating to prevent condensation is necessary in damp rooms.
– Don’t damage the paintwork.
Transport
– Transport temperature –20 to + 65 °C.
– Protect against external force (impact, vibration etc.).
– Don’t damage the paintwork.
Handling before installation
– If flange covers are fitted, remove shortly before maintenance !
– Protect against atmospheric conditions e.g. wetness (applicate a desiccant).
– Correct handling protects against damage.
Description
Scope of applications
Line regulating valves with a defined characteristic for heating and cooling systems.
The plan designer is responsible for selecting the correct valve for the purpose.
Note: Do not use MSV-F2 valves for handling steam!
Operating principles
The valve is closed (cone/seating function) by turning the hand wheel clockwise.
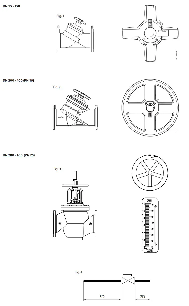
– Position of the plug at DN 15 – 150 is shown on two digit display. The outer digit shows the basic setting and the internal digit shows every tenth of the turn. See Fig. 1.
– Position of the plug at DN 200 – 400 is shown on the longitudinal scale. Fig. 2.
Installation
General notes on installation:
The following points should be taken into account besides the general principles governing installation work:
– Remove flange covers if present.
– There must be no foreign bodies inside the valve or piping.
– Pay attention to the direction of flow: see markings on the valve
– Valves can be installed with the spindle pointing in any direction, but the preferred spindle position is vertical.
– Reference for isolation:
If media-temperatures < ambient temperatures – ask manufacturer.
– Installation upside down only if the medium is clean.
– Centre packings between the flanges.
– Install test plugs before valve is filled with water. See accessories in the datasheet MSV-F2.
– Connection flanges must mate exactly.
– All parts must be free from stress after installation.
– The valve must not serve as a fixed point. It must be carried by the piping.
– Protect the valve from dirt, especially during construction work.
– Install compensators to compensate for thermal expansion of the piping.
– It is forbidden to heat the valve to above its service temperature (see data sheets), for instance by welding, grinding, etc.
– To ensure that the valves function correctly, the pipe run should be straight for at least 5D upstream and 2D downstream of the valve.
Presetting and locking the handwheel
DN 15 – 150, DN 200 – 400 (PN 16):
a: Position of the plug at DN 15 – 400 (PN 16) is shown on two digit display. The outer digit
(a) shows the basic setting and the internal digit (b) shows every tenth of the turn. See Fig. 5, Fig. 6.
b: Remove cover plug (c) by introducing a screwdriver in the slot and gently prising it out. See Fig. 7, Fig. 9.
c: Turn the hand-wheel clockwise and close the valve fully. Digital display shall show 0,0.
Turn the hand-wheel counter clockwise to required value of presetting by using the setting table (i.e. 4,5, see Fig. 4).
d: Turn the inner adjustment screw (d) clockwise until it seats. Use allen key (e). The valve now can be closed, but not opened more than the setting value. See Fig. 7, Fig. 9.
e: Optionally you can lock the hand-wheel and protect the setting. Fit the enclosed clip (f) in the cut-out in the hand-wheel. Thread the sealing wire (g) through the holes on the clip, hand-wheel and lead seal. Fit the lead seal. See Fig. 8, Fig. 10.
DN 200 – 400 (PN25)
a: Turn the hand-wheel clockwise and close the valve fully by hand (“0” position).
b: Unscrew the cap (h). See Fig. 11.
c: Turn the hand-wheel counter clockwise to required value of presetting by using the setting table.
d: Turn the stroke limiter (i) clockwise until it seats. Protect it by fixing the lock nut (j).
e: Screw on the cap.
MSV-F2 as ASV partner valve
Impulse tube connected to red test plug
– Partner valve inside control loop (Fig. 12).
Offers flow limitation on the riser/branch however part of the controlled pressure range is used by pressure drop on partner valve. It is recommended when flow limitation on each terminal unit is not possible.
– Connect impulse tube to red test plug on MSV-F2
Impulse tube connected to blue test plug
– Partner valve outside control loop (Fig. 13).
Offers flow verification on the riser/branch Recommended configuration: It results in best performance since whole controlled pressure range is available to the riser/branch. Flow limitation is done on each terminal unit.
– Connect impulse tube to blue test plug on MSV-F2
| Setting and kv value | |||||||||||||||
| Setting | Valve size | ||||||||||||||
| DN15 | DN20 | DN25 | DN32 | DN40 | DN50 | DN65 | DN80 | DN100 | DN150 | DN200 | DN250 | DN300 | DN35 | DN400 | |
| 0.6 | 0.2 | 0.3 | 1.1 | 2 | 2.1 | 4.5 | 1.8 | 3.6 | 5.4 | – | – | – | – | – | – |
| 0.8 | 0.3 | 0.4 | 1.3 | 2.8 | 3.1 | 6 | 2.3 | 4.7 | 6.9 | – | – | – | – | – | – |
| 1 | 0.5 | 0.5 | 1.6 | 3.5 | 4.2 | 7.4 | 2.7 | 5.8 | 8.3 | 21.4 | 91 | 52.6 | 110.9 | 67.7 | 56.5 |
| 1.2 | 0.6 | 0.9 | 2.5 | 4.3 | 5.3 | 8.9 | 3.1 | 6.3 | 12.2 | 26.8 | 112.4 | 77. 3 | 142.9 | 103.9 | 119.6 |
| 1.4 | 0.8 | 1.3 | 3.4 | 5.1 | 6.5 | 10.4 | 3.5 | 6.8 | 16.1 | 32.2 | 133.9 | 102.1 | 174.9 | 140.2 | 182.6 |
| 1.6 | 0.9 | 1.7 | 4.2 | 5.9 | 7.7 | 12 | 4.7 | 7.6 | 20.9 | 37.7 | 155.3 | 126.8 | 206.9 | 176.5 | 245.7 |
| 1.8 | 1.1 | 2.1 | 5.1 | 6.8 | 8.8 | 13.9 | 6.8 | 8.8 | 26.7 | 43.1 | 176.8 | 151.6 | 238.9 | 212.8 | 308.7 |
| 2 | 1.3 | 2.5 | 6 | 7.6 | 10 | 15.8 | 8.8 | 9.9 | 32.4 | 48.5 | 198.2 | 176.3 | 270.9 | 249.1 | 371.8 |
| 2.2 | 1.6 | 3 | 6.5 | 8.5 | 11. 3 | 17.9 | 10.7 | 12.4 | 39.2 | 58.8 | 219.6 | 200.9 | 303.6 | 284.3 | 423.4 |
| 2.4 | 1.8 | 3.5 | 7 | 9.5 | 12.6 | 20 | 12.5 | 15 | 45.9 | 69 | 241 | 225.6 | 336.3 | 319.5 | 475 |
| 2.6 | 2.1 | 4.1 | 7.4 | 10.4 | 13.8 | 22.2 | 15.1 | 17.9 | 54 | 79.3 | 262.4 | 250.2 | 369 | 354.7 | 526.5 |
| 2.8 | 2.4 | 4.6 | 7.9 | 11.4 | 15.1 | 24.5 | 18.4 | 21.2 | 63.5 | 89.5 | 283.9 | 274.8 | 401.7 | 389.9 | 578.2 |
| 3 | 2.7 | 5.1 | 8.4 | 12.3 | 16.4 | 26.7 | 21.6 | 24.5 | 72.9 | 99.8 | 305.3 | 299.4 | 434.4 | 425.1 | 629.8 |
| 3.2 | 2.8 | 5.3 | 8.5 | 13 | 17.6 | 28.8 | 25.1 | 29 | 82.1 | 112. 2 | 323.7 | 326.6 | 462.7 | 4 67.0 | 678.9 |
| 3.4 | 2.9 | 5.6 | 8.6 | 13.6 | 18.7 | 30.9 | 28.6 | 33.4 | 91.4 | 124.7 | 342.2 | 353.8 | 491 | 508.9 | 728 |
| 3.6 | 2.9 | 5.8 | 8.8 | 14.3 | 19.8 | 32.9 | 32.1 | 38.2 | 98.2 | 137.1 | 360.6 | 381 | 519.3 | 550.8 | 777.2 |
| 3.8 | 3 | 6 | 8.9 | 14.9 | 21 | 34.9 | 35.6 | 43.4 | 102.7 | 149.6 | 379 | 408.2 | 547.6 | 592.7 | 826.3 |
| 4 | 3.1 | 6.3 | 9 | 15.5 | 22.1 | 36.9 | 39.1 | 48.5 | 107. 3 | 162 | 397. 5 | 435.4 | 575.8 | 634.4 | 875.3 |
| 4.2 | 23.3 | 38.8 | 40.9 | 53.1 | 111.6 | 172.4 | 412.8 | 454.1 | 604.9 | 676.5 | 922.1 | ||||
| 4.4 | 24.5 | 40.7 | 42.8 | 57.7 | 115.9 | 182.8 | 428.1 | 472.9 | 634 | 718.5 | 968.9 | ||||
| 4.6 | 25.7 | 42.5 | 44.9 | 62.2 | 120.1 | 193.2 | 443.4 | 496.4 | 663.1 | 760.6 | 1015.7 | ||||
| 4.8 | 26.9 | 44.4 | 47.4 | 66.8 | 124.2 | 203.6 | 458.7 | 524.8 | 692.2 | 802.7 | 1062.5 | ||||
| 5 | 28.1 | 46.2 | 49.8 | 71.3 | 128.3 | 214 | 474 | 553.2 | 721.3 | 844.7 | 1109. 3 | ||||
| 5.2 | 29 | 47. 5 | 51.5 | 74.5 | 133 | 223.4 | 485.3 | 572 | 748.2 | 884.1 | 1153.1 | ||||
| 5.4 | 29.8 | 48.8 | 53.1 | 77.6 | 137.7 | 232.8 | 496.6 | 590.9 | 775.2 | 923.6 | 1197.1 | ||||
| 5.6 | 30.6 | 50.3 | 54.9 | 80.7 | 142.6 | 242.1 | 507.9 | 609.8 | 802.2 | 963.1 | 1241.1 | ||||
| 5.8 | 31.5 | 52 | 56.7 | 83.9 | 147. 8 | 251.5 | 519.1 | 628.6 | 829.1 | 1002.4 | 1284.9 | ||||
| 6 | 32.3 | 53.8 | 58.6 | 87 | 152.9 | 260.9 | 530.4 | 6 47. 5 | 856.1 | 1041.9 | 1328.9 | ||||
| 6.2 | 60.4 | 88.9 | 157.4 | 269.5 | 541.7 | 662.2 | 878 | 1077.6 | 1366.2 | ||||||
| 6.4 | 62.2 | 90.8 | 161.9 | 278.2 | 553 | 677 | 899.9 | 1113. 2 | 1403.5 | ||||||
| 6.6 | 64.4 | 92.7 | 167. 3 | 286.8 | 564.2 | 691.7 | 921.7 | 114 8 .7 | 1440.7 | ||||||
| 6.8 | 66.9 | 94.6 | 173.7 | 295.5 | 575.5 | 706.5 | 943.6 | 118 4.4 | 1478 | ||||||
| 7 | 69.3 | 96.4 | 180.1 | 304.1 | 586.8 | 721.3 | 965.5 | 1220 | 1515.3 | ||||||
| 7. 2 | 71.8 | 99 | 183.8 | 314.2 | 598.6 | 734.6 | 979.6 | 1249.9 | 1553.4 | ||||||
| 7.4 | 74.2 | 101.6 | 187.4 | 324.3 | 610.4 | 748 | 993.7 | 1279.9 | 1591.4 | ||||||
| 7.6 | 76.2 | 104.2 | 191.4 | 334.4 | 622.3 | 761.4 | 10 07. 8 | 1309.8 | 1629.4 | ||||||
| 7. 8 | 77.6 | 106.7 | 195.7 | 344.5 | 633.7 | 774.8 | 1021.8 | 1339.5 | 16 67. 2 | ||||||
| 8 | 79.1 | 109.3 | 200 | 354.6 | 645.9 | 788.2 | 1035.9 | 1369.5 | 1705.2 | ||||||
| 8.2 | 80.9 | 111.1 | 361.8 | 651.4 | 800.8 | 1048.3 | 1393.2 | 1734.2 | |||||||
| 8.4 | 82.7 | 112.9 | 369 | 657 | 813.4 | 1060.6 | 1416.7 | 1763 | |||||||
| 8.6 | 84.5 | 114.7 | 376.2 | 662.5 | 825.9 | 1073 | 1440.5 | 1792 | |||||||
| 8.8 | 86.1 | 116.4 | 383.5 | 6 67. 8 | 838.5 | 1085.3 | 1464 | 1820.8 | |||||||
| 9 | 87. 8 | 118 . 2 | 390.5 | 673.6 | 851.1 | 1097.7 | 14 87. 8 | 1849.8 | |||||||
| 9.2 | 90 | 119.9 | 394.6 | 675.8 | 866.1 | 1105. 8 | 1504.4 | 1873.3 | |||||||
| 9.4 | 92.3 | 121.5 | 398.7 | 677.9 | 881.1 | 1113.9 | 1521.1 | 1896.8 | |||||||
| 9.6 | 680.8 | 898 | 1124. 8 | 1543.6 | 1928.4 | ||||||||||
| 9.8 | 684.4 | 916.7 | 1138 . 3 | 1571.4 | 1967. 5 | ||||||||||
| 10 | 685.6 | 926.1 | 1142. 8 | 1580.7 | 1980.6 | ||||||||||
| 10.2 | 926.2 | 1153.6 | 1596.5 | 2001.8 | |||||||||||
| 10.4 | 926.3 | 116 4. 3 | 1612.2 | 2022.9 | |||||||||||
| 10.6 | 926.5 | 1175.9 | 1629.3 | 2045.8 | |||||||||||
| 10.8 | 926.6 | 118 8 .4 | 16 47.6 | 2070.4 | |||||||||||
| 11 | 926.7 | 1201 | 1666.1 | 2095.2 | |||||||||||
| 11. 2 | 931.8 | 1215.5 | 1681.8 | 2116.4 | |||||||||||
| 11.4 | 937 | 1230.1 | 1697.7 | 2137. 8 | |||||||||||
| 11.6 | 942.1 | 1244.6 | 1713.4 | 2159 | |||||||||||
| 11. 8 | 9 47. 2 | 1259.2 | 1729.2 | 2180.3 | |||||||||||
| 12 | 952.3 | 1273.7 | 1744.9 | 2201.6 | |||||||||||
| 12.2 | 1287.9 | 1764.9 | 2218.9 | ||||||||||||
| 12.4 | 1302 | 1784.9 | 2236.1 | ||||||||||||
| 12.6 | 1316.1 | 1804.8 | 2253.3 | ||||||||||||
| 12.8 | 1330.3 | 1824.8 | 2270.6 | ||||||||||||
| 13 | 1344.4 | 1844.7 | 2287. 8 | ||||||||||||
| 13.2 | 1351.6 | 1875.6 | 2305.8 | ||||||||||||
| 13.4 | 1358.7 | 1906 | 2323.5 | ||||||||||||
| 13.6 | 1365.9 | 1936.8 | 2341.4 | ||||||||||||
| 13.8 | 1373.1 | 1967.6 | 2359.4 | ||||||||||||
| 14 | 1380.2 | 1998 | 2377.1 | ||||||||||||
| 14.2 | 20 07.6 | 24 07.1 | |||||||||||||
| 14.4 | 2437. 2 | 2437. 2 | |||||||||||||
| 14.6 | 2026.9 | 24 67. 2 | |||||||||||||
| 14.8 | 2036.5 | 2497. 3 | |||||||||||||
| 15 | 2046.1 | 2527.4 | |||||||||||||
| 15.2 | 2538.8 | ||||||||||||||
| 15.4 | 2550.3 | ||||||||||||||
| 15.6 | 2561.7 | ||||||||||||||
| 15.8 | 2573.1 | ||||||||||||||
| 16 | 2584.6 | ||||||||||||||
| Note: It is recommended to size the valves between 20% and 80% of Kvs, in order to achieve good tolerances. | |||||||||||||||
Danfoss A/S
Climate Solutions • danfoss.com • +45 7488 2222
Any information, including, but not limited to information on selection of product, its application or use, product design, weight, dimensions, capacity or any other technical data in product manuals, catalogues descriptions, advertisements, etc. and whether made available in writing, orally, electronically, online or via download, shall be considered informative, and is only binding if and to the extent, explicit reference is made in a quotation or order confirmation. Danfoss cannot accept any responsibility for possible errors in catalogues, brochures, videos and other material. Danfoss reserves the right to alter its products without notice. This also applies to products ordered but not delivered provided that such alterations can be made without changes to form, fit or function of the product.
All trademarks in this material are property of Danfoss A/S or Danfoss group companies. Danfoss and the Danfoss logo are trademarks of Danfoss A/S. All rights reserved.
© Danfoss | DCS-SGDPT/SI | 2021.10
/ AQ392653721362en-000101



















