Eurotherm Altivar Process ATV600 Variable Speed Drive for Fluid Management from 0.75kW to 800kW

Product Information
The Altivar Process ATV600 is an industrial variable speed drive for controlling the speed of asynchronous and synchronous motors. It is designed to help optimize process performance and reduce energy consumption in various industries such as oil and gas, water and wastewater, mining, and more. The drive comes with various manuals, including the Installation manual (EAV64301) and the Programming manual (EAV64318), which provide detailed information on installation, commissioning, and programming.
Getting Started
- Download The Manuals: You must download the Installation Manual and the Programming manual from www.se.com or scan the QR code in front of the Drive to get detailed information on installation and commissioning.
- Verify The Delivery Of The Drive: Unpack the drive and verify that it has not been damaged. If you detect any damage, contact your local Schneider Electric sales office.
- Verify The Supply Mains Compatibility With The
- Drive: Check the compatibility between your drive and your application using the Product Selector. Also, verify the quality of the supply mains (harmonics, voltage).
- Verify Upstream Protective Device: Make sure that the upstream protective device is compatible with the drive.
- Mount The Drive Vertically: Mount the drive vertically according to the thermal conditions specified in the Installation manual. Make sure to leave sufficient space around the drive for ventilation.
- Connect The Drive: Ground and Power: Follow these steps to connect the drive:
- Connect the ground cables.
- Connect the drive to the mains (R/L1, S/L2, T/L3).
- Connect the drive to the motor (U/T1, V/T2, W/T3).
- Ensure minimum distance between the Control and Power cables.
Note: Wire cross sections and tightening torques must comply with the specifications provided in the installation manual. Refer to the instructions given in the installation manual for stripping lengths and cabling.
Warning: Electrical equipment should be installed, operated, serviced, and maintained only by qualified personnel. Failure to follow these instructions may result in death or serious injury. No responsibility is assumed by Schneider Electric for any consequences arising out of the use of this product.
Download The Manuals
You must have detailed information to be able to carry out the installation and commissioning. This information can be found in the following manuals that can be downloaded on www.se.com or scan the QR code in front of the Drive.
- The Installation manual (EAV64301)

- The Programming manual (EAV64318)
The Getting Started manual does not replace the Installation and the Programming manuals.
Verify the Key Points of your installation, identified by this symbol.
You can watch our Video
HAZARD OF ELECTRIC SHOCK, EXPLOSION, OR ARC FLASH
Only appropriately trained persons who are familiar with and understand the contents of this manual and all other pertinent product documentation and who have received safety training to recognize and avoid hazards involved are authorized to work on and with this drive system. Installation, adjustment, repair and maintenance must be performed by qualified personnel.
- The system integrator is responsible for compliance with all local and national electrical code requirements as well as all other applicable regulations with respect to grounding of all equipment.
- Many components of the product, including the printed circuit boards, operate with mains voltage.
- Only use properly rated, electrically insulated tools and measuring equipment.
- Do not touch unshielded components or terminals with voltage present.
- Motors can generate voltage when the shaft is rotated. Prior to performing any type of work on the drive system, block the motor shaft to prevent rotation.
- AC voltage can couple voltage to unused conductors in the motor cable. Insulate both ends of unused conductors of the motor cable.
- Do not short across the DC bus terminals or the DC bus capacitors or the braking resistor terminals.
- Before performing work on the drive system:
- Disconnect all power, including external control power that may be present. Take into account that the circuit breaker or main switch does not de-energize all circuits.
- Place a Do Not Turn On label on all power switches related to the drive system.
- Lock all power switches in the open position.
- Wait 15 minutes to allow the DC bus capacitors to discharge.
- Follow the instructions given in the chapter “Verifying the Absence of Voltage” in the installation manual of the product.
- Before applying voltage to the drive system:
- Verify that the work has been completed and that the entire installation cannot cause hazards.
- If the mains input terminals and the motor output terminals have been grounded and short-circuited, remove the ground and the short circuits on the mains input terminals and the motor output terminals.
- Verify proper grounding of all equipment.
- Verify that all protective equipment such as covers, doors, grids is installed and/or closed
Failure to follow these instructions will result in death or serious injury.
Electrical equipment should be installed, operated, serviced, and maintained only by qualified personnel. No responsibility is assumed by Schneider Electric for any consequences arising out of the use of this product.
Verify The Delivery Of The Drive
Unpack the drive and verify that it has not been damaged. Damaged products or accessories may cause electric shock or unanticipated equipment operation.
DANGER
HAZARD OF ELECTRIC SHOCK, EXPLOSION, OR ARC FLASH Do not use damaged products or accessories. Failure to follow these instructions will result in death or serious injury.
Contact your local Schneider Electric sales office if you detect any damage whatsoever. Verify compatibility between your drive and your application with our
Verify The Supply Mains Compatibility With The Drive
- 3-phase supply mains:_________Va
- Drive mains voltage: __________Va
- ATV••••••M3 = 200/240 Va ATV••••••N4• = 380/480 Va
- ATV••••••S6• = 600 Va ATV••••••Y6 = 500/690 Va
Verify the quality of the supply mains (harmonics, voltage…).
Verify Upstream Protective Device
- For IEC, on ATV600 Catalog DIA2ED2140502EN
- For UL fuse rating, with attached SCCR annex EAV64300.
Mount The Drive Vertically
| Drive | X1 | X2 | X3 |
| ATV630U07pp…ATV630D90N4p, | u 100 mm | u 100 mm | u 10 mm |
| ATV630U22S6X…ATV630D15S6X, | (3.94 in.) | (3.94 in.) | (0.39 in.) |
| ATV630pppS6, ATV630pppY6, | |||
| ATV650pppppp | |||
| ATV630D55M3…ATV630D75M3, ATV630C11N4p…ATV630C16N4p | u 250 mm (9.84 in.) | u 250 mm (9.84 in.) | u 100 mm (3.94 in.) |
| ATV630C22N4p…ATV630C31N4p | u 200 mm (7.87 in.) | u 150 mm (5.91 in.) | u 10 mm (0.39 in.) |
See thermal conditions in the Installation manual (EAV64301).
Connect The Drive
Ground and Power
- Connect the ground cables
. - Connect the drive to the mains (R/L1, S/L2, T/L3).
- Connect the drive to the motor (U/T1, V/T2, W/T3).
- Ensure minimum distance between the “Control” and “Power” cables.

Defined by Practical Installation guidelines (deg999en). - Refer to the tightening torque instructions on the nameplate

DANGER
HAZARD OF ELECTRIC SHOCK, EXPLOSION, OR ARC FLASH Wire cross sections and tightening torques must comply with the specifications provided in the installation manual. Failure to follow these instructions will result in death or serious injury.
Example on frame size 3
See other Frame sizes in chapter Wiring the Power Part of the Installation manual (EAV64301)
For more information, download the white paper An Improved
Approach for Connecting VSD and Electric Motors (998-2095-10-17- 13AR0_EN).
- Stripping lengths
and Cabling
Refer to the instructions given in the installation manual (EAV64301).
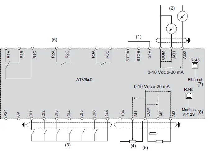
Wiring Example
- For reference frequency, connect AI1, 10V and COM with a potentiometer 1…10 kΩ (ex. SZ1RV1002)
- Connect the command DI1 to 24V
DI1 = forward (control command 2-wire – factory setting)
See other wiring diagrams and details in the installation manual (EAV64301).
STO Safe Torque Off, (2) Analog Outputs, (3) Digital Inputs, (4) Reference potentiometer 1…10 kΩ (ex. SZ1RV1002), (5) Analog Inputs, (6) Relay Outputs, (7) Cable specification: min. Cat 5e, twisted-pair, 8 x 0.25 mm² (AWG 22), max
. length 100 m (328 ft), (8) See Catalog DIA2ED2140502EN for cable references
Verify that the switch is on default position = SRC mode (right position)
Sink (SK) – Sink External (EXT) – Source (SRC) SOURCE (SRC) position is used for PLC outputs with PNP transistors. Refer to the instructions given in the installation manual (EAV64301).
NOTICE INCORRECT VOLTAGE
Only supply the digital inputs with 24 Vdc. Failure to follow these instructions can result in equipment damage
Tightening torque and screwdriver type
Shielding connection to ground: DI example
LEDs and Graphic Display Terminal
- STOP / RESET: Stop command / apply a Fault Reset.
- LOCAL / REMOTE: used to switch between local and remote control of the drive.
- ESC: used to quit a menu/parameter or remove the currently displayed value in order to revert to the previous value retained in the memory.
- F1 to F4: function keys used to access drive id, QR code, quick view, and submenus.
- Graphic display.
- Home: used to access directly at the home page.
- Information: to get more information about parameters.
- RUN: executes the function assuming it has been configured.
- Touch wheel / OK: used to save the current value or access the selected menu/parameter. The touch wheel is used to scroll fast into the menus. Up/down arrows are used for precise selections, right/left arrows are used to select digits when setting a numerical value of a parameter.
- RJ45 Modbus serial port: used to connect the Graphic Display Terminal to the drive. This connection requires specific cables to be ordered separately, see the Catalog (DIA2ED2140502EN).
- Mini USB port: used to connect the Graphic Display Terminal to a computer.
- Battery (10 years service life. Type: CR2032).
- RJ45 male connector to plug on the drive or on the door mounting kit.
- For a detailed description of the LEDs, refer to the section Description of the Product Front LEDs of the Programming manual (EAV64318).
Simply start
- Verify that digital input is not active (DI1 open, see step wiring diagram).
- Apply power to the drive.
- If requested, set the date, time, and language.
Set Motor Parameters For Asynchronous Motor
NOTE: For other motor types, refer to the Programing manual (EAV64318).
See the motor nameplate to set the following
| Menu | Parameter | Factory ATVppppppM3 ATVppppppN4pp ATVppppppY6 | Setting
ATVppppppS6p | Customer Setting |
|
[Simply start] | [Motor Standard] bFr: Standard motor frequency | [50 Hz IEC] 50 (Hz) | [60 Hz IEC] 60 (Hz) | |
| [Nominal Motor Power] nPr: Nominal motor power on motor nameplate | drive rating (kW) | drive rating (HP) | ||
| [Nom Motor Voltage] UnS: Nominal motor voltage on motor nameplate | drive rating (Vac) | |||
| [Nom Motor Current] nCr: Nominal motor current on motor nameplate | drive rating (A) | |||
| [Nominal Motor Freq] FrS: Nominal motor frequency on motor nameplate | 50 (Hz) | |||
| [Nominal Motor Speed] nSP: Nominal motor speed on motor nameplate | drive rating (rpm) | |||
| [2/3-Wire Control] tCC: Command control by 2 wire or 3 wire control | 2C | |||
| [Max Frequency] tFr: Maximum motor frequency | 60 (Hz) | 72 (Hz) | ||
| [Motor Th current]ItH: Motor thermal current on motor nameplate | drive rating (A) | |||
Perform A Motor [Autotuning] For Asynchronous Motor
| Menu Parameter | |
| [Simply start] | [Autotuning] tUn: Set parameter to [Apply Autotuning] YES. [Autotuning] tUn is done immediately. |
NOTE: Perform autotuning with the motor cold. If you modify motor parameters after having performed autotuning, you must re-perform autotuning.
UNEXPECTED MOVEMENT
Autotuning moves the motor in order to tune the control loops.
- Only start the system if there are no persons or obstructions in the zone of operation.
- Failure to follow these instructions can result in death, serious injury, or equipment damage.
During [Autotuning], the motor makes small movements. Noise development and oscillations of the system are normal.
Set Basic Parameters
| Menu | Parameter | Factory ATVppppppM3 ATVppppppN4pp ATVppppppY6 | Setting
ATVppppppS6p | Customer Setting |
| [Simply start] | [Acceleration ] ACC: Acceleration time | 10.0 (s) | ||
| [Deceleration] dEC: Deceleration time | 10.0 (s) | |||
| [Low speed] LSP: Motor frequency at minimum reference | 0 (Hz) | |||
| [High speed] HSP: Motor frequency at maximum reference | 50 (Hz) | 60 (Hz) | ||
Start And Stop The Motor
- Switch on DI1 (forward).
- Use the potentiometer on AI1 to set the reference frequency, adjustable from [Low speed] LSP to [High speed] HSP.
- Switch off DI1 (forward) to stop the motor
Troubleshooting
Scan the QR code on the RED screen or refer to the Programming manual (EAV64318), to get the error code explanations.
Other Tools To Configure The Drive
- SoMove is a setup software for PC designed to configure Schneider Electric motor control devices. You can download the SoMove FDT (SoMove_FDT), the DTM in English (ATV6xx_DTM_Library_EN) and language pack, on www.se.com.
- Embedded Webserver: See the Embedded Ethernet manual (EAV64327) for more information
References
Schneider Electric Global | Global Specialist in Energy Management and Automation
Altivar Process ATV6xx DTM Library DTM files | Schneider Electric
Schneider Electric Global | Global Specialist in Energy Management and Automation
Schneider Electric Global | Global Specialist in Energy Management and Automation
Video Altivar Process : How to get started with ATV600 ? | Schneider Electric USA
Altivar Process 630 Variable Frequency Drives VFD | Schneider Electric USA
An Improved Approach for Connecting VSD and Electric Motors White paper | Schneider Electric
Electromagnetic Compatibility, Practical Installation guidelines User guide | Schneider Electric
Discover catalog for Altivar Process ATV600 variable speed drives Catalogue | Schneider Electric
1) ATV630/ATV650 Getting started Annex: SCCR User guide | Schneider Electric
2) ATV630-650 Installation manual User guide | Schneider Electric
3) ATV600 Programming manual User guide | Schneider Electric
ATV600 Embedded Ethernet Manual User guide | Schneider Electric
SoMove (FDT Standalone) Software - Release | Schneider Electric





and Cabling



















