EVERET EVP220L 20X Low Light SDI HD PTZ Video Camera

SAFETY GUIDES
- Before operation, please fully read and follow all instructions in the manual. For your safety, always keep this manual with the camera.
- The camera power input range is 100-240VAC(50-60Hz),ensure the power supply input within this rate before powering on.
- The camera power voltage is 12VDC, rated currency is 2A. We suggest you use it with the original power supply adapter supplied by the factory.
- Pease keep the power cable, video cable and control cable in a safe place. Protect all cables especially the connectors.
- Operational environment: 0℃-50℃, humidity less than 90%.To avoid any danger, do not put anything inside the camera, and keep away from the corrosive liquid.
- Avoid stress, vibration and damp during transportation, storage and installation.
- Do not detetch the camera housing and cover. For any service, please contact authorized technicians.
- RF cable and control cable should be individually shielded, and cannot be substituted with other cables. Do not direct the camera lens towards strong light, such as the sun or the intensive light.
- Use a dry and soft cloth to clean the camera housing. Applied with neutral cleaning agent when there is need to clean. To avoid damage on the camera lens, never use strong or abrasive cleaning agents on the camera housing.
- Do not move the camera by holding the camera head. To avoid mechanical trouble, do not rotate the camera head by hand. NEVER MOVE THE CAMERA MANUALLY WHEN IT IS WORKING.
- Put the camera on fixed and smooth desk or platform, avoid leaned installation.
- Power Supply Polarity(Drawing)
Note: the video quality may be affected by the specific frequencies of electromagnetic filed.
ACCESSORIES
Check all bellow items when open the package:
- Camera ········································································1
- Power Adapter ·······························································1
- Power Cable ··································································1
- RS232 Control Cable ·······················································1
- Remote Controller ···························································1
- User Manual ··································································1
Double-sided Adhesive ·····················································1 - QC certification ······························································1
QUICK START
- Check all cable connections before power on.

- Dial Switch Setting (at the bottom of the camera):
Dial Switch(ARM) SW-1 SW-2 Instruction 1 OFF OFF Updating mode 2 ON OFF Debugging mode 3 OFF ON Undefined 4 ON ON Working mode 
PRODUCT HIGHLIGHTS
- Adopted advanced DSP, 1/1.8”, 2.3MP sensor and 20x optical lens, provides ultra crystal image quality.
- Fast switching between different video format.
- Fast and accurate focus.
- Support remote firmware update.
- Daisy chain function: with both Visca in and Visca out port, max 7 cameras can be controlled by RS232 port at Visca protocol.
- Support RS485 interface
- Support 128 presets.
- Be compatible with major video conferencing terminal, customization offered.
- IR remote controller offered, video format swtiched by one push.
- IR transfer/IR pass function: except receiving the camera remote controller signal, the camera can also receive other codec’s IR remote control signal, and pass these IR control signal to the codec’s IR receiver (via VISCA IN port).
- Multi language menu: English, Chinese, Russian, Spanish.
CAMERA SPEC
| Video Format | 1080P59.94/50/29.97/25, 720P59.94/50/29.97/25, 1080I59.94/50, |
| Video Output | DVI-I&3G-SDI |
| Sensor | 1/1.8 inch, 230MP high quality HD CMOS sensor |
| Lens | F6.7~134.5mm(20X), F1.5~3.4, FOV:59.8°(wide)-3.2°(tele), |
| Rotation Angle | Pan:±170°; Tilt:-30°~+90°, support up-side-down installation |
| Rotation Speed | Pan: 0.1°-120°/s; Tilt: 0.1°-80°/s |
| Preset | 10 via IR remote setting, (128 via COM setting), preset accuracy :0.1° |
| Control Port | RS232, RS485 |
| Daisy Chain | Supported |
| Min. Lux | 0.2Lux(Day), 0.005Lux(DSS on) |
| White Balance | Auto/Manual |
| Focus | Auto/Manual |
| Iris | Auto/Manual |
| Shutter | Auto/Manual |
| Exposure Compensation | Supported |
| BLC | Supported |
| 2D/3D Noise Reduction | Supported |
| Input Voltage | DC12V |
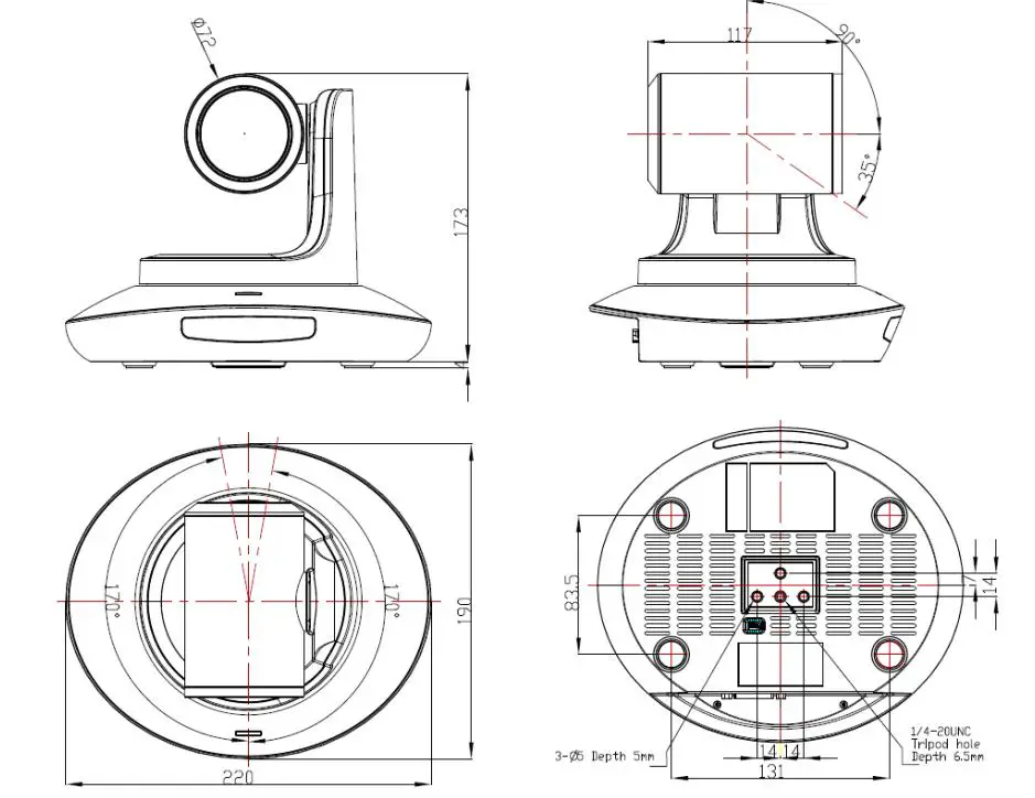
| Dimension | 220mm×173mm×117mm |
| Net Weight | 1.55KGS(3.42LBS) |
CAMERA INTERFACE

- Camera Lens
- Camera Base
- IR Receiver Panel
- Power Indicator Light
- Power Input 12VDC
Dial Switch - Tripod Screw Hole
- Installation Hole
- RS232/485 control port
- RS 232 control port
- HD-SDI port
- DVI-Iport
- DC12V plug
- Power Supply Light
- Power Indicator Light
CAMERA DIMENSION(MM) 
IR REMOTE CONTROLLER 

POWER
Under normal working mode, short press POWER key, the camera will enter stand by mode;
Press it again, the camera will do self-configuration, then go back to HOME position.
It will go to preset position if power on model has been set before. FREEZE (Not Supported)
Short press FREEZE key to freeze/ unfreeze the image.
IRT(IR Transfer/IR Pass)
Open or close the IR pass function. Once press the IRT key, the camera will receive and
pass the IR remote control signal to the codec/terminal(via VISCA IN port).
SET 1~SET4 ADDRESS SETTING
Long press for 3seconds until the key light ON, to set camera address.
CAM1~CAM4(CAMERA SELECTING)
Short press to select the relative camera.
NUMBER KEY(1-9)
Set preset: long press(3 seconds) the number key to set preset. Run preset: Short press the number key to run preset.
CLR PRE(CLEAR PRESET)
CLR PRE+ number key: to clear the relative preset.
Long press to clear all preset.
LEARN
Reserved, not available now.
FOCUS KEY( ON THE LEFT)
Manual focus, only valid under manual focus model.
ZOOM KEY( ON THE RIGHT SIDE)
Set the zoom rate
NAVIGATE KEY: UP/DOWN/LEFT/RIGHT
Under working mode, use navigate key to set the pan tilt, and select menu when enter OSD.
OK /HOME KEY
Under working mode, short press OK to make the camera go back to HOME position; and confirm the selection when enter OSD.
- AF: Auto Focus
- MF: Manual Focus
- RESET: Reset camera
- MENU: Enter OSD menu
- LEARN+LIMIT L key: Set the pan tilt left limit position.
- LEARN+LIMIT R key: Set the pan tilt right limit position.
- LEARN+LMT CLR key: Clear the limit position.
- BLC OFF/ BLC ON:Not Available
- BRIGHT-/BRIGHT+: Set image brightness, only valid under bright
Video Format Keys:
Long press 3 seconds to select different video format output.
Note: In special enviroment, due to heavy infrared interfere,(for instance: the camera is put on the screen with infrared touch function or there is strong light iodine-tungsten lamp), the camera IR receival maybe effected to execute wrong command. In this case, turn off IR receival by set 3-4 dial switch on the bottom to be OFF if users don’t need IR remote controller.
VISCA IN (RS232 PORT) 
VISCA IN &Mini DIN Connection
| Camera VISCA IN | Mini DIN | ||
| 1 | DTR | 1 | DSR |
| 2 | DSR | 2 | DTR |
| 3 | TXD | 5 | RXD |
| 4 | GND | 4 | GND |
| 5 | RXD | 3 | TXD |
| 6 | A(+) | 6 | GND |
| 7 | IR OUT | 7 | NC |
| 8 | B(-) | 8 | NC |
| No. | Function |
| 1 | DTR |
| 2 | DSR |
| 3 | TXD |
| 4 | GND |
| 5 | RXD |
| 6 | A |
| 7 | IR OUT |
| 8 | B |
VISCA IN &RS485 Connection
| Camera VISCA IN | RS485 | |
| 1 | DTR | |
| 2 | DSR | |
| 3 | TXD | |
| 4 | GND | GND |
| 5 | RXD | |
| 6 | A(+) | A(+) |
| 7 | IR OUT | |
| 8 | B(-) | B(-) |
VISCA IN & DB9 Connection
| Camera VISCA IN | Windows DB-9 | ||
| 1 | DTR | 6 | DSR |
| 2 | DSR | 4 | DTR |
| 3 | TXD | 2 | RXD |
| 4 | GND | 5 | GND |
| 5 | RXD | 3 | TXD |
| 6 | A(+) | ||
| 7 | IR OUT | ||
| 8 | B(-) | ||
VISCA Network Construction
SERIAL PORT CONFIGURATION
| Parameter | Value | Parameter | Value |
| Baud rate | 2400/4800/9600/115200 | Stop Bit | 1bit |
| Start Bit | 1 bit | Check Bit | None |
| Date Bit | 8 bit |
VISCA PROTOCOL
Part1 Camera Return Command
| Ack/Completion Message | ||
| Command Packet | Note | |
| ACK | z0 41 FF | Returned when the command is accepted. |
| Completion | z0 51 FF | Returned when the command has been executed. |
z = camera adderss+8
| Error Messages | ||
| Command Packet | Note | |
| Syntax Error | z0 60 02 FF | Returned when the command format is different or when a command with illegal command parameters is accepted. |
| Command Not Executable | z0 61 41 FF | Returned when a command cannot be executed due to current conditions. For example, when commands controlling the focus manually are received during auto focus. |
Part 2 Camera Control Command
| Command | Function | Command Packet | Note |
| AddressSet | Broadcast | 88 30 01 FF | Address setting |
| IF_Clear | Broadcast | 88 01 00 01 FF | I/F Clear |
| CommandCancel | 8x 21 FF | ||
| CAM_Power | On | 8x 01 04 00 02 FF | Power ON/OFF |
| Off | 8x 01 04 00 03 FF | ||
|
CAM_Zoom | Stop | 8x 01 04 07 00 FF |
|
| Tele(Standard) | 8x 01 04 07 02 FF | ||
| Wide(Standard) | 8x 01 04 07 03 FF | ||
| Tele(Variable) | 8x 01 04 07 2p FF | p = 0(low)~7(high) | |
| Wide(Variable) | 8x 01 04 07 3p FF | ||
| Direct | 8x 01 04 47 0p 0q 0r 0s FF | pqrs: Zoom Position (0(wide) ~0x4000(tele)) | |
| CAM_DZoom | ON | 8x 01 04 06 02 FF | |
| OFF | 8x 01 04 06 03 FF | ||
| CAM_Focus | Stop | 8x 01 04 08 00 FF |
| Command | Function | Command Packet | Note |
| Far(Standard) | 8x 01 04 08 02 FF | ||
| Near(Standard) | 8x 01 04 08 03 FF | ||
| Direct | 8x 01 04 48 0p 0q 0r 0s FF | pqrs: Focus Position | |
| One Push AF | 8x 01 04 18 01 FF | ||
| CAM_AFSensitivity (new) | AF sensitivity | 8x 01 04 68 0p FF | p: AF sensitivity 1:High 2:Normal 3:Low |
| CAM_ZoomFocus | Direct | 8x 01 04 47 0p 0q 0r 0s 0t 0u 0v 0w FF | pqrs: Zoom Position (0(wide)~ 0x4000(tele)) tuvw: Focus Position |
|
CAM_WB | Auto | 8x 01 04 35 00 FF | |
| Indoor | 8x 01 04 35 01 FF | ||
| Outdoor | 8x 01 04 35 02 FF | ||
| OnePush | 8x 01 04 35 03 FF | ||
| ATW | 8x 01 04 35 04 FF | ||
| Manual | 8x 01 04 35 05 FF | ||
|
CAM_RGain | Reset | 8x 01 04 03 00 FF |
Manual Control of R Gain |
| Up | 8x 01 04 03 02 FF | ||
| Down | 8x 01 04 03 03 FF | ||
| Direct | 8x 01 04 43 00 00 0p 0q FF | pq: R Gain (0~0xFF) | |
|
CAM_Bgain | Reset | 8x 01 04 04 00 FF |
Manual Control of B Gain |
| Up | 8x 01 04 04 02 FF | ||
| Down | 8x 01 04 04 03 FF | ||
| Direct | 8x 01 04 44 00 00 0p 0q FF | pq: B Gain (0-0xFF) | |
|
CAM_AE | Full Auto | 8x 01 04 39 00 FF | Automatic Exposure mode |
| Manual | 8x 01 04 39 03 FF | Manual Control mode | |
| Bright | 8x 01 04 39 0D FF | Bright mode(Manual control) | |
|
CAM_Shutter | Reset | 8x 01 04 0A 00 FF |
Shutter Setting |
| Up | 8x 01 04 0A 02 FF | ||
| Down | 8x 01 04 0A 03 FF | ||
| Direct | 8x 01 04 4A 00 00 0p 0q FF | pq: Shutter Position (0~0x15) | |
|
CAM_Iris | Reset | 8x 01 04 0B 00 FF |
Iris Setting |
| Up | 8x 01 04 0B 02 FF | ||
| Down | 8x 01 04 0B 03 FF | ||
| Direct | 8x 01 04 4B 00 00 0p 0q FF | pq: Iris Position (0~ 0x11) | |
| CAM_Gain | Reset | 8x 01 04 0C 00 FF | Gain Setting |
| Command | Function | Command Packet | Note |
| Up | 8x 01 04 0C 02 FF | ||
| Down | 8x 01 04 0C 03 FF | ||
| Direct | 8x 01 04 0C 00 00 0p 0q FF | pq: Gain Positon (0~0x0E) | |
|
CAM_Bright | Reset | 8x 01 04 0D 00 FF |
Bright Setting |
| Up | 8x 01 04 0D 02 FF | ||
| Down | 8x 01 04 0D 03 FF | ||
| Direct | 8x 01 04 4D 00 00 0p 0q FF | pq: Bright l Positon () | |
|
CAM_WDR | On | 8x 01 04 3D 02 FF | Exposure Compensation ON/OFF |
| Off | 8x 01 04 3D 03 FF | ||
| Direct | 8x 01 04 2D pq FF | pq: ExpComp Position (0~0x6E) | |
| CAM_BackLight(BLC) | On | 8x 01 04 33 02 FF | BackLight On |
| Off | 8x 01 04 33 03 FF | BackLight Off | |
|
CAM_Sharpness | Reset | 8x 01 04 02 00 FF |
Aperture Control |
| Up | 8x 01 04 02 02 FF | ||
| Down | 8x 01 04 02 03 FF | ||
| Direct | 8x 01 04 42 00 00 0p 0q FF | pq: Aperture Gain (0~0x0F) | |
|
CAM_Memory(preset) | Reset | 8x 01 04 3F 00 0p FF | p: Preset Number(=0 to 127) Corresponds to 0 to 9 on the Remote Commander |
| Set | 8x 01 04 3F 01 0p FF | ||
| Recall | 8x 01 04 3F 02 0p FF | ||
| CAM_LR_Reverse | On | 8x 01 04 61 02 FF | Image Flip Horizontal ON/OFF |
| Off | 8x 01 04 61 03 FF | ||
| CAM_PictureFlip | On | 8x 01 04 66 02 FF | Image Flip Vertical ON/OFF |
| Off | 8x 01 04 66 03 FF | ||
| CAM_RS485Ctl(new) | On | 8x 01 06 A5 02 FF | |
| Off | 8x 01 06 A5 03 FF | ||
| CAM_VGACtl(new) | VGA | 8x 01 06 B6 02 FF | |
| YPbPr | 8x 01 06 B6 03 FF | ||
| CAM_TransferCtl(new) | On | 8x 01 06 1A 02 FF | Receive IR(remote commander) CODE from VISCA communication ON/OFF |
| Off | 8x 01 06 1A 03 FF | ||
| CAM_LanguageSet (new)
CAM_Contrast(new) |
Language
Contrast |
8x 01 06 D3 0p FF
8x 01 04 A2 00 00 0p 0q FF | P:language: 1:English 2:Chinese 3:Russian 4:Spanish pq :contrast level 0x00~0xff |
| CAM_Saturation(new) | Saturation | 8x 01 04 A1 00 00 0p 0q FF | pq :saturation level 0x00~0xff |
| Command | Function | Command Packet | Note |
|
CAM_PWR_ACT(new) | Preset 0 | 8x 01 06 A8 00 FF | Auto run to preset setted after power on |
| Preset 1 | 8x 01 06 A8 01 FF | ||
| Off | 8x 01 06 A8 02 FF | ||
| CAM_SpeedByZoom (new) | On | 8x 01 06 A0 02 FF | |
| Off | 8x 01 06 A0 03 FF | ||
| CAM_PTSpeed(new) | PT Speed | 8x 01 04 C1 00 00 0p 0q FF | pq :PT speed 0x05~0x18 |
| CAM_ZoomSpeed(new) (remote) | Zoom Speed | 8x 01 04 D1 00 00 0p 0q FF | pq :Zoom speed 0x01~0x07 |
| CAM_TrackMode(new) | Fluent | 8x 01 06 C5 02 FF | |
| Precise | 8x 01 06 C5 03 FF | ||
| CAM_MenuMirror(new) | Normal | 8x 01 06 C8 00 FF | |
| Mirror | 8x 01 06 C8 01 FF | ||
| CAM_SYSReset(new) | Reset | 8x 01 06 D2 01 FF | |
| CAM_CAMReset(new) | Reset | 8x 01 06 D2 02 FF | |
| CAM_ALLReset(new) | Reset | 8x 01 06 D2 03 FF | |
| CAM_ZoomDisplay (new) | On | 8x 01 06 C2 02 FF | |
| Off | 8x 01 06 C2 03 FF | ||
| CAM_IRaddress(new) | IR address | 8x 01 06 D8 0p FF | p:IR address 1~4 |
| CAM_Gamma(new) | Gamma set | 81 01 04 5B 0p FF | P:Gamma NO. |
| CAM_MountMode | UP | 8x 01 04 A4 02 FF | Mount Up |
| Down | 8x 01 04 A4 03 FF | Mount Down | |
| CAM_ColorGain | Direct | 8x 01 04 49 00 00 00 0p FF | (0~0x0E) |
| CAM_2D Noise Reduction | Direct | 8x 01 04 53 0p FF | (0~0x05) |
| CAM_3D Noise Reduction | Direct | 8x 01 04 54 0p FF | (0~0x03) |
|
FLICK | 50HZ | 81 01 04 23 01 FF | |
| 60HZ | 81 01 04 23 02 FF | ||
| OFF | 81 01 04 23 00 FF | ||
|
Freeze | Freeze On | 81 01 04 62 02 FF | Freeze On Immediately |
| Freeze Off | 81 01 04 62 03 FF | Freeze Off Immediately | |
| Preset Freeze On | 81 01 04 62 22 FF | Freeze On When Running Preset | |
| Preset Freeze Off | 81 01 04 62 23 FF | Freeze Off When Running Preset | |
|
VideoSystem Set |
8x 01 06 35 00 pp FF | pp: 0~9 Video format 0:1080P59.94 5:1080P25 1:1080P50 6:720P59.94 2:1080I59.94 7:720P50 3:1080I50 8:720P29.97 |
| Command | Function | Command Packet | Note |
| 4:1080P29.97 9:720P25 | |||
| CAM_IDWrite | 8x 01 04 22 0p 0q 0r 0s FF | pqrs: Camera ID (=0000 to FFFF) | |
|
SYS_Menu | Menu On | 8x 01 06 06 02 FF | Turn on the menu |
| Menu Off | 8x 01 06 06 03 FF | Turn off the menu | |
| Menu Back | 8x 01 06 06 10 FF | Menu step back | |
| Menu Ok | 8x 01 7E 01 02 00 01 FF | Menu ok | |
|
IR_Receive | On | 8x 01 06 08 02 FF | IR(remote commander)receive ON/OFF |
| Off | 8x 01 06 08 03 FF | ||
| On/Off | 8x 01 06 08 10 FF | ||
|
Pan_tiltDrive | Up | 8x 01 06 01 VV WW 03 01 FF |
VV: Pan speed 0x01 (low speed) to 0x18 (high speed) WW: Tilt speed 0x01 (low speed) to 0x14 (high speed) YYYY: Pan Position(TBD) ZZZZ: Tilt Position(TBD) |
| Down | 8x 01 06 01 VV WW 03 02 FF | ||
| Left | 8x 01 06 01 VV WW 01 03 FF | ||
| Right | 8x 01 06 01 VV WW 02 03 FF | ||
| Upleft | 8x 01 06 01 VV WW 01 01 FF | ||
| Upright | 8x 01 06 01 VV WW 02 01 FF | ||
| DownLeft | 8x 01 06 01 VV WW 01 02 FF | ||
| DownRight | 8x 01 06 01 VV WW 02 02 FF | ||
| Stop | 8x 01 06 01 VV WW 03 03 FF | ||
| AbsolutePosition | 8x 01 06 02 VV WW 0Y 0Y 0Y 0Y 0Z 0Z 0Z 0Z FF | ||
| RelativePosition | 8x 01 06 03 VV WW 0Y 0Y 0Y 0Y 0Z 0Z 0Z 0Z FF | ||
| Home | 8x 01 06 04 FF | ||
| Reset | 8x 01 06 05 FF | ||
| Pan-tiltLimitSet | Set | 8x 01 06 07 00 0W 0Y 0Y 0Y 0Y 0Z 0Z 0Z 0Z FF | W:1 UpRight 0:DownLeft YYYY: Pan Limit Position(TBD) ZZZZ: Tilt Limit Position(TBD) |
| Clear | 8x 01 06 07 01 0W 07 0F 0F 0F 07 0F 0F 0F FF |
PART 3 INQUIRY COMMAND
| Command | Command Packet | Return Packet | Note |
| CAM_PowerInq | 8x 09 04 00 FF | y0 50 02 FF | On |
| y0 50 03 FF | Off(Standby) | ||
| CAM_ZoomPosInq | 8x 09 04 47 FF | y0 50 0p 0q 0r 0s FF | pqrs: Zoom Position |
| CAM_FocusModeInq | 8x 09 04 38 FF | y0 50 02 FF | Auto Focus |
| y0 50 03 FF | Manual Focus | ||
| CAM_FocusPosInq | 8x 09 04 48 FF | y0 50 0p 0q 0r 0s FF | pqrs: Focus Position |
| CAM_WBModeInq | 8x 09 04 35 FF | y0 50 00 FF | Auto |
| y0 50 01 FF | Indoor mode |
| y0 50 02 FF | Outdoor mode | ||
| y0 50 03 FF | OnePush mode | ||
| y0 50 04 FF | ATW | ||
| y0 50 05 FF | Manual | ||
| CAM_RGainInq | 8x 09 04 43 FF | y0 50 00 00 0p 0q FF | pq: R Gain |
| CAM_BGainInq | 8x 09 04 44 FF | y0 50 00 00 0p 0q FF | pq: B Gain |
|
CAM_AEModeInq |
8x 09 04 39 FF | y0 50 00 FF | Full Auto |
| y0 50 03 FF | Manual | ||
| y0 50 0A FF | Shutter priority | ||
| y0 50 0B FF | Iris priority | ||
| y0 50 0D FF | Bright | ||
| CAM_ShutterPosInq | 8x 09 04 4A FF | y0 50 00 00 0p 0q FF | pq: Shutter Position |
| CAM_IrisPosInq | 8x 09 04 4B FF | y0 50 00 00 0p 0q FF | pq: Iris Position |
| CAM_GainPosiInq | 8x 09 04 4C FF | y0 50 00 00 0p 0q FF | pq: Gain Position |
| CAM_ BrightPosiInq | 8x 09 04 4D FF | y0 50 00 00 0p 0q FF | pq: Bright Position |
| CAM_ExpCompModeIn q | 8x 09 04 3E FF | y0 50 02 FF | On |
| y0 50 03 FF | Off | ||
| CAM_ExpCompPosInq | 8x 09 04 4E FF | y0 50 00 00 0p 0q FF | pq: ExpComp Position |
| CAM_ApertureInq | 8x 09 04 42 FF | y0 50 00 00 0p 0q FF | pq: Aperture Gain |
| CAM_MemoryInq | 8x 09 04 3F FF | y0 50pp FF | pp: Memory number last operated. |
| SYS_MenuModeInq | 8x 09 06 06 FF | y0 50 02 FF | On |
| y0 50 03 FF | Off | ||
| CAM_LR_ReverseInq | 8x 09 04 61 FF | y0 50 02 FF | On |
| y0 50 03 FF | Off | ||
| CAM_PictureFlipInq | 8x 09 04 66 FF | y0 50 02 FF | On |
| y0 50 03 FF | Off | ||
| CAM_IDInq | 8x 09 04 22 FF | y0 50 0p 0q 0r 0s FF | pqrs: Camera ID |
| CAM_VersionInq | 8x 09 00 02 FF | y0 50 ab cd mn pq rs tu vw FF | |
|
VideoSystemInq |
8x 09 06 23 FF |
y0 50 pp FF | pp: 0~9 Video format 0:1080P59.94 5:1080P25 1:1080P50 6:720P59.94 2:1080I59.94 7:720P50 3:1080I50 8:720P29.97 4:1080P29.97 9:720P25 |
| IR_Transfer | 8x 09 06 1A FF | y0 50 02 FF | On |
| y0 50 03 FF | Off | ||
| IR_Receive | 8x 09 06 08 FF | y0 50 02 FF | On |
| y0 50 03 FF | Off | ||
|
IR_ReceiveReturn | y0 07 7D 01 04 00 FF | Power ON/OFF | |
| y0 07 7D 01 04 07 FF | Zoom tele/wide | ||
| y0 07 7D 01 04 38 | AF On/Off |
| FF | |||
| y0 07 7D 01 04 33 FF | CAM_Backlight | ||
| y0 07 7D 01 04 3F FF | CAM_Memory | ||
| y0 07 7D 01 06 01 FF | Pan_tiltDrive | ||
| Pan-tiltMaxSpeedInq | 8x 09 06 11 FF | y0 50 ww zz FF | ww: PanMaxSpeed zz: Tilt Max Speed |
| Pan-tiltPosInq | 8x 09 06 12 FF | y0 50 0w 0w 0w 0w 0z 0z 0z 0z FF | wwww: PanPosition zzzz: Tilt Position |
Note:【x】 means the camera address ;【y】=【x + 8】.
VISCA PAN TILT ABSOLUTE POSITION VALUE
| Pan Angle | VISCA Value | Tilt Angle | VISCA Value |
| -170 | 0xF670 | -30 | 0xFE50 |
| -135 | 0xF868 | 0 | 0x0000 |
| -90 | 0xFAF0 | 30 | 0x01B0 |
| -45 | 0xFD78 | 60 | 0x0360 |
| 0 | 0x0000 | 90 | 0x510 |
| 45 | 0x0288 | ||
| 90 | 0x0510 | ||
| 135 | 0x0798 | ||
| 170 | 0x0990 |
VISCA PAN TILT SPEED VALUE
| Pan(Degree/Second) | tilt(Degree/Second) | ||
| 0 | 0.5 | 0 | 0.5 |
| 1 | 1 | 1 | 1 |
| 2 | 1.5 | 2 | 1.5 |
| 3 | 2.2 | 3 | 2.2 |
| 4 | 2.4 | 4 | 3.6 |
| 5 | 2.6 | 5 | 4.7 |
| 6 | 2.8 | 6 | 6 |
| 7 | 3.0 | 7 | 8 |
| 8 | 3.2 | 8 | 10 |
| 9 | 3.4 | 9 | 12 |
| 10 | 3.8 | 10 | 15 |
| 11 | 4.5 | 11 | 18 |
| 12 | 6 | 12 | 23 |
| 13 | 9 | 13 | 30 |
| 14 | 15 | 14 | 39 |
| 15 | 19 | 15 | 48 |
| 16 | 25 | 16 | 59 |
| 17 | 32 | 17 | 69 |
| 18 | 38 | 18 | 80 |
| 19 | 45 | ||
| 20 | 58 | ||
| 21 | 75 | ||
| 22 | 88 | ||
| 23 | 105 | ||
| 24 | 120 | ||
VISCA EXPOSURE VALUE
|
Shutter speed | 60/30mode | 50/25mode |
Iris | 0D | F1.55 | |
| 21 | 1/10000 | 1/10000 | 0C | F2.22 | ||
| 20 | 1/6000 | 1/6000 | 0B | F2.51 | ||
| 19 | 1/4000 | 1/3500 | 0A | F2.68 | ||
| 18 | 1/3000 | 1/2500 | 09 | F2.8 | ||
| 17 | 1/2000 | 1/1750 | 08 | F2.89 | ||
| 16 | 1/1500 | 1/1250 | 07 | F2.96 | ||
| 15 | 1/1000 | 1/1000 | 06 | F3.03 | ||
| 14 | 1/725 | 1/600 | 05 | F 3.08 | ||
| 13 | 1/500 | 1/425 | 04 | F3.13 | ||
| 12 | 1/350 | 1/300 | 03 | F3.18 | ||
| 11 | 1/250 | 1/215 | 02 | F3.22 | ||
| 10 | 1/180 | 1/150 | 01 | F3.4 | ||
| 9 | 1/125 | 1/120 | 00 | CLOSE | ||
| 8 | 1/100 | 1/100 | ||||
| 7 | 1/90 | 1/75 | ||||
| 6 | 1/60 | 1/50 | ||||
| 5 | 1/30 | 1/25 | ||||
| 4 | 1/15 | 1/12 | ||||
| 3 | 1/8 | 1/6 | ||||
| 2 | 1/4 | 1/3 | ||||
| 1 | 1/2 | 1/2 | ||||
| 0 | 1/1 | 1/1 | ||||
|
Gain | 0 | 0dB |
Gain | 8 | 16dB | |
| 1 | 2dB | 9 | 18dB | |||
| 2 | 4dB | 10 | 20dB | |||
| 3 | 6dB | 11 | 22dB | |||
| 4 | 8dB | 12 | 24dB | |||
| 5 | 10dB | 13 | 26dB | |||
| 6 | 12dB | 14 | 28dB | |||
| 7 | 14dB |
- Under working mode, press the MENU key on the IR remote controller, to enter the OSD menu as bellow:

- After enter the main menu, use the
navigate UP/DOWN key to select the main menu. Once been selected, the main menu will change to blue background, and the right side will show all sub menu options . - Press the navigate RIGHT key to enter sub menu; use UP/DONW key to select the sub menu;use LEFT/RIGHT key to select parameter.
- Press the MENU key again to return to previous menu. Press the MENU key continuously to exit the OSD menu. Before exiting, will show up a window to select whether need to save all settings(useLEFT/RIGHT key to set). As bellow:

- OSD Menu Setting List
|
SYSTEM | PROTOCOL | VISCA |
| ADDRESS | VISCA:1~7 PELCO-P/D:1~255 | |
| BAUD RATE | 2400,4800,9600,115200 | |
| PTL LOCK | Protocol lock: once set, above protocol setting will be locked, to avoid changes | |
| RS485 | RS485 ON/OFF | |
| VGA OUT | VGA output can be YPbPr or VGA output (customized) | |
| TRANSFER | IR Transfer/IR Pass function | |
| LANGUAGE | Chinese, English, Spanish, Russian |
|
EXPOSURE | EXPOSURE MODE | AUTO、MANUAL、BRIGHT, SHUTTER, IRIS |
| SHUTTER | Shutter speed:1/8~1/10000, only valid under manual mode | |
| IRIS | Iris setting:CLOSE~F1.5, only valid under manual mode | |
| GAIN | Gain setting:0dB~28dB , only valid under manual mode |
| BRIGHT | Bright setting:0~15, only valid under bright priority mode. | |
| EC MODE | Exposure compensation ON/FF | |
| EC POSI | Set exposure compensation lever | |
| BLC | Back light compensation ON/FF |
|
IMAGE | WB MODE | White Balance:AUTO 、 INDOOR 、 OUTDOOR 、 MANUAL 、 OUTAUTO、ONEPUSH, ATW |
| R GAIN | Red gain level: 0~255, only valid under manual white balance mode. | |
| B GAIN | Blue gain level:0~255 , only valid under manual white balance mode. | |
| COLOR G | Color gain setting: 0~14 (Not Available) | |
| FLICK | Anti-Flicker setting:50/60HZ, to reduce the video flicker | |
| FREEZE | Image freeze when run preset(customization) | |
| DZOOM | Turn on/off digital zoom | |
| FOCUS | Select focus mode |
|
QUALITY | 2D NR | 2D noise reduction:0~5, the bigger value, the less noise on image, the
lower resolution |
| 3D NR | 3D noise reduction:0~3, the bigger value, the less motion noise on image. | |
| SHARPNESS | Sharpness setting: 0~6, the higher value, the higher resolution. | |
| CONTRAST | Set contrast level | |
| SATURATION | Set saturation. | |
| TRACK MODE | Absolute position mode selection: PRECISE/FLUENT | |
| GAMMAR | Select gammar level |
|
PTZ | PWR ACT | Set power on action: OFF, PRE1, PRE2 |
| SPEEDBYZ | Speed by zoom: proportional speed, the bigger zoom, the slower speed. | |
| MOUNT M | Mount mode: up, down | |
| FLIP.HOR | Flip horizontal | |
| FLIP VER | Flip vertical | |
| PT SPD | Set pan tilt speed | |
| ZOOM SPD | Set zoom speed | |
| MENU MIR | Turn on/off left/menu mirror function. |
|
VIDEO FORMAT | 1080P59.94 | 1080P25 |
Once selected, press OK key to confirm. |
| 1080P50 | 720P59.94 | ||
| 1080I59.94 | 720P50 | ||
| 1080I50 | 720P29.97 | ||
| 1080P29.97 | 720P25 |
|
RESET | SYS RESET | System reset |
| CAM RESET | Camera reset | |
| PT RESET | Pan tilt reset | |
| ALL RESET | All reset | |
| ZOOM
DISPLAY | Select if zoom display |
|
MESSAGE | IR ADDR | Camera IR control address |
| FOCUS | Focus mode | |
| CLIENT | Client protocol, can’t be changed | |
| MODEL NO. | Model number | |
| ARM VER | ARM version | |
| FPGA VER | FPGA version | |
| CAM VER | Camera version | |
| RELEASE | Software release date |

Note: the video quality may be affected by the specific frequencies of electromagnetic filed.









![Ptzoptics 20x 3g-sdi Gen 2 Live Streaming Ptz Camera User Manual [pt20x-sdi-gy-g2 Pt20x-sdi-wh-g2] Ptzoptics 20x 3g-sdi Gen 2 Live Streaming Ptz Camera User Manual [pt20x-sdi-gy-g2 Pt20x-sdi-wh-g2]](https://static-data1.manualsee.com/1/img/440/60714/2021/02/PTZOptics-20x-3G-SDI-GEN-2-Live-Streaming-PTZ-Camera-User-Manual-PT20X-SDI-GY-G2-PT20X-SDI-WH-G2.jpg)















