3570HRGKIT Room Guard Kit
Instruction Manual
Hi-O ROOM GUARD KIT CONTENTS
The Hi-O ROOM GUARD kit (3570HRGKIT) contains the necessary components for a typical two (2) door Room Guard installation, except for the Door Furniture which needs to be ordered separately.
Hi-O Room Guard Kit Contents
2 x 3570ELHRG0SC Hi-O Room Guard Lockset (including 2m Door Loom)
2 x RG3SC Room Guard Turnknob
2 x HLM-008 Hi-O 8 metre Extension Cable
2 x LC881 0 Lead Cover
1 x HLM-004 Hi-O 4 way Adaptor
1 x HLM-011 Hi-O Terminal Strip Adaptor Set
1 x HLM-012 Hi-O Termination Socket
1 x HPS-24VDC Power Supply
2 x Emergency Override Switches
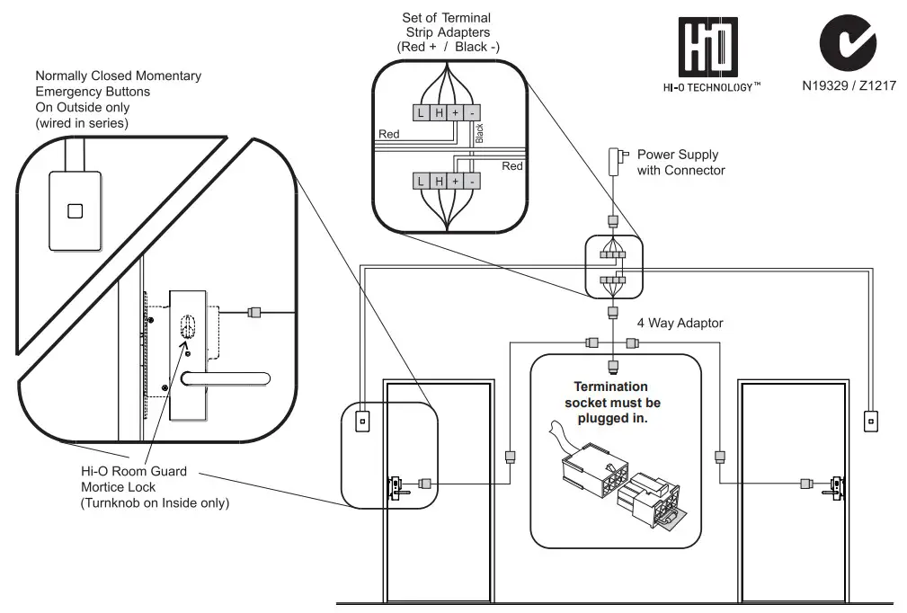
SYSTEM CONNECTION
- Choose a suitable place for the power supply and connections. If installed outdoors, the power supply and all connections must be housed in a suitable protective
enclosure. - A standard 240-volt power outlet is required in the vicinity of the power supply.
- Wire the power supply, emergency switches, and locks as specified in the wiring diagram. Ensure the termination socket is plugged in.
- The 2m door cables need to be passed through the door and power transfer device before fitting the crimp pins into the plastic plug housing according to the diagram.
Take care not to damage the pins when passing the cable through the door. The pins must be inserted into the housing in the orientation shown. - When connecting the wires to the terminal strips, make sure no loose strands of wire are left which could cause a short circuit.
- There is a provision for emergency override switches to be connected. These switches are discreetly mounted outside the room. When pressed, the doors will immediately unlock.
- The emergency switches must be momentary type, rated for the required current, and must be wired using the normally closed contacts in series with the power supply, such that power is disconnected to the locks when the switch is operated. If not using an emergency override, the power supply may be directly plugged into the 4-way adaptor.
- All locks must be set to fail-safe.
LOCK OPERATION
- When the occupants of a room wish to lock the doors:
- All doors must be closed.
- The ‘Lock Door’ turnknob is operated (turned momentarily).
- All doors will now be locked on the exterior side and the LED on the furniture plate (if applicable) will change from green to red.
- To exit the room, open the door from the inside at any time. All doors will unlock.
TROUBLESHOOTING
- If the hardware has been installed and wired but it will not function, check the following:
- If the furniture LEDs are not illuminated, check the power is correctly wired.
- If emergency override switches are used, check that they are wired as Normally Closed.
- Check the termination socket is fitted to provide termination to the Hi-O network.
- Check that the magnets for the reed switches have been installed and are aligned correctly (refer to Lockset fitting instructions).
- Check that the door gap is 3mm.
- Check that the latch bolt is fully extending into the strike plate (not bottoming out or being prevented from extending due to side pressure on the latch bolt).
WIRE ASSIGNMENTS
| Pin | Colour | Description |
| 5 | RED | +10-28Vdc |
| 1 | BLACK | 0Vdc |
| 2 | WHITE | CAN_H |
| 4 | BROWN | CAN_L |
POWER SUPPLY:
CURRENT CONSUMPTION
(PEAK/HOLD): (per lockset)

10-28 Vdc REGULATED
500/80mA@12Vdc
275/80mA@24Vdc


Note: For use without Emergency Switches, Power Supply is plugged directly into the 4 Way Adaptor.


















