LEHMANN L3NF13CX Electronic Furniture Lock Instruction Manual

GENERAL DESCRIPTION
The Captura 100 MIFARE® lock is a battery-operated electronic furniture lock based on RFID technology, which is intended for use in living and office areas inside buildings. These operating instructions provide you with information on how to operate the locking system without errors.
Keep the operating instructions in an easily accessible place. Improper use can destroy the locking system and lead to the loss of any warranty claims. Please be sure to observe all warnings and read the operating instructions completely before proceeding with installation, commissioning and programming. It may be possible to use our locks and locking systems together with mechanisms made by other manufacturers, but their compatibility must be checked in each individual case.
We cannot accept any liability for damage or loss due to incompatibility.
Wording and graphics have been prepared with care. However, no liability will be assumed for any mistakes that may have occurred. Technical specifications as well as the scope of items in the system are subject to change without notice.
CAUTION:
The lock can be configured with master and programming cards or with the LEHMANN Management
Software LMS. These operating instructions describe how to use the locking system with master and programming cards. The software LMS and the corresponding documents can be found at https://
lms.lehmann-locks.com.
TECHNICAL SPECIFICATIONS
| Frequency | 13,56 MHz National legislation about permissible radio frequencies must be observed. |
| RFID technology | MIFARE® Classic, MIFARE® DESFire® EV1, EV2 |
| Supported transponders | Compatible with the following RFID transponders: • MIFARE® Classic / • MIFARE® DESFire® / • ISO 14443A Existing transponders must be checked for compatibility! |
| Energy supply | 1 x CR123A |
| Operating temperature | -5 °C to +60 °C |
| Storage temperature | -25 °C to +70 °C |
| Reading distance | Up to 30 mm with LEHMANN user cards (MIFARE® DESFire® EV1). Other transponders may have a shorter reading distance and must be checked in advance. The material of the furniture can influence the reading distance. A test on the furniture regarding the reading distance is therefore recommended. |
| Type designation | L3NF13CX |
SAFETY PRECAUTIONS
- Pack the battery for the transport of the lock so that no short circuit can occur (risk of explosion and fire).
- When replacing the battery, make sure that the polarity and position of the battery is correct!
- Dispose of used batteries properly!
- Do not heat batteries, take them apart or short-circuit them!
- Never throw batteries into open fire!.
- The battery must not be charged!
- Keep the product away from children, as small parts may be swallowed!
- Any persons swallowing batteries must seek immediate medical advice!
- Damaged and/or leaking batteries may cause acid burns and/or poisoning!
CARE AND MAINTENANCE
- Do not spill any liquid over or into the individual components of the lock, and never immerse the components in any liquid.
- The product should not be exposed to direct sunlight.
- Clean the lock and the components with a clean, soft, damp cloth only.
- Do not use any cleaning agents containing abrasives or solvents, as these may damage the housing.
- Treating any of the electronic and mechanical components improperly or in any way other than described in these operating instructions may lead to malfunctions and the loss of warranty.
- Change the battery in good time. At the latest, when the lock issues corresponding battery warnings.
FACTORY SETTINGS
The lock can be closed and opened at this point of time with one or more installation cards. After a Master card has been programmed, the lock is in the operating mode “assigned use“ and the installation card cannot be used any more.
FUNCTIONAL DESCRIPTION
With the Captura 100 MIFARE® lock, you can conveniently lock and unlock your furniture. Non-contact RFID technology based on 13.56 MHz is used as the “key“. Two operating modes are available:
| Operating mode | Description |
| Assigned use | There is a fixed assignment between the transponder cards and the locks. The user cards are programmed or deactivated at the lock by means of a master card. The system thus allows the granting of selective access authority for an item of furniture (e.g. cabinet), so that only authorised persons with a transponder card have access. A transponder card can be programmed simultaneously on multiple locks with “Assigned use“ operating mode. Up to 250 different transponder cards can be programmed per lock. |
| Shared use | With the user card, a user can use a free lock / storage of his choice. It is not possible to program the user card using the master card. If a lock is closed with the user card, the user card and the lock are coupled to each other. The card cannot be used at any other lock in “shared use“ mode, and the lock will not accept any other user card. This coupling is only deactivated when the user opens the lock again with his user card. The card can now be used for another lock. |
Please note that the distance between two or more locks with an inserted battery must be at least 10 cm (lateral distance) and 15 cm (frontal distance) during storage, transport and operation.
OVERVIEW OF TRANSPONDER CARDS
| Card type | Description |
| Installation card (only for assembly and testing purposes) | The installation card can be used specially for assembly and testing purposes in order to perform ba- sic functions on the lock (opening and closing). Furthermore, the lock can be closed using the installa- tion card for transporting the furniture to its destination. This card is for universal use. Any number of installation cards can be used at any lock. Prior programming of a master card is not necessary. After a master card has been programmed for the first time, the lock is disabled for the installation card. The use of an installation card is optional. |
| Master card | For complete commissioning, a master card must be programmed for both operating modes. The master card is required for starting and terminating programming operations. This also includes the programming of user cards in “Assigned use“ mode. The master card also enables the so-called Facili- ty Manager function and the emergency opening of the lock. A maximum of one master card can be programmed per lock. You can use one master card for several locks. |
| User card | User cards are used to open and close the lock. In “Assigned use“ mode, up to 250 user cards can be programmed on one lock. In “Shared use“ mode, one user card can be used temporarily on one lock. It is possible to program one user card on several locks in “Assigned use“ mode, and at the same time on one lock in “Shared use“ mode. |
| Programming card set | For certain programming functions, programming cards are required in conjunction with the master card. The programming card set consists of 3 universal programming cards: • P1: Mode (change of mode) • P2: Sound (activating or deactivating acoustic signals) • P3: Reset (reset to factory settings) |
| Programming card „P4: Auto Locking“ | The universal programming card “P4: Auto Locking“ can only be used in the operating mode “assi- gned use“. The function can be activated together with the master card. After opening the lock with a programmed transponder in the operating mode “assigned use“, the lock closes automatically after 5 seconds once this function has been activated. |
| Update card | In addition to the master card, you will receive an update card. In conjunction with the master card, the update card allows firmware updates to be loaded into this lock. |
| Service key | In addition to the master card, you will receive a card with an individual service key. Please keep the card with the service key carefully and securely. The printed service key allows you to reorder master cards. It is not possible to reorder a master card without a service key! This card has no electronic function! |
As user cards, you can either use LEHMANN user cards or cards of a third-party provider complying with ISO 14443A. Please note the following possible restrictions when using user cards of third-party providers:
- The comprehensive security concept, which was specially designed for this locking system in conjunction with the user cards of LEHMANN Vertriebsgesellschaft mbH & Co. KG, may be affected by the use of user cards of a third-party
- The “Shared use“ operating mode is only possible with user cards from third-party providers if they have the appropriate write permission for the user
Transponder cards with a so-called “Random-UID“ are not supported.
Transponders from third-party providers must be checked for compatibility and for reading distance in advance.
For the highest possible level of safety, transponder cards based on MIFARE® DESFire are recommended.
MIFARE® Classic transponders are of limited use.
Please note that installation cards, master cards, user cards and programming cards must be ordered separately.
Please keep the master card as well as the card with the individual service key carefully and securely!
SYSTEM COMPONENTS AND PACKAGE CONTENTS
Please note that these operating instructions apply to different product versions. The package content therefore depends on the respective product variant. The product variants and mounting recommendations shown here are intended for wooden furniture with a thickness of 16-19 mm. In the case of deviating thicknesses and materials, the screws for mounting the lock must be adapted.
Components:
- Lock Captura
- 4 x countersunk screw 3.5 x 35 cross recess
- Battery (CR123A)
- Cover for battery compartment
- 1 x thermoplastic screw 3x 10 for cover of battery compartment
- Locking pin (here Type A)
- Ejector pin (only optional)
- 2 x half-round 3.5 x 16 cross recess for locking pin
- 1 x countersunk screw 3 x 13 cross recess (only for locking pin Type A)
- Lightpoint (only optional)
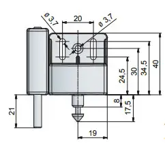
DIMENSIONS
Lock Captura

Locking pin unit SD Type A
Locking pin unit SD Type B

The ejector pin A1 can only be installed together with the locking pin unit SD Type A.
Locking pin unit SD Type B

Front cover C1 for metallic surfaces
A lightpoint pin can optionally be installed to display optical signals on the furniture front
Lightpoint O16.1 for wood with material thickness of 16-21 mm
Lightpoint O10.1 for HPL with material thickness of 10-15 mm
MPORTANT:
Install the lock only when it is unlocked. Hand-tighten all screws. Carry out all programming processes and functional checks with the cabinet door open. In the event of a malfunction, you
always have access to all components.
The use of the ejector pin A1 in conjunction with spring-loaded hinges must be checked on a project basis.
MOUNTING ON NON-METAL SURFACES
Mounting the lock with locking pin SD Type A, e.g. for hinge doors:

* For an adequate fine adjustment of the locking pin, an average dimension of 53 mm is recommended.

Mounting the lock with locking pin SD Type B, e.g. drawer:

ATTENTION: If no lightpoint is installed, a sticker is recommended on the outside of the door, centered behind the ock, for correct positioning of the RFID transponder.
Using the LEHMANN RFID sticker:
- Remove the backing paper.
- Stick the self-adhesive transfer film with the RFID symbol on the outside of the door, centered behind the lock.
- Carefully pull off the transfer film so that only the RFID symbol sticks to the door.
GETTING STARTED AND CHANGING BATTERIES
- Opening the cover of the battery compartment by loosening the screw.
- Insert the battery. Pay attention to the correct polarity of the battery. A long acoustic and an optical signal are provided.
- Then close the battery compartment cover and hand-tighten the screw.
CAUTION:
Use only a CR123A primary-battery. Insert the battery after installing the lock in the furniture.
TIPS FOR THE FOLLOWING PROGRAMMING STEPS
The last 5 seconds before the shutdown of the programming process are announced by the flashing of a yellow lamp and acoustic signals.
Optical signals are only available after mounting the optional lightpoint. The visual and acoustic signals are differentiated as follows

The RFID antenna is located on the back of the ock. Always place the transponder straight and centered on the lock.

USING THE INSTALLATION CARD (optional)
During installation, one or more installation cards can be used. The installation cards are ready for immediate use and do not have to be programmed. With the installation cards, the basic functions (opening and closing) can be carried out on the lock. It is not possible to program user cards with the installation card. The installation card can no longer be used on a lock as soon as the master card has been programmed.

PROGRAMMING THE MASTER CARD
Irrespective of the desired operating mode, a master card must always be programmed before further programming and operation. Only one master card can be programmed per lock! The programming of the master card can be carried out when the lock is closed as well as when it is open. If the lock is closed after the master card has been
programmed, the next step must be an emergency opening (see Emergency opening, P. 13).

The locking system is in “assigned use“ mode after the master card has been programmed. If you would like to use the lock in “shared use“ mode, the next thing to do is to change the operating mode. To do this, please follow the instructions on page 15 and then continue with the section “Closing and Opening“ on page 12.
Programming the User Cards (only for “assigned use” mode)
In “assigned use“ mode, a maximum of 250 different user cards can be programmed per lock. It is not possible to program user cards in “shared use“ mode. In “shared use“ mode, the lock can be opened and closed without first programming the user cards (see Closing and Opening, see below).
After programming, the user cards can open and close the lock.
CLOSING AND OPENING


FACILITY MANAGER FUNCTION
In the event that an authorised person only briefly wants to check whether for example a cabinet is actually occupied, the lock can be opened with the master card. With this function, the lock opens for 30 seconds and then closes automatically. After this automatic closure, authorised user cards can continue to be used in “shared use“ mode as well as in “assigned use“ mode. The last 5 seconds before closing are indicated by optical and acoustic signals.

EMERGENCY OPENING
In the event that one or all authorised user cards are currently not available, an emergency opening can be effected with the master card. Please note that the lock remains open after emergency opening. In the “shared use“ mode, the previously used user card is blocked after emergency opening, and can no longer be used. In “assigned use“ mode, user cards can continue to be used normally.

DELETING INDIVIDUAL TRANSPONDER
CARDS (only for “assigned use” mode)
Insofar as further user cards were programmed on the lock, these can continue to be used on this lock after an individual user card has been deleted. For the deleting process, the lock must be open. To do this, first carry out an emergency opening with the master card if necessary (see Emergency opening, P. 13).
DELETING INDIVIDUAL TRANSPONDER CARDS (only for “assigned use” mode)
Insofar as further user cards were programmed on the lock, these can continue to be used on this lock after an individual user card has been deleted. For the deleting process, the lock must be open. To do this, first carry out an emergency opening with the master card if necessary (see Emergency opening, P. 13).

Should the user card be lost, then please proceed as follows.
DELETING ALL TRANSPONDER CARDS (only for “assigned use” mode)
The deleting process can only be carried out when the lock is open. Should there be no authorised user card to hand,
first perform an emergency opening using the master card.


CHANGING THE OPERATING MODE
The lock has two modes: “assigned use“ and “shared use“. When the lock is open, you have the option of changing the mode. To do this, the master card and the programming card “P1: Mode“ are required. The programming card set must be bought separately from LEHMANN Vertriebsgesellschaft mbH & Co. KG. The cards are for universal use

RESETTING TO FACTORY SETTINGS (RESET)
If a reset to factory settings is required, all master and user cards are deleted. With an installation card the basic functions (close and open) can be carried out. The bolt is retracted, and the lock must be reprogrammed with a master card.
The reset function can be used with the help of the master card and programming card “P3: Reset“. For this, the lock must be open. The programming card set must be bought separately from LEHMANN Vertriebsgesellschaft mbH & Co. KG. The cards are for universal use

ACTIVATION AND DEACTIVATION OF AUTOMATIC LOCKING
With the programming card “P4: Auto Locking”, the function “automatic locking“ can be activated and deactivated in the operating mode “assigned use“. Once the function is activated, the lock closes automatically after 5 seconds after opening the lock with an authorized transponder. It is recommended to activate “automatic locking“ after programming the transponders.
The function can be carried out by using the master card and the programming card “P4: Auto Locking”. To do this, the lock must be in the mode “assigned use“ and in an open position. If the operating mode changes, this function is automatically deactivated. The programming card must be purchased separately from LEHMANN Vertriebsgesellschaft mbH & Co. KG. The card can be used universally.
NOTE: If the function „automatic locking“ is activated, hold the master card in front of the lock immediately after opening in order to start the programming. Otherwise, the lock will lock automatically after 5 seconds. The lock must be in an open position for programming incl. programming user cards

BATTERY WARNING
The locking system is equipped with a battery management system which uses visual and acoustic signals to indicate the need for battery replacement in the event of reduced battery power. The battery warning takes place in two phases:

The settings are saved even without a power supply (e.g. in case of battery replacement, or in case the battery should be completely empty). Battery replacement should be carried out within 2 minutes
REORDERING MASTER CARDS
With this locking system, you have the option of ordering replacements for your master cards at your own expense.
For this you obtained a service key together with the master cards. Please keep the service key carefully and securely.
The service key makes it possible to reorder the master card specified there.
To reorder these cards, please contact LEHMANN Vertriebsgesellschaft mbH & Co. KG at the following email address: [email protected]
In your email, please give us your contact data and the service key. In your email, please also state the number of replacement cards you require.
FIRMWARE UPDATE
You have the option of updating the firmware of the lock. A special adapter is required for this. Firmware updates for this lock are only made available on the website www.lehmann-locks.com if required (e.g. for technical reasons). You will receive further information on the implementation and installation together with the firmware update.
DISPOSAL
Dispose the locking system in accordance with local regulations and guidelines. Remove the battery and dispose them separately in accordance with the national regulations. When disposing of partially discharged batteries, make sure that there are no short circuits between the battery poles (risk of explosion and fire).
TROUBLE SHOOTING
In the following overview you can see the acoustic and visual signals that indicate faults:

Regulatory Information for USA and Canada:
FCC ID: W2YL3NF13CX
This device complies with Part 15 of the FCC Rules. Operation is subject to the following two conditions:
(1) this device may not cause harmful interference, and (2) this device must accept any interference received, including interference that may cause undesired operation.
Changes or modifications not expressly approved by the party responsible for compliance could void the user‘s authority to operate the equipment.
IC: 8141A-L3NF13CX
HVIN: L3NF13CX
This device contains licence-exempt transmitter(s)/receiver(s) that comply with Innovation, Science and Economic
Development Canada’s licence-exempt RSS(s). Operation is subject to the following two conditions:
- This device may not cause interference.
- This device must accept any interference, including interference that may cause undesired operation of the device.
Read More About This Manual & Download PDF:

SAFETY PRECAUTIONS


















