HELIOS HPS-iSTS-R Rail Mount Static Transfer Switch

SAFETY INSTRUCTIONS
Introduction
Some aspects of this manuals contents may differ to the equipment as supplied due to technical improvements, specific model variations etc. If in any doubt in respect to the procedures and safety issues consult the manufacturer and do not proceed until clarification is received. This manual contains important instructions that should be followed and fully understood before proceeding and commissioning and operation to prevent harm to personnel and equipment. Installation and commissioning should be carried out only by qualified and experienced electricians. The iSTS should be operated by technically qualified personnel that are authorized, experienced and have knowledge and understanding of the equipment and the critical loads, using the documented procedures. Read this whole document thoroughly. Understand every aspect before proceeding. Request further assistance if you do not understand any aspect of the operation of the iSTS. Support and contact numbers are at the end of the manual.
These instructions cover normal operation in the automatic as well as in manual modes. Special operating conditions, such as short circuit tests, input supplies, etc., are not covered in this document. These operations require comprehensive knowledge of the overall system and should be carried out by properly qualified, skilled and competent service personnel only.
Transport, Storage, Unpacking
Procedure for Receiving Shipment:
- If the packaging is damaged unpack carefully and inspect the unit. We recommend that if there is any sign of mechanical damage that the unit not be powered up; but, returned for re-processing
- If damage is discovered, inform carrier immediately and follow normal procedure for a carrier inspection and filing of a concealed damage claim to the courier or your insurance company.
- Take a picture of the carton and contents as a record.
- If the packaging is OK, then please keep the packaging in a secure place in case the unit needs to be returned for repair.
Installation
The following instructions are provided for the personal safety of operators and also for the protection of the described product and connected equipment.
- Observe the prescribed accident prevention and safety rules for the specific application.
- When installing the iSTS strictly observe all information on technical data and operating conditions. Comply with all warnings, and strictly follow the procedures and practices as described in this manual.
- This iSTS is intended to be used in a controlled indoor environment and free of conductive contaminants and protected against animal intrusion.
- It is important that the unit has adequate ventilation. Maintain air movement around and through the unit. Do not block the air vents or restrict airflow over the heatsinks.
- The unit must be placed in a sufficiently ventilated area; the ambient temperature should not exceed 35°C (95°F).
- Do not install the iSTS in an excessively humid environment or near water, relative humidity should not exceed 90% at 20°C (68°F).
- Avoid spilling liquids or dropping any foreign object into the iSTS.
- Once the connections have been made on the terminals, check and ensure there are no exposed conductors.
- Connecting cables must be supported.
Electrical Connection
- For cable up to 4mm²
- All cables connecting to the iSTS should be supported and must not put any strain on the point of connection within the iSTS.
- All electrical connections are to be realized by properly qualified, skilled and competent service / installation personnel only
- Consider electrical distribution discrimination carefully. The iSTS has two incoming AC power sources; We recommend that the supplied fuses be installed adjacent to the iSTS. These should discriminate with downstream protective devices. The upstream iSTS supply breaker/fuse if used should only open if the downstream device protection is unable to trip or there is a fault within the iSTS or the load.
Synchronism
The smoothest change-over occurs when the supplies are in synchronism. If an asynchronous transfer occurs, large currents may flow into the load which can damage trip & protective devices, blow fuses, saturate and cause damage to transformers. If possible, it is best to make sure the supplies are in synchronism.
Fire Regulations
Should a fire break out inside the system a fire extinguisher with CO2 or Halon must be used. Do not inhale vapours.
Standards Applied & Conformity
The iSTS R conforms to the following standards and European Council Directives:
Standards to which conformity declared:
- IEC 60950-1 Information technology equipment Safety – General requirements
- IEC 62310-1 Static transfer systems (STS) – General and safety requirements
- IEC 62310-2 Static transfer systems (STS) – Electromagnetic compatibility (EMC) requirements
- IEC 62310-3 Static transfer systems (STS) – Part 3: Method for specifying performance and test requirements
Application of Council Directives:
- 2006/95/EC Low Voltage Directive
- 1992/31/EEC EMC Directive
- 1993/68/EEC EMC Directive amendments
- 2011/65/EU Hazardous substances in electrical and electronic equipment – RoHS
Year of CE marking: 2015-2016
The Standards mentioned above fulfil the requirements for CE marking
Warranty
Static Power operating through its authorised agents warrants that the standard products will be free of defects in materials and workmanship for a period of 24 months after the date of invoice, or such other period as may be specified.
This warranty does not cover failures of the product which result from incorrect installation, misuse, alterations by persons other than authorized agents or abnormal operating conditions.
SYSTEM OVERVIEW & OPERATION
Description
A Static Transfer Switch (STS) provides your critical load or single cord (single supply), equipment with an alternative supply source, thus increasing and improving power reliability and availability.
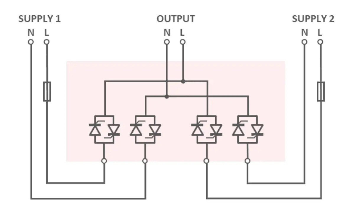
The iSTS R is a 2 pole, single phase DIN Rail mount STS that suits 35mm x 7.5mm rail. Both the active conductor and the neutral are switched. Thyristors are used to undertake the switching process. These are many times faster and more reliable than their electromechanical equivalents.
The iSTS continuously monitors the supply sources and should the presently connected supply fail or degenerate or become useable, the critical load is automatically and transparently transferred to the alternate source.
This switching process is undertaken as a break before make transfer. The break in the supply transition is so short that it is not seen by the critical load. This is preferable to a make before break (or overlapping) changeover because when the two supplies are different and connected together large and unpredictable currents would flow between the sources degenerating both supplies and therefore the supply to the critical load. In case of downstream fault the iSTS will not transfer the fault to the alternate supply even if the voltage is adversely affected. Once the fault current has cleared the iSTS will resume normal operation protecting the critical loads from voltage disturbances, (10 second settling time).
Line Diagram

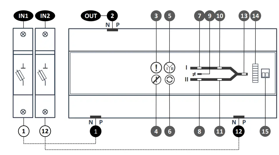
Overview & Operations

| 1 | Supply 1 Input | Push-in terminal suits 4mm² cable, use a small blade type screwdriver in the top slot and press in; insert the cable and release. Repeat for the Neutral Conductor. Note the neutral is not fused. Bare the wire just 8mm. |
| 2 | Output Terminal | Push-in terminal suits 4mm² cable, use a small blade type screwdriver in the top slot and press in; insert the cable and release. Bare the wire just 8mm. |
| 3 | Alarm LED | When there is an alarm that has not been acknowledged this LEDs will flash. If the alarm has been acknowledged but the condition still exists, the LEDs will remain on. The Alarm LED and the Remote Contact will be triggered when:
|
| 4 | Alarm Cancellation Button | Pressing this button acknowledges new alarms, causing the audible alarm to turn off and the LEDs to go from flashing to solid. |
| 5 | Preferred Indicator | These three LEDs indicate which supply is selected as the preferred supply. Supply 1 ‘I’, Supply 2 ‘II’ or neither may be selected. |
| 6 | Preferred Button | Pressing this button repeatedly will scroll through which supply is selected as the preferred supply. |
| 7 | Supply 1 Okay LED | Green/Red indicated that Supply 1 is within/out of tolerance. If fuse is open or blown or there is no power present the power available LED will be Red. |
| 8 | Supply 2 Okay LED | Green/Red indicated that Supply 2 is within/out of tolerance. If fuse is open or blown or there is no power present the power available LED will be Red. |
| 9 | Sync Okay LED | Green/Red indicated whether Supply 1 and Supply 2 are within/not within enough degrees of synchronisation of each other to perform a transparent transfer. |
| 10 | On Supply 1 LED | Green/Red indicates the load is on/not on Supply 1. |
| 11 | On Supply 2 LED | Green/Red indicates the load is on/not on Supply 2. |
| 12 | Supply 2 Input | Push-in terminal suits 4mm² cable, use a small blade type screwdriver in the top slot and press in; insert the cable and release. Repeat for the Neutral Conductor. Note the neutral is not fused. Bare the wire just 8mm. |
| 13 | Output Okay LED | Green/Red indicated the output is OK/faulty. |
| 14 | Load LEDs | There are eight LEDs, the bottom six are Green and indicate roughly 10% – 90% loaded. The seventh LED is orange and indicates 100% loaded. The eighth LED is Red and indicates that the iSTS is over loaded. |
| 15 | Remote Contact | Voltage free alarm for integration into BMS. Do not connect any more than 50V/0.5A, not suitable for 230VAC. Contacts are Normally Closed. Contact is held Open when there is no alarm. When power fails the relay contact closes (fail safe). The Remote Contact and the Red Alarm LED are driven by the same logic. |
Operational Parameters
Absolute Maximum Values
| Min | Max | |
| Input Voltage | – | 265V |
| Load Current | – | 16A |
| Input Synchronization | -180° | +180° |
| Ambient Temperature | -20°C | 35°C |
Recommended Values
| Min | Max | |
| Input Voltage | 210V | 255V |
| Load Current | 1A* | 16A |
| Input Synchronization | -15° | +15° |
| Ambient Temperature | 0°C | 35°C |
*Due to the nature of the silicone controlled rectifiers used in all static transfer switches, some current must be applied to the iSTS to ensure a clean break during transfers.
Overload Capacity
| Load | Time |
| 32A | 30s |
| 50A | 10s |
| 63A | 1s |
| 300A | 1 cycle |
INSTALLATION
Safety
The iSTS is powered from two separate sources. Relevant signage and procedures shall be in place.
This equipment receives power from more than one source. Disconnect output and all input sources of power from this equipment before servicing.
Do not proceed with the installation or operation of the iSTS if it has been damaged. Carefully inspect the iSTS for any damage that may have occurred during shipping, unpacking or during and after any installation process. Take care when handling the iSTS and ensure that it is physically supported during the installation process. At the end of the installation process the iSTS should be firmly and securely fixed to the rail.
The iSTS R is supplied with 2 Din Rail Mounted Fuse-switch disconnectors complete with cylindrical fuse-links (10×38 type aR – 16/20A) and these should be placed adjacent to the “iSTS R”. Ensure that there is sufficient space between the iSTS and the fuse holders and adjacent equipment for cooling of the iSTS.
The iSTS and fuses should be mounted only vertically.

Ensure the cables are securely connected and supported. There should be NO live exposed or accessible contacts that could cause electrical shock if contact is able to be made. Leakage currents could cause dangerous voltages to appear on the incoming leads which can be a shock hazard and cause equipment damage if contact with other equipment is inadvertently made.
This equipment is not suitable for installation into environments that utilise RCD earth leakage detectors on the inputs of the static transfer switch.
Treat AC incoming leads as live if disconnecting from source.
Synchronism
The smoothest change-over occurs when the supplies are in synchronism, so it is best to make sure the input supplies are in synchronism. Some equipment (like transformers) may saturate when a transfer occurs when not in synchronism. This causes large currents to flow into the load which could cause damage to the transformer, trip protective devices or blow fuses.
The iSTS is configured by default to have a 12ms break inserted if the phase difference between the sources exceeds 30 degrees.
The break has been inserted for a safe mode on purpose when the sources are out by more than 30 degrees.
Remote Monitoring Relay
Contacts are normally closed. Contact is held open when there is no alarm. Do not connect any more than 50V/0.5A, not suitable for 230VAC.
Provide physical separation between control circuits and power circuits to reduce interference. Make sure that all control wiring is protected and securely supported so that it is not inadvertently unplugged or removed whilst other equipment is being installed or removed within the enclosure.
Setup
a) Ensure that the two input sources are within tolerance, and that they are in synchronism (±5% of rated voltage, <10% THD, <15° phase difference).
b) Connect your critical load to the OUTPUT. NOTE: Due to the nature of Silicone Controlled Rectifiers (SCRs), some load (~0.5A) is required for correct operation.
c) Connect the sources to SUPPLY 1 and SUPPLY 2. If you wish to Confirm Operation you will need to be able to switch both sources on and off.
Start-up
a) Apply power to both input sources.
b) There will be a short (15 sec) start-up period, after which the iSTS will begin powering your load.
c) Confirm that the load is receiving power.
d) Ensure that LEDs are correctly representing the supply status and load. NOTE: Only On Supply 1 LED or On Supply 2 LED should be red.
Confirm Operation
a) Use the Preferred Button to highlight ‘I’ on the Preferred Indicator. Wait for the On Supply 1 LED to turn green (if is not already).
b) Turn OFF Supply 1, and confirm that the iSTS transfers to ‘II’ (On Supply 2 LED – green).
c) Turn ON Supply 1, and confirm that the iSTS auto transfers to Supply 1 after a 3 second delay (On Supply 1 LED – green).
d) Use the Preferred Button to highlight ‘II’. Wait for the iSTS to transfer to Supply 2 (On Supply 2 LED – green).
e) Turn OFF Supply 2, and confirm that the iSTS transfers to Supply 1 (On Supply 1 LED – green).
f) Turn ON Supply 2, and confirm that the iSTS auto transfers to Supply 2 after a 3 second delay (On Supply 1 LED – green).
g) Select your preferred supply if any.
Load Fault
In case of sustained high current output load faults, the iSTS will inhibit a transfer to the alternate supply even if this means degradation or loss of source supply. It is therefore imperative that you ensure that the discrimination
with downstream and upstream protective devices ensures that the downstream protective device always clears the fault first.
In case that all output is lost the faulty equipment should be located and removed from the iSTS output before re-instatement of power.
If the unit is inoperable then it should be returned to the manufacturer for repair or replacement.
Diagnostic Guide
Before starting this guide it is important that you are familiar with the unit and have read the iSTS R User Manual.

Overview
The diagnostic mode is used to view important events that have occurred on the STS. Up to 32 previous events are recorded, once 32 events are present the oldest event is pushed out to make room for the incoming event.
Diagnostic mode entry and exit
To enter or exit diagnostic mode press and hold the Alarm button for 2 seconds. You will hear a quick double beep upon successful entry and exit.
In diagnostic mode the following changes to the user interface decal apply.
Previous Navigates to the previous event in the list
Next Navigates to the next event in the list
Event Position Display where you are in the list (start, middle, end)
Event Code Represent the event code in binary, starting with bit 0 at the bottom
Event description and codes
| Code | Event | Description |
| 15 | S1 Fault | Supply 1 transient or average fault detected |
| 14 | S2 Fault | Supply 2 transient or average fault detected |
| 13 | Output Average Fault | Output average voltage out of range |
| 12 | Output Transient Fault | Output voltage transient condition |
| 11 | S1 SCR OC | Supply 1 SCR open circuit detected |
| 10 | S1 SCR SC | Supply 1 SCR short circuit detected |
| 9 | S2 SCR OC | Supply 2 SCR open circuit detected |
| 8 | S2 SCR SC | Supply 2 SCR short circuit detected |
| 7 | S1 Active | Supply 1 is feeding the output |
| 6 | S2 Active | Supply 2 is feeding the output |
| 5 | Transfer Inhibit | Transfer inhibit condition caused by unstable or overloaded supply |
| 4 | Sync Fault | Supply 1 and Supply 2 out of sync |
| 3 | Overload Fault | Output load current above nominal rating |
| 2 | Preferred Change | User has changed preferred supply |
| 1 | Fire S1 | Internal logic is activating Supply 1 |
| 0 | Fire S2 | Internal logic is activating Supply 2 |
Events and code examples

RECOMMENDED MAINTENANCE SCHEDULE
- Once per month check the status of the LEDs on the front panel of the iSTS. The LEDs on the mimic should be Green. The LEDs of the load indicator at the right of the decal should all be Green. If there Orange or Red LEDs on the bar graph then the iSTS is being overloaded.
- Once every 6 months, (sooner if the environment is bad), vacuum dust from grills at top and bottom of unit.
- Inspect cable / plug connections for overheating
Please contact Static Power for help with troubleshooting and parts replacement.
SPECIFICATIONS
| Current rating | 1Ph: 16A max |
| Voltage rating | 115V or 230V±10% |
| Type | 1-Phase/2-Pole |
| Frequency | 50Hz and 60Hz, ±10% – Auto detection |
| Transfer type | Break-Before-Make zero current transfer by Thyristors / SCR |
| Break time | Synchronous: up to ¼ cycle – Asynchronous: 12ms |
| MTBF | >500,000 hours |
| Isolation | No source isolation |
| Display | LED mimic decal with load indicator |
| Interface | Preferred supply selection, Source transfer selection and Alarm cancel button |
| Contact | One voltage free general alarm contact |
| Input option | Up to 4mm2 terminals |
| Output option | Up to 4mm2 terminals |
| Dimensions | L215 x D60 x H90mm |
| Weight | 0.7kg |
| Temperature | 0 – 35°C |
| IP rating | IP30 |
| Detection | Digital: <1ms |
| Asynchronous break time | Up to 12ms |
| Loading | 0 – 100% @35°C ambient |
| Device ratings | 56ARMS , 1200V, 300A for 1 cycle |
| Overload @40°C ambient | 32A for 30s 100A for 2 cycle 63A for 1s 300A for 1 cycle |
| Fault current setting | 250% peak with load fault transfer inhibit |
| Protection | External DIN rail mounted fuse isolator 10x38mm – 16/20A type aR |
| Power factor | No practical limit |
| Max THDV | 10% – Max allowable source voltage distortion |
| Crest factor | 3 : 1 |
| dV/dt max | 800V/μs |
| Cooling | Redundant fans |
| Humidity @40°C ambient | 5 – 95% non-condensing |
| Regulatory approvals | IEC 62310-1,2,3 – IEC 60950 – IEC 61000-6-1,2,3,4 – CE – RCM |
| Standard warranty | 24 months offsite repair or replacement policy |
Specifications are subject to change without notice



















