KITXWXSM1UP Mounting kit
Instruction Manual
KITXWXSM1UP Mounting kit
EXTRA TALL MICRO-ADJUST
STATIC WALL MOUNT![]()
DISCLAIMER
Legrand | AV and its affiliated corporations and subsidiaries (collectively “Legrand | AV”), intend to make this manual accurate and complete. However, Legrand | AV makes no claimthat the information contained herein covers all details, conditions or variations, nor does it provide for every possible contingency in connection with the installation or use of this product. The information contained in this document is subject to change without notice or obligation of any kind. Legrand | AVmakes no representation of warranty, expressed or implied, regarding the information contained herein. Legrand | AV assumes no responsibility for accuracy, completeness or sufficiency of the information contained in this document.
Chief® is a registered trademark of Legrand AV Inc.
DEFINITIONS
WARNING: A WARNING alerts you to the possibility of serious injury or death if you do not follow the instructions.
CAUTION: A CAUTION alerts you to the possibility of damage or destruction of equipment if you do not follow the corresponding instructions.
MOUNTING SYSTEM: A MOUNTING SYSTEM is the primary Chief product to which an accessory and/or componentis attached.
ACCESSORY: AN ACCESSORY is the secondary Chief product which is attached to a primary Chief product, and may have a component attached or setting on it.
COMPONENT: A COMPONENT is an audiovisual item designed to be attached or resting on an accessory or mountingsystem such as a video camera, CPU, screen, display, projector, etc.
IMPORTANT SAFETY INSTRUCTIONS
WARNING: Failure to read, thoroughly understand, and follow all instructions can result in serious personal injury, damage to equipment, or voiding of factory warranty! It is the installer’s responsibility to make sure all parts are properly assembled and installed using the instructions provided.
WARNING: Failure to provide adequate structural strength for this mounting system can result in serious personal injury or damage to equipment! It is the installer’s responsibility to make sure the structure to which this mounting system is attached can support five times the combined weight of all equipment. Reinforce the structure as required before installing the mounting system.
WARNING: Exceeding the weight capacity can result in serious personal injury or damage to equipment! It is the installer’s responsibility to make sure the combined weight of all components located on the KITXWXSM1UP does not exceed 250 lbs (113.4 kg).
WARNING: Use this mounting system only for its intended use as described in these instructions. Do not use attachments not recommended by the manufacturer.
WARNING: Never operate this mounting system if it is damaged. Return the mounting system to a service center for examination and repair.
WARNING: Do not use this product outdoors.
IMPORTANT!: The KITXWXSM1UP mount is designed to be mounted to:
- a bare concrete wall with a minimum thickness of 8″ (203mm);
- a bare 8″ x 8″ x 16″ (203mm x 203mm x 406mm) concrete block wall; or
- wood studs spaced 24″ or 32″ (610mm or 813mm) on center with a maximum drywall covering of 5/8″.
–SAVE THESE INSTRUCTIONS–
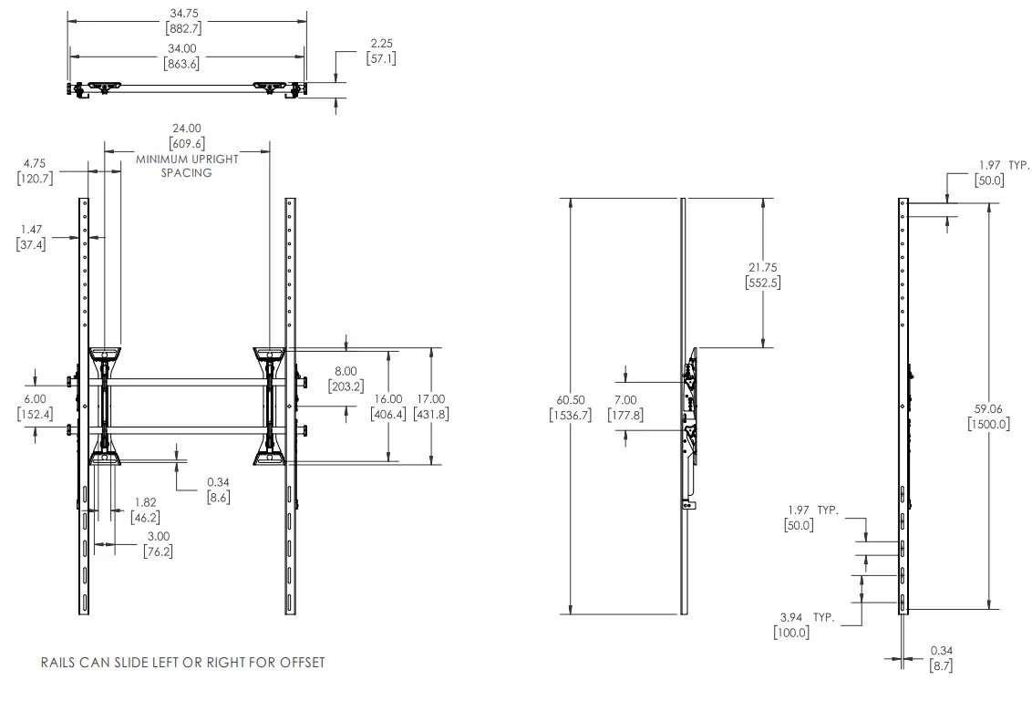
DIMENSIONS
- MAXIMUM MOUNTING PATTERN IS 32.8″ (833 mm) WITHOUT REVERSING UPRIGHTS
- MAXIMUM MOUNTING PATTERN IS 35.1″ (891.5 mm) WITH REVERSING UPRIGHTS
- FOR RECESSED APPLICATIONS, MINIMUM VERTICAL LIFT FOR HOOK ENGAGEMENT IS .625″ (15.8 mm)
BACKWARDS ANGLE COMPENSATION SETTINGS
DIMENSIONS: [INCHES] MILLIMETERS
| Tighten Fastener | Pencil Mark | ||
| Loosen Fastener | Drill Hole | ||
| Phillips Screwdriver | Adjust | ||
| Open-Ended Wrench | Remove | ||
| By Hand | Optional | ||
| Hex-Head Wrench | Security Wrench |
TOOLS REQUIRED FOR INSTALLATION

PARTS

INSTALLATION
The KITXWXSM1UP mount is designed to be mounted to:
- a bare concrete wall with a minimum thickness of 8″ (203mm);
- a bare 8″ x 8″ x 16″ (203mm x 203mm x 406mm) concrete block wall; or
- wood studs spaced 24″ or 32″ (610mm or 813mm) on center with a maximum drywall covering of 5/8″.
The included static brackets will keep the TV in an upright position.
Locate Mounting Site
WARNING: IMPROPER INSTALLATION CAN LEAD TO MOUNT FALLING CAUSING SEVERE PERSONAL INJURY OR DAMAGE TO EQUIPMENT! It is the installers responsibility to make certain the structure to which the mount is being attached is capable of supporting five times the combined weight of all components located on the mount, not to exceed 250 lbs (113.4 kg).
NOTE: Proceed to either the Installing to a Wood Stud Wall section or the Installing to a Concrete Wall section.
Installing to a Wood Stud Wall
CAUTION: MINIMUM HORIZONTAL DISTANCE BETWEEN WALL BRACKETS IS 24″ (610mm). Do not place mounting brackets closer together than 24″ (610mm). When attaching to a wall containing studs located 16″ on center, space the uprights 32″ (813mm) apart.
- Determine the center of the TV screen, and where it should be located on the wall.
- Locate the closest stud to the left and right of the selected location.
NOTE: If the screen area lies over a stud, use that stud and the stud to either the left or right of it. - Line up the notches on mount (Y) with center of screen marking to determine vertical center. (See Figure 1)
- Measure up 8″ (203mm) from the center point to mark location of the upper mounting slots.
- Using a level, mark the wall on each stud to attach the mount through the upper mounting slots. (See Figure 2)
- Drill one 7/32″ (5.5mm) pilot hole in each stud.
- Partially install two 5/16 x 2-1/2″ flanged lag bolts (N) into pilot holes but do not tighten to wall.
- Hang mount (Y), aligning upper mounting slots over lag bolts and adjust side-to-side for proper location.
- Place one slotted washer (Q) over each flanged lag bolt. (See Figure 2)
- Tighten lag bolts to secure mount (Y) to wall at upper mounting slots.
- Mark the attachment points for the lower mounting slots, making sure the attachment points are located on the studs. (See Figure 2)

- Drill 7/32″ (5.5mm) pilot holes at markings for lower mounting holes. (See Figure 2)
- Use two 5/16 x 2-1/2″ flanged lag bolts (N) and two 5/16″ slotted washers (Q) to attach the mount to the wall through the lower mounting holes. (See Figure 2)
- Slide rails to approximate center of screen location.
- Proceed to Locking Rails section.

Installing to a Concrete Wall
CAUTION: MINIMUM HORIZONTAL DISTANCE BETWEEN WALL BRACKETS IS 24″ (610mm). Do not place mounting brackets closer together than 24″ (610mm).
- Determine the center of the TV screen, and where it should be located on the wall.
- Line up the notches on mount (Y) with center of screen marking to determine vertical center. (See Figure 1)
- Measure up 8″ (203.2mm) from the center point to mark location of the upper mounting slots. (See Figure 1)
- Using a level, mark the wall through both upper mounting slots. (See Figure 3)

- Drill one 3/8″ x 3-1/2″ (9.5mm x 88.9mm) pilot hole at each marking.
- Install an anchor (P) into each pilot hole using a hammer, making sure that the anchor is flush with the wall.
- Partially install two 5/16 x 2-1/2″ flanged lag bolts (N) into pilot holes but do not tighten to wall.
- Hang mount (Y), aligning upper mounting slots over lag bolts and adjust side-to-side for proper location.
- Place one slotted washer (Q) over each flanged lag bolt. (See Figure 3)
- Tighten lag bolts to secure mount (Y) to wall at upper mounting slots.
- Mark the attachment points for the lower mounting slots, making sure the attachment points are located on the studs. (See Figure 3)
- Drill 3/8″ x 3-1/2″ (9.5mm x 88.9mm) pilot holes at markings for lower mounting holes. (See Figure 3)
- Use two 5/16 x 2-1/2″ flanged lag bolts (N) and two 5/16″ slotted washers (Q) to attach the mount to the wall through the lower mounting holes. (See Figure 3)
- Slide rails to approximate center of screen location.
Locking Rails (Optional)
1. Lock rails into place using two 1/4-20 x 3/4″ set screws (S) on mount upright (Y) and the 1/8″ hex key (U). (See Figure 4)
2. Repeat for remaining mount upright.
NOTE: To easily install upper set screw against upper rail, place set screw (S) onto hex key (U), and feed up into hole while turning to tighten.
Attaching Interface Brackets to Screen
- Align the center of the bracket (V and W) with center of screen. (See Figure 5)
NOTE: The diamond-shape holes in the bracket correspond to the center of the mount.
WARNING: IMPROPER INSTALLATION CAN LEAD TO DISPLAY FALLING CAUSING SERIOUS PERSONAL INJURY OR DAMAGE TO EQUIPMENT! Using screws of improper size may damage your display. Properly sized screws will easily and completely thread into display mounting holes. If spacers are required, be sure to use longer screws of the same diameter. - Select correct screws, nesting spacers (if necessary) and universal washers from the hardware bag (A-L) and attach brackets to back of screen. (See Figure 5)
NOTE: The nesting spacers (MA) may be used separately, or put two together in different configurations to create different size spacers. (See Figure 6)
Switching Interface Brackets (Optional)
If an installation situation makes adjusting the location of interface brackets necessary, there are several options.
- The wall brackets may be adjusted side to side at the point of attachment. (See Figure 7)
- The location of the left and right interface brackets (V and W) may be switched. (See Figure 7)

- If necessary, the interface brackets may be reversed. (See Figure 8)
a. Remove display from mount.
b. Remove interface brackets from display.
c. Switch the interface brackets to the opposite sides of the wall mount.
Attaching Screen to Wall Mount
- Attach wall covers (X) to top and bottom of both wall brackets. (See Figure 9)
NOTE: NEVER place both interface brackets (V and W) to one side of the wall mount center line! (See Figure 10)
NOTE: Do NOT allow both interface brackets (V and W) to be located on same side of wall bracket. (See Figure 10)
Both interface brackets must NEVER be located to one side of the wall brackets!
NEVER place both interface brackets to one side of the wall mount center line (CL)!
IMPORTANT ! : Completely extend bottom of interface brackets (by pulling downward) to set interface brackets in SERVICE position before hanging on top rail. (See Figure 11) - Hang screen onto the top rail of the mount (Y). (See Figure 12)
• Hang top hook of interface brackets (V and W) onto the top rail of the mount (Y). (See Figure 12)
NOTE: The screen initially installs into the “service mode” to allow easy cable access. - Adjust screen and rails to desired viewing position, and route cables between wall and rails.
CAUTION: PINCH POINTS! Keep fingers, hands and cables out of pinch point areas. - Fasten bottom of screen to mount:
• Open latch by pushing bottom of interface bracket up to OPEN position, latching interface brackets to lower rail, and then push up from bottom of interface bracket
again until the interface bracket is in CLOSED position. (See Figure 11) and (See Figure 12)

Adjustments
Horizontal Adjustment
- The mount wall brackets may be adjusted side-to-side at the point of attachment. (See Figure 13)

- The screen may be adjusted along rails side to side.
NOTE: NEVER place both interface brackets (V and W) to one side of the wall mount center line! (See Figure 10)
NOTE: Do NOT allow both interface brackets (V and W) to be located on same side of wall bracket. (See Figure 10)
Roll/Height Adjustment of Wall Brackets
NOTE: The height adjust wall brackets allow adjustment of + 1/2″ (12.7mm).
- Turn to right (tighten) to raise side of screen. (See Figure 14)
- Turn to left (loosen) to lower side of the screen.
Backwards Angle Compensation
The KITXWXSM1UP may be slightly adjusted to help compensate for the forward tilt of a heavy screen.
NOTE: The interface brackets (V and W) ship in the 0° tilt position. (See Figure 15)
- With interface brackets in CLOSED position (See Figure 11), remove two fasteners holding tilt compensation in place on each interface bracket (V and W). (See Figure 15)
- Adjust interface bracket for -1° or -2° back tilt, as required. (See Figure 15)
- Tighten two fasteners (removed in Step 1). (See Figure 15)

Locking Screen Interface Brackets (Optional)
1. Lock screen interface brackets onto mount rails using one 3/8-16 x 3/4″ set screw (T) on each interface bracket. (See Figure 16)
Locking Mount (Optional)
- Add padlock (not included) to interface bracket to complete security. (See Figure 17)
NOTE: The padlock maximum shackle diameter is 5/16″ (7.9 mm).

8800-003363 Rev00
©2022 Legrand | AV
www.legrandav.com
04/2022
USA/International
A 6436 City West Parkway, Eden Prairie, MN 55344
P 800.582.6480 / 952.225.6000
F 877.894.6918 / 952.894.6918
Europe
A Franklinstraat 14, 6003 DK Weert, Netherlands
P +31 (0) 495 580 852
F +31 (0) 495 580 845
Asia Pacific
A Office No. 918 on 9/F, Shatin Galleria
18-24 Shan Mei Street
Fotan, Shatin, Hong Kong
P 852 2145 4099
F 852 2145 4477![]()







NOTE: NEVER place both interface brackets (V and W) to one side of the wall mount center line! (See Figure 10)























