CHIEF 051VCMU Heavy Duty Universal Projector Mount
IMPORTANT SAFETY INSTRUCTIONS
WARNING: A WARNING alerts you to the possibility of serious injury or death if you do not follow the instructions.
CAUTION: A CAUTION alerts you to the possibility of damage or destruction of equipment if you do not follow the corresponding instructions.
WARNING: Failure to read, thoroughly understand, and follow all instructions can result in serious personal injury, damage to equipment, or voiding of factory warranty! It is the installer’s responsibility to make sure all components are properly assembled and installed using the instructions provided.
WARNING: Failure to provide adequate structural strength for this component can result in serious personal injury or damage to equipment! It is the installer’s responsibility to make sure the structure to which this component is attached can support five times the combined weight of all equipment.
Reinforce the structure as required before installing the component.
WARNING: Exceeding the weight capacity can result in serious personal injury or damage to equipment! It is the installer’s responsibility to make sure the weight of the projector attached to the HBU interface bracket does not exceed 250 lbs (113.4 kg).
WARNING: Use this mounting system only for its intended use as described in these instructions. Do not use attachments not recommended by the manufacturer.
WARNING: Never operate this mounting system if it is damaged. Return the mounting system to a service center for examination and repair.
WARNING: Do not use this product outdoors.
IMPORTANT ! : These instructions assume that an appropriate mounting method (not included) has already been properly installed to a ceiling structure.
–SAVE THESE INSTRUCTIONS–
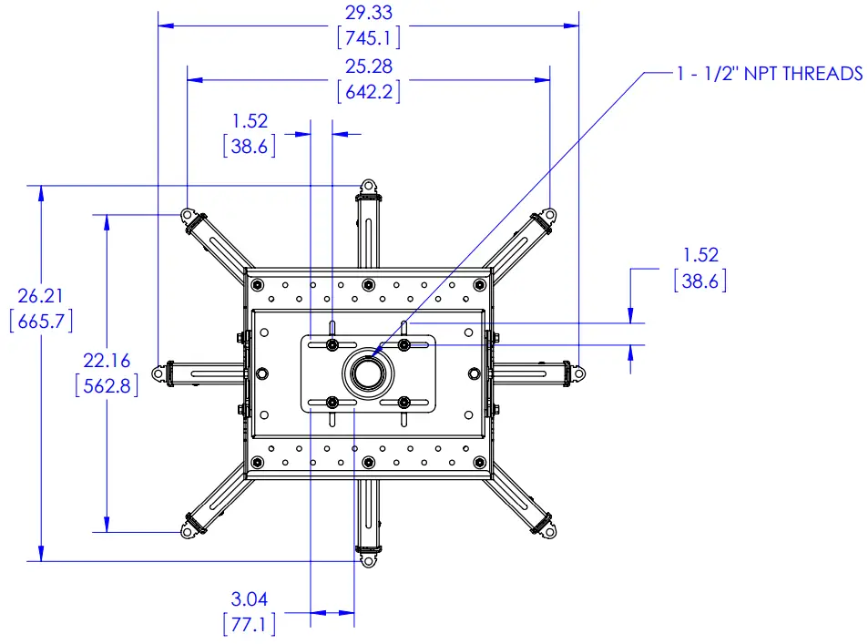
DIMENSIONS





LEGEND
- Tighten Fastener

- Loosen Fastener

- Phillips Screwdriver

- Adjust

- Open-Ended Wrench

- Hex-Head Wrench

TOOLS REQUIRED FOR INSTALLATION

PARTS


INSTALLATION
WARNING: FAILURE TO PROVIDE ADEQUATE STRUCTURAL STRENGTH FOR THIS COMPONENT CAN RESULT IN SERIOUS PERSONAL INJURY OR DAMAGE
TO EQUIPMENT! It is the installer’s responsibility to make sure the structure to which this component is attached can support five times the combined weight of all equipment.
Reinforce the structure as required before installing the component.
Installing VCM Ceiling Mount
Install the VCM ceiling mount (not included) to the structure following instructions included with the VCM mount.
Installing HBU Bracket
WARNING: IMPROPER INSTALLATION CAN LEAD TO PROJECTOR FALLING CAUSING SERIOUS PERSONAL INJURY OR DAMAGE TO EQUIPMENT! Using screws of improper size may damage your projector. Properly sized screws will easily and completely thread into projector mounting holes.
- Select correct screws and washers from the hardware bags (A, B, C, D, E, G, J). (See Table 1)
Table 1 - Attach HBU legs (L) to projector using selected fasteners and washers. (See Figure 1) and (See Figure 2)
WARNING: One HBU leg should be attached to each available mounting hole in the projector. A minimum of three legs must be used if using M5 or larger fasteners. A minimum of four legs must be used if using M4 fasteners.

- Lower HB plate (K) onto legs and fasten using one 5/16″ lock nut (FA) and one 5/16″ flat washer (FB) on each HBU leg (L). (See Figure 3)

Installing HBU Bracket to VCM
CAUTION: Installing a ceiling mount requires the presence of two persons familiar with mechanical installations. A third assistant is recommended.
- With help of assistants, lift the HBU bracket with the attached projector and install it to the four studs extending from the VCM ceiling mount (not included). (See Figure 4) IMPORTANT ! : Ensure that the VCM ceiling mount is seated in slots on HBU bracket. (See Figure 4) Figure 4

- Fasten with four 5/16″ flange nuts (H). (See Figure 4)
IMPORTANT ! : Ensure that four flange nuts are tightened securely.
Adjustments
WARNING: MOUNTING HARDWARE IS TO BE LOOSENED ONLY ENOUGH TO ALLOW FOR NECESSARY MOVEMENT. Over-loosening or removal of mounting hardware may result in personal injury or serious damage to equipment!
Adjustments should be made following instructions accompanying the VCM ceiling mount.
DISCLAIMER
Milestone AV Technologies and its affiliated corporations and subsidiaries (collectively “Milestone”), intend to make this manual accurate and complete. However, Milestone makes no claim that the information contained herein covers all details, conditions or variations, nor does it provide for every possible contingency in connection with the installation or use of this product. The information contained in this document is subject to change without notice or obligation of any kind. Milestone makes no representation of warranty, expressed or implied, regarding the information contained herein. Milestone assumes no responsibility for accuracy, completeness or sufficiency of the information contained in this document.
Chief® is a registered trademark of Milestone AV Technologies.
All rights reserved.
CUSTOMER SERVICE
Chief Manufacturing, a products division of Milestone AV Technologies
8800-002415 Rev00
¤2013 Milestone AV Technologies, a
Duchossois Group Company
www.chiefmfg.com
USA/International A 6436 City West Parkway, Eden Prairie, MN 55344
P 800.582.6480 / 952.225.6000
F 877.894.6918 / 952.894.6918
Europe A Franklinstraat 14, 6003 DK Weert, Netherlands
P +31 (0) 495 580 852
F +31 (0) 495 580 845
Asia Pacific A Office No. 1 on 12/F, Shatin Galleria
18-24 Shan Mei Street
Fotan, Shatin, Hong Kong
P 852 2145 4099
F 852 2145 4477




























