PREMIER MOUNTS MAG-PRO Polaris Universal Projector Mount

Weight Limit
Maximum Projector Weight: 10 lb.
THE CEILING STRUCTURE MUST BE CAPABLE OF SUPPORTING AT LEAST FIVE TIMES THE WEIGHT OF THE PROJECTOR. IF NOT, THE CEILING STRUCTURE MUST BE REINFORCED.
Warning Statements
- PRIOR TO THE INSTALLATION OF THIS PRODUCT, THE INSTALLATION INSTRUCTIONS MUST BE READ AND COMPLETELY UNDERSTOOD.
- KEEP THESE INSTALLATION INSTRUCTIONS IN AN EASILY ACCESSIBLE LOCATION FOR FUTURE REFERENCE.
- PROPER INSTALLATION PROCEDURE BY A QUALIFIED SERVICE TECHNICIAN MUST BE FOLLOWED, AS OUTLINED IN THESE INSTALLATION INSTRUCTIONS. FAILURE TO DO SO COULD RESULT IN PROPERTY DAMAGE, SERIOUS PERSONAL INJURY, OR EVEN DEATH.
- SAFETY MEASURES MUST BE PRACTICED AT ALL TIMES DURING THE ASSEMBLY OF THIS PRODUCT. USE PROPER SAFETY EQUIPMENT AND TOOLS FOR THE ASSEMBLY PROCEDURE TO PREVENT PERSONAL INJURY.
- PREMIER MOUNTS DOES NOT WARRANT AGAINST DAMAGE CAUSED BY THE USE OF ANY PREMIER MOUNTS PRODUCT FOR PURPOSES OTHER THAN THOSE FOR WHICH IT WAS DESIGNED OR DAMAGE CAUSED BY UNAUTHORIZED ATTACHMENTS OR MODIFICATIONS, AND IS NOT RESPONSIBLE FOR ANY DAMAGES, CLAIMS, DEMANDS, SUITS, ACTIONS OR CAUSES OF ACTION OF WHATEVER KIND RESULTING FROM, ARISING OUT OF OR IN ANY MANNER RELATING TO ANY SUCH USE, ATTACHMENTS OR MODIFICATIONS.
- At least two qualified people should perform the assembly procedure. Personal injury and/or property damage can result from dropping or mishandling the projector.
- If mounting to wall studs or ceiling studs, make sure that the mounting screws are anchored into the center of the wall studs or ceiling studs. Use of an edge-to-edge stud finder is recommended.
- Be aware of the mounting environment. If drilling and/or cutting into the mounting surface, always make sure that there
are no electrical wires in wall. Cutting or drilling into an electrical line may cause serious personal injury. - Make sure there are no water or natural gas lines inside the wall where the mount is to be located. Cutting or drilling into a water or gas line may cause severe property damage or personal injury.
- This product is intended for indoor use only. Use of this product outdoors could lead to product failure and/or serious personal injury.
- Do not install near sources of high heat. Do not install on a structure that is prone to vibration, movement or chance of impact.
Installation Tools
The following tools may be required depending upon your particular installation. They are not included.
Parts List
Make sure your Premier Mounts product has the following hardware and components before beginning installation.
MAG-PRO/MAG-PRO-W Mount Hardware
Lock-It™ Security Hardware
Features
- Congratulations on the purchase of your new Premier Mounts Polaris™ Universal Projector Mount. Your
- MAG-PRO/MAG-PRO-W Mount may be secured to a1-½˝ NPT. The Polaris™ features our exclusive MagnaGuide™ Technology which assists the installer for quicker installation times and peace of mind.
- Please read these installation instructions once thoroughly before attempting to install your Premier Mounts product.
- Please take a minute to familiarize yourself with the contents of the package and make sure you have all the parts and tools you need to safely complete the installation.
- In addition, some steps of this installation may require two people to prevent personal injury and/or damage to your projector. Please observe all warnings in the following installation procedure and utilize proper safety equipment at all times.

Attaching the MAG-PRO/MAG-PRO-W Mount to the Projector
- locate the mounting points on the bottom of the projector (see arrows to the right).

Proceed to the “Attaching the Projector Plate” section.
Attaching the Projector Plate
Selecting the Mounting Hardware
- insert a small straw or toothpick into the threaded inserts found on the bottom or top of the projector.
- Use a pencil to mark the depth of the threaded insert on the small straw or toothpick.
- Mark the straw or toothpick 1/8” above the depth of the threaded insert, as shown in Figure 1.

- Insert the small straw or toothpick into the remaining threaded inserts to compare and verify their depth using the straw or toothpick’s 1/8” allowance mark.
- Locate the correct diameter screw for the threaded insert.
If the screw you selected is longer than the 1/8” allowance mark on the small straw or toothpick, as shown in Figure 2 and Figure 3, do not use this screw. The screw length must not bypass the mark.
- Test each size of the screws provided. The correct screws should thread easily into the mounting point and not pull out when tension is applied.
- Does your projector have multiple mounting points or a single mounting point?
- Lock-It™ Security Hardware Pack (Optional)
- The MAG-PRO Mount comes with the option of using Lock-It™ Security Screws. To use the security screws, simply replace the M6 x 12mm Phillips Pan head screws with the M6 x 12mm security screws. Once the hardware has been changed, adjust the MAG-PRO Mount and tighten the M6 x 12mm security screws using the M5 Security Allen wrench (supplied).
- If your projector has multiple mounting points, proceed to the “Multiple Mounting Point Installation” section.
- If your projector has a single mount point, remove the pre-installed mounting legs on the universal projector plate and skip to the “Single Mount Point Installation” section.

Multiple Mounting Point Installation
Step 1
- Locate the projector’s mounting points.
- Position an appropriate number of mounting legs on the projector.
The four mounting legs come pre-installed. If there are fewer than four thread inserts on the projector, remove the appropriate number of mounting legs.
The number and placement of mounting points on projectors vary between projector manufacturers. Refer to your projector’s technical specifications for the number and location of the mounting points on your specific projector.
Step 2
Only attach to the projector manufacturer’s specified mounting points on the projector chassis with a minimum of three mounting legs. Please follow all safety instructions specified by the projector manufacturer as well as the safety instructions outlined in this manual.
- Attach the appropriate number of mounting legs to the projector using the corresponding mounting hardware.
- Do not tighten the mounting hardware at this time.

Step 3
- If the mounting legs need to be leveled, rotate the leveling barrels to level the mounting bracket.
- To raise the mounting legs, rotate the leveling barrel clock-wise. To lower the mounting leg, rotate the leveling barrel counter clock-wise.
- Raise or lower each of the mounting legs, by rotating the leveling barrels, until all of the mounting legs are at an equal height.
- Lower the mounting leg by rotating the leveling barrel counter-clockwise.
- Raise the mounting legs by rotating the leveling barrel clockwise.
- When the desired position is achieved, tighten the mounting screws to the projector and then tighten the hex head leg screws with the M5 Allen wrench

Pro Tip
Mounting Hardware Too Long?
- The depth of some projector mount points may prevent you from tightening the M2.5 and M3 mounting hardware.
- You can reduce the length of the M2.5 and M3 mounting hardware by stacking up to a maximum of five (5) M3 flat washers inside the leveling barrel.
- Avoid stacking too many M3 washers; the mounting hardware must thread into the projector mount point at least four (4) complete turns.
Step 4
- Identify the projector’s approximate front-to-back center of gravity. Place your hands on each side of the projector and gently lift it an inch from the surface on which it is resting. Carefully adjust your grip on the projector until it seems balanced from front-to-back. Mentally note the apparent center of gravity.
- Identify the projector’s approximate side-to-side center of gravity. Place your hands on the front and back of the projector and gently lift it an inch from the surface on which it is resting. Carefully adjust your grip on the projector until it seems balanced from side-to-side. Mentally note the apparent center of gravity.
- Place the Universal Projector Plate (if not already attached) on top of the mounting legs with the center hole as close as possible to the projector’s center of gravity.

Step 5
- Position the legs accordingly for best configuration. You may raise or lower each leg independently by turning the leveling barrels.
- Secure the legs to the projector plate by screwing M6 x 12mm security screws into the M6 square nut (do not overtighten) on the mounting legs.
- Verify the position of the integrated sliding M6 square nut in the mounting leg relative to a nearby slot on the Projector Plate.
- If the M6 square nut is not aligned with any slot, you can use any thin tool, such as a toothpick, to nudge it into alignment.

Step 6
- Tighten the mounting screws which secure the mounting legs to the projector. Do not overtighten the mounting screws.

Step 7
- Attach the Projector Plate to each of the mounting legs by inserting and tightening one (1) M6 x 12mm screw through the Projector Plate into the M6 square nut on each of the mounting legs.
- Do not overtighten the M6 x 12mm screws.
- Insert one (1) Barrel Cap into the end of each leveling barrel (except the security leveling barrel).

Single Mounting Point Installation
- A single ¼-20 x 5/16″ screw must be used to attach the Projector Plate to the projector if your projector has only one mounting point.
- Do not overtighten the ¼-20 x 5/16″ screw.
- Proceed to the “Installing the MAG-PRO/MAG-PRO-W Mount” section.

Installing the MAG-PRO/MAG-PRO-W Mount
Step 1
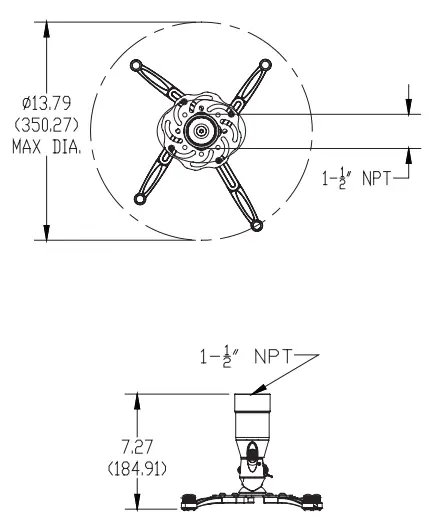
- The Polaris™ MAG-PRO/MAG-PRO-W may be attached to 1-½˝ standard threaded pipe (NPT), or one of Premier Mounts adjustable-height ceiling adapters. Please refer to the installation instructions that come with these adapters.

- Lift the MAG-PRO/MAG-PRO-W up to the preinstalled 1-½˝ NPT, or any of Premier Mounts compatible adapters.
- Thread the MAG-PRO/MAG-PRO-W onto the length of 1-½˝ NPT, or any of Premier Mounts compatible adapters.
- When attaching the MAG-PRO/MAG-PRO-W to the pipe, please ensure that the MAG-PRO/MAG-PRO-W is threaded on at least four (4) complete turns
- If you are having difficulty achieving four complete turns, insert a screwdriver through the access hole and apply pressure while turning the MAG-PRO/MAG-PRO-W (see below).

Step 2
- Secure the MAG-PRO/MAG-PRO-W by tightening the set screw with the M3 security Allen wrench (supplied).
- Route any cables up through the 1-½˝ NPT and into the ceiling structure.

Step 3
- Slowly raise the projector toward the upper assembly.
- Once the projector is close to the upper assembly, MagnaGuide™
- Technology will pull the lower assembly into the upper assembly and the locking tab will engage.
- THE MAGNETS ARE USED FOR GUIDING THE UNIT ONLY! PLEASE MAKE SURE THE TWO (2) M4 X 12MM SCREWS ARE USED TO SECURE THE PROJECTOR.

Step 4
- Attach the two (2) M4 x 12mm security screws and star washers that are located on each side of the locking tab. Do not release your hold on the projector until the upper and lower assemblies are engaged and the locking tab is in place.
- Proceed to the “MAG-PRO/MAG-PRO-W Mount Adjustment” section.

MAG-PRO/MAG-PRO-W Mount Adjustment
Step 1
- After the projector has been installed, you may need to adjust it. To adjust the projector:
- loosen the M5 set screw using the M5 Allen wrench (both sides).
- Adjust the projector to the correct position. Firmly grasp the projector in both hands, and tilt either forward or backward to adjust the level.
RppFirmly
- grasp the projector in both hands and rotate side to side for orientation adjustment.
- Tighten both M5 set screws using the M5 Allen wrench.

Securing the MAG-PRO/MAG-PRO-W Projector
Your MAG-PRO/MAG-PRO-W Projector Mount includes one pre-installed Security Leveling Barrel in a mounting leg which can provide additional theft deterrence for your
projector when used with a padlock or PCB-CSL1 Security Cable. Shown below is an example of how you can route a PCB-CSL1 through the Security Barrel. The Security Cable is routed through the Security Barrel after the standard leveling barrel is replaced by the Security Barrel and the projector mount is securely attached to the projector as per the installation instructions. The PCB-CSL1 kit also includes a Cable Looper which you can use to create a tight loop for cable management. The PCB-CSL1 kit, which contains one (1) 18” braided cable, one (1) chassis sleeve, one (1) cable looper, one (1) cylinder lock, and two (2) cylinder lock keys, is sold separately. Additional cylinder locks, additional Security Barrels, and longer cables are also sold separately.
Technical Specifications
All measurements are in inches [millimeters].







































