Panasonic ET-PKV400B Projector Mount Bracket

The figure above shows a combination of this product and the separately sold ceiling mount bracket (for low ceilings) ET-PKL100S.
Thank you for purchasing this Panasonic Product.
To customers
The “Installation Instructions” is intended for use by installation personnel. Be sure to employ certified personnel to perform the installation. After installation, have the installation personnel return these “Installation Instructions” to you, and save it for future use. When moving or removing the projector, give this “Installation Instructions” to the installation personnel and have them perform the procedure.
To installation personnel
Carefully read the “Installation Instructions” and install this product correctly and safely. Be sure to read through the section entitled “Read this first!” (page 3) before proceeding with the installation. After installation, return these “Installation Instructions” to the customer.
Read this first
WARNING:
Installation work should only be carried out by the certified personnel.
- If this product is not installed correctly, serious accidents may result.
- Follow the instructions specified in “Installation” of this manual, and perform secure installation.
- Install the ceiling mount bracket in accordance with the structure and materials of the installation location.
- If a mistake is made in the installation procedure, the ceiling mount bracket may fall down and an injury may result.
- Mounting and installation must be carried out by two or more persons.
- When installing the projector in an overhead location, for example, in a high ceiling, at least two persons will be required to handle the installation.
- Make sure that your footing is safe and secure during installation.
- If your footing is not secure, you may fall down or drop the unit, and an injury may result.
- Do not loosen or remove the ceiling mount bracket screws or bolts unnecessarily.
- The projector may fall down and an injury may result.
- Do not install in a location that is not strong enough.
- If the installation location is not strong enough, the unit may fall down and damage to the projector or an injury may result.
- Do not install the ceiling mount bracket in humid or dusty locations or in locations where the ceiling mount bracket may come into contact with oily smoke or steam.
- Using the projector under such conditions may result in fire or electric shock. Also, the oil will cause the
- plastic to deteriorate and the projector may fall down when installed on a ceiling.
- Do not allow children to reach the supplied screws and flat washer.
- The supplied screws and metal fittings can cause personal injury if swallowed.
- If swallowed, seek medical advice immediately.
- Do not disassemble or modify the ceiling mount bracket.
- The projector may be damaged or fall, causing injury.
CAUTION
- Only install a designated projector.
- Only install using a designated method.
- The projector may fall down and be damaged, and an injury may result.
- Do not install the unit in a location that may impede projector ventilation.
- fire may result.
- Do not hang from or hang objects on the projector or ceiling mount bracket.
- The projector may fall and cause injury.
- When installing, always use the supplied components.
- The unit may be damaged, or the projector may fall down and an injury may result.
- Install the mounting screws and power cable in such a way that they will not make contact with metal objects inside the ceiling.
- Electric shocks may result from contact with any metal objects inside the ceiling.
- Panasonic Connect Co., Ltd. takes no responsibility for any accident or damage caused by the installation of the ceiling mount bracket using methods that are not described or methods that do not use the parts specified in these
- Installation Instructions.
- If products are no longer being used, they should be dismantled and removed by certified personnel as soon as possible.
Product description
This is a projector mount bracket for installing projectors. Applicable ceiling mount brackets ET-PKL100S (for low ceilings) / ET-PKL100H (for high ceilings)
Note
In this document, the alphabet letters at the end of the projector part numbers are omitted.
Structural components

- Store small parts in an appropriate manner, and keep them away from children.
- Tightening torque for the screw is M4: 1.25 ± 0.2 N•m.
- When tightening up the screws, use a tool such as a torque screwdriver. Do not use electric screwdrivers or impact screwdrivers.
Attention
Dispose of the packaging materials properly after taking the product out of it.
Note
- The projector models listed below require three of the four supplied captive washer screws (M4 × 10) for installation.
- Model: PT-VW355N, PT-VW350, PT-VX425N, PT-VX420, PT-VX421; PT-VW360, PT-VX430, PT-VX431K
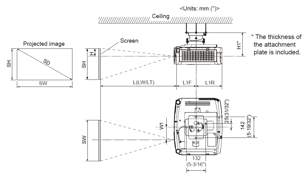
Installation position
The dimensional relationship between the screen and projector is shown below. Establish the ceiling installation position after accessing the dimensional relationship diagram and the Dimensional relationship. The projection distance can be adjusted using the zoom lens. Check the projection screen while making fine adjustments. The projection vertical position can be adjusted by vertical lens shift function of the projector with the lens shift function. Then “H” will change according to lens shift amount.
Dimensional relationship diagram
(When using the ceiling mount bracket ET-PKL100S (for low ceilings))

(When using the ceiling mount bracket ET-PKL100H (for high ceilings))

Note
- This illustration assumes that the projector will be installed so that the projected image fills the screen and properly aligned with it.
- This drawing is not in exact scale.

LW : Minimum distance; LT : Maximum distance
Note
Depending on the product, the appearance may differ from the illustrations in these installation instructions.
Attention
Install the projector at least 500 mm (19-11/16″) on the air intake ports (1,000 mm (39-3/8″) on the exhaust port side) away from the surrounding walls or objects in order to ensure that the air intake/exhaust ports of the projector will not be blocked. Avoid setting up in places which are subject to sudden temperature changes, such as near an air conditioner or lighting equipment (studio lamps, etc.).
Dimensional relationship
For the formula of the projection distance (L) and the other specifications (H, H1 / H2, L1F/L2F, L1R / L2R, W1 / W2), refer to the appendix at the end of this instruction.
Installation
After checking the height, width and structure of the installation location while referring to the “Dimensional relationship diagram” (pages 5-6) and “Dimensional relationship” in the Appendix, determine the appropriate positions for setting up the screen and installing the projector
Setting up the screen
Set up the screen according to the specified method in a position which takes into account the projection distance and angle and the type of screen being used.
Screws tightening torques
- M4………1.25 ± 0.2 N • m
- When tightening the screws, use a torque screwdriver or a hexagonal torque wrench to tighten the screws to the specified tightening torques. Do not use electric screwdrivers or impact screwdrivers.
Attaching the projector drop-prevention kit
Install the wire rope to the projector (sold separately).
- <For PT-VZ585N, PT-VZ575N, PT-VZ580, PT-VZ570, PT-VW545N, PT-VW535N, PT-VW540, PT-VW530, PT-VX615N,
- PT-VX605N, PT-VX610, PT-VX600, PT-VX61K, PT-VX60, PT-VX51K, PT-VX50, PT-VMZ60, PT-VMZ50, PT-VMZ40,
- PT-VMW60, PT-VMW50, PT-VMZ601K, PT-VMZ501K, PT-VMZ401K, PT-VMW601K, PT-VMW501K, PT-VGZ601K,
- PT-VMZ71, PT-VMZ61, PT-VMZ51, PT-VMZ51S, PT-VMZ41, PT-VMW61, PT-VMW51, PT-VGZ700, PT-VGZ650,
- PT-VGZ550, PT-VGZ550S, PT-VGW650, PT-VGW550>
The illustration is an example when it is attached to PT-VZ585N.
- Place the projector upside down on top of a soft cloth.
- Retract the adjustable feet.
Press the adjustable feet lock latch and release them at shortest length of the adjustable feet. Or rotate the adjustable feet in clockwise to retract them.
As illustrated on the left, secure the one end (round crimping terminal) of the supplied wire rope to the A on the projector by using the supplied captive washer screw (M4 x 12).

Attention
- Be sure to use the supplied wire rope.
Note
- Use the supplied flat washer while installing the wire rope to the ceiling.
- The position of A may vary with the model. Check the position and number of the screw hole in “Ceiling mount hole size” indicated on the bottom of the projector, try placing the bracket on the projector bottom, and use the screw hole unoccupied.
<For PT-VW355N, PT-VW350, PT-VX425N, PT-VX420, PT-VX421; PT-VW360, PT-VX430, PT-VX431K>

Note
- For the position of A of the PT-VW355N,
- PT-VW350, PT-VX425N, PT-VX420, PT-VX421;
- PT-VW360, PT-VX430, PT-VX431K models, refer to the image on the left.
<For PT-LRZ35, PT-LRZ35U, PT-LRW35, PT-LRW35U>

Note
- For the position of A of the PT-LRZ35, PT-LRZ35U, PT-LRW35, PT-LRW35U models, refer to the image on the left.
Installing the bracket to the projector
Install the bracket to the projector (sold separately) by following the procedure below.
- <For PT-VZ585N, PT-VZ575N, PT-VZ580, PT-VZ570, PT-VW545N, PT-VW535N, PT-VW540, PT-VW530, PT-VX615N,
- PT-VX605N, PT-VX610, PT-VX600, PT-VX61K, PT-VX60, PT-VX51K, PT-VX50, PT-VMZ60, PT-VMZ50, PT-VMZ40,
- PT-VMW60, PT-VMW50, PT-VMZ601K, PT-VMZ501K, PT-VMZ401K, PT-VMW601K, PT-VMW501K, PT-VGZ601K,
- PT-VMZ71, PT-VMZ61, PT-VMZ51, PT-VMZ51S, PT-VMZ41, PT-VMW61, PT-VMW51, PT-VGZ700, PT-VGZ650,
- PT-VGZ550, PT-VGZ550S, PT-VGW650, PT-VGW550>
The illustration is an example when it is attached to PT-VZ585N.
- Pass the wire rope through the hole of the projector mount bracket as illustrated on the left.
- Secure the projector mount bracket to the bottom of the projector using the 4 supplied captive washer screws (M4 × 10) as illustrated on the left.


<For PT-VW355N, PT-VW350, PT-VX425N, PT-VX420, PT-VX421; PT-VW360, PT-VX430, PT-VX431K>
- Secure the projector mount bracket to the bottom of the projector using three supplied captive washer screws (M4 × 10) as illustrated on the left.
- Use three of the four captive washer screws supplied with this product.

<For PT-LRZ35, PT-LRZ35U, PT-LRW35, PT-LRW35U>
- Pass the wire rope through the hole of the projector mount bracket as illustrated on the left.
- ecure the projector mount bracket to the bottom of the projector using the 4 supplied captive washer screws (M4 × 10) as illustrated on the left.


Attention
- information on how to join this product to the ceiling mount bracket (for low ceilings) (separately sold) or the ceiling mount bracket (for high ceilings) (separately sold) and how to attach the wire rope in the ceiling, refer to the installation instructions or other instructions supplied with the ceiling mount bracket (for low ceilings) or the ceiling mount bracket (for high ceilings).
Specifications
Range of adjustment Horizontal tilt correction angle*1 ± 10°
- External dimensions: Width: 312.5 mm (12-7/32″) Height: 62.0 mm (2-7/16″) Depth: 248.5 mm (9-25/32″)
- Weight: Approx. 0.96 kg (2.12 lbs)
When using the ceiling mount bracket ET-PKL100S (for low ceilings) or the ceiling mount bracket ET-PKL100H (for high ceilings).
Appendix / Annexe / Anhang
- Dimensional relationship
- Relations dimensionnelles
- Verhältnis der Abmessungen
- The dimensional relationship between the screen and projection is shown below.
- Le rapport dimensionnel entre l’écran et la projection est montré comme suit.
- Das maßstäbliche Verhältnis zwischen der Projektionsfläche und der Projektion wird unten aufgeführt.
<ET-PKL100S>
<ET-PKL100H>


- 1: LW : Minimum distance / Distance minimale / Minimalentfernung
- LT : Maximum distance / Distance maximale / Maximalentfernung
- Values of H1/H2, L1F/L2F, L1R/L2R and W1/W2
- Valeurs H1/H2, L1F/L2F, L1R/L2R et W1/W2
- Werte H1/H2, L1F/L2F, L1R/L2R und W1/W2
- PT-VZ585N / PT-VZ575N / PT-VZ580 / PT-VZ570 / PT-VW545N / PT-VW535N / PT-VW540 /
- PT-VW530 / PT-VX615N / PT-VX605N / PT-VX610 / PT-VX600 / PT-VX61K / PT-VX60 / PT-VX51K / PT-VX50

- PT-VMZ60 / PT-VMZ50 / PT-VMZ40 / PT-VMW60 / PT-VMW50 / PT-VMZ601K / PT-VMZ501K /
- PT-VMZ401K / PT-VMW601K / PT-VMW501K / PT-VGZ601K / PT-VMZ71 / PT-VMZ61 /
- PT-VMZ51 / PT-VMZ51S / PT-VMZ41 / PT-VMW61 / PT-VMW51 / PT-VGZ700 / PT-VGZ650 /
- PT-VGZ550 / PT-VGZ550S / PT-VGW650 / PT-VGW550

- PT-VW355N / PT-VW350 / PT-VX425N / PT-VX420 / PT-VX421/ PT-VW360 / PT-VX430 / PT-VX431K

- PT-LRZ35 / PT-LRZ35U / PT-LRW35 / PT-LRW35U

- Projected image size and Projection distance
- Taille de l’image projetée et Distance de projection
- Projektions-bildgröße und Projektionsabstand
Periods are used to represent decimal points in the calculation formulas in the following table. Les dimensions du tableau suivant peuvent présenter un léger écart. Les points sont utilisés pour indiquer les décimales dans les formules de calcul dans le tableau suivant. Die Abmessungen der folgenden Tabelle enthalten einen geringfügigen Fehler. Um Dezimalstellen in den Berechnungsformeln in der folgenden Tabelle darzustellen, werden Punkte verwendet.
- PT-VZ585N / PT-VZ575N / PT-VZ580 / PT-VZ570 / PT-VMZ60 / PT-VMZ50 / PT-VMZ40 / PT-VMW60/
- PT-VMW50 / PT-VMZ601K / PT-VMZ501K / PT-VMZ401K / PT-VMW601K / PT-VMW501K/ PT-VGZ601K

- PT-VMZ71 / PT-VMZ61 / PT-VMZ51 / PT-VMZ51S / PT-VMZ41 / PT-VMW61 / PT-VMW51 / PT-VGZ700
- PT-VGZ650 / PT-VGZ550 / PT-VGZ550S / PT-VGW650 / PT-VGW550

- When optical zoom and Digital Zoom Extender are used together and [DIGITAL ZOOM EXTENDER] is set to [80%]. Lorsque le zoom optique et l’extenseur zoom numérique sont utilisés ensemble et que [EXTENSEUR ZOOM NUMÉRIQUE] est réglé sur [80%]. Wenn der optische Zoom und der Digitalzoom-Extender zusammen verwendet werden und [DIGITALZOOM-EXTENDER] auf [80%] eingestellt ist.
- Only for optical zoom Uniquement pour le zoom optique Nur für optischen Zoom
- PT-VW545N / PT-VW535N / PT-VW540 / PT-VW530

- PT-VX615N / PT-VX605N / PT-VX610 / PT-VX600 / PT-VX61K / PT-VX60 / PT-VX51K / PT-VX50

- PT-VW355N / PT-VW350 / PT-VW360

- PT-VX425N / PT-VX420 / PT-VX421 / PT-VX430 / PT-VX431K

- PT-LRZ35 / PT-LRZ35U

- PT-LRW35 / PT-LRW35U

The projection distance of the table other than above can be ob tained according to the following calculations. La distance de projection de la nappe autre que ci-dessus peuvent être obtenues d’après les calculs suivants. Der Projektionsabstand des von obigen Tabelle kann nach den folgenden Berechnungen erhalten werden.
- Projection distance formulas*1
- Formules de distance de projection*1
- Projektionsabstandsformeln*1
Check the projected image size SD (m) and use the following formul a to determine projection distance. Values obtained with the following formulas contain a slight err or. Periods are used to represent decimal points in the calculation formulas in the following table. The calculated distance may contain a certain error. If you want to calculate the projection distance with projected image size SD (unit: inch) by substituting, please assign 0.0254 times to the SD value. Vérifiez la taille de l’image projetée SD (m) et utilisez la formule suivante pour déterminer la distance de projection. Les valeurs obtenues par les formules de calcul suivantes contiennent une légère erreur. Les points sont utilisés pour indiquer les décimales dans les formules de calcul dans le tableau suivant. Si vous voulez calculer la distance de projection avec des images de taille SD (unité : pouce) par substitution, veuillez ajouter 0,0254 fois à la valeur SD. Überprüfen Sie die projizierte Bildgröße SD (m) und verwenden Sie die folgende Formel, um den Projektionsabstand zu bestimmen. Die durch die Berechnungsformeln erhaltenen Werte in der folgenden Tabelle enthalten geringfügige Fehler. Um Dezimalstellen in den Berechnungsformeln in der folgenden Tabelle darzustellen, werden Punkte verwendet. Wenn Sie den Projektionsabstand mit der Projektionsgröße SD (Einheit: Zoll) durch Ersetzen berechnen möchten, multiplizieren Sie bitte den SD-Wert mit 0,0254.
- Not available for PT-LRZ35, PT-LRZ35U, PT-LRW35 and PT-LRW35U.
- Non disponible pour PT-LRZ35, PT-LRZ35U, PT-LRW35 et PT-LRW35U.
- No disponible para el PT-LRZ35, PT-LRZ35U, PT-LRW35 y PT-LRW35U.
- PT-VZ585N / PT-VZ575N / PT-VZ580 / PT-VZ570 / PT-VMZ60 / PT-VMZ50 / PT-VMZ40 / PT-VMW60 /
- PT-VMW50 / PT-VMZ601K / PT-VMZ501K / PT-VMZ401K / PT-VMW601K / PT-VMW501K / PT-VGZ601K

- PT-VMZ71 / PT-VMZ61 / PT-VMZ51 / PT-VMZ51S / PT-VMZ41 / PT-VMW61 / PT-VMW51 / PT-VGZ700 /
- PT-VGZ650 / PT-VGZ550 / PT-VGZ550S / PT-VGW650 / PT-VGW550

<Optical zoom / Zoom optique / Optischer Zoom>
<Digital Zoom Extender / Extenseur Zoom Numérique / Digitalzoom-Extender>

- 1 X in the formulas represents the setting value of [DIGITAL ZOOM EXTENDER] (100%=1.00, 95%=0.95, 90%=0.90, 85%=0.85, 80%=0.80).
- X dans les formules représente la valeur de réglage de [EXTENSEUR ZOOM NUMéRIQUE] (100 %=1,00, 95 %=0,95, 90 %=0,90, 85 %=0,85, 80 %=0,80).
- X in den Formeln steht für den Einstellwert von [DIGITALZOOM-EXTENDER] (100 %=1,00, 95 %=0,95, 90 %=0,90, 85 %=0,85, 80 %=0,80).
PT-VW545N / PT-VW540
PT-VW535N / PT-VW530 / PT-VW355N / PT-VW350 / PT-VW360

- PT-VX615N / PT-VX605N / PT-VX610 / PT-VX600 / PT-VX61K / PT-VX60 / PT-VX51K / PT-VX50 /
- PT-VX425N / PT-VX420 / PT-VX421 / PT-VX430 / PT-VX431K

Website: https://panasonic.net/cns/projector/ © Panasonic Connect Co., Ltd. 2022





























