Panasonic ET-PKE301B Projector Mount Bracket

Panasonic ET-PKE301B Projector Mount Bracket Instruction Manual ET-PKE301B Projector Mount Bracket
Thank you for purchasing this Panasonic Product.
- To customers
The “Installation Instructions” is intended for use by installation personnel. Be sure to employ certified personnel to perform the installation. After installation, have the installation personnel return these “Installation Instructions” to you, and save it for future use. When moving or removing the projector, give this “Installation Instructions” to the installation personnel and have them perform the procedure. - To installation personnel
Carefully read the “Installation Instructions” and install this product correctly and safely.
Be sure to read through the section entitled “Read this first!” (page 3) before proceeding with the installation.
After installation, return these “Installation Instructions” to the customer - In this document, the illustrations with the projector mount bracket combined with a projector show the case of the PT-EZ770 as a typical example.
The positions and quantity of adjustable feet, position to secure the wire rope, etc. differ depending on the model. For details, refer to the operating instructions of your projector.
Read this first!
Always follow these precautions
WARNING:
Installation work should only be carried out by the certified personnel.
- If this product is not installed correctly, serious accidents may result.
- Follow the instructions specified in “Installation” of this manual, and perform secure installation.
Install the ceiling mount bracket in accordance with the structure and materials of the installation location.
- If a mistake is made in the installation procedure, the ceiling mount bracket may fall down and an injury may result.
Mounting and installation must be carried out by two or more persons.
- When installing the projector in an overhead location, for example, in a high ceiling, at least two persons will be required to handle the installation.
Make sure that your footing is safe and secure during installation.
- If your footing is not secure, you may fall down or drop the unit, and an injury may result.
Do not loosen or remove the ceiling mount bracket screws and bolts unnecessarily.
- The projector may fall down and an injury may result.
Do not install in a location that is not strong enough.
- If the installation location is not strong enough, the unit may fall down and damage to the projector or an injury may result.
Do not install the ceiling mount bracket in humid or dusty locations or in locations where the ceiling mount bracket may come into contact with oily smoke or steam. - Using the projector under such conditions may result in fire or electric shock. Also, the oil will cause the plastic to deteriorate and the projector may fall down when installed on a ceiling.
Do not allow children to reach the supplied screws and metal fittings.
- The supplied screws and metal fittings can cause personal injury if swallowed.
- If swallowed, seek medical advice immediately.
Do not disassemble or modify the ceiling mount bracket.
- The projector may be damaged or fall, causing injury.
CAUTION:
Only install a designated projector.
Only install using a designated method.
- The projector may fall down and be damaged, and an injury may result.
Do not install the unit in a location that may impede projector ventilation.
- A fire may result.
Do not hang from or hang objects on the projector or ceiling mount bracket.
- The projector may fall and cause injury.
Use only the specified ceiling mount bracket (for high ceilings or for low ceilings).
- Failure to obey may result in dropping, damage to the projector, or injury.
When installing, always use the supplied components.
- The unit may be damaged, or the projector may fall down and an injury may result.
Install the mounting screws and power cable in such a way that they will not make contact with metal objects inside the ceiling.
- Electric shocks may result from contact with any metal objects inside the ceiling.
- Panasonic Connect Co., Ltd. takes no responsibility for any accident or damage caused by the installation of the ceiling mount bracket using methods that are not described or methods that do not use the parts specified in these Installation Instructions.
- If products are no longer being used, they should be dismantled and removed by certified personnel as soon as possible.
Product components
This is a ceiling mount bracket for installing projectors.
Applicable ceiling mount brackets and projectors
Ceiling mount brackets
ET-PKD120H (for high ceilings) / ET-PKD120S (for low ceilings) / ET-PKD130H (for high ceilings, 6-axis adjustment)
Projectors
PT-CMZ50 / PT-MZ20K / PT-MZ17K / PT-MZ14K / PT-MZ11K / PT-MZ16K / PT-MZ13K / PT-MZ10K / PT-MZ880 / PT-MZ780 / PT-MZ680 / PT-MZ770 / PT-MW730 / PT-MZ670 / PT-MW630 / PT-MZ570 / PT-MW530 / PT-EZ770 / PT-EZ590 / PT-EZ580 / PT-EZ57 / PT-EW730 / PT-EW650 / PT-EW640 / PT-EW550 / PT-EW540 / PT-EX800 / PT-EX620 / PT-EX610 / PT-EX520 / PT-EX510 / PT-FZ570 / PT-FW530 / PT-FX500
Note
- In this document, the alphabet letters at the end of the projector part numbers are omitted.
- Models other than the above may also be supported. Refer to the operating instructions for your projector or the following website.
https://panasonic.net/cns/projector/
Structural components
| Parts name | Form (number of parts) | Form (number of parts) |
| Projector mount bracket | ![]() | This is used to install the projector itself. It has a function which allows adjustment of the left and right tilt. |
| Bolts | Captive washer hex head bolts (M6×16)![]() | These are used to secure the brackets to the projector. |
| Projector drop- prevention kit | Captive washer Screw (M6×20) Wire rope [2.5 mm (3/32″) wire diameter, 800 mm (31-1/2”)]![]() Flat washer (M8) | Prevents the projector from falling. |
- Tightening torque for the screws are M6: 4 ± 0.5 N•m.
- When tightening up the screws, use a tool such as a torque screwdriver or torque wrench. Do not use electric screwdrivers or impact screwdrivers.
Attention
- Dispose of the packaging materials properly after taking the product out of it.
- Store small parts in an appropriate manner, and keep them away from small children.
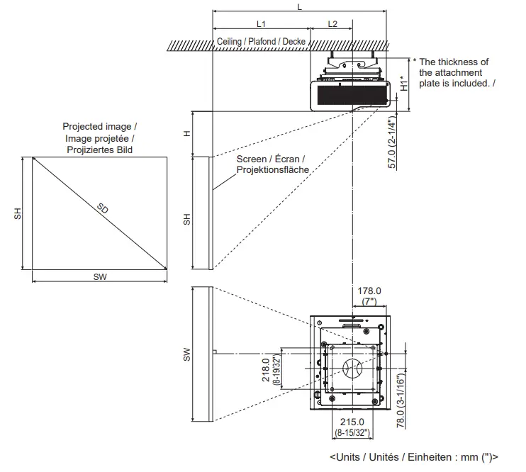
Standard installation dimensions
<When using other than the PT-CMZ50 projector>
The dimensional relationship between the screen and projector is shown below.
Establish the ceiling installation position after accessing the “Dimensional relationship diagram” (pages 5-6) and “Dimensional relationship” in the Appendix.
The projection distance can be adjusted using the zoom lens (except ET-ELW21). Check the projected image while making fine adjustments.
If the projector is equipped the lens shift function, the vertical position of the projected image can be adjusted.
Then “H1/H2” will change according to lens shift amount.
Dimensional relationship diagram
(when using the ceiling mount bracket ET-PKD120S (for low ceilings))

(when using the ceiling mount bracket ET-PKD120H (for high ceilings))

Note
- This illustration assumes that the projector will be installed so that the projected image fills the screen and is properly aligned with it.
- This drawing is not in exact scale.
| SH | Projected image height | H1 / H2 | Distance from the center of lens to the attachment plate (including plate thickness) |
| SW | Projected image width | L1 | Lens protrusion dimension (from front of set to tip of lens) |
| SD | Projected image size | L2F / L3F | Distance from the center of attachment plate to the front end of lens |
| L(LW/LT)*1 | Projection distance | L2R / L3R | Distance from the center of attachment plate to the rear end of projector |
*1 : LW : Minimum projection distance when the zoom lens is used
LT : Maximum projection distance when the zoom lens is used
Attention
- Install the projector at a sufficient distance from the surrounding walls and objects so that the air intake and exhaust ports of the projector are not blocked. For details on the distance, refer to the operating instructions for your projector.
- Avoid setting up in places which are subject to sudden temperature changes, such as near an air conditioner or lighting equipment.
Dimensional relationship diagram
For the formula of the projection distance (L) and the other specifications (H1 / H2, L1, L2F / L3F, L2R / L3R), refer to the appendix at the end of this instruction.
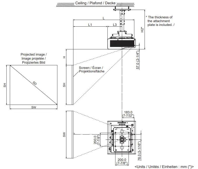
<When using the PT-CMZ50 projector>
The dimensional relationship between the screen and projector is shown below. Establish the ceiling installation position after accessing the “Dimensional relationship diagram” (pages 6-7) and “Dimensional relationship” in the Appendix.
Dimensional relationship diagram
(when using the ceiling mount bracket ET-PKD120S (for low ceilings))

(when using the ceiling mount bracket ET-PKD120H (for high ceilings))

Note
- This illustration assumes that the projector will be installed so that the projected image fills the screen and is properly aligned with it.
- This drawing is not in exact scale
| SH | Projected image height | H | Distance from the top of projector to top edge of screen |
| SW | Projected image width | H1 / H2 | Distance from the top of projector to attachment plate (includes plate thickness) |
| SD | Projected image size | L1 | Distance from the screen to rear of projector |
| L | Projection distance (from screen to mirror reflective surface*1) | L2 / L3 | Distance from the center of attachment plate to the rear end of projector |
*1 : The mirror reflective surface is inside the fixed-focus lens, and is not visible from the outside.
Attention
- Install the projector at a sufficient distance from the surrounding walls and objects so that the air intake and exhaust ports of the projector are not blocked. For details on the distance, refer to the operating instructions for your projector.
- Avoid setting up in places which are subject to sudden temperature changes, such as near an air conditioner or lighting equipment.
Dimensional relationship
For the formula of the projection distance (L) and the other specifications (H, H1/H2, L1, L2/L3), refer to the appendix at the end of this instruction.
Installation
After checking the height, width and structure of the installation location while referring to the “Dimensional relationship diagram” (pages 5-7) and “Dimensional relationship” in the Appendix, determine the appropriate positions for setting up the screen and installing the projector.
Setting up the screen
Set up the screen according to the specified method in a position which takes into account the projection distance and angle and the type of screen being used.
Screws tightening torques
M6…………4 ± 0.5 N•m
- Use a torque screwdriver or torque wrench to tighten screws and bolts to their specified tightening torques. Do not use electric screwdrivers or impact screwdrivers. Installing the bracket to the projector
Installing the bracket to the projector
Attach the projector mount bracket to the projector (sold separately).
- the projector upside down on top of a soft cloth.
- Turn the adjustable feet (as shown on the left) clockwise to minimize the length of the feet.

- Secure the projector mount bracket to the bottom of the projector using the four supplied captive washer hex head bolts (M6×16) as illustrated on the left.

- Place the projector upside down on top of a soft cloth.
- Turn the adjustable feet (as shown on the left) clockwise to minimize the length of the feet. Projector mount bracket
- Secure the projector mount bracket to the bottom of the projector using the four supplied captive washer hex head bolts (M6×16) as illustrated on the left.
Attaching the projector drop-prevention kit
Secure the wire rope to the projector (sold separately).
Attention
- For the combination of the projector with the ceiling mount bracket (for low ceilings) ET-PKD120S (sold separately) and the ceiling mount bracket (for high ceilings) ET-PKD120H (sold separately), and the mounting of the wire rope to the ceiling, please refer to the installation instructions of the ceiling mount bracket ETPKD120S (for low ceilings) and ET-PKD120H (for high ceilings).
(when using the ceiling mount bracket ET-PKD120S (for low ceilings))
- Secure one end of the wire rope with a captive washer screw (M6×20) to “A” on the projector as shown on the left.
Attention
● Be sure to use the supplied flat washers and wire rope.
● At this step, please keep the wire rope through the opening of the mounting bracket base.
Note
● One of the two supplied washers with this product is for the fixing of the wire rope to the projector and the other is for the fixing of the wire rope to the ceiling. - Mount the projector with the ceiling mount bracket ET-PKD120S (for low ceilings) to the angle adjusting bracket.
Attention
Pass the wire rope through to the other side of the angle adjusting bracket during this step. - Mount the projector to the ceiling

Attention
For the combination of this projector and the ceiling mount bracket (sold separately), please refer to the installation instructions of the ceiling mount bracket ET-PKD120S (for low ceilings). - Pass the wire rope through to the other side of the angle adjusting bracket and attachment plate as shown on the left.
(when using the ceiling mount bracket ET-PKD120H (for high ceilings))
- Secure one end of the wire rope with a captive washer screw (M6×20) to “A” on the projector as shown on the left.

Attention
● Be sure to use the supplied flat washers and wire rope.
● At this step, please keep the wire rope through the opening of the mounting bracket base.
Note
● One of the two supplied washers with this product is for the fixing of the wire rope to the projector and the other is for the fixing of the wire rope to the ceiling. - Mount the projector with the ceiling mount bracket ET-PKD120H (for high ceilings) to the angle adjusting bracket.

- Mount the projector to the ceiling.
Attention
● For the combination of this product and the ceiling mount bracket (sold separately), please refer to the installation instructions of the ceiling mount bracket ET-PKD120H (for high ceilings). - Pass the wire rope through the hole as shown in the figure on the left.

Specifications
| External dimensions | Width: 410 mm (16-5/32″) Height: 56 mm (2-7/32″) Length: 314 mm (12-3/8″) |
| Weight | Approx. 2.2 k] (4.85 lbs) |
Appendix
<When using other than the PT-CMZ50 projector>
■ Dimensional relationship
The dimensional relationship between the screen and projection is shown below.
(when using the ceiling mount bracket ET-PKD120S (for low ceilings))

(when using the ceiling mount bracket ET-PKD120H (for high ceilings))
| SH | Height of the projection area |
| SW | Width of the projection area |
| SD | Diagonal length of the projection area (m) |
| L(LW/LT)*1 | Projection distance (m) |
| H1 / H2 | Distance from the center of lens to the attachment plate (including plate thickness) (mm) |
| L1 | Lens protrusion dimension (from front of set to tip of lens) (mm) |
| L2F / L3F | Distance from the center of attachment plate to the front end of lens (mm) |
| L2R / L3R | Distance from the center of attachment plate to the rear end of projector (mm) |
Minimum projection distance when the zoom lens is used
- Values of H1/H2, L2F/L3F and L2R/L3R
- PT-MZ20K / PT-MZ17K / PT-MZ14K / PT-MZ11K / PT-MZ16K / PT-MZ13K / PT-MZ10K
| Ceiling Mount Bracket | (Units : mm) | |||||
| ET-PKD120S | H1 | 208 | L2F | 244 | L2R | 199 |
| ET-PKD120H | H2 | 451 – 531 | L3F | 250 | L3R | 193 |
- PT-MZ880 / PT-MZ780 / PT-MZ680
| Ceiling Mount Bracket | (Units : mm) | |||||
| ET-PKD120S | H1 | 216 | L2F | 257 | L2R | 180 |
| ET-PKD120H | H2 | 459 – 539 | L3F | 262 | L3R | 174 |
- PT-MZ770 / PT-MW730 / PT-MZ670 / PT-MW630 / PT-MZ570 / PT-MW530
| Ceiling Mount Bracke | (Units: mm) | |||||
| ET-PKD120S | H1 | 197 | L2F | 244 | L2R | 184 |
| ET-PKD120H | H2 | 440 – 520 | L3F | 250 | L3R | 178 |
- PT-EZ770 / PT-EZ580 / PT-EW730 / PT-EW640 / PT-EW540 / PT-EX800 / PT-EX610 / PT-EX510
| Ceiling Mount Bracket | (Units: mm) | |||||
| ET-PKD120S | H1 | 200 | L2F | 184.8 | L2R | 200.2 |
| ET-PKD120H | H2 | 431.0 – 511.0 | L3F | 189.8 | L3R | 195.2 |
- PT-EZ590 / PT-EZ57 / PT-EW650 / PT-EW550 / PT-EX620 / PT-EX520 / PT-FZ570 / PT-FW530 / PT-FX500
| Ceiling Mount Bracket | (Units : mm) | |||||
| ET-PKD120S | H1 | 182.5 | L2F | 166.5 | L2R | 191.5 |
| ET-PKD120H | H2 | 413.5 – 493.5 | L3F | 171.5 | L3R | 186.5 |
- Values of L1 / Valeurs L1 / Werte L1
- PT-EZ770 / PT-EZ580 / PT-EW730 / PT-EW640 / PT-EW540 /
- PT-EX800 / PT-EX610 / PT-EX510
| Projection Lens | L1 |
| Standard zoom lens | 59 |
| ET-ELT20 | 81 |
| ET-ELT21 | 80 |
| ET-ELW20 | 80 |
| ET-ELW21 | 50 |
| ET-ELW22 | 95 |
- P T-EZ590 / PT-EW650 / PT-EW550 / PT-EX620 / PT-EX520
| Projection Lens | L1 |
| Standard zoom lens | 40 |
| ET-ELT30 | 81 |
| ET-ELT31 | 92 |
| ET-ELW30 | 71 |
| ET-ELW31 | 70 |
- T-FZ570 / PT-FW530 / PT-FX500 / PT-EZ57
| Projection Lens | L1 |
| Standard zoom lens | 40.3 |
Note
- For the lens protrusion dimensions of the following projectors, refer to the operating instructions of the projector.
PT-MZ20K / PT-MZ17K / PT-MZ14K / PT-MZ11K / PT-MZ16K / PT-MZ13K / PT-MZ10K / PT-MZ880 / PT-MZ780 / PT-MZ680 / PT-MZ770 / PT-MW730 / PT-MZ670 / PT-MW630 / PT-MZ570 / PT-MW530
Projected image size and Projection distance
PT-EZ770 / PT-EZ580
| Zoom lens Object if | Throw ratio Rapport | Aspect ratio Rapport | Projection distance (L) formula | |
| Minimum | Maximum | |||
| Standard zoom lens | 1.7 – 2.8 : 1 | 16 : 10 | L = 1.3900 × SD – 0.0549 | L = 2.3640 × SD – 0.0482 |
| 16 : 9 | L = 1.4286 × SD – 0.0549 | L = 2.4297 × SD – 0.0482 | ||
| 1.9 – 3.3 : 1 | 4 : 3 | L = 1.5736 × SD – 0.0549 | L = 2.6763 × SD – 0.0482 | |
| ET-ELW22 | 0.78 – 0.98 : 1 | 16 : 10 | L = 0.6904 × SD – 0.0485 | L = 0.8558 × SD – 0.0455 |
| 16 : 9 | L = 0.7096 × SD – 0.0485 | L = 0.8796 × SD – 0.0455 | ||
| 0.95 – 1.18 : 1 | 4 : 3 | L = 0.7816 × SD – 0.0485 | L = 0.9688 × SD – 0.0455 | |
| ET-ELW20 | 1.3 – 1.7 : 1 | 16 : 10 | L = 1.0557 × SD – 0.0555 | L = 1.4374 × SD – 0.0534 |
| 16 : 9 | L = 1.0851 × SD – 0.0555 | L = 1.4774 × SD – 0.0534 | ||
| 1.5 – 2.0 : 1 | 4 : 3 | L = 1.1952 × SD – 0.0555 | L = 1.6273 × SD – 0.0534 | |
| ET-ELT20 | 2.8 – 4.6 : 1 | 16 : 10 | L = 2.3662 × SD – 0.1140 | L = 3.8583 × SD – 0.1129 |
| 16 : 9 | L = 2.4320 × SD – 0.1140 | L = 3.9656 × SD – 0.1129 | ||
| 3.3 – 5.4 : 1 | 4 : 3 | L = 2.6788 × SD – 0.1140 | L = 4.3680 × SD – 0.1129 | |
| ET-ELT21 | 4.6 – 7.2 : 1 | 16 : 10 | L = 3.8667 × SD – 0.2123 | L = 6.1416 × SD – 0.2108 |
| 16 : 9 | L = 3.9742 × SD – 0.2123 | L = 6.3123 × SD – 0.2108 | ||
| 5.4 – 8.6 : 1 | 4 : 3 | L = 4.3775 × SD – 0.2123 | L = 6.9529 × SD – 0.2108 | |
| Fixed-focus lens Objectif | Throw ratio | Aspect ratio Rapport | Projection distance (L) formula | |
| ET-ELW21 | 0.8 : 1 | 16 : 10 | L = 0.6763 × SD – 0.0577 | |
| 16 : 9 | L = 0.6951 × SD – 0.0577 | |||
| 0.9 : 1 | 4 : 3 | L = 0.7656 × SD – 0.0577 | ||
- PT-EW730 / PT-EW640 / PT-EW540 (Units : m)
| Zoom lens Object if | Throw ratio Rapport | Aspect ratio Rapport | Projection distance (L) formula | |
| Minimum | Maximum Max. (LT) | |||
| Standard zoom lens | 1.7 – 2.8 : 1 | 16 : 10 | L = 1.4062 × SD – 0.0504 | L = 2.3944 × SD – 0.0497 |
| 16 : 9 | L = 1.4452 × SD – 0.0504 | L = 2.4609 × SD – 0.0497 | ||
| 2.0 – 3.4 : 1 | 4 : 3 | L = 1.5919 × SD – 0.0504 | L = 2.7106 × SD – 0.0497 | |
| ET-ELW22 | 0.78 – 0.98 : 1 | 16 : 10 | L = 0.6931 × SD – 0.0484 | L = 0.8591 × SD – 0.0454 |
| 16 : 9 | L = 0.7123 × SD – 0.0484 | L = 0.8830 × SD – 0.0454 | ||
| 0.95 – 1.19 : 1 | 4 : 3 | L = 0.7846 × SD – 0.0484 | L = 0.9726 × SD – 0.0454 | |
| ET-ELW20 | 1.3 – 1.7 : 1 | 16 : 10 | L = 1.0702 × SD – 0.0554 | L = 1.4530 × SD – 0.0534 |
| 16 : 9 | L = 1.1000 × SD – 0.0554 | L = 1.4934 × SD – 0.0534 | ||
| 1.5 – 2.0 : 1 | 4 : 3 | L = 1.2116 × SD – 0.0554 | L = 1.6449 × SD – 0.0534 | |
| ET-ELT20 | 2.8 – 4.6 : 1 | 16 : 10 | L = 2.3952 × SD – 0.1139 | L = 3.9041 × SD – 0.1128 |
| 16 : 9 | L = 2.4617 × SD – 0.1139 | L = 4.0126 × SD – 0.1128 | ||
| 3.3 – 5.5 : 1 | 4 : 3 | L = 2.7115 × SD – 0.1139 | L = 4.4197 × SD – 0.1128 | |
| ET-ELT21 | 4.6 – 7.2 : 1 | 16 : 10 | L = 3.9138 × SD – 0.2127 | L = 6.2152 × SD – 0.2107 |
| 16 : 9 | L = 4.0226 × SD – 0.2127 | L = 6.3880 × SD – 0.2107 | ||
| 5.4 – 8.7 : 1 | 4 : 3 | L = 4.4307 × SD – 0.2127 | L = 7.0361 × SD – 0.2107 | |
| Fixed-focus lens Objectif | Throw ratio Rapport | Aspect ratio Rapport | Projection distance (L) formula | |
| ET-ELW21 | 0.8 : 1 | 16 : 10 | L = 0.6842 × SD – 0.0572 | |
| 16 : 9 | L = 0.7032 × SD – 0.0572 | |||
| 0.9 : 1 | 4 : 3 | L = 0.7746 × SD – 0.0572 | ||
- PT-EX800 / PT-EX610 / PT-EX510 (Units: m)
| Zoom lens Objectif | Throw ratio Rapport de la distance | Aspect ratio Rapport | Projection distance (L) formula | |
| Minimum / Mini. / Min. (LW) | Maximum / Maxi. / Max. (LT) | |||
| Standard zoom lens | 1.7 – 2.8 : 1 | 4 : 3 | L = 1.3346 × SD – 0.0553 | L = 2.2677 × SD – 0.0480 |
| 16 : 9 | L = 1.4541 × SD – 0.0553 | L = 2.4707 × SD – 0.0480 | ||
| ET-ELW22 | 0.8 – 1.0 : 1 | 4 : 3 | L = 0.6656 × SD – 0.0489 | L = 0.8250 × SD – 0.0458 |
| 16 : 9 | L = 0.7252 × SD – 0.0489 | L = 0.8989 × SD – 0.0458 | ||
| ET-ELW20 | 1.3 – 1.7 : 1 | 4 : 3 | L = 1.0118 × SD – 0.0558 | L = 1.3780 × SD – 0.0540 |
| 16 : 9 | L = 1.1024 × SD – 0.0558 | L = 1.5013 × SD – 0.0540 | ||
| ET-ELT20 | 2.8 – 4.6 : 1 | 4 : 3 | L = 2.2693 × SD – 0.1142 | L = 3.7031 × SD – 0.1129 |
| 16 : 9 | L = 2.4724 × SD – 0.1142 | L = 4.0346 × SD – 0.1129 | ||
| ET-ELT21 | 4.6 – 7.2 : 1 | 4 : 3 | L = 3.7091 × SD – 0.2132 | L = 5.8937 × SD – 0.2109 |
| 16 : 9 | L = 4.0339 × SD – 0.2132 | L = 6.4212 × SD – 0.2109 | ||
| Fixed-focus lens Objectif | Throw ratio Rapport | Aspect ratio Rapport | Projection distance (L) formula | |
| ET-ELW21 | 0.8 : 1 | 4 : 3 | L = 0.6496 × SD – 0.0585 | |
| 16 : 9 | L = 0.7078 × SD – 0.0585 | |||
- PT-EZ590 / PT-EW650 / PT-EW550
| Zoom lens Objectif-zoom | Throw ratio Rapport | Aspect ratio Rapport | Projection distance (L) formula | |
| Minimum / Mini. / Min. (LW) | Maximum / Maxi. / Max. (LT) | |||
| Standard zoom lens | 1.22 – 2.26 : 1 | 16 : 10 | L = 1.0433 × SD – 0.0326 | L = 1.9341 × SD – 0.0328 |
| 16 : 9 | L = 1.0724 × SD – 0.0326 | L = 1.9878 × SD – 0.0328 | ||
| 1.46 – 2.72 : 1 | 4 : 3 | L = 1.1811 × SD – 0.0326 | L = 2.1895 × SD – 0.0328 | |
| ET-ELW31 | 0.74 – 0.96 : 1 | 16 : 10 | L = 0.6373 × SD – 0.0324 | L = 0.8295 × SD – 0.0344 |
| 16 : 9 | L = 0.6550 × SD – 0.0324 | L = 0.8526 × SD – 0.0344 | ||
| 0.88 – 1.15 : 1 | 4 : 3 | L = 0.7215 × SD – 0.0324 | L = 0.9391 × SD – 0.0344 | |
| ET-ELW30 | 0.96 -1.22 : 1 | 16 : 10 | L = 0.7978 x SD – 0.0326 | L = 1.0395 x SD – 0.0341 |
| 16 : 9 | L = 0.8199 x SD – 0.0326 | L = 1.0684 x SD – 0.0341 | ||
| 1.11 – 1.45 : 1 | 4 : 3 | L = 0.9031 x SD – 0.0326 | L = 1.1768 x SD – 0.0341 | |
| ET-ELT30 | 2.23 – 4.02 : 1 | 16 : 10 | L = 1.9341 × SD – 0.1109 | L = 3.4825 × SD – 0.1364 |
| 16 : 9 | L = 1.9879 × SD – 0.1109 | L = 3.5793 × SD – 0.1364 | ||
| 2.67 – 4.84 : 1 | 4 : 3 | L = 2.1896 × SD – 0.1109 | L = 3.9424 × SD – 0.1364 | |
| ET-ELT31 | 4.02 – 7.20 : 1 | 16 : 10 | L = 3.3622 x SD + 0.1001 | L = 6.1287 x SD + 0.0940 |
| 16 : 9 | L = 3.4557 x SD + 0.1001 | L = 6.2991 x SD + 0.0940 | ||
| 4.82 – 8.73 : 1 | 4 : 3 | L = 3.8063 x SD + 0.1001 | L = 6.9382 x SD + 0.0940 | |
- PT-EX620 / PT-EX520 (Units : m)
| Zoom lens Objectif | Throw ratio Rapport de la distance | Aspect ratio Rapport | Projection distance (L) formula | |
| Minimum | Maximum | |||
| Standard zoom lens | 1.32 – 2.44 : 1 | 4 : 3 | L = 1.0630 × SD – 0.0332 | L = 1.9706 × SD – 0.0334 |
| 16 : 9 | L = 1.1581 × SD – 0.0332 | L = 2.1469 × SD – 0.0334 | ||
| ET-ELW31 | 0.79 – 1.08 : 1 | 4 : 3 | L = 0.6493 × SD – 0.0330 | L = 0.8452 × SD + 0.0350 |
| 16 : 9 | L = 0.7074 × SD – 0.0330 | L = 0.9208 × SD + 0.0350 | ||
| ET-ELW30 | 1.00 – 1.30 : 1 | 4 : 3 | L = 0.8128 x SD – 0.0333 | L = 1.0591 x SD – 0.0347 |
| 16 : 9 | L = 0.8855 x SD – 0.0333 | L = 1.1539 x SD – 0.0347 | ||
| ET-ELT30 | 2.39 – 4.36 : 1 | 4 : 3 | L = 1.9706 × SD – 0.1130 | L = 3.5456 × SD – 0.1114 |
| 2.40 – 4.37 : 1 | 16 : 9 | L = 2.1469 × SD – 0.1130 | L = 3.8628 × SD – 0.1114 | |
| ET-ELT31 | 4.34 – 7.86 : 1 | 4 : 3 | L = 3.4264 x SD + 0.1005 | L = 6.2453 x SD + 0.0941 |
| 16 : 9 | L = 3.7330 x SD + 0.1005 | L = 6.8041 x SD + 0.0941 | ||
- PT-FZ570 / PT-FW530 / PT-EZ57 (Units: m)
| Zoom lens Objectif | Throw ratio Rapport | Aspect ratio Rapport | Projection distance (L) formula | |
| Minimum | Maximum | |||
| Standard zoom lens | 1.22 – 2.26 : 1 | 16 : 10 | L = 1.0433 × SD – 0.0326 | L = 1.9341 × SD – 0.0328 |
| 16 : 9 | L = 1.0724 × SD – 0.0326 | L = 1.9878 × SD – 0.0328 | ||
| 1.46 – 2.72 : 1 | 4 : 3 | L = 1.1811 × SD – 0.0326 | L = 2.1895 × SD – 0.0328 | |
- PT-FX500 (Units: m)
| Zoom lens Objectif | Throw ratio Rapport | Aspect ratio Rapport | Projection distance (L) formula | |
| Minimum | Maximum | |||
| Standard zoom lens | 1.32 – 2.44 : 1 | 4 : 3 | L = 1.0630 × SD – 0.0332 | L = 1.9706 × SD – 0.0334 |
| 16 : 9 | L = 1.1581 × SD – 0.0332 | L = 2.1469 × SD – 0.0334 | ||
Note
- For the diagonal length of the projection area and the projection distance of the following projectors, refer to the operating instructions of the projector.
PT-MZ20K / PT-MZ17K / PT-MZ14K / PT-MZ11K / PT-MZ16K / PT-MZ13K / PT-MZ10K / PT-MZ880 / PT-MZ780 / PT-MZ680 / PT-MZ770 / PT-MW730 / PT-MZ670 / PT-MW630 / PT-MZ570 / PT-MW530
<When using the PT-CMZ50 projector>
Dimensional relationship
The dimensional relationship between the screen and projection is shown below.
(when using the ceiling mount bracket ET-PKD120S (for low ceilings))

(when using the ceiling mount bracket ET-PKD120H (for high ceilings))
| SH | Height of the projection area |
| SW | Width of the projection area |
| SD | Diagonal length of the projection area (m) |
| L | Projection distance (from screen to mirror reflective surface*1) (m) |
| H | Distance from the top of projector to top edge of screen (m) |
| H1/H2 | Distance from the top of projector to attachment plate (includes plate thickness) (mm) |
| L1 | Distance from the screen to rear of projector (m) |
| L2 /L3 | Distance from the center of attachment plate to the rear end of projector (mm) |
The mirror reflective surface is inside the fixed-focus lens, and is not visible from the outside.
- Values of H1/H2 and L2/L3
- PT-CMZ50
| Ceiling Mount Bracket | (Units : mm) | |||
| ET-PKD120S | H1 | 281 | L2 | 222 |
| ET-PKD120H | H2 | 524 – 604 | L3 | 217 |
- Projected image size and Projection distance
The dimensions of the following table contain a slight error.
Dimensions in the tables are values when Digital Zoom Extender function is disabled by setting the [POSITION] menu → [SCREEN ADJUSTMENT] → [DIGITAL ZOOM EXTENDER] to [OFF] on the projector.
| Aspect ratio | 16 : 10 | 16 : 9 | 4 : 3 |
| Height of the projection area (SH) | = 0.530 × SD | = 0.490 × SD | = 0.6 × SD |
| Width of the projection area (SW) | = 0.848 × SD | = 0.872 × SD | = 0.8 × SD |
| Projection distance (L) Distance de projection (L) | = 0.1782 × SD + 0.0485 | = 0.1831 × SD + 0.0485 | = 0.2017 × SD + 0.0485 |
| Distance from the screen to rear of projector (L1) | = 0.0100 + (L – 0.4105) | ||
| Distance from the top of projector to top edge of screen (H) | = 0.0933 × SD – 0.0562 | = 0.1231 × SD – 0.0562 | = 0.1056 × SD – 0.0562 |
Panasonic Connect Co., Ltd.
Web Site : https://panasonic.net/cns/projector/
© Panasonic Connect Co., Ltd. 2022
HS1017AM3043 -PS
Printed in Japa


Wire rope [2.5 mm (3/32″) wire diameter, 800 mm (31-1/2”)]


























