CHIEF 051VCTUB VCTUB Extra Large Universal Projector Mount

DISCLAIMER
Legrand | AV and its affiliated corporations and subsidiaries
(collectively “Legrand | AV”), intend to make this manual accurate and complete. However, Legrand | AV makes no claim that the information contained herein covers all details, conditions or variations, nor does it provide for every possible contingency in connection with the installation or use of this product. The information contained in this document is subject to change without notice or obligation of any kind. Legrand | AV makes no representation of warranty, expressed or implied, regarding the information contained herein. Legrand | AV assumes no responsibility for accuracy, completeness or sufficiency of the information contained in this document.
Chief® is a registered trademark of Legrand AV Inc.
DEFINITIONS
MOUNTING SYSTEM: A MOUNTING SYSTEM is the primary Chief product to which an accessory and/or component is attached.
ACCESSORY: AN ACCESSORY is the secondary Chief product which is attached to a primary Chief product, and may have a component attached or setting on it.
COMPONENT: A COMPONENT is an audiovisual item designed to be attached or resting on an accessory or mounting system such as a video camera, CPU, screen, display, projector, etc.
WARNING: A WARNING alerts you to the possibility of serious injury or death if you do not follow the instructions.
CAUTION: A CAUTION alerts you to the possibility of damage or destruction of equipment if you do not follow the corresponding instructions.
IMPORTANT SAFETY INSTRUCTIONS
WARNING: Failure to read, thoroughly understand, and follow all instructions can result in serious personal injury, damage to equipment, or voiding of factory warranty! It is the installer’s responsibility to make sure all mounting systems are properly assembled and installed using the instructions provided. Failure to provide adequate structural strength for this mounting system can result in serious personal injury or damage to equipment! It is the installer’s responsibility to make sure the structure to which this mounting system is attached can support five times the combined weight of all equipment. Reinforce the structure as required before installing the mounting system.
Exceeding the weight capacity can result in serious personal injury or damage to equipment! It is the installer’s responsibility to make sure the combined weight of all components located between the supporting structure and the VCT does not exceed 150 lbs (68.0 kg).
- The weight capacity of the VCT may be LIMITED to the lowest weight capacity of any other component located between the VCT and the supporting structure.
WARNING: Use this mounting system only for its intended use as described in these instructions. Do not use attachments not recommended by the manufacturer. Never operate this mounting system if it is damaged. Return the mounting system to a service center for examination and repair. Do not use this mounting system outdoors.
IMPORTANT: The VCT mounting system is designed to be mounted to:
- a 1-1/2″ NPT or NPSM following ANSI/ASME
B1.20.1 (Schedule 40, 0.154″ minimum thickness steel or aluminum-ASTM B221) threaded extension column (not included).
DIMENSIONS
LEGEND
![]()
| Tighten Fastener |
| Adjust | |||
| Apretar elemento de fijación | Ajustar | |||||
| Befestigungsteil festziehen | Einstellen | |||||
| Apertar fixador | Ajustar | |||||
| Serrare il fissaggio | Regolare | |||||
| Bevestiging vastdraaien | Afstellen | |||||
| Serrez les fixations | Ajuster | |||||
![]()
| Loosen Fastener |
| Remove | |||
| Aflojar elemento de fijación | Quitar | |||||
| Befestigungsteil lösen | Entfernen | |||||
| Desapertar fixador | Remover | |||||
| Allentare il fissaggio | Rimuovere | |||||
| Bevestiging losdraaien | Verwijderen | |||||
| Desserrez les fixations | Retirez | |||||
![]()
| Phillips Screwdriver |
| Optional | |||
| Destornillador Phillips | Opcional | |||||
| Kreuzschlitzschraubendreher | Optional | |||||
| Chave de fendas Phillips | Opcional | |||||
| Cacciavite a stella | Opzionale | |||||
| Kruiskopschroevendraaier | Optie | |||||
| Tournevis à pointe cruciforme | En option | |||||
![]()
| Open-Ended Wrench |
| Security Wrench | |||
| Llave de boca | Llave de seguridad | |||||
| Gabelschlüssel | Sicherheitsschlüssel | |||||
| Chave de bocas | Chave de segurança | |||||
| Chiave a punte aperte | Chiave di sicurezza | |||||
| Steeksleutel | Veiligheidssleutel | |||||
| Clé à fourche | Clé de sécurité | |||||
![]()
| By Hand | |||||
| A mano | ||||||
| Von Hand | ||||||
| Com a mão | ||||||
| A mano | ||||||
| Met de hand | ||||||
| À la main | ||||||
![]()
| Hex-Head Wrench | |||||
| Llave de cabeza hexagonal | ||||||
| Sechskantschlüssel | ||||||
| Chave de cabeça sextavada | ||||||
| Chiave esagonale | ||||||
| Zeskantsleutel | ||||||
| Clé à tête hexagonale | ||||||
TOOLS REQUIRED FOR INSTALLATION

PARTS

INSTALLATION
NOTE: In the following instructions, the term VCT refers to both the VCTXXX and/or the VCTU.
The VCT mount is designed to be mounted to:
- a 1-1/2″ NPT or NPSM following ANSI/ASME
B1.20.1 (Schedule 40, 0.154″ minimum thickness steel or aluminum-ASTM B221) threaded extension column (not included).
Installing VCT to Extension Column
IMPORTANT: These installation instructions assume that a 1-1/2″ NPT or NPSM (Schedule 40, 0.154″ minimum thickness steel or aluminum – ASTM B221) pipe (not included) has been properly installed and is in place.
- Loosen and remove the set screw which ships installed in the VCT mount (A). (See Figure 1)

- Loosely add four M8 flange nuts (included with interface bracket) on two PEM studs at each end of the VCT mount (A). (See Figure 2)

- Thread the VCT mount (A) onto the existing 1-1/2″ NPT pipe until tight with a minimum of four threads engaged. (See Figure 1)
NOTE: Ensure that side of VCT mount with two knobs is located parallel to, or opposite of, the screen. (See Figure 1) - Tighten the set screw into the VCT mount threaded collar to prevent movement of the VCT. (See Figure 1)
INSTALLING PROJECTOR
IMPORTANT: Model VCT uses Chief “HC” Series interface brackets. Installing Interface Bracket
WARNING: IMPROPER INSTALLATION CAN LEAD TO PROJECTOR FALLING RESULTING IN SERIOUS PERSONAL INJURY OR DAMAGE TO EQUIPMENT. DO NOT substitute hardware. Use only the hardware provided by the manufacturer.
- Secure HC interface bracket to VCT using installation instructions and hardware provided with HC interface bracket.
Install Projector with Attached Interface Bracket
- Orient projector with attached interface bracket so that it is square to the screen. (See Figure 3)
- Lift the projector and install it behind the flange nuts on the four studs extending from the VCT housing. (See Figure 3)
WARNING: IMPROPER INSTALLATION CAN LEAD TO PROJECTOR FALLING RESULTING IN SERIOUS PERSONAL INJURY OR DAMAGE TO EQUIPMENT!
Ensure that the interface bracket hooks are seated on studs on VCT mount! - Tighten the flange nuts on the four studs. (See Figure 3)

Adjustments
WARNING: MOUNTING HARDWARE IS TO BE LOOSENED ONLY ENOUGH TO ALLOW FOR NECESSARY MOVEMENT.
- Over-loosening or removal of mounting hardware may result in personal injury or serious damage to equipment!

A. Pitch
- Turn PITCH knob (A) counterclockwise to pitch down. (See Figure 4)
- Turn PITCH knob (A) clockwise to pitch up to 0°.
- If adjusting for a large degree of pitch:
- 3a: Pry off center cap from PITCH knob by inserting screwdriver into slot
- 3b: Insert pitch socket adapter (B) into knob
- 3c: Adjust pitch socket adapter by hand, or use a drill with an M13 socket to adjust PITCH to desired level.
- 3d: Remove pitch socket adapter from knob and replace knob center cap. B. Roll
- Loosen Roll nut (located immediately below and left of YAW knob [black nut on white mount, silver on black mount]). (See Figure 4)
- Turn ROLL knob clockwise to move side of mount near knob down.
- Turn ROLL knob counterclockwise to move other side of mount down.
- Tighten Roll nut (located immediately below and left of YAW knob).
- C. Yaw
- Loosen Yaw nut (black nut on white mount, silver on black mount) accessible through back of mount. (See Figure 4)
- Adjust YAW by rotating mount around column as required.
- Tighten Yaw nut.
DISCLAIMER
Legrand | AV and its affiliated corporations and subsidiaries (collectively “Legrand | AV”), intend to make this manual accurate and complete. However, Legrand | AV makes no claim that the information contained herein covers all details, conditions or variations, nor does it provide for every possible contingency in connection with the installation or use of this product. The information contained in this document is subject to change without notice or obligation of any kind. Legrand | AV makes no representation of warranty, expressed or implied, regarding the information contained herein. Legrand | AV assumes no responsibility for accuracy, completeness or sufficiency of the information contained in this document. Chief® is a registered trademark of Legrand AV Inc.
DEFINITIONS
MOUNTING SYSTEM: A MOUNTING SYSTEM is the primary Chief product to which an accessory and/or component is attached.
ACCESSORY: AN ACCESSORY is the secondary Chief product which is attached to a primary Chief product, and may have a component attached or setting on it.
COMPONENT: A COMPONENT is an audiovisual item designed to be attached or resting on an accessory or mounting system such as a video camera, CPU, screen, display, projector, etc.
WARNING: A WARNING alerts you to the possibility of serious injury or death if you do not follow the instructions.
CAUTION: A CAUTION alerts you to the possibility of damage or destruction of equipment if you do not follow the corresponding instructions.
IMPORTANT SAFETY INSTRUCTIONS
WARNING: Failure to read, thoroughly understand, and follow all instructions can result in serious personal injury, damage to equipment, or voiding of factory warranty! It is the installer’s responsibility to make sure all accessories areproperly assembled and installed using the instructions provided
- Exceeding the weight capacity can result in serious personal injury or damage to equipment! It is the installer’s responsibility to make sure the combined weight of all components attached to the HCU does not exceed 150 lbs (68.0 kg).
- Use this accessory only for its intended use as described in these instructions. Do not use attachments not recommended by the manufacturer.
- Never operate this accessory if it is damaged.
- Return the accessory to a service center for examination and repair. Do not use this accessory outdoors.
NOTE: The HCU interface bracket may be used with Listed Chief model VCT000.
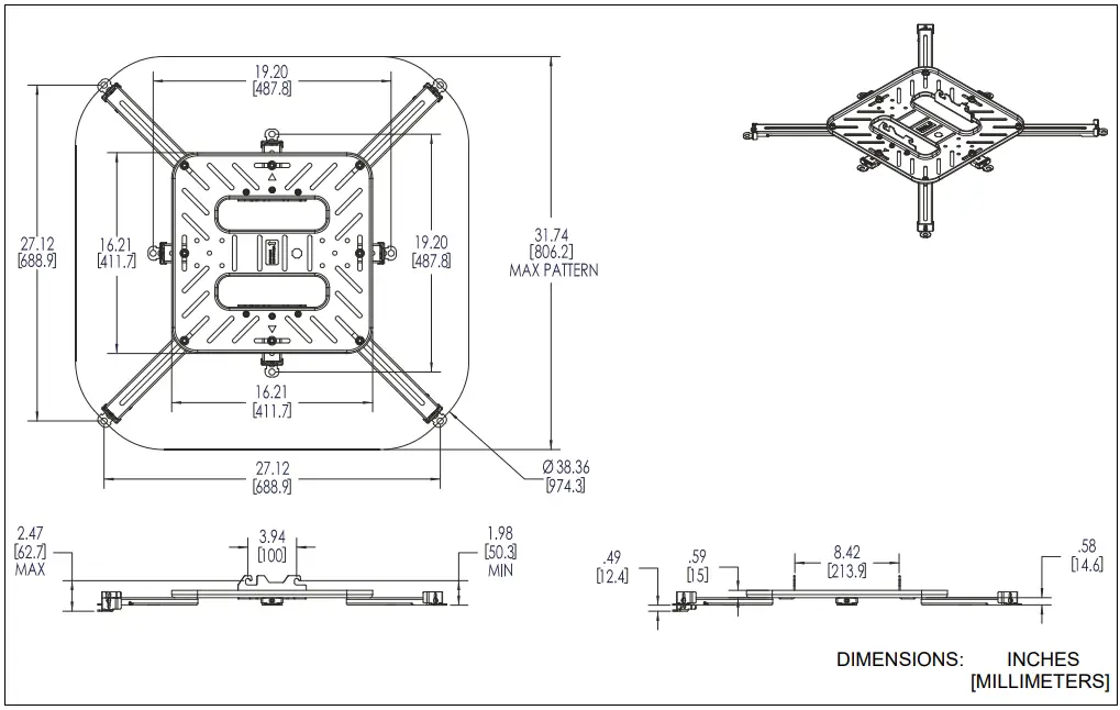
DIMENSIONS
LEGEND
![]()
| Tighten Fastener |
| Phillips Screwdriver | |||
| Apretar elemento de fijación | Destornillador Phillips | |||||
| Befestigungsteil festziehen | Kreuzschlitzschraubendreher | |||||
| Apertar fixador | Chave de fendas Phillips | |||||
| Serrare il fissaggio | Cacciavite a stella | |||||
| Bevestiging vastdraaien | Kruiskopschroevendraaier | |||||
| Serrez les fixations | Tournevis à pointe cruciforme | |||||
![]()
| Loosen Fastener | ![]()
| Hex-Head Wrench | |||
| Aflojar elemento de fijación | Llave de cabeza hexagonal | |||||
| Befestigungsteil lösen | Sechskantschlüssel | |||||
| Desapertar fixador | Chave de cabeça sextavada | |||||
| Allentare il fissaggio | Chiave esagonale | |||||
| Bevestiging losdraaien | Zeskantsleutel | |||||
| Desserrez les fixations | Clé à tête hexagonale |
TOOLS REQUIRED FOR INSTALLATION

PARTS

INSTALLATION
Pre-Installation Adjustment Information Interface Legs Adjustments
- The height of the interface legs can be adjusted by loosening the button head screw at the end of the leg, adjusting leg height up or down, and tightening the button head screw at the required height. (See Figure 1)

- The height of the interface legs (P) can be changed for low clearance installations by removing the foot and replacing it with the fixed foot (P). (See Figure 1)
- The nested washer (BB) should be added to the installation when using M4, M5 or M6 attachment screws. (See Figure 1)
Installing HCU Interface Bracket
WARNING: IMPROPER INSTALLATION CAN LEAD TO PROJECTOR FALLING RESULTING IN SERIOUS PERSONAL INJURY OR DAMAGE TO EQUIPMENT. DO
NOT substitute hardware. Use only the hardware provided by
the manufacturer.
NOTE
- Figure 2 shows a possible scenario based on a sample projector. Specific connection points for the interface legs will vary based on the projector hole pattern. Multiple scenarios may be used for each specific hole pattern as long as the weight of the projector is centered and balanced after mounting.
- The triangles on the interface assembly (L) should be facing towards the screen and away from the screen when attached to the projector. (See Figure 3)
- Maneuver legs on top of the projector so that sliding stud brackets within legs (P and/or Q) are positioned towards the middle of the projector, and the attachment point of legs are located over threaded holes in projector. (See Figure 2)

IMPORTANT: A minimum of four projector legs must be used.
WARNING: IMPROPER INSTALLATION CAN LEAD TO DISPLAY FALLING CAUSING SERIOUS PERSONAL
INJURY OR DAMAGE TO EQUIPMENT: Using screws of improper size may damage your projector. Properly sized screws will easily and completely thread into projector mounting holes. If spacers are required, be sure to use longer screws of the same diameter. - Select correct screws and spacers (if necessary) from the hardware bag (A-H) and attach legs to top of projector. (See Figure 2)
NOTE: The nested washer (BB) should be added to the installation when using M4, M5 or M6 attachment screws. (See Figure 1) - Position sliding stud brackets on legs so that VCTU interface assembly (L) can be evenly mounted to legs. (See Figure 3)
- Place interface assembly (L) over sliding stud brackets in all legs. (See Figure 3)

- Fasten interface assembly (L) over sliding stud brackets in legs using one M8 flanged nut (AA) per interface leg (P or Q). (See Figure 4)

- Attach HCU to VCT000. Refer to VCT000/VCTU installation manual for details.
- Maneuver legs on top of the projector so that sliding stud brackets within legs (P and/or Q) are positioned towards the middle of the projector, and the attachment point of legs are located over threaded holes in projector. (See Figure 2)
8800-003080 Rev02 2019 Legrand | AV
www.legrandav.com
06/19





































