
*WSVC / *WSVX SERIES WATER SOURCE HEAT PUMPS
INSTALLATION, OPERATION & MAINTENANCE INSTRUCTIONS
**WARNING TO INSTALLER, SERVICE PERSONNEL AND OWNER**
Altering the product or replacing parts with non authorized factory parts voids all warranty or implied warranty and may result in adverse operational performance and/or a possible hazardous safety condition to service personnel and occupants. Company employees and/or contractors are not authorized to waive this warning.

NOTE: Read the entire installation instruction manual before starting the installation.
SAFETY CONSIDERATIONS
Improper installation, adjustment, alteration, service, maintenance, or use can cause explosion, fire, electrical shock, or other conditions which may cause personal injury or property damage. Consult a qualified licensed installer, service agency, or your distributor for information or assistance. The qualified licensed installer or service agency must use factory-authorized kits or accessories when servicing this product. Refer to the individual instructions packaged with kits or accessories when installing.
Follow all safety codes. Wear safety glasses and work gloves. Use quenching cloth for brazing operations. Have fire extinguisher available. Read these instructions thoroughly and follow all warnings or cautions attached to the unit. Consult local building codes and National Electrical Code (NEC) for special requirements.
Recognize safety information. This is the safety-alert symbol
. When you see this symbol on the unit and in instruction manuals, be alert to the potential for personal injury.
Understand the signal words DANGER, WARNING, CAUTION, and NOTE. These words are used with the safety-alert symbol. DANGER identifies the most serious hazards which will result in severe personal injury or death. WARNING signifies hazards which could result in personal injury or death. CAUTION is used to identify unsafe practices which would result in minor personal injury or product and property damage. NOTE is used to highlight suggestions which will result in enhanced installation, reliability, or operation.
WARNING: Before installing or servicing unit, always turn off all power to unit. There may be more than one disconnect switch. Turn off accessory heater power if applicable. Electrical shock can cause personal injury or death.
GENERAL
The manufacturer assumes no responsibility for equipment installed in violation of any code requirement.
These instructions give information relative to the installation of these heat pump units only. For other related equipment refer to the proper instructions.
Material in this shipment has been inspected at the factory and released to the transportation agency in good condition. When received, a visual inspection of all cartons should be made immediately. Any evidence of rough handling or apparent damage should be noted on the delivery receipt and the material inspected in the presence of the carrier’s representative.
If damage is found, a claim should be filed against the carrier immediately. If the equipment is not needed for immediate installation upon arrival at the job site then it should be left in its shipping carton and stored in a clean, dry location. Units must be stored or moved in the normal upright position at all times. If stacking of units is required, do not stack more than two units high.
Installation and servicing of this equipment can be hazardous due to the system pressure and electrical components. Only a qualified licensed installer or service agency should install, repair or service the equipment. Untrained personnel can perform basic functions of maintenance such as replacing filters. Standard fluorocarbon refrigerant safety and handling practices should be followed when handling R-410A. Avoid skin and eye contact with liquid refrigerant. Work in well ventilated areas since vapors are heavier than air and might concentrate near the floor or in low areas. Additionally R-410A is non-flammable at normal room temperature, but can become combustible if mixed with air at elevated temperature and/or pressure. Do not mix R-410A with air for leak testing or other purposes. Instead use a mixture of R-410A and nitrogen for leak testing.
When servicing this equipment, because of the higher pressures, make sure the reversing valve, expansion device, filter drier and other components are specifically designed for R-410A.
In keeping with its policy of continuous progress and product improvement, the manufacturer reserves the right to discontinue or change without notice any or all specifications or designs without incurring obligations.
CAUTION: R-410A systems operate at higher pressures than standard R-22 systems. Do not use R-22 service equipment or components on R-410A equipment.
WARNING: R-410A can become combustible if mixed with air at elevated temperature and/or pressure. Failure to follow this warning could result in property damage and personal injury or death.
INTRODUCTION
Model nomenclature for the Water-to-Air Heat Pumps described in this installation instruction are as follows:
WSVC – Vertical, Single Package Water Source Heat Pump.
WSVX -Same, but with permanent magnet DC motor.
The WSV* Water-to-Air Heat Pumps are safety agency listed(see unit label) for zero clearance to combustible materials and are designed for vertical applications with nominal refrigerant capacities of 18,000 through 59,000 BTUH. The WSV* series uses scroll or reciprocating compressors with refrigerant R-410A to achieve high efficiency levels, quiet operation and reliable performance. WSV* units are heat pump only units. No auxiliary electric heat or emergency heat is available with this unit. Safety devices are built into each unit to provide the maximum system protection possible when properly installed and maintained. Unit voltages offered are 230V, 265V and 460V with PSC or permanent magnet DC fan motors.
These units are designed to operate with the entering liquid temperature between 50 and 100 degrees F. With the extended range option, the heat pump can operate with entering liquid temperatures between 30 and 100 degrees F.
CAUTION: For all applications, 50 degree F minimum entering water temperature and sufficient water flow is required to prevent freezing. Antifreeze solution is required for any application with entering water below 50 degree F.
Cooling Tower / Boiler and Geo Thermal applications should have sufficient antifreeze solution when required to protect against extreme conditions and equipment failure. Frozen water coils are not covered under warranty.
CAUTION: This unit must not be operated under any circumstances without an air filter in place or during building construction due to excessive airborne dust and debris. Failure to follow this caution could result in equipment damage and void unit warranty.
INSTALLATION
Installation of this Water-to-Air Heat Pump should only be performed by a qualified licensed installer or service agency to ensure proper installation. The licensed installer must adhere strictly to all local and national code requirements pertaining to the installation of this equipment.
All WSV* units are agency listed for installation with zero inches clearance to combustible materials. This includes the unit cabinet, supply grilles or connecting ducts if installed.
INSTALLATION PRECAUTIONS
No wiring or other work should be attempted without first ensuring that the heat pump is completely disconnected from the power source and locked out. Always verify that a good ground connection exists prior to energizing any power sources.
Always review the nameplate on each unit for proper voltage and control configurations. This information is determined from the components and wiring of the unit and may vary from unit to unit.
When soldering or brazing it is recommended to have a fire extinguisher readily available. When soldering close to valve packages or other components, heat shields or wet rags are required to prevent damage.
Units must be installed level to ensure proper drainage and operation. Be sure that the drain pan is free from foreign construction material prior to start up. Check filter media installation to ensure that it is installed correctly. Use the directional arrows or other information on the filter to determine the proper flow direction. Ensure that the air distribution system does not exceed the external static pressure rating of the unit.
CAUTION: As with any mechanical equipment, personal injury can result from sharp metal edges, etc., therefore, care should be taken when removing and working on metal parts.
CAUTION: Extreme caution must be taken to ensure that no internal damage will result if screws or holes are drilled into the cabinet. Failure to follow this CAUTION could result in product or property damage and minor personal injury.
LOCATION / MOUNTING
Locate the unit in an area that allows easy removal of the filter and access panels and has enough room for service personnel to perform maintenance or repair. Provide sufficient room to make water, electrical and duct connections. If the unit is located in a confined space then provisions must be made for return air to freely enter the space. These units are not approved for outdoor installation therefore they must be installed inside the structure. Do not locate in areas subject to freezing or where humidity levels could cause cabinet condensation (such as unconditioned spaces subject to 100% outside air). WSV* units are available in left and right return air configurations. Units should be mounted level on a 3/8″ to 1/2″ vibration absorbing pad slightly larger than the base to minimize vibration transmission to the building structure. It is not necessary to anchor the unit to the floor.
Note: Filter brackets are located within the blower compartment and must be mounted to the external cabinet prior to mounting the unit. See figure 1.
WARNING: Remove shipping block from under blower housing and install filter brackets.
CONDENSATE DRAIN
The condensate drain must be in conformance with all plumbing codes. The condensate drain must be connected to the heat pump and pitched away from the unit a minimum 1/8″ per foot to allow the condensate to flow away from the unit. Since the drain pan is located on the suction side of the blower, a negative pressure exists at the drain pan and a minimum trap of 1-1/2 inches must be provided in the drain line to assure proper drainage. (Units are not internally trapped.)
CAUTION: Condensate drain pan is equipped with a condensate overflow safety device. Check condensate overflow senor for proper operation and adjust position if required. Final adjustment of this sensor must be made in the field. Failure to follow this warning could result in equipment and property damage.
AIR DISTRIBUTION DUCTS
All duct work must be installed in accordance with National Fire Protection Association Codes 90A and 90B. Ducts should be adequately insulated to prevent condensation during the cooling cycle and to minimize heat loss during the heating cycle. The return air duct should have the same free area as the opening provided on the heat pump unit. If there is no ducted return, applicable installation codes may limit the unit to installation only in a single story residence. In many cases it is acceptable touse ducting of the same size as the discharge connections. However, unique arrangements or long duct runs must be confirmedby a local professional and designed using current ASHRAE procedures for duct sizing. The manufacturer will not be responsible for misapplied equipment.
The WSV* unit provides a supply air outlet collar and a return air duct flange to facilitate duct connections. Refer to figure 1 for discharge flange set-up. A flexible connector is recommended for supply and return air connections on metal duct systems. All metal ducting should be insulated with a minimum of one inch duct insulation to reduce heat loss or gain.
ELECTRICAL CONNECTIONS
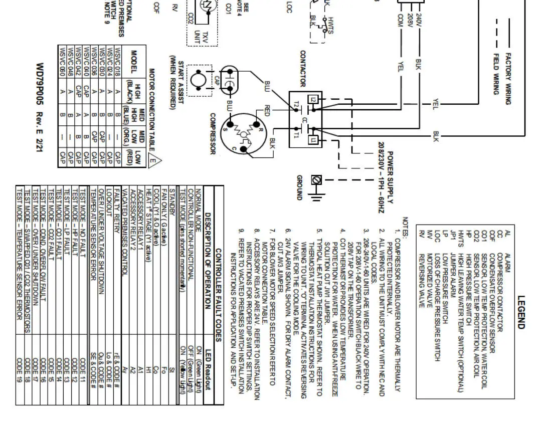
Before proceeding with electrical connections, make certain that supply voltage, frequency, and phase are as specified on unit rating plate. Be sure that electrical service provided by the utility is sufficient to handle the additional load imposed by this equipment. All field electrical connections must comply with NEC and any local codes or ordinances. Use copper wire only.
Properly sized fuses or HACR circuit breakers must be installed for branch circuit protection. See equipment nameplate for maximum size. Connect the power leads as indicated on the wiring diagram and be certain to connect the ground lead to the ground lug in the control box. Units are wired for 240V operation, if 208V supply voltage is present refer to the wiring diagram for wiring the transformer for 208V operation.
WARNING: Any accessory items that have been furnished by the factory for field installation must be wired in strict accordance with the wiring diagram supplied with the unit. Failure to do so could result in electrical shock causing personal injury, death or damage to components and will void all warranties.
WARNING: Three phase units are supplied with phase monitors which restrict power from being applied out of phase, unbalanced or when there is a loss of phase. Even so, ensure proper compressor rotation by checking suction and discharge pressures, FLA’s are normal and listen for noisy operation. Oil loss will be the greatest threat. See wiring diagram. .
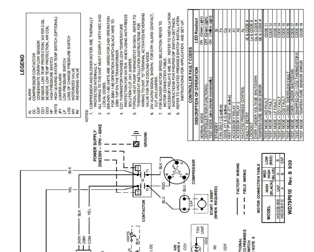
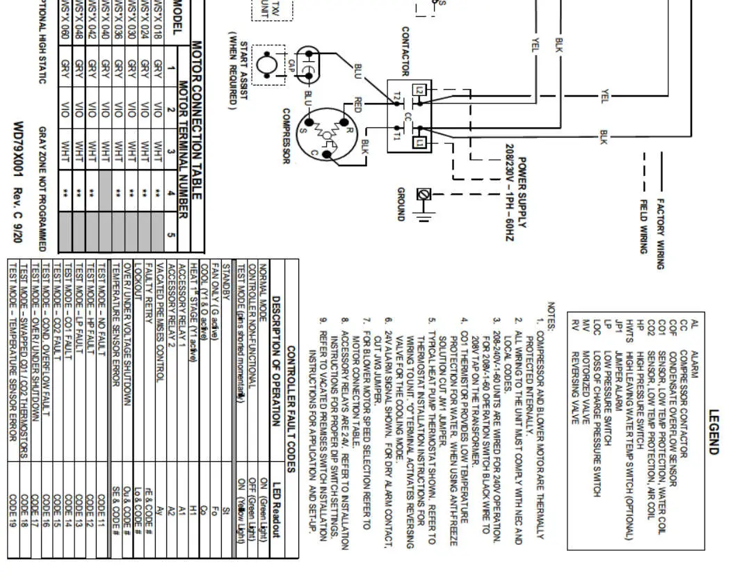
THERMOSTAT
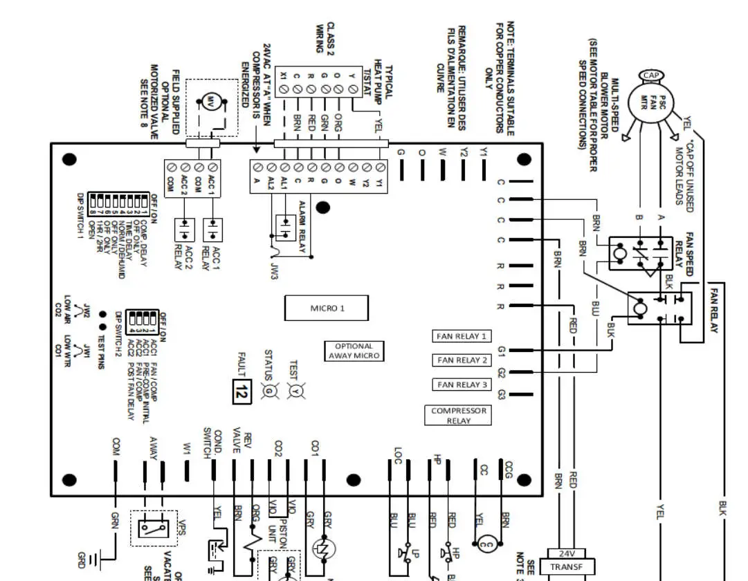
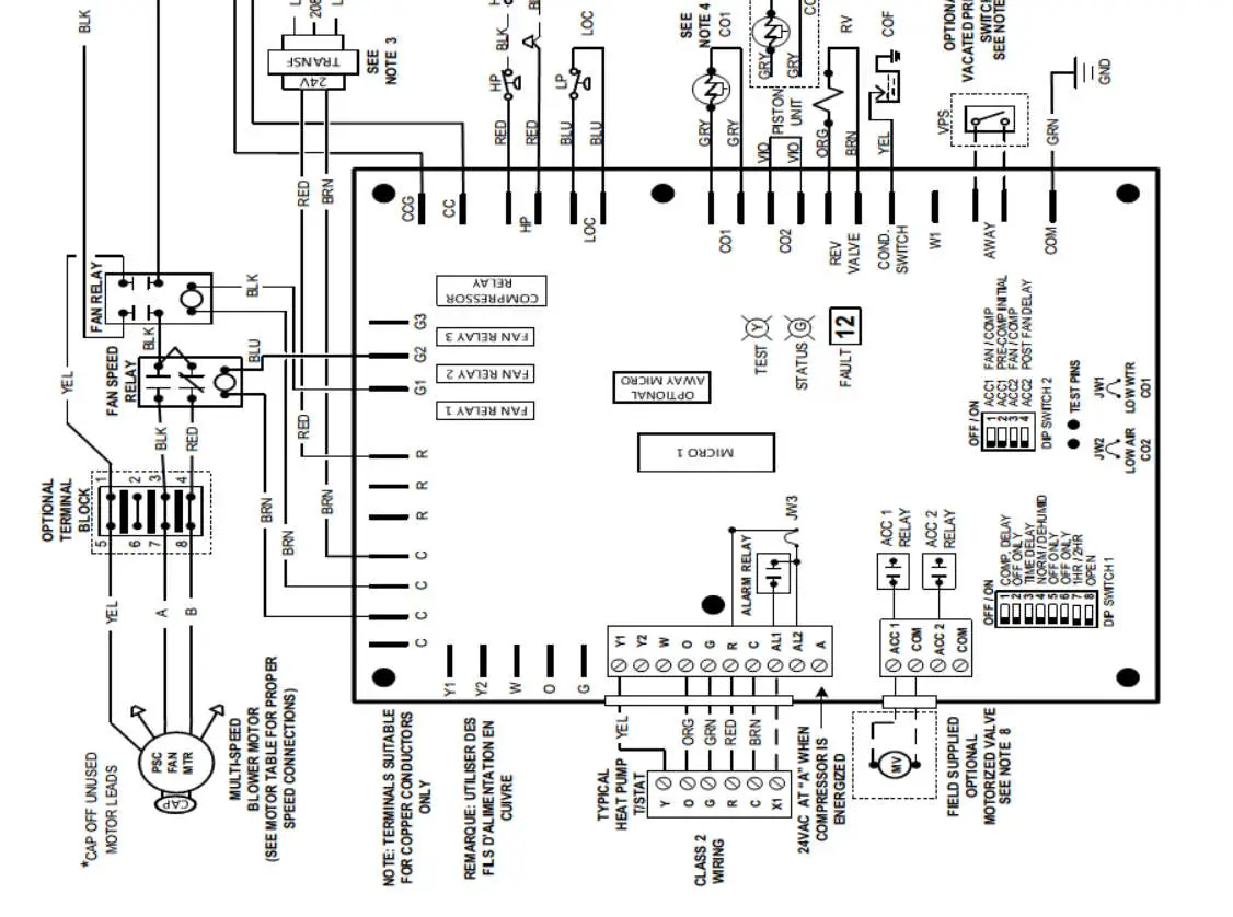
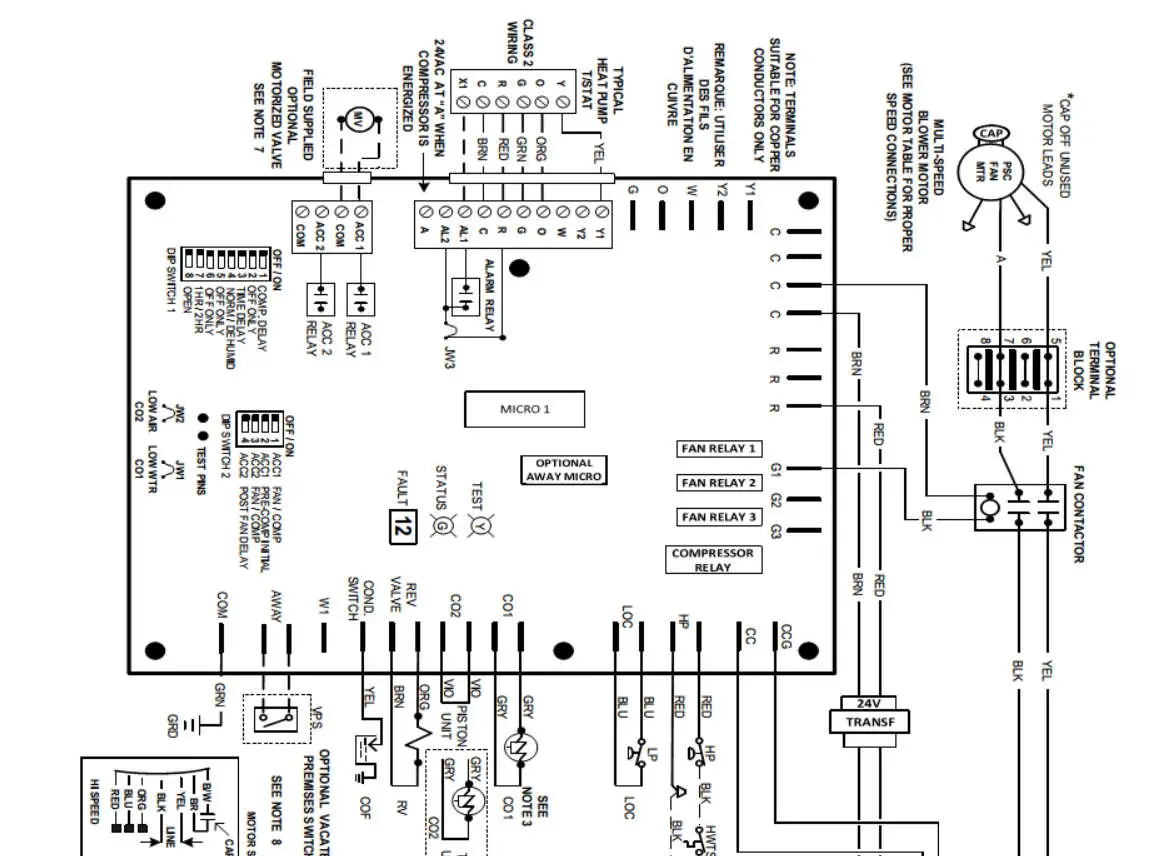
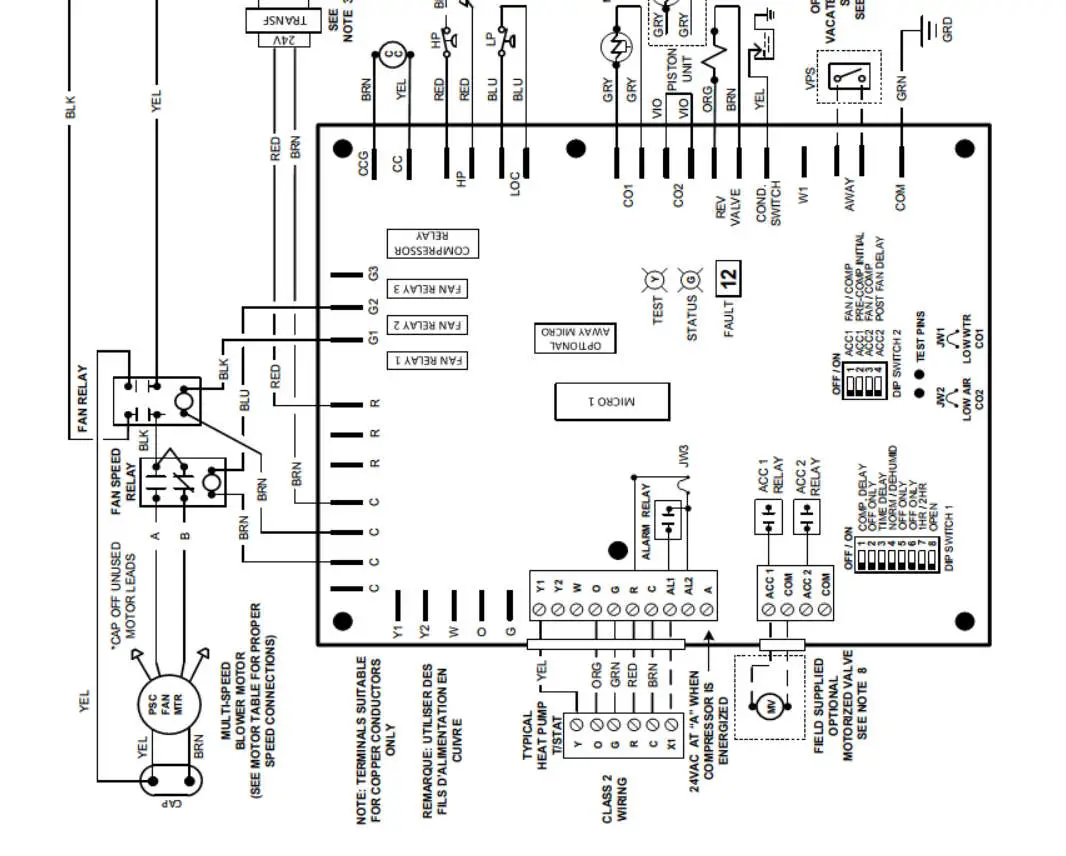
A standard 24 VAC Heat Pump thermostat is required that will operate the reversing valve in the cooling mode. Thermostat connections and their functions are as follows: C – Transformer 24VAC Common O – Reversing Valve (energized in cooling) Y – Compressor Contactor R – Transformer 24VAC Hot G – Evaporator Blower
CONTROL MODULE AND SAFETY DEVICES
The WSV* unit comes standard with a control module that controls the units operation and monitors the safety controls that protect the compressor, heat exchanger, wiring and other components from damage caused by operating outside of design conditions.
Safety controls include the following:
- High pressure switch located in the refrigerant discharge line.
- Low pressure switch located in the refrigerant suction line.
- Water Coil Low Temperature Cutout Sensor located on the heat exchanger to prevent unit operation below low temperature setting.
- Condensate overflow protection sensor located in the drain pan.
The Control Module includes the following features:
- Anti-Short Cycle Timer
- 5 minute anti-short cycle protection for the compressor.
Note: The 5 minute anti-short cycle also occurs at power up. - Random Start – The controller features a 5-80 second random start upon power up.
- Low Pressure Bypass Timer – The low pressure switch input is bypassed for the initial 120 seconds of a compressor run cycle to prevent nuisance low pressure lockouts.
- Over / Under Voltage Shutdown – Should an Over / Under Voltage condition be detected, the module will initiate ashutdown.
Over / Under Voltage Shutdown is self resetting in that if the voltage comes back within range of 18.5VAC to 31VAC, then normal operation will be restored. - Alarm Relay – The module has a set of contacts for remote fault indication. Contacts can be 24VAC output or converted to a dry contact. – Test Mode – Test pins can be momentarily jumpered to enter into a 10 minute Test Mode period in which all time delays are sped up 15 times. While in the Test Mode the LED Display will display a code representing the last fault in memory.
Note: Continued operation of the unit in the test mode can lead to accelerated wear and premature failure of unit. - Fault Retry – While in the Fault Retry Mode the LED Display will display a code representing retry and the fault code. The unit will initiate the Anti-Short Cycle Timer and try to restart after the delays. If 3 consecutive faults occur without satisfying the thermostat the control will go to Lockout Mode. The last fault causing the lockout will be stored in memory and displayed.
- Lockout – While in the Lockout Mode the LED Display will display a code representing lockout and the fault code. The compressor relay is turned off immediately. During a lockout mode the alarm relay is activated. Lockout mode can be soft reset by turning the thermostat to the “OFF” position then back to the “HEAT” or “COOL” mode or hard reset via the power disconnect.
- LED Indication – Two LED indicators are provided as follows: Green: Power LED indicates 18.5-31VAC is present at the board Yellow: Test LED indicates that the unit is operating in the test mode.
- LED Display – A two digit display indicates the system mode and fault code, if present. See table 1.
CONTROLLER OPERATIONAL CODES DESCRIPTION OF OPERATION LED Readout NORMAL MODE ON (Green Light) CONTROLLER NON-FUNCTIONAL OFF (Green Light) TEST MODE (pins shorted momentarily) ON (Yellow Light) STANDBY St FAN ONLY ( G active) Fo COOL (Y1 & 0 active) Co HEAT 1st STAGE (Yl active) H1 ACCESSORY RELAY 1 Al ACCESSORY RELAY 2 A2 VACATED PREMISES CONTROL Ay FAULT RETRY rE & CODE # LOCKOUT Lo & CODE # OVER / UNDER VOLTAGE SHUTDOWN Ou & CODE # TEMPERATURE SENSOR ERROR SE & CODE # TEST MODE – NO FAULT CODE 11 TEST MODE – HP FAULT CODE 12 TEST MODE – LP FAULT CODE 13 TEST MODE – CO1 FAULT CODE 14 TEST MODE – CO2 FAULT CODE 15 TES I MODE – COND. OVERFLOW FAULT CODE 16 TEST MODE – OVER / UNDER SHUTDOWN CODE 17 TEST MODE – SWAPPED CO1 / CO2 THERMISTORS CODE 18 TEST MODE – TEMPERATURE SENSOR ERROR CODE 19 Table 1 Fault Codes
PIPING
Supply and return piping must be as large as the unit connections on the heat pump and larger on long runs. Never use flexible hoses of a smaller diameter than the water connections on the unit. Do not exceed the minimum bend radius for the flexible hose selected. Exceeding the minimum bend radius may cause the hose to collapse, which reduces water flow rate. Install an angle adapter to avoid sharp bends in the hose when the radius falls below the required minimum.
Minimum Metal Hose Bend Radii
3/4” Hose Diameter – 4” Minimum Bend Radii
1” Hose Diameter – 5-1/2” Minimum Bend Radii
Insulation is not required on loop water piping except where the piping runs through unconditioned areas, outside the building or when the loop water temperature is below the minimum expected dew point of the pipe ambient conditions. Insulation is required if loop water temperature drops below the dew point. Units are supplied with either a copper or optional cupro-nickel water to refrigerant heat exchangers. Copper is adequate for ground water that is not high in mineral content. Should your well driller express concern regarding the quality of the water or should any known hazards exist in your area then we recommend proper testing to assure the well water quality is suitable for use with water source equipment. In conditions anticipating moderate scale formation or in brackish water a cupro-nickel heat exchanger is recommended.
CAUTION: Both the supply and return water lines will sweat if subjected to low water temperature. These lines should be insulated to prevent water damage to the property.
NOTE: All manual flow valves used in the system must be ball valves. Globe and gate valves must not be used due to high pressure drop and poor throttling characteristics. Never exceed the recommended water flow rates. Serious erosion or damage of the water to refrigerant heat exchanger could occur.
Always check carefully for water leaks and repair appropriately. Units are equipped with female pipe thread fittings. Consult the specification sheets for sizes. Teflon tape should be used when connecting water piping connections to the units to insure against leaks and possible heat exchanger fouling.
Note: When anti-freeze is used in the loop, insure that it is compatible with the Teflon tape that is applied. Do not over tighten the pipe connections. Flexible hoses should be used between the unit and rigid piping to avoid vibration transmission into the structure.
Note: Do not allow hoses to rest against structural building components. Compressor vibration may be transmitted through the hoses to the structure, causing unnecessary noise complaints.
Ball valves should be installed in the supply and return lines for unit isolation and unit water flow balancing. Pressure / temperature ports are recommended in both the supply and return lines for system flow balancing. Water flow can be accurately set by measuring the water side pressure drop of the water to refrigerant heat exchanger. See figure 1.
CAUTION: Water piping exposed to extreme low ambient temperatures is subject to freezing and possible rupture. Proper prevention should be taken to avoid pipe freezing where equipment damage or failure may occur. Failure to follow this warning could result in property damage.
SYSTEM APPLICATIONS
COOLING TOWER / BOILER APPLICATION
To assure optimum cooling and heating performance, the cooling tower and boiler water loop temperature should be maintained between 55 – 75 degrees F in the heating mode and 60 – 95 degrees F in the cooling mode. In the cooling mode, heat isrejected from the heat pump’s refrigerant into the water loop. A cooling tower provides evaporative cooling to the loop fluid;thus, maintaining a constant supply temperature to the unit. When using an open cooling tower, chemical water treatment ismandatory to ensure the water is free of corrosive materials.
In the heating mode, heat is absorbed from the water loop into the heat pump’s refrigerant. A boiler may be utilized to maintain the proper water temperature within in the loop.
CAUTION: A boiler may be required in the water loop to maintain the loop water temperature between 55 – 70 degree F. Failure to follow this warning could result in equipment failure and property damage.
A secondary heat exchanger (plate frame between the unit and the open cooling tower) may also be used. It is imperative that all air is eliminated from the closed loop side of the heat exchanger to prevent condenser fouling.
No unit should be connected to the supply or return piping until the water system has been completely cleaned and flushed to remove dirt, piping chips or other foreign material. Supply and return hoses should be connected together during this process to ensure the entire system is properly flushed. After the cleaning and flushing has taken place the unit may be connected to the water loop and should have all valves adjusted to supply the proper flow rate for the unit. Nominal flow rate is 3 GPM per 12,000 BTUH of cooling.
CAUTION: The manufacturer does NOT WARRANT equipment subjected to abuse. Dirt, piping chips or other foreign material can cause damage or failure to the water to refrigerant heat exchanger.
UNIT CONNECTIONS


Figure 1 – (Right Hand Model Shown)
Extended Range Operation: Piping systems expected to utilize water temperatures below 50 degrees require the extended range option which includes closed cell insulation on all piping surfaces to eliminate condensation. This application requires sufficient antifreeze solution to protect the water loop against extreme temperature conditions and condenser coil freezing. Frozen condenser coils are not covered under warranty. A boiler may be required to maintain the minimum water temperature within inthe loop.
WELL WATER APPLICATIONS
Requirements:
– 50 Degree F Minimum Entering Water Temperature
– Cupro-Nickel Refrigerant Heat Exchanger
When a water well is used exclusively for supplying water to the heat pump, a cupro-nickel refrigerant heat exchanger is required and the well pump should operate only when the heat pump operates. A 24 volt contactor can be wired to the ACC 1 terminal on the Control Module which can be selected to energize prior to or at compressor start-up which would in turn energize the well pump to operate with the heat pump.
CAUTION: Minimum entering water loop temperature is 50 Degree F. Failure to follow this warning could result in equipment failure and property damage.
The discharge water from the heat pump is not contaminated in any manner and can be disposed of in various ways depending upon local codes.
EARTH COUPLED SYSTEMS
WARNING: Closed loop and pond applications require specialized design knowledge. No attempt at these installations should be made unless the licensed installer has received specialized training.
SYSTEM CHECKOUT & START-UP
SYSTEM CHECKOUT
After completing the installation and before energizing the unit, the following system checks should be made:
- Verify that the supply voltage to the heat pump is in accordance with the nameplate ratings.
- Make sure that all electrical connections are tight and secure.
- Check the electrical overcurrent protection and wiring for the correct size.
- Verify that the low voltage wiring between the thermostat and the unit matches the wiring diagram.
- Verify that all Dip Switches are set to the off position for standard unit operation.
Verify that Dip Switch #1, position 2 is set to on, “DC”, only if DC motor is installed.- Verify that the water piping is complete and correct.
- Check all water connections for leaks.
- Check condensate overflow sensor for proper operation and adjust position if required.
- Check that the water flow rate is correct and adjust if necessary. Nominal flow rates are 3 GPM per 12,000 BTUH of cooling or approximately 10 degree delta T of entering vs leaving water temperature in the cooling mode.
- Check the blower wheel for free rotation and that it is secured to the motor shaft.
- Verify that vibration isolation has been provided.
- Unit is serviceable. Be certain that all access panels are securely in place.
UNIT START-UP
- Set the thermostat to its highest setting.
- Set the thermostat system switch to “COOL” and the fan switch to the “AUTO” position. The reversing valve solenoid should energize. The compressor and fan should not run. Wait 5 minutes for anti-short cycle timer to time out.
- Reduce the thermostat setting approximately 5 degrees below the room temperature.
- Verify the heat pump is operating in the cooling mode. ****Compressor rotation, see warning p.4****

- Turn the thermostat system switch to the “OFF” position. The unit should stop running and the reversing valve should deenergize.
- Leave the unit off for approximately (5) minutes to allow the system pressures to equalize. ( Anti-short cycle)
- Turn the thermostat to the lowest setting.
- Set the thermostat switch to “HEAT”.
- Increase the thermostat setting to approximately 5 degrees above the room temperature.
- Verify that the heat pump is operating in the heating mode.
- Set the thermostat to maintain the desired space temperature.
- Check for vibrations, leaks, etc.
- Verify water flow rate is correct and adjust if necessary. Nominal flow rates are 3 GPM per 12,000 BTUH of cooling or approximately 10 degree delta T of entering vs leaving water temperature in the cooling mode.
- Instruct the owner on the unit and thermostat operation.
BLOWER SPEED SELECTION
Units with PSC Motor
Units come from the factory set to deliver rated airflow at nominal static pressure (0.30 in. wg.). The heat pump has a built in dehumidification function that runs the lower fan speed for 10 minutes, then increases the blower speed to the nominal CFM output until the thermostat is satisfied. All units have a 3 or 4 speed motor so the blower can be field adjusted to a higher speed tap when the system application has higher static requirements. Refer to the unit specification sheet and wiring diagram for speed selections. Motor leads should be changed on the Fan Speed Relay.
Units with DC Motor
No fan speed relays are used and three motor leads connect directly to the control board. Gray is a 50% speed used when only “fan” is selected. Violet and White are the ramp up speeds used when in normal heating or cooling modes. See wiring diagram for proper speed tap selection.
ARI TESTING
To achieve rated airflow for ARI testing purposes on all PSC motor products, it is necessary to run the unit longer than 10 minutes in order for the blower to achieve the higher speed. When the heat pump has less than 100 operational hours and the coil has not had sufficient time to be “seasoned”, it is necessary to clean the coil with a mild surfactant such as Calgon to remove the oils left by manufacturing processes.
WSCM Optional Features
Vacated Premises Control:
The vacated premises operation is designed for extended periods of unoccupancy when the occupant desires the heat pump to operate in the cooling mode for a predetermined cycle time to help control indoor air conditions. See Dip 1.7 for time selection of 1 or 2 hours per day. The control kit consist of a rocker switch, wiring and a programmed chip that is installed on the WSCM control module by the licensed contractor. HOME selection – if the switch is in the HOME position the heat pump will operate in its normal mode. AWAY selection – if the switch is in the AWAY position and the thermostat is set to the “COOL” mode the heat pump will operate in accordance to the thermostat setting. Additionally the heat pump will cycle on in the cooling mode for 15 minute run times either 4 or 8 times per day depending on Dip 1.7 selection.
Note: If LED display is flashing “Ay” the thermostat is not set in the cooling mode.
SYSTEM MAINTENANCE
Filter replacement or cleaning is required at regular intervals. The time period between filter changes will depend upon the type of environment in which the equipment is used. The air filter should be cleaned or replaced every 30 days or more frequently if severe conditions exist. Always replace the filter with the same type as originally furnished.
CAUTION: Never operate unit without a filter or with filter not fully seated. Damage to refrigerant coil or heat pump system can result. Failure to follow this CAUTION could result in product or property damage.
An annual checkup is recommended by a licensed refrigeration mechanic. Recording the performance measurements of volts, amps and water temperature differences (both heating and cooling) is recommended. This data should be compared to the information on the unit’s nameplate and the data taken at the original start-up of the equipment. The condensate drain should be checked annually by cleaning and flushing to ensure proper drainage. Periodic lockouts almost always are caused by air or water flow problems. The lockout (shutdown) of the unit is a normal protective measure in the design of the equipment. If continual lockouts occur then call a licensed mechanic immediately and have them check for:
- water flow problems
- air flow problems
- water temperature problems
- air temperature problems
Use of pressure and temperature charts for the unit may be helpful to properly determine the cause.
OPERATING TEMPERATURES & PRESSURES
| OPERATING DATA | ||||||||||
| COOLING | HEATING | |||||||||
| MODEL | ENTERING WATER TEMP, F | WATER FLOW GPM | SUCTION PRESSURE PSIG | DISCHARGE PRESSURE PSIG | WATER TEMP RISE, F | AIR TEMP DROP, F | SUCTION PRESSURE PSIG | DISCHARGE PRESSURE PSIG | WATER TEMP DROP, F | AIR TEMP RISE, F |
| WSVC009 | 50 60 70 80 90 100 | 1.5 2.5 1.5 2.5 1.5 2.5 1.5 2.5 1.5 2.5 1.5 2.5 | 114 – 124 115 – 125 116 – 126 116 – 126 118 – 128 117 – 127 120 – 130 119 – 129 122 – 132 121 – 131 124 – 134 123 – 133 | 173 – 223 160 – 210 205 – 255 190 – 240 240 – 290 221 – 271 279 – 329 260 – 310 322 – 372 302 – 352 369 – 419 349 – 399 | 20 – 26 20 – 26 19 – 25 20 – 26 19 – 25 19 – 25 18 – 24 19 – 25 18 – 24 18 – 24 17 – 23 17 – 23 17-23 | 14 – 18 9 – 13 14 – 18 8 – 12 14 – 18 8 – 12 14 – 18 8 – 12 13 – 17 7 – 11 13 – 17 7 – 11 | 103 – 123 110 – 130 123 – 143 133 – 153 145 – 165 157 – 177 170 – 190 184 – 204 196 – 216 211 – 231 | 323 – 363 331 – 371 345 – 385 354 – 394 367 – 407 379 – 419 391 – 431 406 – 446 418 – 458 434 – 474 | 20 – 26 21 – 27 23 – 29 24 – 30 26 – 32 27 – 33 29 – 35 31 – 37 33 – 39 35 – 41 | 7 – 11 4 – 8 8 – 12 4 – 8 10 – 14 5 – 9 11 – 15 6 – 10 13 – 17 8 – 12 |
| WSVC012 | 50 60 70 80 90 100 | 2.0 3.0 2.0 3.0 2.0 3.0 2.0 3.0 2.0 3.0 2.0 3.0 | 114 – 134 114 – 134 115 – 135 115 – 135 117 – 137 116 – 136 119 – 139 119 – 139 122 – 142 121 – 141 125 – 145 124 – 144 | 181 – 231 172 – 222 216 – 266 206 – 256 254 – 304 244 – 294 296 – 346 286 – 336 342 – 392 332 – 382 393 – 443 384 – 434 | 20 – 26 20 – 26 20 – 26 20 – 26 20 – 26 20 – 26 19 – 25 19 – 25 19 – 25 19 – 25 18 – 24 18 – 24 | 13 – 17 8 – 12 13 – 17 8 – 12 13 – 17 8 – 12 13 – 17 8 – 12 13 – 17 8 – 12 13 – 17 8 – 12 | 91 – 111 96 – 116 109 – 129 115 – 135 128 – 148 136 – 156 150 – 170 160 – 180 173 – 193 165 – 185 | 285 – 325 289 – 329 301 – 341 306 – 346 318 – 358 325 – 365 338 – 378 348 – 388 362 – 402 360 – 396 | 18 – 24 19 – 25 21 – 27 22 – 28 24 – 30 25 – 31 27 – 33 29 – 35 31 – 37 33 – 40 | 6 – 10 3 – 7 7 – 11 4 – 8 9 – 13 5 – 9 10 – 14 6 – 10 12 – 16 8 – 12 |
This chart shows approximate temperatures and pressures for a unit in good working condition. The values shown are meant as a guide only and should not be used to determine system charge. This chart assumes rated airflow and 80 deg D.B. / 67 deg W.B. entering air temperature in cooling, 70 deg D.B. entering air temperature in heating.
| OPERATING DATA | ||||||||||
| COOLING | HEATING | |||||||||
| MODEL | ENTERING WATER TEMP, F | WATER FLOW GPM | SUCTION PRESSURE PSIG | DISCHARGE PRESSURE PSIG | WATER TEMP RISE, F | AIR TEMP DROP, F | SUCTION PRESSURE PSIG | DISCHARGE PRESSURE PSIG | WATER TEMP DROP, F | AIR TEMP RISE, F |
| WSVC009 | 50 60 70 80 90 100 | 3.0 5.0 3.0 5.0 3.0 5.0 3.0 5.0 3.0 5.0 3.0 5.0 | 112-152 104-140 122-154 117-142 128-156 126-155 128-156 121-149 130-156 123-148 132-156 126-150 | 210-258 193-241 241-289 223-274 276-334 277-315 317-375 295-353 355-402 340-398 405-465 386-444 | 15-17 8-9 15-17 8-9 15-17 9-10 14-16 9-10 14-16 9-10 13-15 8-9 | 19-23 17-21 18-22 17-21 18-22 18-22 18-22 17-21 17-21 17-21 16-20 17-21 | 103-123 110-132 120-145 122-147 135-164 144-174 150-181 155-185 158-195 162-208 | 293-363 306-376 332-401 347-417 374-444 384-453 392-462 400-470 407-477 416-487 | 7-9 5-6 8-10 5-6 9-12 6-7 11-13 8-9 13-15 7-9 | 19-24 21-26 25-30 27-32 29-34 31-37 32-38 33-39 34-40 35-41 |
| WSVC012 | 50 60 70 80 90 100 | 4.0 6.0 4.0 6.0 4.0 6.0 4.0 6.0 4.0 6.0 4.0 6.0 | 105-140 100-135 116-145 111-136 122-150 117-143 126-154 119-147 130-156 125-148 133-157 127-151 | 190-230 183-220 225-275 215-260 260-320 248-305 298-365 285-345 338-400 320-385 380-450 352-430 | 13-16 9-12 13-16 9-11 14-16 9-11 13-17 9-11 13-16 9-11 13-15 9-11 | 18-23 16-21 19-24 18-23 18-23 18-23 19-24 18-23 18-23 19-24 17-22 17-22 | 105-125 110-132 120-145 125-150 137-166 144-174 152-183 160-190 163-200 165-210 | 302-370 310-380 352-422 372-442 400-468 404-474 426-494 430-499 444-514 440-512 | 7-9 5-6 8-10 6-7 9-12 7-8 11-13 8-9 12-14 8-10 | 23-28 24-29 28-33 29-34 33-38 35-40 36-41 38-43 38-43 39-44 |
| WSVC030 | 50 60 70 80 90 100 | 5.0 8.0 5.0 8.0 5.0 8.0 5.0 8.0 5.0 8.0 5.0 8.0 | 110-150 104-140 120-152 115-140 126-154 123-152 126-154 119-147 132-158 125-150 135-159 129-153 | 210-258 193-241 241-289 223-274 276-334 277-315 312-370 295-353 355-402 335-394 400-460 381-439 | 15-17 8-9 15-17 8-9 15-17 9-10 14-16 9-10 14-16 9-10 13-15 8-9 | 17-21 16-20 18-22 17-21 18-22 17-21 18-22 17-21 18-22 17-21 17-21 16-20 | 103-123 110-132 120-145 122-147 135-164 144-174 152-183 160-190 165-203 170-215 | 298-368 308-378 335-404 347-417 378-448 384-453 398-468 405-475 422-492 424-495 | 7-9 5-6 8-10 6-7 9-12 7-8 11-13 8-9 12-14 8-10 | 20-25 22-27 25-30 26-31 29-34 28-34 32-38 34-40 35-41 37-43 |
This chart shows approximate temperatures and pressures for a unit in good working condition. The values shown are meant as a guide only and should not be used to determine system charge. This chart assumes rated airflow and 80 deg D.B. / 67 deg W.B. entering air temperature in cooling,
70 deg D.B. entering air temperature in heating.
| OPERATING DATA | ||||||||||
| COOLING | HEATING | |||||||||
| MODEL | ENTERING WATER TEMP, F | WATER FLOW GPM | SUCTION PRESSURE PSIG | DISCHARGE PRESSURE PSIG | WATER TEMP RISE, F | AIR TEMP DROP, F | SUCTION PRESSURE PSIG | DISCHARGE PRESSURE PSIG | WATER TEMP DROP, F | AIR TEMP RISE, F |
| WSVC036 | 50 60 70 80 90 100 | 6.0 9.0 6.0 9.0 6.0 9.0 6.0 9.0 6.0 9.0 6.0 9.0 | 110-150 104-140 120-152 115-140 126-154 123-152 126-154 119-147 132-158 125-150 135-159 129-153 | 214-262 199-247 246-295 233-284 286-344 287-325 322-380 310-368 360-417 350-409 405-465 391-449 | 15-17 9-10 15-17 9-10 15-17 9-10 14-16 9-10 14-16 9-10 13-15 9-10 | 22-26 20-24 22-26 20-24 22-26 21-25 21-25 20-24 20-24 20-24 19-23 19-23 | 105-125 110-132 124-149 127-152 135-164 144-174 157-188 162-192 165-203 173-218 | 312-380 320-390 359-429 367-437 390-458 404-474 426-494 430-499 444-514 445-517 | 6-8 4-6 8-9 5-6 9-12 7-8 10-12 8-9 13-15 7-9 | 26-31 28-33 31-36 32-37 38-43 38-43 42-47 43-48 44-50 45-51 |
| WSVC040 | 50 60 70 80 90 100 | 7.0 10.0 7.0 10.0 7.0 10.0 7.0 10.0 7.0 10.0 7.0 10.0 | 111-151 105-141 121-153 117-142 127-155 125-154 127-155 121-149 133-159 127-152 136-160 131-155 | 215-263 201-249 249-297 234-285 288-346 289-327 324-382 311-370 362-419 352-411 406-466 393-452 | 15-17 9-10 15-17 9-10 15-17 9-10 14-16 9-10 14-16 9-10 13-15 9-10 | 22-26 20-24 22-26 20-24 22-26 21-25 21-25 20-24 20-24 20-24 19-23 19-23 | 106-126 111-132 126-151 129-154 136-165 146-176 159-190 163-193 167-205 175-220 | 314-382 321-392 361-431 368-439 392-460 405-475 428-496 432-501 445-516 447-519 | 6-8 4-6 8-9 5-6 9-12 7-8 10-12 8-9 13-15 7-9 | 26-31 28-33 31-36 32-37 38-43 38-43 42-47 43-48 44-50 45-51 |
| WSVC042 | 50 60 70 80 90 100 | 8.0 11.0 8.0 11.0 8.0 11.0 8.0 11.0 8.0 11.0 8.0 11.0 | 111-151 107-143 122-154 122-147 128-156 126-155 130-158 125-153 137-163 132-157 139-163 135-159 | 201-249 190-238 231-279 227-278 270-328 272-310 308-366 300-360 352-409 347-406 398-458 391-449 | 12-14 8-9 13-15 9-11 13-15 9-11 12-14 8-10 11-13 8-10 11-14 8-10 | 17-21 16-20 18-22 18-22 18-22 18-22 18-22 17-21 18-22 18-22 17-21 17-21 | 100-120 103-123 117-142 117-142 129-158 136-166 145-176 150-180 155-193 160-205 | 288-358 293-363 325-394 327-398 348-408 354-423 373-443 345-445 352-452 358-458 | 6-8 5-6 9-10 6-7 9-11 7-8 10-12 8-9 11-13 8-10 | 22-26 23-27 28-32 28-32 32-36 32-36 34-38 35-39 36-40 37-41 |
This chart shows approximate temperatures and pressures for a unit in good working condition. The values shown are meant as a guide only and should not be used to determine system charge. This chart assumes rated airflow and 80 deg D.B. / 67 deg W.B. entering air temperature in cooling,
70 deg D.B. entering air temperature in heating.
| OPERATING DATA | ||||||||||
| COOLING | HEATING | |||||||||
| MODEL | ENTERING WATER TEMP, F | WATER FLOW GPM | SUCTION PRESSURE PSIG | DISCHARGE PRESSURE PSIG | WATER TEMP RISE, F | AIR TEMP DROP, F | SUCTION PRESSURE PSIG | DISCHARGE PRESSURE PSIG | WATER TEMP DROP, F | AIR TEMP RISE, F |
| WSVC048 | 50 60 70 80 90 100 | 9.0 12.0 9.0 12.0 9.0 12.0 9.0 12.0 9.0 12.0 9.0 12.0 | 106-146 102-142 116-148 116-141 124-152 121-151 126-154 121-149 132-158 127-153 131-156 129-153 | 197-245 187-235 231-279 223-274 268-326 277-315 310-368 298-356 358-405 338-408 394-454 391-449 | 12-14 8-10 14-16 8-9 13-15 9-10 13-15 9-11 13-15 9-11 12-14 8-10 | 17-21 16-20 18-22 17-21 19-23 18-22 19-23 19-23 19-23 18-22 19-23 18-22 | 92-115 95-117 105-130 107-132 115-144 116-147 123-154 125-156 131-162 133-165 | 300- 370 302- 372 332- 402 332- 402 349- 420 354- 425 367- 438 370- 440 380- 451 384- 455 | 6-8 5-7 7-9 6-8 9-11 6-8 9-11 7-9 10-12 7-9 | 25-29 26-30 29-33 30-34 32-36 33-37 35-39 36-40 36-40 37-41 |
| 50 60 70 80 90 100 | 12.0 15.0 12.0 15.0 12.0 15.0 12.0 15.0 12.0 15.0 12.0 15.0 | 109-149 105-147 119-152 119-148 127-155 124-154 129-157 124-152 135-161 130-156 134-159 131-156 | 201-249 191-239 235-283 227-278 272-330 281-319 314-372 302-360 362-409 342-412 398-459 395-453 | 12-14 8-9 13-15 9-11 13-15 9-11 12-14 8-10 11-13 8-10 11-14 8-10 | 17-21 16-20 18-22 18-22 18-22 18-22 18-22 17-21 18-22 18-22 17-21 17-21 | 97-120 100-122 110-135 112-137 120-149 121-152 128-159 130-161 135-167 138-170 | 298- 368 300- 370 330- 400 300- 400 347- 418 352- 423 365- 436 370- 438 378- 449 382- 453 | 6-8 5-6 9-10 6-7 9-11 7-8 10-12 8-9 11-13 8-10 | 22-26 23-27 28-32 28-32 32-36 32-36 34-38 35-39 36-40 37-41 | |
This chart shows approximate temperatures and pressures for a unit in good working condition. The values shown are meant as a guide only and should not be used to determine system charge. This chart assumes rated airflow and 80 deg D.B. / 67 deg W.B. entering air temperature in cooling,
70 deg D.B. entering air temperature in heating.
CONNECTIONS FOR X13 PERMANENT MAGNET MOTORS IF SO EQUIPPED
NOTE: CONTROL BOARD DIP SWITCH 1-2 MUST BE IN ON POSITION, “DC”

Caution: High efficiency brushless DC motors are wired with power applied at all times (G.E. X13 for example), see illustration above. Low voltage thermostat demand and board algorithms will control its use.












UNIT CHECK-OUT SHEET
Customer Data
Customer Name………………………………..
Date………………………………………………….
Address…………………………………………….
Phone………………………………………………
Unit Number……………………………………
Unit Nameplate Data
Unit Model Number………………………..
Serial Number………………………………….
Refrigerant Charge (oz)……………………
Compressor: RLA……………………………
LRA………………………………………………..
Blower Motor: FLA………………………..
HP…………………………………………………..
Minimum Circuit Ampacity (Amps)
Maximum Overcurrent Protection (Amps)
Operating Conditions
| Cooling Mode | Heating Mode | |||
| Entering / Leaving Air Temp. | ||||
| Entering Air Measured at: | ||||
| Leaving Air Measured at: | ||||
| Entering / Leaving Fluid Temp. | ||||
| Fluid Flow (GPM) | ||||
| Fluid Side Pressure Drop: | ||||
| Suction / Discharge Press. (psig) | ||||
| Suction / Discharge Temp. | ||||
| Suction Superheat | ||||
| Entering Metering Device Temp. | ||||
| Liquid Subcooling | ||||
| Compressor Volts / Amps | ||||
| Blower Motor Volts / Amps | ||||
TROUBLESHOOTING
| PROBLEM | POSSIBLE CAUSE | CHECKS AND CORRECTIONS |
| ENTIRE UNIT DOES NOT RUN | Power supply off | Apply power, close disconnect |
| Blown Fuse | Replace fuse or reset circuit breaker. Check for correct fuses. | |
| Voltage supply low | If voltage is below minimum voltage specified on unit dataplate, contact local power company. (Fault Code – Ou & 17) | |
| Thermostat | Set the fan to “ON”, the fan should run. Set thermostat to “COOL” and lowest temperature setting, the unit should run in the cooling mode (reversing valve energized). Set unit to “HEAT” and the highest temperature selling, the unit should run in the heating mode. If neither the blower or compressor run in all three cases, the thermostat could be miswired or faulty. To ensure miswired or faulty thermostat verify 24 volts is available on the condenser section low voltage terminal strip between “R” and “C”, “Y” and “C”, and “0” and “C”. If blower does not operate, verify 24 volts between terminals “G” and “C” in the air handler. Replace the thermostat if defective. | |
| BLOWER OPERATES BUT COMPRESSOR DOES NOT RUN | Thermostat | Check setting, calibration and wiring |
| Wiring | Check for loose or broken wires at compressor, capacitor or contactor. | |
| Safety Controls | Check control board fault LED for fault code. | |
| Compressor overload open | If the compressor is cool and the overload will not reset, replace the compressor. | |
| Compressor motor grounded | Internal wiring grounded to the compressor shell. Replace compressor. If compressor burnout, install new filter dryer. | |
| Compressor windings open | After compressor has cooled, check continuity of compressor windings. If the windings are open, replace the compressor. | |
| UNIT OFF ON HIGH PRESSURE CONTROL FAULT CODE 12 | Discharge pressure too high | In “Cooling” mode: Lack of or inadequate water flow. Entering water temperature too warm. Scaled or restricted water to refrigerant heat exchanger. In “HEATING” mode: Lack of or inadequate airflow. Blower inoperative, clogged filter or restrictions in ductwork. |
| Refrigerant charge | The unit is overcharged with refrigerant. Reclaim refrigerant, evacuate and recharge with factory recommended charge. | |
| High pressure switch | Check for defective or improperly calibrated high pressure switch. | |
| UNIT OFF ON LOW PRESSURE CONTROL FAULT CODE 13 | Suction pressure too low | In “Cooling” mode: Lack of or inadequate airflow. Entering air temperature too cold. Blower inoperative, clogged filter or restriction in ductwork. In “HEATING” mode: Lack of or inadequate water flow. Entering water temperature too cold. Scaled or restricted water to refrigerant heat exchanger. |
| Refrigerant charge | The unit is low on refrigerant. Check for refrigerant leak, repair, evacuate and recharge with factory recommended charge. | |
| Low pressure switch | Check for defective or improperly calibrated low pressure switch. | |
| UNIT SHORT CYCLES | Unit oversized | Recalculate heating and cooling loads. |
| Thermostat | Thermostat installed near a supply air register, relocate thermostat. Check heat anticipator. | |
| Wiring and controls | Loose connections in the wiring or a defective compressor contactor. | |
| INSUFFICIENT COOLING OR HEATING | Unit undersized | Recalculate heating and cooling loads. If not excessive, possibly adding insulation will rectify the situation. |
| Loss of conditioned air by leaks | Check for leaks in ductwork or introduction of ambient air through doors or windows. | |
| Airflow | Lack of adequate airflow or improper distribution of air. Replace dirty air filter. | |
| Refrigerant charge | Low on refrigerant charge causing inefficient operation. | |
| Compressor | Check for defective compressor. If discharge is too low and suction pressure is too high, compressor is not pumping properly. Replace compressor. | |
| Reversing valve | Defective reversing valve creating bypass of refrigerant from discharge to suction side of compressor. Discharge is too low and suction pressure is too high. Replace reversing valve. | |
| Operating pressures | Compare unit operating pressures to the pressure / temperature chart for the unit. | |
| Refrigerant metering device | Check for possible restriction or defect. Replace if necessary. | |
| Moisture, non-condensables | The refrigerant system may be contaminated with moisture or non-condensables. Reclaim refrigerant, evacuate and recharge with factory recommended charge. Replace filter dryer. |
![]()
P.O. BOX 270969, Dallas, TX 75227
www.firstco.com or www.ae-air.com
The manufacturer works to continually improve its products. It reserves the right to change design and specifications without notice.
©2022 First Co., Applied Environmental Air
















