SIRMAN GP CE Single Phase Electric Cheese Grater

INFORMATION ON THE MACHINE
GENERAL PRECAUTIONS
- The GF/GP must be operated only by highly qualified personnel who are fully aware of the safety measures described in this manual.
- In case of a personnel turnover, training is to be provided in advance.
- Although the machine incorporates safety devices and protections for dangerous parts, it is recommended not to touch the moving parts or the machine with wet hands.
- Before starting cleaning and maintenance operations, disconnect the plug from the supply socket.
- To carry out cleaning and maintenance of the GF/GP assess the residual risks carefully (as protections are removed).
- Cleaning and maintenance require concentration.
- A regular check of the power supply cable is absolutely necessary (to avoid any danger unroll completely the feeding cable); avoid any compression with weights or contact with hot or cutting surfaces and do not pull the cable to disconnect it from the power supply.
- If the GF/GP malfunctions, it is recommended not to use it and not try to repair it; please call the “Service Centre”.
- Do not use the GF/GP for processing frozen products or nonfood products.
- Do not introduce metal objects or others into the grater opening.
- Never grate the product without using the pusher handle.
The manufacturer shall not be liable for damage to things or injury to persons in the event:
- The machine or the safety devices and protections have been tampered with by unauthorized personnel;
- Nonoriginal spare parts are installed;
- The instructions provided in this manual are not followed scrupulously;
- The machine surface is not cleaned with the right product (flammable, corrosive, or toxic substances).
SAFETY DEVICES AND PROTECTIONS INSTALLED ON THE
MACHINE
Safety devices for protecting against electrical hazards conform to EEC 2006/95, 2004/108, and mechanical hazards conform to EEC 2006/42.
The GF/GP is equipped with:
- Protection grid (1) on the exit opening (see FIG. n°1), avoiding the possible contact between hands and roller during the operations;
- Relay on the control circuit, in case of an interruption in the power supply it is necessary to restart the machine.
- Safety microswitch (2) stops the machine when the pusher handle is lifted.
- The GF/GP is fitted with electrical and mechanical safety devices for machine

FIG. n°1 – Safety position
operation as well as cleaning and maintenance operations.
However, there are RESIDUAL RISKS that cannot be eliminated completely. These risks are listed in this manual under WARNINGS.
These risks are injury to hands caused by the roller when cleaning.
DESCRIPTION OF THE MACHINE
General description
The GF/GP has been designed and manufactured by our firm with the aim of ensuring:
- the highest degree of safety during use, cleaning, and maintenance;
- the highest standard of hygiene due to a careful selection of materials that come into contact with food products, elimination of sharp edges in the GF/GP that come into contact with the food product, facilitating and ensuring perfect cleaning, as well as facilitating machine disassembly and part removal;
- easy to mount;
- robust and stable components;
- practical and easy to move.
Manufacturing features
- The GF/GP is completely made of anodized and polished aluminum.
- These materials ensure hygiene and resistance to acids, salts, and rust.
- The GP grater roller is made of punched aluminum, while the GF roller is made of stainless steel.
Machine components
FIG. n°2 – General view of the machine
LEGEND:
| 1 Ba | se | 6 | Bowl |
| 2 | Pusher handle | 7 | Pushbutton ON/OFF |
| 3 | rater | 8 | Power supply cable |
| 4 | Grater roller | 9 | Rating plate – serial number |
| 5 | rid |
TECHNICAL SPECIFICATIONS
OVERALL DIMENSIONS, WEIGHT, FEATURES … FIG. n° 3 – Overall dimensions
TAB. n°1 – OVERALL DIMENSIONS AND TECHNICAL FEATURES
| Model | u.m. | GF | GP |
| Power | Watt/Hp | 588/0,8 | 380/0,5 |
| Power source | 230-400 V/50Hz | 230 V/50Hz | |
| Drum revolutions | rr..p. | 1400 | 1400 |
| Mouth dimensions | mm | 130×70 | 110×65 |
| AxB | mm | 185×270 | 150×220 |
| CxDxE | mm | 290x390x370 | 250x290x310 |
| F | mm | 560 | 450 |
| Net weight | Kg | 16 | 8 |
| Noise level | dB | 70£ | 07£ |
WARNING: Machine electrical specifications are indicated on the rating plate affixed to the back of the grater; before connecting to the power supply, please read § 4.2 wirings.
RECEIVING THE MACHINE
DESPATCH OF THE MACHINE (see FIG. n°4)
The machine is accurately packed and then despatched from our warehouses. The package includes:
- a) a solid cardboard box;
- b) the machine;
- c) this manual;
- d) a bowl;
- e) EC conformity declaration.

PACKAGE CHECK UPON RECEIPT
If the package shows signs of damage caused during transport, the carrier must be informed immediately; moreover, a detailed report on the extent of the damage caused to the machine must be notified to the carrier within three days from the delivery date on the shipping documents. Do not overturn the package!! When the package is transported, make sure the box is lifted by the 4 corners (parallel to the ground).
PACKAGING DISPOSAL
The components of the packaging (cardboard, pallet if supplied, plastic straps, and polyurethane foam) are urban solid waste; therefore they can be easily disposed of. If the machine has to be installed in countries where specific regulations are in force, packaging must be disposed of in compliance with such regulations.
INSTALLATION
SETTING UP OF THE MACHINE
The machine must be installed on a suitable and adequate size work table refer to Tab. 1; the surface must be solid, stable, and fixed at a height of 80 cm from the ground.
Moreover, the machine must be installed in a room with max. 75% nonsaline humidity at a temperature between +5°C e +35°C; in a location and environment that does not provoke malfunctions or faults in the machine.
ELECTRICAL CONNECTION
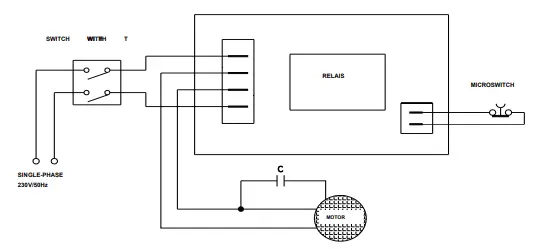
GF/GP with single-phase motor
The grater GF/GP is equipped with a power supply cable with a 3×1 mm.², section; 1.5 m length, and a “SHUKO” plug. Connect the machine to a 230 Volt 50 Hz single-phase power supply, by interposing a differential thermomagnetic switch 10A, ∆ I = 0.03A. Check correct machine earthing. Moreover, check that the specifications on the rating plate-serial number (FIG. n°5) correspond to the specifications provided in the consignment and delivery note.
FIG. n°5 – Rating plate – serial number
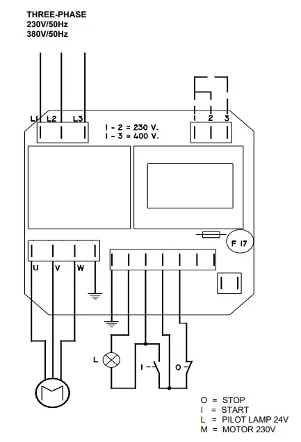
GF with three-phase motor
The GF is equipped with a power supply cable with a 5×1 mm.²section and a length ≅ of 1.5 m. Connect the machine to 400V. / 50 Hz three-phase power supply with an IEC plug (red), by interposing a differential thermomagnetic switch 10 A., ∆I = 0.03 A. Check correct machine earthing. Before connecting definitively the machine to the mains, check the rotation sense of the disk with a pulse on the ON pushbutton (see FIG. n°10) immediately followed by the OFF pushbutton The rotation sense looking at the roller from above the opening must be counter-clockwise (see point 4.5 – FIG. n°9). If the rotation sense is not correct, invert the position of two of the three-phase wires in the plug. The motor installed on the grater GF can operate with 400V. and 230V. Unless otherwise specified, the grater is equipped with 400V.connection, to modify it to three-phase 230V. Call the “SERVICE CENTRE”.
GF WIRING DIAGRAM 4.3.1 – Single-phase wiring diagram
FIG. n°6 – GF Single-phase wiring diagram
Three-phase wiring diagram
FIG. n°7 – GF Three-phase wiring diagram
GP WIRING DIAGRAM
Single-phase wiring diagram
FIG. n°8 – GP Single-phase wiring diagram
FUNCTIONAL CHECK
To check the correct machine operation, proceed as follows :
- Turn ON/OFF pushbutton and check the grating roller rotates counterclockwise. Looking at the roller from above, check the roller rotates in the direction indicated by the arrow (from right to left) affixed to the machine on the side of the grater (see FIG. n°9);
- Check the grater starts when the pusher handle is lowered into position and stops when the pusher handle is raised.

USE OF THE MACHINE
CONTROLS
GF controls are located in the position illustrated in the figure below.
- ON pushbutton “I”.
- OFF pushbutton “0”.
- Pushbutton “T” to invert the rotation sense
FIG. n°10a – Controls position
Controls for the KIT FRANCIA
The controls for the KIT FRANCIA are placed on the body of the grater GF/GP as follows:
FIG. n°10b – Control position
- ON pushbutton “I”.
- OFF pushbutton “0”.
LOADING THE PRODUCT IN THE GRATER (see FIG. n°11) N.B.: The product must be loaded with the machine off
Proceed as follows:
- Lift the pusher handle;
- Introduce the product in the grating mouth and press it with the lever. The quantity of the product loaded into the opening must not impede the correct closure of the pusher handle (1) enabling contact with the micro-safety switch (3). This condition is necessary to start the machine,
If there is no contact, the machine will not start.
- o prevent accidents, place yourself correctly; your body must be perpendicular to the working table (see FIG. n°12); do not introduce your hands into the grater opening when it is ON. Do not use the grater if parts of your body come into contact with the machine;
- Turn on the machine by pressing the pushbutton “ON” (FIG. n°10a-b);
- At the end of the operation, turn off the machine by pressing the pushbutton
“OFF” (FIG. n°10a-b).
N.B.: Avoid using the machine without a food product
FIG. n°13 – Caution …
Do not introduce metal objects in the mouth of the grater or in the exit opening, and do not wear large clothes that could get tangled in the machine.
GENERAL CLEANING
FOREWORD
- The machine must be cleaned at least once a day. If necessary clean when required during the day.
- All the GF/GP parts that come into contact directly or indirectly with the food product must be cleaned thoroughly.
- Never clean the GF/GP with pressurized water, water jets, or in the dishwasher; do not use brushes or other tools, or anything that could damage the machine.
- Before cleaning, disconnect the machine plug from the power supply and isolate it from the main power supply.
HOW TO CLEAN THE MACHINE
All the accessories can be cleaned with a water jet at a medium temperature (50°C) with a neutral detergent. The body of the machine can be cleaned with a wet cloth and frequently rinsed with water.
WARNING: Clean the grater roller with a brush, and always handle it with care to avoid being cut.
MAINTENANCE
FOREWORD
Before performing any maintenance operation, disconnect the plug from the mains to isolate it from the mains power supply.
FEET
Feet may deteriorate or lose elasticity, reducing machine stability. If support feet show signs of wear or damage, replace.
POWER SUPPLY CABLE
Periodically check for wear in the power supply cable. If the power supply cable shows signs of wear or damage call the “SERVICE CENTRE” for a replacement.
CONTROLS
The pushbutton sticker or cover could be damaged. In this case, call the “SERVICE CENTRE” for a replacement.
SCRAPPING
PUTTING THE MACHINE OUT OF SERVICE
If for some reason, you decide to put the machine out of service, make sure nobody can use it: eliminate electrical connections.
SCRAPPING
When the machine is out of service, it can be disposed of. To scrap the machine contact your local Specialised Waste Treatment Centre, and separate components (refer to chap. 1 par.3.2 ).
INSTRUCTIONS FOR USERS
Directive 2002/95/EC, 2002/96/EC, and 2003/108/EC on the restriction of the use of certain hazardous substances in electrical and electronic equipment, and waste electrical and electronic equipment This symbol, crossed out wheelie bin, on the product or on its packaging indicates that this product must not be disposed of with your other household waste. Separate waste collection of this appliance is organized and managed by the manufacturer. It is the user’s responsibility to contact the manufacturer and follow the waste treatment system the manufacturer has adopted for separate waste collection. The separate collection and recycling of your waste equipment at the time of disposal will help to conserve natural resources and ensure that it is recycled in a manner that protects human health and the environment.






















