MF16-2 Concrete Cutter
WARNING: DO NOT operate this equipment unless all guards and safety devices are attached and in place. Caution must be exercised while servicing this equipment. Rotating and moving parts can cause injury if contacted. Keep all inexperienced and unauthorized people away from the equipment at all times. Unauthorized equipment modifications will void all warranties.
RULES FOR SAFE OPERATION
WARNING: Failure to follow instructions in this manual may lead to serious injury or even death! This equipment is to be operated by trained and qualified personnel only! This equipment is for industrial use only. The following safety guidelines should always be used when operating the MASALTA concrete Cutters:
GENERAL SAFETY
- DO NOT operate or service this equipment before reading the entire manual.
- This equipment should not be operated by persons under 18 years of age.
- NEVER operate this equipment without proper protective clothing, shatterproof glasses, steel-toed boots and other protective devices required by the job.
- NEVER operate this equipment when not feeling well due to fatigue, illness or taking medicine.
- NEVER operate this equipment under the influence or drugs or alcohol.
- NEVER use accessories or attachments, which are not recommended by MASALTA for this equipment. Damage to the equipment and/or injury to user may result.
- The manufacturer does not assume responsibility for any accident due to equipment modifications.
- Whenever necessary, replace nameplate, operation and safety decals when they become difficult to read.
- ALWAYS check the machine for loosened threads or bolts before starting.
- NEVER touch the hot exhaust manifold, muffler or cylinder. Allow these parts to cool before servicing engine or saw.
- High Temperatures Allow the engine to cool before adding fuel or performing service and maintenance functions. Contact with hot components can cause serous bums.
- The engine section of this cutter requires an adequate free flow of cooling air. NEVER operate the cutter in any enclosed or narrow area where free flow of the air is restricted. If the air flow is restricted it will cause serious damage to the saw or engine and may cause injury to people. Remember the cutter’s engine gives off DEADLY carbon monoxide gas.
- ALWAYS refuel in a well-ventilated area, away from sparks and open flames.
- ALWAYS use extreme caution when working with flammable liquids. When refueling, stop the engine and allow it to cool. DO NOT smoke around or near the machine. Fire or explosion could result from fuel vapors, or if fuel is spilled on a hot engine.
- NEVER operate the cutter in an explosive atmosphere or near combustible materials. An explosion or fire could result causing severe bodily harm or even death.
- Topping-off to the fuel filler port is dangerous, as it tends to spill fuel.
- NEVER use fuel as a cleaning agent.
- ALWAYS read, understand, and follow procedures in operator’s Manual before attempting to operate equipment. ALWAYS be sure to operator is familiar with proper safety precautions and operating techniques before using the cutter.
- Stop the engine when leaving the cutter unattended.
- Block the unit when leaving or when using on a slope.
- Maintain this equipment in a safe operating condition at all times.
- ALWAYS stop the engine before serving, adding fuel and oil.
- NEVER Run engine without air filter. Severe engine damage may occur.
- NEVER Run engine without air filter. Severe engine damage may occur.
- ALWAYS service air cleaner frequently to prevent carburetor malfunction.
- ALWAYS store equipment properly when it is not being used. Equipment should be stored in a clean, dry location out of the reach of children.
- NEVER operate this cutter in areas that contain combustible material or fumes. Fire and/or explosions may result from errant sparks from the equipment.
WARNING
- DO NOT operate this equipment unless all guards and safety devices are attached and in place.
- Caution must be exercised while servicing this equipment.
- Rotating and moving parts can cause injury if contacted.
- Keep all inexperienced and unauthorized people away from the equipment at all times.
- Unauthorized equipment modifications will void all warranties.
DIAMOND BLADE SAFETY
- Use appropriate steel centered diamond blades manufactured for use on concrete cutters.
- ALWAYS inspect diamond blades before each use. The blade should exhibit no cracks, dings, or flaws in the steel centered core and/or rim. Center (arbor) hole must be undamaged and true.
- Examine blade flanges for damage, excessive wear and cleanliness before mounting blade. Blade should fit snugly on the shaft and against the inside/outside blade flanges.
- Ensure that the blade is marked with an operating speed greater than the blade shaft speed of the cutter.
- Only cut the material that is specified by the diamond blade. Read the specifications of the diamond blade to ensure the proper tool has been matched to the material being cut.
- ALWAYS keep blade guards in place. Exposure of the diamond blade must not exceed 180 degrees.
- Ensure that the diamond blade does not come into contact with ground or surface during transportation. DO NOT drop the diamond blade on ground or surface.
- The engine governor is designed to permit maximum engine speed in a no-load condition. Speeds that exceed this limit may cause the diamond blade to exceed the maximum safe allowable speed.
- Ensure that the blade is mounted for proper operating direction.
CUTTER TRANSPORTATION SAFETY
- Use the lifting bail and appropriate lifting equipment to ensure the safe movement of the cutter.
- DO NOT use the handle bars and/or front pointer as lifting points.
- NEVER tow the saw behind a vehicle.
- Ensure that both pointer bars are positioned appropriately to minimize their exposure during transportation.
- Safeguard against extreme cutter attitudes relative to level. Engines tipped to extreme angles may cause oil to gravitate into the cylinder head making the engine difficult to start.
- NEVER transport the cutter with the blade mounted.
EMERGENCIES
- ALWAYS know the location of the nearest fire extinguisher and first aid kit. Know the location of the nearest telephone. Also know the phone numbers of the nearest ambulance, doctor and fire department. This information will be invaluable in the case of an emergency.
MAINTENANCE SAFETY
- NEVER lubricate components or attempt service on a running machine.
- ALWAYS allow the machine a proper amount of time to cool before servicing.
- Keep the machinery in running condition.
- Fix damage to the machine immediately and always replace broken parts.
- Dispose of hazardous waste properly. Examples of potentially hazardous waste are used motor oil, fuel and fuel filters.
- DO NOT use food or plastic containers to dispose of hazardous waste.
OPERATION
Introduction/Determining the Right Machine
Congratulations on your purchase of our Cutter! You’ve made an excellent choice! Our floor cutter has been specifically designed as the ideal machine for the professional contractor who is engaged in concrete and asphalt flat sawing. The machines used for the primary purpose of “flat” sawing. This type of sawing is described as “flat” because the pavement is cut somewhere close to a horizontal plane. It is the most common type of diamond blade cutting.
Concrete cutters in the industry are available in a variety of types, sizes and styles, they range from manual or self propelled in horsepower from 7-72hp. It is possible to cut both concrete (green or cured, with or without rebar) or asphalt with a concrete cutter. Our MF16 utilized for jobs requiring precision cutting including floors, pavements, walkways, ramps and other flat sawing applications. You will find a cutter to fit a wide variety of job applications. Upon receipt of your machine, CAREFULLY CHECK FOR ANY FREIGHT DAMAGE. Any damage should be immediately reported to the carrier and a claim registered.
OPERATING PRINCIPLE
The following instructions were compiled to provide you information on how to obtain long and trouble free use of the unit. Periodic maintenance of this unit is essential. Read the manual in its entirety and follow the instructions carefully. Failure to do so may injure yourself or a bystander.
DELIVERY CHECKS
Immediately upon taking delivery of your new equipment and before putting it into service:
- Read the handbook completely–it could save a great deal of unnecessary expense.
- Read the engine manual supplied.
- Check the general condition of the equipment–has it been damaged during delivery?
- Check engine oil level.
- Check fuel levels.
Recommend lubricants are detailed in the CARE AND MAINTENANCE section.
INSTALLING BLADE
- Be certain that the spark plug is disconnected or saw is unplugged.
- Remove the blade shaft nut, and take off outside blade shaft flange.
- Clean off any foreign particles on the clamping surfaces of flanges and on the mounting surface of the blade.
- Place the blade on the blade shaft, lining up the offset drive pin in the blade with the drive pin in the mounting collar (if the pin system is available on the machine). If your blade has a directional rotational arrow, position arrow for down cut (diamond tail trailing for down cut).
- Replace the outside blade shaft flange on the blade shaft. Drive pin on the inside collar must project through the drive hole in the blade and into the outside collar (if the pin system is available on the machine).
- Tighten the blade shaft nut securely against star washer and outside flange, using wrench supplied.
- Reconnect the spark plug or (with switch “off”) plug in the electric supply cord.
TYPES OF CUTTING
Cut speed depends entirely on using the correct blade for the material to be cut. Wet or dry, diamond blades of various specifications are available for cutting concrete or asphalt.
BEFORE STARTING
- Use correct blade for cutting conditions.
- Ensure arbors and flanges are clean and undamaged.
- Mount blade and tighten securely using wrench.
- When wet cutting, check water jets for adequate flow.
- Align pointer with cutter blade.
Caution: Set unit up in an open area. Avoid close proximity to structures or other equipment. Failure to do so may cause inadvertent injury to operator or other persons in the area.
- Cold start
Open the fuel valve under the gas tank all the way. Position the engine stop switch, located on the engine, to run. Open the throttle approximately half way and apply the choke. Pull the starter rope sharply. When the engine starts, open the choke and adjust the throttle as necessary to keep it running. Allow the engine to warm up for a few minutes before placing it under the load. If the engine doesn’t start after (3) pulls, open choke slightly to prevent flooding. Always operate the engine at full throttle when under load. - Hot Start
Open the valve under the gas tank all the way if it has been shut off. Open the throttle approximately half way. Do not apply the choke. Pull the starter rope sharply until the engine starts. When the engine starts, adjust the throttle. Always operate the engine at full throttle when under load.
NOTE: These starting instructions are general guidelines only. Since many engine options are available, consult the Engine Manual included with this unit for specific instructions.
Caution Gasoline Engines To improve the engine service life, allow the engine to idle without load for (2) to (5) minutes before shutting it down. When the idling period is up, use the stop switch located on the engine and turn it to stop. Close the fuel valve under the gas tank. Engine flooding can occur if the valve is left open during transport.
TO START CUTTING
- Start engine and let engine warm up. All cutting is done at full throttle.
- Align blade and cutter with cut. If wet cutting, open water valve and turn water safety switch on.
- Lower blade into cut slowly.
- Cut as fast as blade will allow. If blade climbs out of cut, reduce forward speed or depth of cut.
- Use only enough side pressure on cutter handles to follow cutting line.
CUTTING
Lower the blade into concrete to required depth by turning the tilt crank counterclockwise. Ease the saw slowly forward. Slow forward pressure if the saw begins to stall.
Note: For deeper cuts (4 inches/102mm or more), several cuts should be made in incremental steps of 1-1/2 inch (38mm) to 2 inches (51mm) until the desired depth is reached.
Push the saw steadily forward using the front pointer as a guide. Exert enough forward pressure so that the engine/motor begins to labor, but does not slow down. If the saw begins to stall, retard forward movement until full RPM is restored to the blade. If saw stalls, raise the blade out of the cut before restarting. Avoid excessive side pressure or twisting of the blade in the cut.
BELTS & PULLEYS
NEVER MAKE ADJUSTMENTS TO V-BELTS AND PULLEYS WHILE ENGINE IS RUNNING.
- The best tension for a v-belt drive is the lowest tension at which the belts will not slip under full load.
- Take up tension until the belts are snug in the grooves. Run the drive for about five (5) minutes to “seat” the belts. The impose the peak load. If the belts slip, tighten them until they no longer slip at peak load. Most new belts will need additional tensioning after seating.
- Remember, too much tension shortens belt and bearing life.
- Check the belt tension frequently during the first day of operation. Check the belt tension periodically thereafter and make any necessary adjustments.
- The two most common causes of sheave misalignment are:
- The engine drive shaft and the blade shaft are not parallel.
- The pulleys are not located properly on the shafts.
- To check alignment, use a steel straight edge. See Figure 1.

- Line up the straight edge along the outside face of both pulleys shown in the drawing. All pulleys have (2) set screws in the bottom of their grooves. Set screws require thread locking lock title.
- Misalignment will show up as a gap between the pulley face and straight edge. Make sure there is clearance between arbor pulley and saw base on both sides.
DRY CUTTING
- Never operate any saw without safety guards in place.
- Do not exceed maximum operating speed established for blade diameter.
- Do not force blade into material: allow blade to cut at its own speed.
- Do not make long continuous cuts. Never dry cut for more than 30 seconds at a time. Allow blade to cool.
- Do not cut or grind with side of blade or cut a curve or radius. Do not cut dry with blades recommended for wet cutting.
- Do not operate saw with blade diameter larger than machine’s capacity.
5 Downloaded from www.Manualslib.com manuals search engine
MAINTAINENACE – TROUBLESHOOTING


LUBRICATION AND SERVICE
- Check oil levels, wiring, hoses (air, fuel, water) and lubricate machine daily.
- Repair or replace all worn or damaged components immediately.
- Check drive belt tension, do not over-tension.
- Make sure machine has full set of matched belts.
- Check bladeshaft, make sure arbor and threads are not worn, damaged, or bent.
- Bladeshaft bearings should be tight, no free play side-to-side or up and down.
- Grease blade shaft bearings daily.
- Blade collars should be clean, free of nicks and burrs. No diameter wear and not out of round.
- Drive pin not excessively worn or bent and free of gouges.
- All guards in place and secure.
- All fasteners tight and secure.
- Air filter/oil filter (hydraulic or engine) clean.
- Flush clean water through the pump and spray the assembly every night. This prolongs the pump and blade life.
Lubricants
Engine Oil: SAE 10W/30
General Grease #1 Lithium
- Clean machine before starting lubrication maintenance.
- Insure machine is on solid, level ground before starting maintenance.
- During lubrication maintenance insure strict cleanliness is observed at all times.
- To avoid the risk of accidents, use the correct tool for the job and keep tools clean.
- The draining of engine oil is best carried out when the oil is warm NOT hot.
- Any spilled oil must be cleaned up immediately.
- Use only clean containers for oil and only CLEAN, FRESH oils and grease of correct grade.
- Contaminated Water/Fluids/Oils/Filters Must Be Disposed of Safely.
SPECIFICATION
Motor
- MF16-1: Diesel, 186: 7.5kw output
- MF16-2: Petrol, 188F: 9.8kw output
- MF16-3: Petrol, Robin EH36D: 8.6kw output
- MF16-4: Petrol, Honda GX390K1: 9.8kw output
Weight
- MF16-1: 149kgs
- MF16-2: 126kgs
- MF16-3: 124kgs
- MF16-4: 126kgs
- Max. Cutting Depth: 140mm (5.5 in)
- Blade size: 300-400mm (12-16in)
- Depth Adjustment Mechanism Handle Rotation Driving Mechanism: Manual Push
- Water Tank Capacity: 37L
WARRANTY
MASLATA products are covered by warranty for a period of six (6) months from the date of purchase against defects in material or workmanship provided that:
- The product concerned has been operated and maintained in accordance with the operating instructions.
- Has not been damaged by accident, misuse or abuse
- Has not been tampered with or repaired by any unauthorized person.
The owner is responsible for the cost of transportation to and from the authorized repairer and the unit is at the owners risk while in transit to and from the repairer.
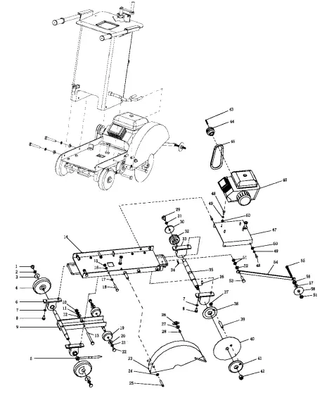
MF16 PARTS LIST 1

| ITEM NO. | PART NO. | DESCRIPTION | QTY | ITEM NO. | PART NO. | DESCRIPTION | QTY |
| 1 | 05780012 | BOLT M12X20-GB5780 | 2 | 33 | 00180902 | BEARING & BRACKET | 2 |
| 2 | 09300012 | SPRING WASHER 12-GB93 | 2 | 34 | 01096008 | KEY C8 X 38 – GB1096 | 1 |
| 3 | 18030104 | DEEP WASHER | 2 | 35 | 18090002 | PRINCIPAL AXIS | 1 |
| 4 | 00180303 | RUBBER WHEEL ( REAR) | 2 | 36 | 01190006 | PIN C6 – GB119 | 1 |
| 5 | 18030103 | INDICATOR | 1 | 37 | 06170008 | NUT M8 – GB6170 | 1 |
| 6 | 00180302 | BEARING & BRACKET | 2 | 38 | 18090301 | BLADE FLANG (INNER) | 1 |
| 7 | 09300012 | SPRING WASHER 12-GB93 | 8 | 39 | 07300008 | PIN | 1 |
| 8 | 05780012 | BOLT M12-GB5780 | 8 | 40 | 00180007 | BLADE | 1 |
| 9 | 18030101 | WHEEL RACK MODULE | 1 | 41 | 18090302 | BLADE FLANG (OUT) | 1 |
| 10 | 06187012 | NUT 12-GB848 | 1 | 42 | 18090004 | NUT | 1 |
| 11 | 09300012 | SPRING WASHER 12-GB93 | 1 | 43 | 01096000 | KEY – GB1096 | 1 |
| 12 | 08480012 | WASHER 12-GB93 | 1 | 44 | 18110001-1 | EINGINE PULLEY FOR DIESEL | 1 |
| 13 | 05784012 | BOLT M12 X 120 – GB5784 | 1 | 18110001-2 | ENGINE PULLEY FOR HONDA | 1 | |
| 14 | 18100000 | BASE ASSY | 1 | 18110001-3 | ENGINE PULLEY FOR ROBIN | 1 | |
| 15 | 06170012 | NUT M12 – GB6170 | 4 | 45 | 01154400-1 | V-BELT SPA-GB11544 FOR DIESEL | 1 |
| 16 | 09300012 | SPRING WASHER 12-GB93 | 4 | 01154400-2 | V-BELT SPA-GB11544 FOR PETROL | 1 | |
| 17 | 09700012 | WASHER 12-GB97 | 4 | 46 | 00181100-1 | DIESEL ENGINE | 1 |
| 18 | 05783012 | BOLT M12 – GB5783 | 4 | 00181100-2 | HONDA ENGINE | 1 | |
| 19 | 00180301 | RUBBER WHEEL ( FRONT) | 2 | 00181100-3 | ROBIN ENGINE | 1 | |
| 20 | 18030102 | DEEP WASHER | 2 | 47 | 18070000 | BASE ASSY. OF ENGINE | 1 |
| 21 | 09300008 | SPRING WASHER 8 – GB93 | 2 | 48 | 05784010 | BOLT M10 X 30 – GB5784 | 8 |
| 22 | 05780008 | BOLT M8 X 20 – GB5780 | 2 | 49 | 09300010 | SPRING WASHER 10 – GB93 | 8 |
| 23 | 18080000 | BLADE GUARD | 1 | 50 | 09700010 | WASHER 10 – GB97 | 8 |
| 24 | 09600010 | WASHER 10 – GB96 | 1 | 51 | 06178012 | NUT M12 – GB6178 | 3 |
| 25 | 05781010 | BOLT M10 – GB5781 | 1 | 52 | 08480012 | WASHER 12 – GB848 | 1 |
| 26 | 06200010 | NUT M10 – GB62 | 1 | 53 | 05780012 | BOLT M12 X 45 – GB5780 | 1 |
| 27 | 09600010 | WASHER 10 – GB96 | 1 | 54 | 18010001 | POINTER | 1 |
| 28 | 00180008 | SCREW | 1 | 55 | 05780012 | BOLT M12 X 110 – GB5780 | 1 |
| 29 | 05780010 | BOLT M10 X 25 – GB5780 | 1 | 56 | 18010002 | NUT | 1 |
| 30 | 18090001 | WASHER | 1 | 57 | 08480012 | WASHER 12 – GB848 | 1 |
| 31 | 09300010 | SPRING WASHER 10 – GB93 | 1 | 58 | 18010003 | POINTER WHEEL | 1 |
| 32 | 18090005 | PULLEY | 1 | –– | –––– | –––––––––––– | –– |
MF16 PARTS LIST 2

| ITEM NO. | PART NO. | DESCRIPTION | QTY |
| 59 | 00180006 | PLASTIC PIPE | 3 |
| 60 | 00180005 | TEE PIPE | 1 |
| 61 | 00180002 | COCK | 2 |
| 62 | 18050006 | ELBOW BEND | 1 |
| 63 | 00180501 | NUT | 1 |
| 64 | 00180502 | NUT | 1 |
| 65 | 18050011 | ELBOW | 1 |
| 66 | 18050000 | WATER TANK | 1 |
| 67 | 00180009 | THROTTLE CABLE | 1 |
| 68 | 00180010 | THROTTLE CONTROL | 1 |
| 69 | 00180011 | HANDLE BAR GRIP | 2 |
| 70 | 18060000 | HANDLE LEVER | 2 |
| 71 | 18040000 | TANK COVER | 1 |
| 72 | 00180003 | INJECTION MOUTH | 1 |
| 73 | 05781010 | BOLT M10 – GB5781 | 4 |
| 74 | 09700010 | BOLT M10 -GB97 | 4 |
| 75 | 00180004 | KNOB | 3 |
| 76 | 00180001 | WRENCH | 1 |
| 77 | 05781008 | BOLT M8 X 30 – GB5781 | 1 |
| 78 | 09300008 | SPRING WASHER 8 – GB93 | 1 |
| 79 | 09700008 | WASHER 8 – GB97 | 1 |
| 80 | 18030006 | BOARD PLUG | 1 |
| 81 | 18030007 | ORIENTATION BOARD | 1 |
| 82 | 09700010 | WASHER 10 – GB97 | 2 |
| 83 | 09300010 | SPRING WASHER 8 – GB93 | 2 |
| 84 | 05781010 | BOLT M10 – GB5781 | 2 |
| 85 | 08480008 | WASHER 8 – GB848 | 1 |
| 86 | 09300008 | SPRING WASHER 8 – GB93 | 1 |
| 87 | 05784008 | BOLT M8 X 20 – GB5784 | 1 |
| 88 | 18030200 | NANUAL RAISE/LOWER ASSY. | 1 |
| 89 | 18030003 | NUT | 1 |
| 90 | 05784006 | BOLT M6 X 10 – GB5784 | 1 |
| 91 | 18030005 | SCREW | 1 |
| 92 | 00180301 | BEARING & BRACKET | 1 |
| 93 | 06187010 | NUT M10 – GB6787 | 1 |
| 94 | 18030400 | BRACKET | 1 |
| 95 | 18030405 | HANDL LEVER | 1 |
| 96 | 18030404 | HANDLE GRIP | 1 |
| 97 | 07300006 | BOLT M6 – GB73 | 1 |
Add: RM 501, Fortune Plaza, No.278 of Suixi Rd., Hefei 230041,China
Tel: 86-551-5609770, 5609780
Fax: 86-551-5609010, 5621707
E-mail: [email protected]
http://www.masalta.com.cn
Downloaded from www.Manualslib.com manuals search engine



















