Alena
Drapery System
System Specification
![]() | ![]() |
Alena | Drapery System
The Alena Drapery System is an easily installed, low-cost window treatment solution designed for the hospitality and multi-dwelling market. Guests have several options for convenient control via Lutron remote controls and keypads, or by pulling the drapery panel in the direction they want it to move. If a user is unaware of the control device, they will learn of the drapery’s motorization when they manually pull on the panel. The drive will take over and move the panel automatically to its Open or Close limit.
Features
- Pull-to-Start function* allows for motorized operation with or without controls
- Ultra-quiet drive operation: will not exceed 50 dBA measured 1 m (3 ft) from the drive
- Simple plug-and-play installation with no programming required
- Drapery can be stopped while moving with the touch of any button on a keypad
- All drives start, move, and stop smoothly and quietly
- Can be installed in new construction or retrofit application
- Pinch Pleat and Ripplefold options
- Decouples the EDU and track into two separate components, allowing the EDU to be replaced or upgraded in the field
- Low-voltage, DC power
- 8 year limited warranty
* For reliable Pull-to-Start performance, grasp the drawing edge of the drape no more than 5 ft (152 cm) from the top, and pull in the direction of desired travel
SPECIFICATION SUBMITTAL
| Job Name: | Model Numbers: | ||
| Job Number: | |||
Specifications
Power
- PELV / NEC Class 2, 24-36 V- power supply required.
- Control system power supply offers (spike and brownout) overvoltage protection (+/- 10% of line voltage) for all devices in the system.
- Power must be derived from a compatible Lutron 35 V power supply (WIN-PS-1-35V), sold separately.
Controls - The Alena EDU accepts dry contact closure inputs
- Up to 2 Alena Drives can be controlled with a Two
Group Standalone Keypad - Up to 2 Alena Drives can be controlled with a QSE-IO
Contact Closure Interface - Drives can be assigned to different keypad groups by rewiring
System Capacity
- Maximum of 1 drive per contact closure output
- Maximum of 1 drive per power supply Performance
- Uses steel-reinforced high-strength, low-friction belt to reduce noise and drag
- Supports drapery panels weighing up to 80 pounds (36.3 kg)
- Integrates with all third party CCI keypads, switches, and devices
- Can be controlled from multiple locations (i.e. manually at drape, or via keypad), and allows for operation when power is not available
- All system components are Electro-Static
Discharge (ESD) protected - Track length up to 216 in (5.48 m)
System Weight Capacity
Use this table to determine the maximum pinch pleat or ripplefold drapery panel size the Alena drapery system can operate, based upon height and weight.
System Capacity
| System Width – Straight Track | Pinch Pleat | Ripplefold |
| 24 into 32 in (600 mm to 800 mm) | 20 lbs (9 kg) | 20 lbs (9 kg) |
| 32 into 44 in (800 mm to 1100 mm) | 30 lbs (13.6 kg) | 30 lbs (13.6 kg) |
| 44 into 56 in (1100 mm to 1400 mm) | 40 lbs (18 kg) | 40 lbs (18 kg) |
| 56 into 68 in (1400 mm to 1700 mm) | 55 lbs (24.9 kg) | 45 lbs (20.4 kg) |
| 68 into 84 in (1700 mm to 2133 mm) | 65 lbs (29.5 kg) | 45 lbs (20.4 kg) |
| 84 into 108 in (2133 mm to 2743 mm) | 80 lbs (36.3 kg) | 45 lbs (20.4 kg) |
| 108 into 132 in (2743 mm to 3353 mm) | 80 lbs (36.3 kg) | 45 lbs (20.4 kg) |
| 132 into 156 in (3353 mm to 3962 mm) | 80 lbs (36.3 kg) | 45 lbs (20.4 kg) |
| 156 into 216 in (3962 mm to 5486 mm) | 80 lbs (36.3 kg) | 45 lbs (20.4 kg) |
IMPORTANT: The sizes and weight capacities are shown above are applicable to straight track only. For assistance with curved track or configurations exceeding the sizes or weights listed, please contact Lutron Customer Service.
System dimensions
(pinch pleat carriers shown; ripple fold snap-pendants available)
Top view (single track, right draw)
Front view (single track, right draw)

Electronic Drive Unit
1.9 lbs (0.9 kg)

Installation Clearances
Single drapery track system
Maintain enough clearance between the drapery track and the inside face of the top treatment or ceiling recess to allow the fabric to move freely.

Dimensions*
A. 11.25 in (286 mm)
B. 3.5 in (89 mm)
C. 2.5 in (64 mm)
D. 1 in (25 mm)
Dual drapery track system
Two Alena drapery tracks can be used for a combination sheer/blackout treatment.

Dimensions*
A. 11.25 in (286 mm)
B. 3.5 in (89 mm)
C. 2.5 in (64 mm)
D. 1 in (25 mm)
E. 5.5 in (140 mm)
Drapery track options
(valance and drapery not included)
Left draw/left-mounted EDU
(pinch pleat carriers shown; ripple fold snap-pendants available)

Right draw/right-mounted EDU
(pinch pleat carriers shown; ripplefold snap-pendants available)

Center-draw, left-or right-mounted EDU

Mounting Options
Ceiling Mount

Recess Mount
Cam Lock Spacing – Ceiling Mount

- Mount a cam lock (B) within 8 in (200 mm) of each end of the system (A).
- Mount the next cam locks (C) 16 in (400 mm) inward from each end cam-lock (B).
- Space the remaining cam locks (D) 16-24 in (406-610 mm) apart.
- For non-sheer fabric panels, 16 in (406 mm) spacing is recommended between cam locks at stackback location(s).
Bracket Spacing – Recess Mount

- Install a recess-mount bracket (B) within 7.25 in (184 mm) of the idler end of the system (A).
- Install a recess-mount bracket (D) within 7.375 in (187 mm) of the drive end of the system (C).
- Install the next recess-mount bracket (E) 11 in (279 mm) inward from the first drive-end recess-mount bracket (D).
- Space the remaining recess-mount brackets (F) 16 in (406 mm) apart.
Fabric Fullness
Generally, drapery “fullness” is the aesthetic result of adding more or less fabric to a given system width. Lutron expresses fullness as a multiple (pinch pleat; 2x, 2.5x, 3x) or percentage (ripplefold; 80%, 100%, 120%) of (flat) fabric panel width, relative to system (track) width.
- Lower fullness results in smaller stackback size when open and more spread when closed.
- Higher fullness results in a larger stackback size when open and less spread when closed.
Pinch Pleat Fabric Fullness
Pinch pleat drapery panels are offered at 3 fullness ratings:
- 3x: fabric panel width (before pleating) = track width x 3 (sheer fabrics only)
- 2.5x: fabric panel width (before pleating) = track width x 2.5
- 2x: fabric panel width (before pleating) = track width x 2
Note: Due to potential variations in final pleating, Lutron intentionally over-estimates the number of auxiliary carriers provided with pinch pleat drapery track systems. Extra carriers may be included.
Ripplefold Fabric Fullness
Fullness is determined by the string length between auxiliary carriers (S) and the total width of the fabric panel.
Lutron offers fullness ratings of 80%, 100%, and 120%, based on the standard snap spacing of 4.25 in (108 mm).
(See ripplefold snap tape specifications on page 10.)

Hanging Fabric – Pinch Pleat
Lutron recommends a drapery hook setting of 1/2 in (13 mm) from the top of the drape to the top of the hook (hooks not included). This locates the drapes just below the track and prevents it from rubbing on the track. It is recommended that a distance of 1/2-1 in (13-25 mm) be maintained between the bottom of the drapery panel and the floor.
Dressing the Drape Around the Drive End

Hanging Fabric – Ripplefold
Drapes are typically sized so the bottom of the drapery track and top of the drapery panel is located 4 in (101 mm) above the window casing. Location may need to be adjusted to accommodate the specific drapery panel height and application. It is recommended that space of 1⁄2-1 in (13-25 mm) be maintained between the bottom of the drapery panel and the floor.


Ripplefold Snap Tape Specifications
The Lutron Ripplefold Drapery System is compatible with standard ripple fold snap tape with a spacing of 4.25 in (108 mm) between snaps.
- Standard carriers accept male snaps; the quantity required varies with track width.
- Three (3) female snaps are required at the draw end as shown.
– Compatible female snap tap is available from Alan Richard Textiles, Ltd.
By the yard: alanrichardtextiles.com/store/DRFT02-Y.html
By 100 yard (91.4 m) roll: alanrichardtextiles.com/store/DRFT02.html - Single-draw configurations require one drapery panel.
- Center-draw configurations require 2 drapery panels
– Butt-closure: snap layout shown below mirrored on the second panel.
– Overlap-closure: the draw and return end snap layouts shown below are mirrored on the second panel, and the right panel requires one more auxiliary snap than the left. (See the Overlap-Closure diagram on the previous page.)

A = Standard ripple fold snap tape spacing of 4.25 in (108 mm)
B = 1 in (25 mm)
C = Varies with return distance
D = 0.75 in (19 mm)
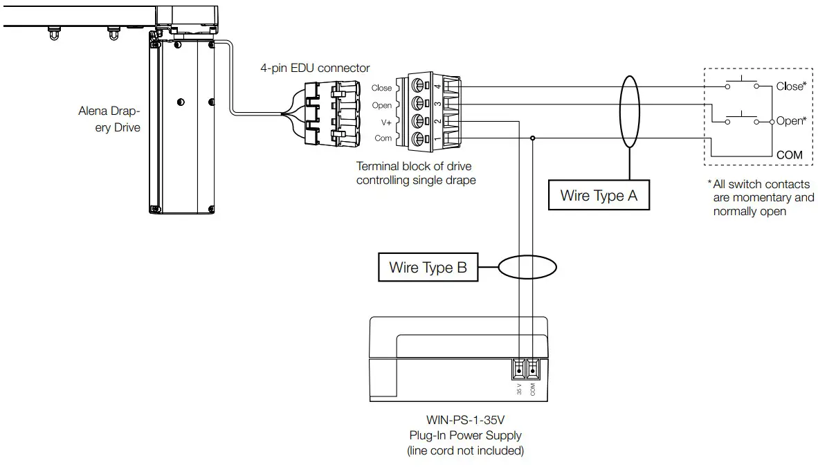
Alena Drapery System | Single Drive Wiring

Notes:
- Standalone draperies can be controlled with a keypad, or via manual activation.
- Pressing any button on a keypad while the drape is moving will cause the drape to stop.
- The contact closure device must be capable of switching 36V
with a minimum contact closure time of 0.25 seconds (for each link)
| Wiring types | Purpose | Wire options |
| A | Contact Closure input/output | 18-22 AWG (1.00-0.50 mm²) per contact closure – 250 ft (75 m) max |
| B | Drive power (power supply to Drive) | 12 AWG – (4 mm²)-250 ft (75 m) max 16 AWG – (1.5 mm²)-100 ft (30 m) max Lutron P/N QSHY-CBL-M-1000 Non- plenum Lutron P/N QSHY-CBLP-M-1000 plenum 18 AWG – (1 mm²)-50 ft (17 m) max |
Alena Drapery System | Dual Drive Wiring

Notes:
• Standalone draperies can be controlled with a keypad, or via manual activation.
• Pressing any button on a keypad while the drape is moving will cause the drape to stop.
• The contact closure device must be capable of switching 36V
with a minimum contact closure time of 0.25 seconds (for each link)
| Wiring types | Purpose | Wire options |
| A | Contact Closure input/output | 18-22 AWG (1.00-0.50 mm²) per contact closure – 250 ft (75 m) max |
| B | Drive power (power supply to Drive) | 12 AWG – (4 mm²)-250 ft (75 m) max 16 AWG – (1.5 mm²)-100 ft (30 m) max Lutron P/N QSHY-CBL-M-1000 Non-plenum Lutron P/N QSHY-CBLP-M-1000 plenum 18 AWG – (1 mm²)-50 ft (17 m) max |
Alena Integrated System | Single Drive Wiring

Notes:
- QSE-IO outputs programmed as a 0.25-second momentary contact closure output
- Activating Open or Close while the drape is moving will cause it to stop
| Wiring types | Purpose | Wire options |
| A | Contact Closure input/output | 18-22 AWG (1.00-0.50 mm²) per contact closure – 250 ft (75 m) max |
| B | Drive power (power supply to Drive) | 12 AWG – (4 mm²)-250 ft (75 m) max 16 AWG – (1.5 mm²)-100 ft (30 m) max Lutron P/N QSHY-CBL-M-1000 Non-plenum Lutron P/N QSHY-CBLP-M-1000 plenum 18 AWG – (1 mm²)-50 ft (17 m) max |
Alena Integrated System | Dual Drive Wiring

Notes:
- QSE-IO outputs programmed as a 0.25-second momentary contact closure output
- Activating Open or Close while the drape is moving will cause it to stop
| Wiring types | Purpose | Wire options |
| A | Contact Closure input/output | 18-22 AWG (1.00-0.50 mm²) per contact closure – 250 ft (75 m) max |
| B | Drive power (power supply to Drive) | 12 AWG – (4 mm²)-250 ft (75 m) max 16 AWG – (1.5 mm²)-100 ft (30 m) max Lutron P/N QSHY-CBL-M-1000 Non-plenum Lutron P/N QSHY-CBLP-M-1000 plenum 18 AWG – (1 mm²)-50 ft (17 m) max |
| Job Name: | Model Numbers: | ||
| Job Number: | |||


















