Danfoss Pressure Relief Controller

Safety Notes
Prior to assembly and commissioning to avoid injury of persons and damage of the devices, it is absolutely necessary to carefully read and observe these instructions.
Necessary assembly, start-up, and maintenance work must be performed only by qualified, trained and authorized personnel. Prior to assembly and maintenance work on the controller, the system must be:
- depressurized,
- cooled down,
- emptied and
- cleaned.
Please comply with the instructions of the system manufacturer or system operator.
Definition of Application
The controller is used for differential pressure control in bypass lines of water and water-glycol mixtures for heating, district heating, and cooling systems. The technical data on the label plates determine the use.
Scope of Delivery
- adapter 003G1780, accessory sold separately,
- Impulse tube AF, an accessory sold separately

Assembly
Admissible Installation Positions

- media temperatures up to 150 °C:
- Can be installed in any position.
- media temperatures > 150 °C. Installation is permitted only in horizontal pipelines with the actuator oriented downwards.
Installation Location and Installation Scheme

Bypass installation
The valve is closed without pressure and is opening on rising differential pressure ①.
Valve Installation

- Install strainer ① before the controller.
- Rinse the system prior to installing the valve.
- Observe flow direction ② on the valve body.
Flanges ③ in the pipeline must be in parallel position and sealing surfaces must be clean and without any damage. - Install valve.
- Tighten screws crosswise in 3 steps up to the max. torque.
Actuator Installation

The actuator stem must be screwed into the valve stem. The spring on the pressure actuator is factory adjusted (stressed).
- Remove the spindle protection cup and release the valve spindle by removing the nut, washer, and cardboard tube.
- Align the actuator stem with the valve stem, connect both stems and turn gently the whole pressure actuator clockwise with both hands, until the stems are fully connected (valve stem fully screwed into the actuator stem).
- Release the spring (unstress) and release the uninon nut by pulling out the blocking spring.
- Tight the union nut by hand or with a wrench key using minimal force
- Release the pressure actuator by turning it counterclockwise for approximately half a turn.
- Observe the position of impulse tubes connected to the valve and align the actuator accordingly.
- Hold the actuator in position and tighten the union nut to the valve with 100- 120 Nm torque.
Impulse Tube mounting

Which impulse tubes to use?
- The impulse tube set AF (2×) ❻① can be used: Order No.: 003G1391 or use the following pipes:

- The impulse tube ③ can be connected directly to the valve ④ or to the pipeline ⑤.
Connection to the valve

- Remove plug ① at the valve.
- Screw in threaded joint G 1/4 ② with a copper seal, Torque 40 Nm.
Connection to the Pipeline
No connection downwards/upwards ② could bring dirt/air into an impulse tube.
- Cut the pipe in rectangular sections ③ and deburr.
- For copper pipe:
- insert sockets ④ on both sides.
- Verify the correct position of the cutting ring ⑤.
- Press impulse tube ⑥ into the threaded joint up to its stop.
- Tighten union nut ⑦ Torque 40 Nm.
When installing seal pots ❽⑧, please observe the Installation Instructions for the seal pots.
Insulation
For media temperatures up to 120 °C, the pressure actuator may be insulated ①.
Dismounting 
Danger
Danger of injury by hot water
Prior to dismounting depress surize system and use shut-off valves on the impulse tubes! ①
Carry out dismounting in the following steps:
- Fasten the pressure actuator with the safety bands to the fixed points in the surroundings
- Before releasing the actuator, fully release the union nut
- Hold the pressure actuator with both hands, and release it by turning it counterclockwise ~30 turns. During turning, control the actuator weight all the time to prevent unexpected falls of the detached actuator.
- Carefully remove the actuator from the valve.
Before installing the actuator back to the valve, the setting spring must be fully released again.
Leak and Pressure Test

Observe max.
permitted pressure, see below.
The pressure behind the valve ② must not exceed the pressure before the valve ①. Observe the nominal pressure ⑤ of the valve.
Caution:
The valve is closed without pressure and it opens on rising pressure before the valve. Prior to pressure tests, it is absolutely necessary to remove the impulse tube at the valve ④. Close connections with plugs G ¼ ISO 228. Max. pressure [bar] with connected impulse tube:
Max. test pressure with disconnected impulse tube must not exceed the plant testing pressure and must always be lower than 1.5 × PN. Non-compliance may cause damages at the controller ③.
Filling the System, Start-up

The pressure ② behind the valve must not exceed the pressure ① before the valve.
Non-compliance may cause damages at the controller ③.
- Open shut-off devices that are possibly available at the impulse tubes ④.
- Slowly open valves in the system.
- Slowly open the shut-off device ⑤.
- Slowly open the shut-off device ⑥.
Putting out of Operation
- Slowly close the shut-off device ⑤.
- Slowly close the shut-off device ⑥.
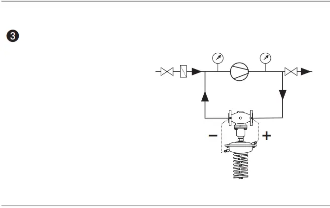
Setpoint Adjustment


- Set-point range see rating plate ①
- Start-up of the system, see the section.
- Start pump ②
- Observe pressure indicator ③
- Slightly close fitting ④ behind the pump (in flow direction) so that the pressure ③ is rising.
- Adjustment of the differential pressure over the valve:
- Turning to the right ⑥ reduces the set point (unstressing the spring – tension spring)
- Turning to the left ⑦ increases the set point (stressing the spring)
- If the required pressure ③ cannot be set, further close the fitting ④.
- The set-point adjuster ⑧ may be sealed.
- Release the not yet used pointer ⑨, move it to the set position and fix it with the screw to mark the setting position
Dimensions
Flanges: connection dimensions acc. to DIN 2501, seal form C
Danfoss A/S
Climate Solutions danfoss.com.+45 7488 2222
Any information, including, but not limited to information on the selection of the product, its application or use, product design, weight, dimensions, capacity or any other technical data in product manuals, catalogs descriptions, advertisements, etc., and whether made available in writing, orally, electronically, online or via download, shall be considered informative and is only binding if and to the extent, explicit reference is made in a quotation or order confirmation. Danfoss cannot accept any responsibility for possible errors in catalogs, brochures, videos, and other material. Danfoss reserves the right to alter its products without notice. This also applies to products ordered but not delivered provided that such alterations can be made without changes to the torment or function of the product. All trademarks in this material are property of Danfoss A/S or Danfoss group companies. Danfoss and the Danfoss logo are trademarks of Danfoss A/S. All rights reserved.
References
丹佛斯 | Danfoss
Danfoss - Engineering Tomorrow | Danfoss
Home (Domovská stránka) | Danfoss
Danfoss Deutschland | Klima | Kälte | Heizung | Antriebe | Hydraulik | Danfoss
Danfoss France - économie d'énergie et solutions innovantes | Danfoss
Danfoss Italia | Soluzioni innovative e digitali per l'efficienza energetica industriale e residenziale | Danfoss
Danfoss – Engineering Tomorrow | Danfoss
Группа Danfoss A/S остановила деятельность на территории Российской Федерации и Республики Беларусь. | Danfoss






















