Magmaweld ID 300 E DC Inverter Arc Welding Machine User Manual

magmaweld.com
[email protected]
(+90) 538 927 12 62
Customer Service / Müteri Hizmetleri: (+90) 444 93 53 E-Mail / E-Posta: [email protected]
Organize Sanayi Bölgesi, 5. Kisim 45030 Manisa / TURKEY
All rights reserved. It is prohibited to reproduce this documentation, or any part thereof, without the prior written authorisation of Magma Mekatronik Makine Sanayi ve Ticaret A.. Magma Mekatronik may modify the information and the images without any prior notice.
SAFETY PRECAUTIONS
Be Sure To Follow All Safety Rules In This Manual!












TECHNICAL INFORMATION
1.1 General Information
ID 300 E is an inverter type portable, tri-phase (400VAC 50-60Hz) DC MMA welding machine designed to weld stick electrodes up to 5.0 mm designed regarding for the related phase-notr voltage. Must be used at 3 phase, 4 wire and notr grounded systems. Due to descending characteristics of the inverter technology it provides stable arc and good re-striking performance. Initial striking ability of the electrodes can be improved via Hot Start potentiometer and certain electrodes like basic electrodes which have tendency to short circuit and stick to the weld pool could be avoided by adjusting the Arc Force potentiometer. It can be used as a Touch-Scratch DC TIG welder if a TIG torch with a valve is connected. The electric consumption is approximately 10% less than the silicon controlled rectifier equipment’s and 25% less than the magnetically controlled equipment’s. ID 300 E can also be used with long welding cables up to 25 m. Plus, wireless and cable remote control options are possible. The machine is fan cooled and thermally protected against over heating.
1.2 Machine Components

- 1- Mains Cable Inlet
- ON / OFF Switch
- Remote Control Connector Inlet
- Earth Cable and Welding Cable Socket (+)
- Earth Cable and Welding Cable Socket (-)
- Handle
- Current Adjustment Knob
- Current Display
- Voltage Display
- Hot Start Adjustment Knob
- Arc Force Adjustment Knob
- Welding Mode Selection Button
1.3 Product Label

As defined in the standard EN 60974-1, the duty cycle rate includes a time period of 10 minutes. For example, if a machine specified as 250A at %60 is to be operated at 250A, the machine can weld without interruption in the first 6 minutes of the 10 minutes period (zone 1). However, the following 4 minutes should be kept idle for the machine cool down (zone 2).
1.4 Technical Data

1.5 Accessories

INSTALLATION
2.1 Delivery Control
Make sure that all the materials you have ordered have been received. If any material is missing or damaged, contact your place of purchase immediately.
Scope of supply;
- Welding machine and connected mains cable
- Warranty certificate
- Workpiece clamp and cable
- User manual
- Electrode Clamp and Cable
In case of a damaged delivery, record a report, take a picture of the damage and report to the transport company together with a photocopy of the delivery note. If the problem persists, contact the customer service.
Symbols and their meanings on the device

2.2 Installation and Operation Recommendations
- For a better performance, place the machine at least 30 cm away from the surrounding objects. Pay attention to overheating, dust and moisture near the machine.
- Do not operate the machine under direct sunlight. If the ambient temperature exceeds 40°C, operate the machine at a lower current or a lower duty cycle.
- Avoid welding outdoors in windy and rainy weather circumstances. If welding is necessary in such cases, protect the welding area and the welding machine with a curtain and canopy. If you weld indoors, use a suitable fume extraction system. Use breathing apparatus if there is a risk of inhaling welding fumes and gas in confined spaces.
- Observe the duty cycle rates specified on the product label. Exceeding duty cycle rates can damage the machine and this may invalidate the warranty.
- Use the fuse that is compliant with your system.
- Secure the ground cable as close as possible to the welding area.
- Do not allow the welding current to pass through equipment other than the welding cables.
- Secure the gas cylinder to the wall with a chain.
- The welding cables and the mains cable must not be wrapped in the machine housing during operation.
2.3 Mains Plug Connection
For your safety, never use the mains cable of the machine without a plug.
- Since mains connection sockets may vary from factory to factory, an appropriate plug must be installed o the built-in mains cable of the machine by qualified electricians. Please observe that the earth cable is in yellow/green colour and labelled as .
- After installing the electric plug, DO NOT INSERT IT INTO THE SOCKET AT THIS STAGE.

2.4 Connections for MMA Welding
- According to the polarity of the electrode to be used, insert welding cables into the appropriate outlet and tighten them by turning clockwise.
- Connect the earth clamp tightly to the workpiece as close as possible to the welding area.

2.5 Connections for Touch-Scratch TIG Welding
- TIG torch with a valve should be used.
- Connect the TIG torch power cable to the negative outlet and the earth cable to the positive outlet of the machine.
- Install the argon gas regulator onto the argon gas cylinder.
- Connect the gas hose of torch to the gas regulator.


2.6 Connecting to the Mains
When inserting the plug into the wall socket, the machine Make sure it is in the “0” position.
- Check the 3-phase with a voltmeter before connecting the machine to the mains. After detecting that each phase is 400V (± 40V), plug in the plug.
- Switch on the machine with the On / Off switch.
- Turn off the machine by turning the switch back to the “0” position after hearing the fan noise and seeing the voltmeter and ammeter light on.

OPERATION
3.1 User Interface


3.2 MMA Welding
- Push the welding mode selection button for selecting the stick electrode welding mode. Stick electrode welding led lights.
- Adjust the current via current adjustment knob.
- Below table can be used as a rough reference for mild steel electrodes. For exact parameters, please refer to the electrode manufacturer’s recommendations.

- For better ignition turn the HOT START knob clock-wise. Welding arc can drill the metal when it is very thin and hot start is high.
- ARC FORCE is useful for electrodes which have tendency the knob clock-wise will decrease the tendency to stick. If ARC FORCE is adjusted too high, spatter increases.
- Start welding. You can observe welding current and voltage by current display and voltage display .
3.3 Touch-Scratch TIG Welding
- Push the welding mode selection button for selecting Touch-Scratch TIG welding mode. Touch-Scratch welding led lights.
- Adjust the current via current adjustment knob. · Start welding. You can observe welding current and voltage by current display and voltage display.
3.4 Remote Control (Optional)
- It is possible to connect wireless or cable remote control unit. In this case, appropriate control socket must be installed onto the back cover by a certifies Magma Service.
- When the remote control connector is connected to the machine, ampere adjustment knob on the machine is disabled automatically and current adjustment is made by the remote control.
MAINTENANCE AND SERVICE
- Strictly follow the instructions contained in safety rules while servicing the machine
- Before removing any screw on the machine for maintenance, power supply must be disconnected from the electric lines and enough time should be allowed for capacitor discharging.
4.1 Maintenance

4.2 Non-Periodic Maintenance
- The Wire Feeding Mechanism must be kept clean and the roller surfaces must not be lubricated.
- Always remove any deposits on the mechanism with dry air each time you replace a welding wire.
- The consumables on the torch should be cleaned regularly. It should be replaced if necessary. Make sure that these materials are original products for long-term use.

NOTE: The above mentioned periods are the maximum ones that should be applied if no problems are encountered in your device. Depending on the work load and contamination of your work environment, you can repeat the above processes more frequently.
Never operate the machine when covers are open.
4.2 Error Codes
It gives an error message when the mains voltage is wrong or thermal. If you do not want the welding performance to be affected during installation, the parameters such as wire diameter, torch, consumables used in the torch, wire type, wire diameter and gas type should be considered.

ANNEX
5.1 Spare Parts List


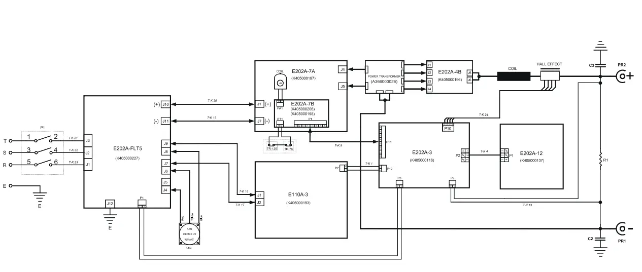
5.2 Electrical Diagram

![]()
Date of issue Manisa – 18.11.2019
Plant Manager 

YETKİLİ SERVİSLER




İMALATÇI FİRMA
Magma Mekatronik Makine Sanayi ve Ticaret. A.Ş.
Organize Sanayi Bölgesi, 5. Kısım 45030 Manisa, TÜRKİYE
T: (236) 226 27 00
F: (236) 226 27 28
10.02.2021
UM_IDE300_072012_022021_002_68

(+90) 444 93 53
magmaweld.com
[email protected]


















