61707 XPOtool Arc Welder Inverter Welding Machine
User Manual
Illustration similar, may vary depending on model
Please read and follow the operating instructions and safety information prior to initial operation.
Technical changes reserved!
Illustrations, functional steps, and technical data may deviate insignificantly due to continuous further developments.
The information contained in this document may alter at any time without prior notice. No part of this document may be copied or otherwise duplicated without prior written consent. All rights reserved. WilTec Wildanger Technik GmbH cannot be held liable for any possible mistakes in this operating manual, nor in the diagrams and illustrations shown.
Although WilTec Wildanger Technik GmbH has made every possible effort to ensure that this operating manual is complete, accurate, and up-to-date, errors cannot be ruled out entirely. If you have found an error or wish to suggest an improvement, we look forward to hearing from you. Send us an e-mail to:[email protected]
or use our contact form: https://www.wiltec.de/contacts/
The most recent version of this manual in several languages can be found in our online shop: https://www.wiltec.de/docsearch
Our postal address is:
WilTec Wildanger Technik GmbH
Königsbenden 12
52249 Eschweiler Germany
To return your goods for exchange, repair, or other purposes, please use the following address. Attention! To allow for a trouble-free complaint or return, it is important to contact our customer service team before returning your goods.
Retourenabteilung WilTec Wildanger Technik GmbH
Königsbenden 28 52249
Eschweiler
Germany
E-mail: [email protected]
Phone: +49 2403 55592–0
Fax: (+49 2403 55592–15)
Introduction
Thank you for choosing to purchase this quality product. To minimise the risk of injury, we ask you to always take some basic safety precautions when using this product. Please read this operating manual carefully and make sure that you understand it. Keep these operation instructions in a safe place.
Intended use
- This device may only be used according to the intended use. Each use exceeding the intended use is forbidden!
- The user is responsible for damages or injuries of all kind caused by incorrect use.
- You may only use welding electrodes suitable for use with the device.
- Compliance with the safety, assembly, and operation instructions of this manual is also part of the intended use.
- Persons using and maintaining the device must be familiarised with it and be informed about all possible dangers. Furthermore, the applicable accident prevention regulations are strictly to be followed.
- You must also obey general instructions on occupational health and safety engineering.
- If the device is modified in any way, the manufacturer is no longer to be held responsible for damages caused by these modifications.
- The device is not designed for commercial, artisanal, or industrial use, but for private hobby/DIY use only. All further use is explicitly forbidden and is not considered as intended use.
Safety instructions

ATTENTION:
Should you hand the device over to a third party, do also hand over the manual/safety instructions. We are not to be held responsible for any accidents or damages caused by non-compliance with this manual or the safety instructions.
ATTENTION:
For your own safety, operate the welding machine AFTER reading the safety instructions.
ATTENTION:
Only use the device according to the intended use defined in this manual.
The welding machine must NOT be used
- in rooms without sufficient ventilation,
- in damp or wet zones,
- in explosive zones,
- for defrosting pipes,
- near persons with pacemakers,
- near easily inflammable material.
Incorrect use of this machine might be dangerous for persons, animals, and objects. The user of this device is responsible for his or her own safety and the safety of other persons. Thus, do read this manual and obey the regulations precisely.
General remarks
Comply with the safety and accident prevention regulations.
In addition to the instructions in this manual, you must obey the legal general safety and accident prevention regulations.
Hand over this manual to third parties.
Make sure that third parties only use this product after receiving the necessary instructions.
The device is not intended for use by persons (including children) with impaired or limited physical, sensory and mental abilities, or lack of experience and/or real knowledge, unless they are supervised by a person responsible for their safety or follow the instructions made by this person on how to correctly use the device. Children should be supervised to ensure that they do not play with the device. Children must not use this device.
Always pay attention and concentrate on what you are doing.
Do not perform work with this product when being unalert or influenced by alcohol, drugs, or medicine. Even a short moment of inattention during the use of this device might cause severe accidents and injuries.
Safety instructions concerning the use of the welding machine
- Make for a secure stand. Make sure to mount the device on a stable and safe surface.
- Avoid contact with hot parts. Do not touch any hot parts of this device. Keep in mind that various components, storing heat, might cause burns even after the use of this device.
- See for any damages. Before using the device, check it for possible damages. Should the device be damaged, it must not be put into operation.
- Do not use sharp objects. Never introduce sharp and/or metallic objects in the inside of the device.
- Do not misuse. Only use the device according to the intended use defined in this manual.
- Perform regular checks. The use of this device can cause wear and tear of certain parts.
Therefore, regularly check the device for possible damages and faults. - Correct use of the power cable. Never pull out the plug by pulling on the power cable and protect all cables from oil, sharp edges, and high temperatures. During work, make sure not to touch the cables with hot objects. The power cable must not be damaged. If the connection line is damaged, it must be replaced with a new one.
- During operation, the device should not be confined or placed directly at a wall so that enough air is always let in through the louvres.
- Arc welding causes sparks, melting of metal parts, and smoke. Therefore, make sure to remove all inflammable substances and/or material from the working zone.
- Do not weld on containers, receptacles, or pipes that have contained inflammable liquids or gases.
- Avoid any direct contact with the welding circuit; no-load voltage forming between the electrode holder and earth terminal can be dangerous.
- Do not store or use the device in damp or wet zones or in the rain.
ATTENTION:
- Welding arc radiation can cause eye damages and skin burns.
- Sparks and drops of melted metal form during arc welding. The welded piece begins to glow and stays hot during quite a long time.
- Vapours that might be harmful form during arc welding.
- Every electric shock might be deadly.
- Define safety distances for the welding zone and make sure that unauthorised persons and/or persons not wearing protective clothing cannot enter the work zone. Danger by flying sparks!
- Protect yourself and bystanders from all possible dangers caused by arc welding.
Hazard sources during arc welding
Many hazards are caused by arc welding. Therefore, It Is very important that the welder obeys the following regulations for not to endanger himself or herself or other persons and to avoid damages to the device and persons.
- Should contact voltages form, immediately switch off the device and have it checked by a qualified person.
- Make sure that all electric contacts on the welding-current side are always In good con
- During welding, always wear insulating gloves on both hands. They will protect you from electric shocks (e.g., cause by no-load voltage of the welding circuit), harmful radiation (warmth and ultraviolet rays), glowing metal, and slag splashes.
- Wear solid insulating footwear; the shoes should keep their insulating feature in wet condi Mid-height footwear is not suitable, for glowing metal drop falling down can cause bums.
- Wear suitable clothing, no synthetical clothing.
- Do not look into the welding arc without eye protection; only use a welding helmet with protective glass according to DIN. Besides light and heat radiation causing glares and bums, the welding arc also emits ultraviolet rays. If the protection is inadequate, these invisible ultraviolet rays cause very painful conjunctivitis (pinkeye) that only becomes noticeable a few hours Moreover, UV radiation has an effect on unprotected skins as would have sunburn.
- Persons or assistant near the welding arc must be informed about the dangers and be
equipped with the necessary protection means; if necessary, mount protective panels. - No welding works may be performed on containers where gases, fuels, mineral oils, etc. are stored or have been stored, even in case they have been emptied a long time ago; residues might cause explosions.
- There are special regulations for welding work to be performed in rooms with an inflammable or explosive ambiance.
Risk of accident caused by electric shock
With no welding arc burning, there is a no-load voltage Uo between the earth terminal and electrode holder. This voltage can be dangerous to life if the welder touches the metal clamping Jaws of the electrode holder and the piece with unprotected hands.
Narrow and hot rooms: Performing work in narrow or hot rooms is a special risk situation that necessitates additional, special protective clothing to be worn. Insulating pads (e.g., rubber mats, wood grates, etc.) must possibly be used.
Risk of accidents caused by deficiency of air in narrow rooms: Considerable quantities of vapour and gas form during welding. Make sure that vapours and gases can escape through suitable vents. However, do not take in oxygen. This would increase the risk of fire.
Protective clothing
During work, the welder’s entire body must be protected from radiation and burns by wearing clothing and facial protection.
Fire hazard due to flying sparks
If melted or glowing metal and slag drops fall on inflammable material, this might inflame and cause a fire. Therefore, remove any inflammable objects from the work zone before beginning to weld.
Explosion hazard
Both welding sparks and the high-heated welding spot might cause explosions. Therefore, do not use the device inside explosive zones with inflammable liquids, gases, and paint mists present.
Furthermore, note the following:
- Immediately remove the electrode from its holder after finishing welding work to avoid a welding arc from accidentally forming.
- During operation of the device, do not put the electrode holder on the welding machine or on any other electric device.
- Before finishing work, do not touch the electrode or another metal objects in contact with the electrode.
- Immediately disconnect the power supply after finishing welding work.
- Make absolutely sure that no cable wraps around your body.
- Make absolutely sure that you do not stand between the earth terminal and electrode holder during welding. The electrode holder and earth terminal must always be on the same side.
Handling shielding gas bottles
Bad handling of shielding gas bottles!
Badly handling shielding gas bottles may lead to severe injuries or even death.
- Obey all instructions given by the manufacturer of the gas and the decree on pressure gas!
- Place the shielding gas bottle in the spot previewed and secure it with fixing elements!
- Avoid any heating up of the shielding gas bottle!
Residual risks
Despite obeying to the intended use, residual risks cannot be fully excluded.
Due to the type and design of the device, the following risks can result:
a) eye injuries by glazing,
b) injuries caused by burns after touching hot parts of the device or piece,
c) risks of accident and fire caused by flying sparks or slag particles when not being sufficiently protected,
d) harmful emission of vapour and gases with deficiency of air or insufficient extraction inside closed rooms.
To ensure that you can enjoy your welding machine for a long time, it should regularly be maintained and cleaned. It is advisable to have the device checked every six months. If used more often, it should be inspected more often. Completely disconnect the welding machine from the power supply before performing maintenance works. The machine is largely maintenance-free. However, the following works should be performed:
- Keep the safeguards, vents, and motor housing as free of dust and dirt as possible. Rub the device with a clean cloth and remove rougher dirt with the help of compressed air the pressure of which should be as low as possible. Hereby, apply the lowest possible pressure.
- The device should be cleaned after each use.
- Check the condition of the welding cables, electrode holder, and earth terminal.
- The electrode holder must regularly be cleaned from weld spatters and contaminations. Apply release agent after cleaning to reduce adhesiveness for spatters.
- Worn or damaged insulation of cables and live parts of the device is dangerous and might cause the device malfunctioning.
- Check whether all screw, bolts, and nuts are firmly tightened. Should they be loose, re-tighten them.
Description of the welding machine
This compact welding device is not only ideal for mobile use, but also electrode and TIG welding work with inert gas can be carried out with the device without any problems.
The device impresses with its ease of use and its high performance, which makes it suitable for both beginners and professionals. The welding machine has a powerful HF ignition, and the welding current can also be continuously regulated in a range from 10 to 180 A, so you can easily adapt it to your needs.
In addition, the built-in overheating protection ensures safe working.
Caution: The user must not dismantle, rebuild, or replace electrical components himself. Otherwise, the guarantee of the device will expire.
Technical specifications
| Model | TIG180 | TIG200 |
| IItem number IPower voltage (V) Frequency (Hz) Ilnput current (A) I No-load voltage (V) | 61707 | 61708 |
| 230 | 23o | |
| 50 | 50 | |
| 180 | 200 | |
| 65 | 65 | |
| Output current adjustment range (A) | io—i8o | 10-200 |
| IRate of work voltage (V) I Duty cycle (%) I No-load loss (W) | 17 | 18 |
| 6o | 6o | |
| 40 | 6o | |
| Pilot arc model | HF | HF |
| I Efficiency (%) IPower factor I Insulation class | 8o | 8o |
| 0.93 | 0.93 | |
| H | H | |
| Isolation class | IP21S | IP21S |
| Weight (kg) | 10 | 11 |
| Total dimensions (mm) | 465x255x330 | 465x255x330 |
Parts list

| Ns | Name | Ns | Name |
| 1 | Operation light | 6 | 2-pole connector, control cable for TIG standard welding torch |
| 2 | Welding current adjustment | 7 | Quick connector for TIG welding torch gas conduct |
| 3 4 5 | Error light | 8 9 10 | Negative output terminal — TIG: to connect TIG work piece cable – MMA: to connect electrode holder or work piece cable |
| Release time adjustment | MMA/TIG switch | ||
| Positive output terminal — TIG: to connect TIG work piece cable — MMA: to connect electrode holder or work piece cable | Display |
Installation
If you want to use a cable that is longer than the one supplied, use one with a larger cross-section. Thus, you can avoid voltage drops. If the torch cable or the electrode holder cable is too long, it may interfere with the operation of the arc and other functions of the system. For this reason, we recommend that the user stick to the accessories supplied to ensure propre function of the device.
Connecting the input cable
- Each welding machine has a power cord. During the connection of that to the power supply you must make sure that it matches the input voltage of the device (230 V). If the mains cable of 230 V DC is connected to a 380 V AC connection, the overvoltage protection is triggered. In this case, switch off the power supply first and then connect the welding machine to a suitable mains connection (230 V). You can now put the welding machine into operation.
- Make sure that the power cord is securely connected to the machine and check whether the line voltage is correct.
Connecting the welding cables
Notes on laying welding current cables
- Completely unroll welding current cables, welding torches and intermediate hose packages.
- Avoid loops!
- In general, the cable must not be longer than necessary.
- Lay excess cable lengths in a meandering manner.
TIG welding: connection of welding torch, workpiece lead, and shielding gas supply
- Insert the welding current plug of the welding torch into the connection socket, welding current “–,” and lock by turning to the right.
- Fasten the shielding gas connection of the welding torch to the quick connection for the gas lead and lock it.
- Insert the control cable plug of the welding torch into the connection socket for the control cable/welding torch, and tighten it.
- Insert the cable plug of the workpiece lead into the connection socket, welding current “+,” and lock by turning to the right.
MMA welding: connection of electrode holder and workpiece lead
The polarity depends on the information provided by the electrode manufacturer on the electrode packaging.
- Insert the cable plug of the electrode holder either into the connection socket, welding current “+” or “–,” and lock by turning to the right.
- Insert the cable plug of the workpiece lead either into the connection socket, welding current “+” or “–,” and lock by turning to the right.
The welding machines are equipped with quick connectors for connecting the earth cable and the TIG welding torch. In order to achieve optimal welding results, make sure that all connections of the welding cables are tight and that the insulation is not damaged.
Make sure that the earth cable is connected to the workpiece as close as possible to the welding location.
Earth connections made at distant points reduce the efficiency and increase the risk of electric shock and stray currents.
The electrode is both an arc carrier and an additional material. It consists of an alloyed or unalloyed core wire and a jacket. The purpose of the jacket is to protect the weld pool from harmful air ingress and to stabilise the arc. On the other hand, a slag forms that protects and shapes the weldseam. Almost all metals can be welded with electrode welding.
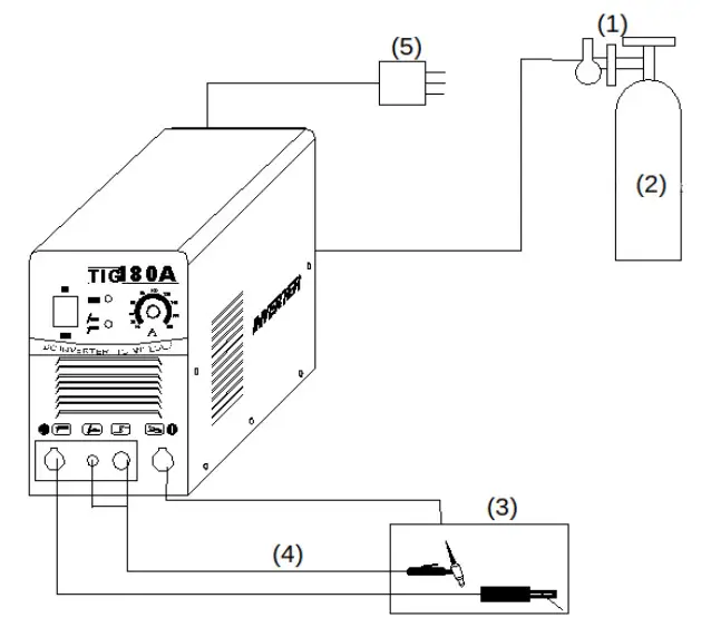
Installation scheme

| № | Name |
| 1 | Pressure regulator |
| 2 | Shielding gas cylinder |
| 3 | Work piece |
| 4 | Welding torch |
| 5 | Power supply |
Operation
Inert gas arc welding
Errors in the shielding gas supply!
The unhindered shielding gas supply from the shielding gas cylinder to the welding torch is basic for optimal welding results. In addition, a blocked shielding gas supply can destroy the welding torch!
- Make all shielding gas connections gas-tight!
- Before connecting the pressure reducer to the shielding gas cylinder, briefly open the gas cylinder valve to blow out any dirt.
- Tighten the pressure reducer to the gas cylinder valve so that it is gas-tight.
- Screw the union nut of the gas hose connection to the “outlet side of the pressure reducer.”

- Gas-tighten the union nut of the shielding gas line to the gas connection on the back of the welding machine.
Setting the amount of shielding gas
- Electric shock!
o The amount of shielding gas being set, the welding torch has no-load voltage or, if applicable, high-voltage ignition pulses which can lead to electric shocks and burns if touched.
o Keep the welding torch electrically isolated from people, animals, or objects while setting.
o Set the amount of shielding gas on the flow meter of the pressure reducer. - Rule of thumb for the gas flow rate:
o The diameter in mm of the gas nozzle corresponds to ℓ⁄min gas flow rate.
o Example: 7 mm gas nozzle corresponds to 7 ℓ⁄min gas flow. - Bad shielding gas settings!
o Both too low and too high a shielding gas setting can bring air to the weld pool and lead to pore formation.
o Therefore: Adjust the amount of shielding gas according to the welding task!
Which gas is to be used for TIG welding?
Tungsten inert gas welding (TIG) is inert gas welding with a non-consumable electrode made of pure or alloyed tungsten. The arc burns freely between the electrode and the workpiece. The arc is protected by argon, helium, or their mixtures. For applications with high-alloy steels, argon-hydrogen mixtures are also used, which can lead to a considerable increase in productivity.
- Make sure that the on/off switch is on and the power indicator is lit.
- Set the MMA / TIG switch to “TIG.”
- Open the shielding gas cylinder valve and set the required flow rate.
- The fan now starts. Pull the trigger on the welding torch to open the solenoid valve. The shielding gas begins to flow out of the torch nozzle. At the same time, the HF ignition sounds.
- Set the welding current to match the thickness of the workpiece.
- The distance from the welding electrode to the workpiece must be 2–4 mm.
- Press the control key to ignite the arc. The HF noise disappears and you can start welding.
- Select the run-on time of the torch with the fall time control.
Description of MMA welding
The polarity depends on the information provided by the electrode manufacturer on the electrode packaging.
- Make sure that the on/off switch is on and the power indicator is lit.
- Set the MMA / TIG switch to “MMA.”
- Set the welding current to match the thickness of the workpiece.
- The weldseam is adjusted with the welding current regulator.
Note: Do not touch any cables or plugs while the machine is operating, as this can result in injuries or damages to the machine.
Troubleshooting
Regular inspection and maintenance by a specialist are recommended.
| Problem | Solution |
| Power indicator is not lit, fan does not work/nowelding output operation. | The power switch is out of order. |
| Check that the electrical cable network (connected to the input cable) is in | |
| Check if the input cable is out of order. | |
| Power indicator is lit, fan does not work or rotate/no welding output | You may have incorrectly connected the device to the power supply. Connect the device to a 23o V input voltage and turn it on again. If it has been connected to a larger voltage source, the overvoltage protection has been triggered. Connect the device to the required 23o V AC mains connection. Wait a short moment, then switch the device on at the main switch. |
| The 23o V power supply is not stable. Check the power cable for damages and replace it, if necessary. Wait a short moment, then switch the device on at the main switch. | |
| The cable is not plugged in properly. Check the plugs. | |
| Fan is working, indicator is not lit, no HF arc, no arc | Check whether the connectors are making bad contact. |
| Check the control circuit and find out the reasons for the failure. | |
| Check whether the torch control cable is defective. | |
| Contact vendor in case you cannot solve the problem. | |
| Error indicator is not lit, HF arc-striking sounds, but no welding output | Check whether the torch cable is defective. |
| Check whether the earth cable is interrupted or not connected to the welding part. | |
| The output connection of the positive electrode or the torch power supply is disconnected from the machine. | |
| Error indicator is not lit, HF arc-striking does not sound, arc forms | The power cable is not firmly connected to the power supply. Check the plug connection. |
| The arc tip is oxidized or too far away. Distance between electrode and workpiece should be 2-4 mm. Clean tip or replace electrode. | |
| Error indicator is lit, no welding output | Possibly caused by overheating protection. Switch the machine off first and wait for it to cool down. Check if error remains after re-turning on. |
| TIG welding cannot trigger overheating protection. | |
| Output current unstable or out of potentiometer con- trol | Several connectors have bad contact, especially inserts, etc.; check them. |
| Excessive weld spatter/incorrect electrode polarity | Electrode is connected incorrectly; replace the earth and handle cables. |
Regulations for waste disposal
The Waste Electrical and Electronic Equipment Directive (WEEE Directive, 2012/19/EU) of the EU was implemented in the German law related to electrical and electronic equipment and appliances.
All WilTec electric devices that fall under the WEEE directive are labelled with the symbol of a crossedout wheeled rubbish bin. This symbol indicates that this electric device must not be disposed of with the domestic waste.
WilTec Technik GmbH is registered with the German registration authority EAR (Stiftung ElektroAltgeräte Register) under the WEEE-registration number DE45283704.
Disposal of used electrical and electronic devices (intended for use in the countries of the European Union and other European countries with a separate waste collection system for these devices).
The symbol on the packaging or the product itself indicates that this product must not be treated as normal domestic waste but must be disposed of at a recycling collection station for electrical and electronic waste. By disposing of this product correctly, you contribute to the protection of the environment and the health of your fellow people. Inappropriate disposal threatens the environment and health.
Material recycling helps to reduce the consumption of raw materials.
Additional information about the recycling of this product can be provided by your local commune, the municipal waste disposal facilities, or the store where you purchased the product.
Address:
WilTec Wildanger Technik GmbH
Königsbenden 12 / 28
52249 Eschweiler Germany
Important Note:
Reproduction and any commercial use (of parts) of this operating manual, requires a written permission of WilTec Wildanger Technik GmbH.
https://www.XPOtool.com
The Tool Experts
Item 61707, 61708


















