ozito IAW-120 120A Inverter ARC Welder

STANDARD EQUIPMENT
Inverter Arc Welder

Earth Clamp, Arc Electrode Holder & Chipping Hammer/Wire Brush

Strap, Handle, Welding Mask, Lens Assembly & Fasteners

SPECIFICATIONS
- Mains Voltage: 240V ~ 50Hz
- Welding Current: 20-120A (20.8 – 24.8V)
- Duty Cycle: 15% @120A (24.8V DC)
60% @60A (22.4V DC)
100% @50A (22.0V DC)
The duty cycle was determined at 40°C by simulation. - Arc Electrode Size: 1.6-3.2mm
- IP Rating: IP21S
- Weight: 3.0kg
Additional specifications provided under equipment classification.
WARRANTY
IN ORDER TO MAKE A CLAIM UNDER THIS WARRANTY YOU MUST RETURN THE PRODUCT TO YOUR NEAREST BUNNINGS WAREHOUSE WITH YOUR BUNNINGS REGISTER RECEIPT. PRIOR TO RETURNING YOUR PRODUCT FOR WARRANTY PLEASE TELEPHONE OUR CUSTOMER SERVICE HELPLINE:
Australia: 1800 069 486
New Zealand: 0508 069 486
TO ENSURE A SPEEDY RESPONSE PLEASE HAVE THE MODEL NUMBER AND DATE OF PURCHASE AVAILABLE. A CUSTOMER SERVICE REPRESENTATIVE WILL TAKE YOUR CALL AND ANSWER ANY QUESTIONS YOU MAY HAVE RELATING TO THE WARRANTY POLICY OR PROCEDURE.
The benefits provided under this warranty are in addition to other rights and remedies which are available to you at law.
Our goods come with guarantees that cannot be excluded at law. You are entitled to a replacement or refund for a major failure and for compensation for any other reasonably foreseeable loss or damage. You are also entitled to have the goods repaired or replaced if the goods fail to be of acceptable quality and the failure does not amount to a major failure.
Generally you will be responsible for all costs associated with a claim under this warranty, however, where you have suffered any additional direct loss as a result of a defective product you may be able to claim such expenses by contacting our customer service helpline above.
3-YEAR REPLACEMENT WARRANTY*
Your product is guaranteed for a period of 36 months from the original date of purchase. If a product is defective it will be replaced in accordance with the terms of this warranty. Warranty excludes consumable parts, for example: valve adapters and accessories.
This product is intended for DIY use only and replacement warranty covers domestic use.
WARNING
The following actions will result in the warranty being void.
- If the tool has been operated on a supply voltage other than that specified on the tool.
- If the tool shows signs of damage or defects caused by or resulting from abuse, accidents or alterations.
- Failure to perform maintenance as set out within the instruction manual.
- If the tool is disassembled or tampered with in any way.
- Professional, industrial or high frequency use.
KNOW YOUR PRODUCT
INVERTER ARC WELDER
- AC Power Cord
- On/Off Switch
- Current Control Dial
- Negative Output Terminal
- Positive Output Terminal
- Digital Display
- Power ON LED
- Thermal Overload LED

ACCESSORIES - Earth Clamp
- Arc Electrode Holder
- Chipping Hammer/Wire Brush
- Welding Mask

ONLINE MANUAL
Scan this QR Code with your mobile device to take you to the online manual.
SETUP & PREPARATION
BEFORE STARTING
Safety Precautions
- Read all safety warnings and all instructions before use. Failure to follow the warnings and instructions may result in electric shock, fire and/or serious injury.
- Always wear appropriate protective equipment when welding. These include: Welding helmets, overalls, welding gloves, closed shoes, leather apron, sock protectors. Overalls should be of type designed to be buttoned at the wrists and the neck.
- Remove loose clothing and accessories and ensure any loose hair is tied up or tucked away.
- Toxic gases are given off during the ARC welding process, which may collect in the welding area. Always ensure to weld in a well-ventilated area and use a fume extractor when required.
The electric arc generated by the arc process gives direct heat and ultraviolet radiation. It is essential that the eyes of the operator and any bystanders are protected from the glare during welding. ALWAYS use a face shield or welding helmets fitted with the correct glass filter.
Inspect the welder, electrode and all connecting wires for damage / worn insulation before each use and if any damage is found, replace the damaged parts before use. - Used electrodes and welding material can be extremely hot immediately after welding. Wait for the electrode and the material to cool down before handling and always ensure welding gloves are worn when handling electrodes and hot materials.
- Ensure there is sufficient ventilation, particularly at the front and rear of the unit.
- Have an adequate fire-fighting device on hand.
WARNING! ENSURE ALL OIL, PETROL AND FLAMMABLE CONTAINERS HAVE BEEN REMOVED FROM THE WELDING AREA.
ASSEMBLY
WARNING! ENSURE THE TOOL IS TURNED OFF AND DISCONNECTED FROM THE POWER SUPPLY BEFORE PERFORMING ANY OF THE FOLLOWING OPERATIONS.
Assembling The Welding Mask
The included welding mask must be fitted with the lens assembly and handle before using it for welding.
- Push the plastic pins into the mask from the outside and secure it with the retaining clips from the inside of the mask. Rotate the retaining clips so that the lens assembly can be inserted.

- Insert the clear glass into the recess of the welding mask, then the dark safety glass and finally the plastic lens frame.

- Rotate the retaining clips to lock the lens assembly in place.

- Bend the sides and top of the welding mask inwards and clip it together at the corners.

- 5. Insert the 3 screws into the handle mounting holes from the outside. Fit the handle onto the screws on the inside of the mask and secure them using the 3 nuts.

WARNING! ENSURE THE TOOL IS TURNED OFF AND DISCONNECTED FROM THE POWER DISCONNECTED FROM THE POWER PERFORMING ANY OF THE FOLLOWING OPERATIONS.
Setting Up The Welder
- Attach the arc electrode holder to the red positive (+) output terminal. Insert & rotate the connector until it is firmly attached.

- Attach the earth clamp to the black negative (-) output terminal. Insert & rotate the connector until it is firmly attached to the
welder.
Note: Only fully insulated lock-type connectors should be used with the inverter welder terminals.
Electrodes and Earth Clamp
WARNING! DO NOT TOUCH THE ELECTRODE WHILE THE WELDER IS ON. ALWAYS ENSURE THE WELDER IS SWITCHED OFF WHEN REPLACING ELECTRODES.
- Install the thin (uncoated) end of the electrode into the arc electrode holder.

- Attach the earth clamp to the workpiece.

Note: Ensure that the area on the work piece is free from paint or dirt so that there is a good electrical connection for current flow. This will help achieve more consistent welds.
Note: Avoid use of extension leads.
OPERATION
ELECTRODE SELECTION
The welding current must be regulated in accordance with the diameter of the electrode and the thickness of the steel being used.
This will vary with the type of electrodes and material you are using. Below is a guide suggesting suitable currents & thicknesses for welding steel.
| Electrode Diameter | Welding Current | Steel Thickness |
| 2mm | 30 – 60A | 1.5 – 2mm |
| 2.5mm | 50 – 80A | 3 – 5mm |
| 3.2mm | 90 – 120A | 4 – 6mm |
CONTROLS
Welding Current
The welding current should be set according to the application and material being welded.
- The welding current can be increased or decreased by turning the current control dial. The reading will on the digital display will change accordingly.

ON/Off Switch
The on/off switch is located on the rear of the welder.
- Press the on/off switch into the on position ‘I’ to switch the unit on.

- To switch the unit off, press the switch to the ‘0’ position.
Note: Check the rating of the circuit breaker on the supply and other appliances connected to the circuit. The welder is a high-powered device and it is recommended that it is the only appliance on the circuit to ensure it has enough power to operate.
Note: If a 12A circuit is available, it is recommended that the welder be connected to this.
WARNING! DO NOT LEAVE THE SWITCH IN THE ON POSITION WHEN THE UNIT IS NOT IN USE AS THIS POSES THE RISK OF ELECTROCUTION OR ACCIDENTS HAPPENING FOR THE NEXT USER.
Power LED Light
- The ON LED illuminates when the power cord is connected to a live mains outlet and the on/off switch is in the on position.
Note: The cooling fan will operate when the unit is switched on.
WARNING! IF THE WELDER OVERHEATS & THE THERMAL OVERLOAD PROTECTION ENGAGES, DO NOT TURN OFF THE WELDER AS THE FAN WILL ASSIST IN SPEEDING UP THE COOLING TIME.
Thermal Overload Protection
All Welders have a feature called a duty cycle. Duty cycle on a welder refers to the time in which the welder operates during normal welding. A welder can only weld for a certain continuous period of time before it requires to cool down.
If the internal components of the welder should become hot the welder could overheat. If the welder overheats the Thermal Overload Protection feature will automatically shut down the welder.
THIS CAN OCCUR IN HEAVY USE AND DOES NOT INDICATE A FAULT.
The Welder will cease to weld and the Thermal Overload LED light will turn on. This LED indication light is just to inform you that your welder is becoming too hot and requires to cool down to protect the internal components of the welder.

Do Not turn your welder Off as the welder has an internal cooling fan and this will assist your welder to cool down quicker. Reducing the cooling time will enable you to get back to your welding job quicker.
Depending on how many Amps or how heavy the welding you are doing the cooling time may take up to 10 minutes for your welder cool down so you can return to your welding job.
Duty cycle % as referenced on the rating label are based on 10 minute intervals. For instance with a 20% duty cycle, one can weld continuously for 2 minutes, but then must wait 8 minutes for the welder to cool.
Lower current levels have longer duty cycles.
ARC WELDING
WARNING! THE POWER SUPPLY FOR THIS PRODUCT SHOULD BE PROTECTED BY A RESIDUAL CURRENT DEVICE (RATED AT 30mA OR LESS). A RESIDUAL CURRENT DEVICE REDUCES THE RISK OF ELECTRIC SHOCK.
WARNING! ENSURE APPROVED PROTECTIVE CLOTHING & A WELDING HELMET/MASK IS WORN AT ALL TIMES TO PROTECT YOUR FACE & EYES FROM ARC UV RADIATION & SPARKS.
Striking The Arc
Lower the electrode slowly and proceed to strike the electrode tip against the desired join area on the work piece as if you are striking a match. As soon as you have the arc, try to maintain a distance from the workpiece equal to the diameter of the electrode being used, eg. 2mm electrode, 2mm gap.

Slag
Slag is refuse left around the weld after welding. This should only be removed after the weld has cooled down and is no longer glowing. A face shield must be worn during removal of slag.
Use the chipping hammer/wire brush to break off and clean the weld of slag.

COMMON WELDS
Butt Joint
Is the joining of two pieces of material together along a single edge in a single plane. Two sheets of metal are laid side-by-side and joined together along a single joint.
Fillet Joint
Is a type of joint used for welding pieces or plates in which the angle between them varies from 0° to 180°. The edge of one plate is brought against the surface of another not in the same plane. The joint can be welded on one or both sides.
Lap Joint
The edges of a plate are lapped one over the other and the edge of one is welded to the surface of the other.
Corner Joint
A corner joint consists of two pieces of material joined at their edges to form an “L” shape.

WELDING TIPS
Electrodes
Always store the electrodes in a dry place protecting them from moisture. Refer to the electrode manufacturer’s instructions for proper storage and use.
Metal arc welding electrodes consist of a core wire surrounded by a flux coating. The flux coating is applied to the core wire by an extrusion process.
The coating on arc welding electrodes has a number of purposes:
- To provide a gaseous shield for the weld metal, and preserve it from contamination by the atmosphere whilst in a mol ten state.
- To give a steady arc by having ‘arc stabilisers’ present, which provide a bridge for current to flow across.
- To remove oxygen from the weld metal with ‘deoxidised’.
- To provide a cleansing action on the work piece and a protective slag cover over the weld metal to prevent the formation of oxides while the metal is solidifying. The slag also helps to produce a bead of the desired contour.
- To introduce alloys into the weld deposits in special type electrodes.
Arc Length
To strike the arc, the electrode should be gently scraped on the work until the arc is established. A simple rule for the proper arc length; it should be the shortest arc that gives a good surface to the weld. A very long arc produces a crackling or spluttering noise and the weld metal comes across in large, irregular blobs and gives a rough surface finish to the weld. A short arc is essential if a high quality weld is to be obtained but a excessively short arc will cause sticking of the electrode and result in poor quality welds. For down hand welding is to have an arc length no greater than the diameter of the electrode.
Electrode Angle
The angle that the electrode makes with the work is important to ensure a smooth, even transfer of metal. When welding in down hand, fillet, horizontal or overhead the angle of the electrode is generally between 5 and 15 degrees towards the direction of travel. When vertical up welding the angle of the electrode should be between 70 and 80 degrees to the work piece.
Travel Speed
The electrode should be moved along in the direction of the joint being welded at a speed that will give the size of run required. At the same time, the electrode is fed downwards to keep the correct arc length at all times. Excessive travel speeds lead to poor fusion and lack of penetration. While too slow a rate of travel will frequently lead to arc instability,slag inclusions and poor mechanical properties.
Electricity
The electricity flows through the electrode cable to the attached electrode. The electricity will not leave the electrode unless it touches an earthed object.
Electricity always finds the fastest path to the earth. When the earth cable clamp is connected to the metal work piece a direct earth connection is created back to the welder. When the electrode makes contact with the earthed work piece an arc is created. The electricity flows through the electrode, the metal work piece and then through the earth cable straight back to the welder.
Earth Clamp
Prior to connecting the earth clamp it may be necessary to clean the surface of the work piece using the metal brush. Attach the earth clamp firmly to the work piece ensuring there is good metal to metal contact. Clamp it where it will not be in the way. This clamp provides an earth connection back to the welder. Always ensure the welder is disconnected from the power supply before attaching electrodes into the holder.
TROUBLESHOOTING
WARNING! THE WELDER SHOULD ONLY BE SERVICED BY QUALIFIED PERSONNEL.
| Symptom Possible Suggested Solution Cause | ||
|
No Power | On/off switch is off | Check on/off switch is in the on position. |
| Power supply fault | Test power supply with another product, avoid using extension leads. | |
|
Circuit breaker tripped | Check the rating of the circuit breaker on the supply and other appliances connected to the circuit. The welder is a high power device and it is recommended that it is the only appliance on the circuit to ensure it has enough power to operate. | |
|
Difficulty starting arc | Incorrect settings or cable connection | Check earth and electrode cables are in the correct terminals. Check cable connections to welder are secure, rotate clockwise until firm. |
| Inadequate earth clamp connection | Check earth clamp has good connection to material being welded. Surface for clamp connections needs to be bare metal, remove rust or paint. | |
| Welding technique | Hold electrode at correct angle, practice on scrap material. | |
| Welder cuts out | Thermal overload active | The thermal overload light will light up and the welder will not operate until cooled down and the light goes out. This is normal in heavy welding, allow the unit to cool down. |
| Poor welding | Incorrect or wet welding electrodes | Select electrode type to suit material, electrodes need to be dry. |
|
Sticking electrode | Incorrect current | Increase current to recommended setting. |
| Coated work piece | Clean weld area to bare metal. | |
| Incorrect electrode type and/or size | Check that the electrode type and size is appropriate for the material being welded. | |
| Damaged electrode | Replace electrode with new rod. | |
| Excessive welding electrode consumption | Welding current too high | Reduce welding current. |
| Electrode size too small for material | Change to larger electrode size. | |
DESCRIPTION OF SYMBOLS

EQUIPMENT CLASSIFICATION
Additional Specifications
- I1max: 23.6A
- I1eff: 9.5A
- Welder Characteristics: Constant Current-Drop Characteristic
- Carrying Method: Strap
- Cooling System: Fan Cooling
- Heating tests were conducted at ambient temperature.
- Power Cable: 3 x 1.5-2mm2
- Welding Cable: 1 x 10mm2
Recommended External Fuse: 16A.
This product is classified as Group 2, Class A welding equipment.
- Group 2 – This product generates radio frequency energy in the frequency range 9KHz to 400GHz.
- Class A – This product is intended for use in an industrial environment.
Caution: This equipment is not intended for use in residential environments and may not provide adequate protection to radio reception in such environments.
SPARE PARTS
Spare parts can be ordered from the Special Orders Desk at your local Bunnings Warehouse.
For further information, or any parts not listed here, visit www.ozito.com.au or contact Ozito Customer Service:
Australia 1800 069 486 New Zealand 0508 069 486
E-mail: [email protected]
CARING FOR THE ENVIRONMENT
Power tools that are no longer usable should not be disposed of with household waste but in an environmentally friendly way. Please recycle where facilities exist. Check with your local council authority for recycling advice.
Recycling packaging reduces the need for landfill and raw materials.
Reuse of recycled material decreases pollution in the environment.
Please recycle packaging where facilities exist. Check with your local council authority for recycling advice.
KNOW YOUR PRODUCT
ACCESSORIES
- Earth Clamp
- Arc Electrode Holder
- Chipping Hammer/Wire Brush
- Welding Mask

INVERTER ARC WELDER - AC Power Cord
- On/Off Switch
- Current Control Dial
- Negative Output Terminal
- Positive Output Terminal
- Digital Display
- Power ON LED
- Thermal Overload LED

ONLINE MANUAL
Scan this QR Code with your mobile device to take you to the online manual.
ELECTRICAL SAFETY
WARNING! When using mains-powered tools, basic safety precautions, including the following, should always be followed to reduce risk of fire, electric shock, personal injury and material damage.
Read the whole manual carefully and make sure you know how to switch the tool off in an emergency, before operating the tool.
Save these instructions and other documents supplied with this tool for future reference.
This tool has been designed for 230V and 240V only. Always check that the power supply corresponds to the voltage on the rating plate.
Note: The supply of 230V and 240V on Ozito tools are interchangeable for Australia and New Zealand.
Using an Extension Lead
Always use an approved extension lead suitable for the power input of this tool. Before use, inspect the extension lead for signs of damage, wear and ageing. Replace the extension lead if damaged or defective.
When using an extension lead on a reel, always unwind the lead completely. Use of an extension lead not suitable for the power input of the tool or which is damaged or defective may result in a risk of fire and electric shock.
The power supply for this product must be protected by a residual current device (rated at 30mA or less). A residual current device reduces the risk of electric shock.
GENERAL POWER TOOL SAFETY WARNINGS
WARNING! Read all safety warnings and all instructions. Failure to follow the warnings and instructions may result in electric shock, fire and/or serious injury.
Save all warnings and instructions for future reference. The term “power tool” in the warnings refers to your mains-operated (corded) power tool or battery-operated (cordless) power tool.
- Work area safety
a. Keep work area clean and well lit. Cluttered or dark areas invite accidents.
b. Do not operate power tools in explosive atmospheres, such as in the presence of flammable liquids, gases or dust. Power tools create sparks which may ignite the dust or fumes.
c. Keep children and bystanders away while operating a power tool. Distractions can cause you to lose control. - Electrical safety
a. Power tool plugs must match the outlet. Never modify the plug in any way. Do not use any adapter plugs with earthed (grounded) power tools. Unmodified plugs and matching outlets will reduce risk of electric shock.
b. Avoid body contact with earthed or grounded surfaces, such as pipes, radiators, ranges and refrigerators. There is an increased risk of electric shock if your body is earthed or grounded.
c. Do not expose power tools to rain or wet conditions. Water entering a power tool will increase the risk of electric shock.
d. Do not abuse the cord. Never use the cord for carrying, pulling or unplugging the power tool. Keep cord away from heat, oil, sharp edges or moving parts. Damaged or entangled cords increase the risk of electric shock.
e. When operating a power tool outdoors, use an extension cord suitable for outdoor use. Use of a cord suitable for outdoor use reduces the risk of electric shock. - Personal safety
a. Stay alert, watch what you are doing and use common sense when operating a power tool. Do not use a power tool while you are tired or under the influence of drugs, alcohol or medication. A moment of inattention while operating power tools may result in serious personal injury.
b. Use personal protective equipment. Always wear eye protection. Protective equipment such as dust mask, non-skid safety shoes, hard hat, or hearing protection used for appropriate conditions will reduce personal injuries.
c. Prevent unintentional starting. Ensure the switch is in the off-position before connecting to power source and/or battery pack, picking up or carrying the tool. Carrying power tools with your finger on the switch or energising power tools that have the switch on invites accidents.
d. Remove any adjusting key or wrench before turning the power tool on. A wrench or a key left attached to a rotating part of the power tool may result in personal injury.
e. Do not overreach. Keep proper footing and balance at all times. This enables better control of the power tool in unexpected situations.
f. Dress properly. Do not wear loose clothing or jewellery. Keep your hair, clothing and gloves away from moving parts. Loose clothes, jewellery or long hair can be caught in moving parts.
g. If devices are provided for the connection of dust extraction and collection facilities, ensure these are connected and properly used. Use of dust collection can reduce dust-related hazards.
h. Do not let familiarity gained from frequent use of tools allow you to become complacent and ignore tool safety principles. A careless action can cause severe injury within a fraction of a second. - Power tool use and care
a. Do not force the power tool. Use the correct power tool for your application. The correct power tool will do the job better and safer at the rate for which it was designed.
b. Do not use the power tool if the switch does not turn it on and off. Any power tool that cannot be controlled with the switch is dangerous and must be repaired.
c. Disconnect the plug from the power source and/or the battery pack from the power tool before making any adjustments, changing accessories, or storing power tools. Such preventive safety measures reduce the risk of starting the power tool accidentally.
d. Store idle power tools out of the reach of children and do not allow persons unfamiliar with the power tool or these instructions to operate the power tool. Power tools are dangerous in the hands of untrained users.
e. Maintain power tools. Check for misalignment or binding of moving parts, breakage of parts and any other condition that may affect the power tool’s operation. If damaged, have the power tool repaired before use. Many accidents are caused by poorly maintained power tools.
f. Keep cutting tools sharp and clean. Properly maintained cutting tools with sharp cutting edges are less likely to bind and are easier to control.
g. Use the power tool, accessories and tool bits etc. in accordance with these instructions, taking into account the working conditions and the work to be performed. Use of the power tool for operations different from those intended could result in a hazardous situation.
h. Keep handles and grasping surfaces dry, clean and free from oil and grease. Slippery handles and grasping surfaces do not allow for safe handling and control of the tool in unexpected situations. - Service
a. Have your power tool serviced by a qualified repair person using only identical replacement parts. This will ensure that the safety of the power tool is maintained.
WELDER SAFETY WARNINGS
WARNING! The appliance is not to be used by persons (including children) with reduced physical, sensory or mental capabilities, or lack of experience and knowledge unless they have been given supervision or instruction.
Young children should be supervised to ensure that they do not play with the appliance.
Before connecting a tool to a power source (mains switch power point receptacle, outlet, etc.) be sure that the voltage supply is the same as that specified on the nameplate of the tool. A power source with a voltage greater than that specified for the tool can result in serious injury to the user, as well as damage to the tool. If in doubt, do not plug in the tool. Using a power source with a voltage less than the nameplate rating is harmful to the motor.
- Under no circumstances should the housing of the welder be opened.
- Never attempt to repair or modify the welder.
- Screen off the work place to protect others working nearby from UV rays.
- Do not use the welder in damp or wet conditions.
- Do not use the welder for pipe thawing.
- Do not use cables with worn insulation or loose connections.
- Disconnect from the power supply before replacing electrodes.
- Avoid direct contact with the welding circuit.
- Never pull on the welding leads or the power cord to move the welder.
- Ensure the welding materials are securely clamped down/fastened before welding.
- Always place electrode holder and clamp on flat stable surface when not in use.
- Never put the electrode holder and the electrode down until the welder is switched off.
- Store all spare electrodes in a safe place, away from the welding area.
- Welding materials with contaminated surfaces may generate toxic fumes. Ensure the surface is clean before welding. Avoid operating on materials cleaned with chlorinated solvents or near such solvents.
- Do not weld metal equipment that holds/contains flammable materials, gases or liquid combustibles.
- Zinc-plated or galvanized material should not be welded as the fumes created are highly toxic.
- Do not weld painted / oiled materials. Ensure all welding surfaces are stripped / cleaned down to the bare metal.
- Always check the welding material before welding to see if it the material is compatible with arc welding.
- Do not use the welder near food or food preparation areas.
- Do not weld cadmium plated steel. Always check the welding material for control measure before welding
- Use only one welder to weld at all times.
- Only connect the welding machine to an earthed electric network.
- Never touch live parts or the welding rod with wet hands/gloves/clothing.
- Ensure there is a level of insulation (welding mats) between yourself and the ground as well as the workpiece when welding.
- Ensure cables or welding electrode holder are not squashed by heavy objects and that they are not exposed to sharp edges or a hot work piece.
- Turn off the welder when it is not in use.
Important Information about Radio Electromagnetic Compatibility
- Extra precautions for Electromagnetic Compatibility may be required when this Welding Power Source is used in a domestic situation.
- It is the user’s responsibility to install and use the equipment properly in accordance with the instructions issued by the manufacturer. If electromagnetic disturbances are detected then it shall be the responsibility of the user of the equipment to resolve the situation with the following guidelines.
Precautions to consider in the surrounding area that may cause/be affected by electromagnetic disturbances
- Other supply cables or signal cables in close proximity to the welding equipment;
- Radio and television transmitters and receivers;
- Computer or electronic equipment;
- Personal medical devices (pacemakers and hearing aids).
Methods of reducing electromagnetic disturbances
- If interference occurs when the equipment is connected to the mains power supply in a residential (domestic) low voltage power network, an electromagnetic filter may be required.
- The Welding cables should not be modified and kept as short as possible.
- Nearby cables and equipment may need to be moved or shielded.
Fumes
- Toxic gases are given off during the ARC welding process, which may collect in the welding area if the ventilation is poor. Be alert at all times to the possibility of fume build-up.
- Provide adequate ventilation or a means for removal of the welding fumes produced (forced circulation using a blower or fan).In small or confined areas use a fume extractor.
Glare
- The electric arc generated by the arc process gives direct heat and ultraviolet radiation. It is essential that the eyes of the operator and bystanders are protected from the glare during welding.
- ALWAYS USE A FACESHIELD OR WELDING HELMET FITTED WITH THE CORRECT GLASS FILTER.
Position and Handling
- Position the welding machine on a horizontal surface that is able to support the weight: otherwise (e.g. inclined or uneven floors etc.) there is danger of overturning.
- The welder MUST NOT be supported by the operator (e.g using belts).
The operator MUST NOT BE ALLOWED to weld in raised positions unless safety platforms are used. - Do not weld materials in overhead positions.
Heat
- It is desirable that welding gloves are worn whilst welding. They will protect the hands from ultra-violet radiation and direct heat of the arc.
Dress
- In addition to face shield, welding gloves and overalls, other types of protective clothing should be worn when welding. Additional protective clothing such as a leather apron, sock protectors and a hat will all assist in reducing any injuries due to heat, sparks and slag produced during welding.
- OVERALLS should also be worn. They should be of type designed to be buttoned at the wrists and the neck.
- Avoid exposing skin as UV rays are produced by the arc.
Spatter and fire
- Welding spark may cause accidental fire, please make sure that there is no welding working position nearby the welding working position, equip with the fire extinguisher all around.
- Welding is always classified as hot work, so pay attention to fire safety regulations during welding and after it.
- Remember that fire can break out from sparks even several hours after the welding work is completed.
- Protect the environment from welding splatter. Remove flammable materials, such as flammable fluids, from the welding vicinity and supply the welding site with adequate fire fighting equipment.
- In special welding jobs, be prepared for hazards such as fire or explosion when welding container type work pieces.
- Never direct the spark spray or cutting spray of a grinder toward the welding machine or flammable materials.
- Beware of hot objects or splatter falling on the machine when working above the machine.
- Welding in flammable or explosive sites is absolutely forbidden.
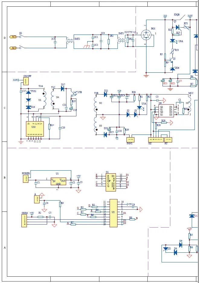
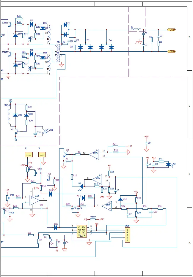
CIRCUIT DIAGRAM


MAINTENANCE
WARNING! BEFORE CLEANING THE APPLIANCE OR CARRYING OUT ANY MAINTENANCE PROCEDURE, MAKE SURE THAT IT IS DISCONNECTED FROM THE POWER SUPPLY TO PREVENT ACCIDENTAL STARTING.
Cleaning
- We recommend that you clean the appliance immediately after you use it.
- Keep the safety devices free of dirt and dust as much as possible. Wipe the equipment with a clean cloth.
- Clean the appliance regularly with a damp cloth and some soft soap. Do not use cleaning agents or solvents; these may be aggressive to the plastic parts in the appliance. Ensure that no water can get into the interior of the appliance.
Storage
Pull the mains plug out of the socket, switch off the tool and make sure that it is secured in such a way that it cannot be started up again by any unauthorized person.
Store the tool in a dry location which is not accessible to unauthorized persons.
Supply Cords
If replacement of the supply cord is necessary, this has to be done by a certified electrician in order to avoid a safety hazard.
Note: Ozito Industries will not be responsible for any damage or injuries caused by the repair of the tool by an unauthorized person or by the mishandling of the tool.

































