LINCOLN ELECTRIC Invertec 275S Welding Inverters User Manual
Spare Parts
| ASSEMBLY PAGE NAME | Machine Assembly | Front Items | Inside Machine Items | Rear Items | ||||
| CODE NO.: | K NO.: | FIGURE NO.: | A | B | C | D | ||
| 50535 | K14242-1 | INVERTEC 275S | 1 | 1 | 1 | 1 | ||
Figure A: Machine Assembly

| Item | Description | Part Number | QTY | 1 | 2 | 3 | 4 | 5 | 6 | 7 |
| 1 | SIDES PANEL | T-8040-134-1R | 1 | X | ||||||
| LE LOGO | 2 | |||||||||
| INVERTEC STICKERS | 2 | |||||||||
| SIDE PANEL | 2 | |||||||||
| 2 | FRONT | T-8040-154-1R | 1 | X | ||||||
| FOOT RIGHT | 1 | |||||||||
| FOOT LEFT | 1 | |||||||||
| CORNER FRONT RIGHT | 1 | |||||||||
| CORNER FRONT LEFT | 1 | |||||||||
| PLASTIC FRAME | 1 | |||||||||
| RED CAP | 1 | |||||||||
| FRONT POLYCARBONATE | 1 | |||||||||
| FRONT PANEL | 1 | |||||||||
| METAL LOUVERS | 2 | |||||||||
| 3 | REAR | T-8040-136-1R | 1 | X | ||||||
| CORNER REAR LEFT | 1 | |||||||||
| CORNER REAR RIGHT | 1 | |||||||||
| PLASTIC FRAME | 1 | |||||||||
| RED CAP | 1 | |||||||||
| BACK PANEL | 1 | |||||||||
| BACK LOUVERS | 1 | |||||||||
| FOOT RIGHT | 1 | |||||||||
| FOOT LEFT | 1 | |||||||||
| CRUTCH | 2 | |||||||||
| 4 | BASE, PARTITION | T-8040-137-1R | 1 | X | ||||||
| BOTTOM ASSEMBLY | 1 | |||||||||
| TRANSFORMER BRACKET | 1 | |||||||||
| FOAM | 0,64 | |||||||||
| INVERTER BRACKET | 1 | |||||||||
| BRIDGE BRACKET | 1 | |||||||||
| RIGHT LEG ASSEMBLY | 1 | |||||||||
| COOLER PLUG PATCH | 1 | |||||||||
| LEFT LEG ASSEMBLY | 1 | |||||||||
| CRUTCH | 2 | |||||||||
| 5 | COVER | T-8040-138-1R | 1 | X | ||||||
| STICKER CAUTION | 1 | |||||||||
| ROOF ASSEMBLY | 1 | |||||||||
| ROOF BRACKET | 1 | |||||||||
| 6 | MAIN INPUT CORD | R-5241-245-1R | 1 | X | ||||||
| 7 | HANDLE | W92X0228-4R | 1 | X |
Figure B: Front items

| Item | Description | Part Number | QTY | 1 | 2 | 3 | 4 | 5 | 6 | 7 |
| 8 | SCREEN & BOARDS | T-8040-160-1R | 1 | X | ||||||
| TFT DISPLAY | 1 | |||||||||
| SCREEN BRACKET | 1 | |||||||||
| TFT FRONT PANEL BOARD | 1 | |||||||||
| SoM BOARD | 1 | |||||||||
| SCREW M3x10 | 6 | |||||||||
| WASHER M3 SPRING LOCK | 2 | |||||||||
| DISPLAY FOAM | 1 | |||||||||
| 8a | KNOB | 9SM22778-2 | 1 | X | ||||||
| 8b | USB CAP | R-0010-804-1R | 1 | X | ||||||
| 8c | BUTTON COVER | 9SS23055 | 2 | X | ||||||
| 9 | POWER PLUG | W7690350R | 2 | X | ||||||
| 10 | REMOTE CONTROL SOCKET + HARNESS | R-5241-247-1R | 1 | X | ||||||
| 13 | SOCKET COVER | 1158-641-128R | 1 | X |
Figure C: Inside Machine Items

| Item | Description | Part Number | QTY | 1 | 2 | 3 | 4 | 5 | 6 | 7 |
| 14 | FANS EQUIPEMENT | T-8040-140-1R | 1 | X | ||||||
| FANS BRACKET | 1 | |||||||||
| FANS | 1 | |||||||||
| 15 | PRELOAD BOARD | R-6042-108-1R | 1 | X | ||||||
| 15a | RECTIFIER BRIDGE | 90002327PR | 1 | X | ||||||
| 17 | CHOKE | R-0010-802-1R | 1 | X | ||||||
| 18 | TRANSFORMER | T-8040-141-1R | 1 | X | ||||||
| TRANSFORMER | 1 | |||||||||
| FERRITE | 2 | |||||||||
| TIE | 2 | |||||||||
| 19 | 300A CURRENT SENSOR | 1157-769-157R | 1 | X | ||||||
| 20 | PRIMARY CURRENT SENSOR | R-8240-042-1R | 1 | X | ||||||
| 21 | COMMAND BOARD | R-6042-105-1R | 1 | X | ||||||
| 22 | SECONDARY FILTER BOARD | R-6042-110-1R | 1 | X | ||||||
| 23 | AUXILARY BOARD | R-6042-107-1R | 1 | X | ||||||
| 24 | EMC BOARD | R-6042-104-1R | 1 | X | ||||||
| 25 | INVERTER | R-6042-101-1R | 1 | X |
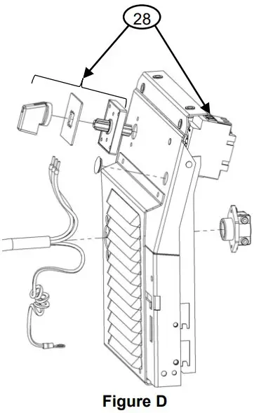
Figure D: Rear items

| Item | Description | Part Number | QTY | 1 | 2 | 3 | 4 | 5 | 6 | 7 |
| 28 | SWITCH | 1115-260-225R | 1 | X |
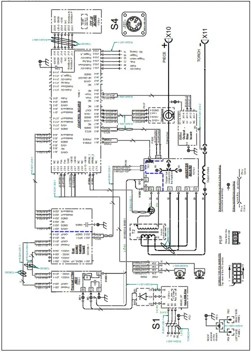
Electrical Schematic
CODE: 50535
Lincoln Electric Bester Sp. z o.o.
ul. Jana III Sobieskiego 19A, 58-260 Bielawa, Poland www.lincolnelectric.eu


















