SCA 140 AMP Inverter ARC Welding Machine Instruction Manual
PRODUCT DESCRIPTION
Portable CARi-ARC series DC Inverter Arc Welder is designed to be used with the advanced IGBT (Insulated Gate Bipolar Tube) and rapid recovery diode as its main control and transfer components and assisted with the specially developed control circuit, it has uniformly regulated welding current which enable the welding power source to achieve the adaptability to the excellent welding procedures. It largely enhanced the welder’s protection abilities to ensure safety welding operation. It is quite popular in welding the materials like low-carbon steel, stainless steel, highintension steel, alloy steel and cast iron.
The highlighted characteristics of Portable CARi-ARC series DC Inverter Arc Welder:
- Featured with small volume and light weight, it widely used in upholstering field, repairing field and fieldwork;
- Excellent arc-piloting feature and melt & drip transition feature;
- Applicable in downward welding in the vertical position and the long arc spray transfer welding by way of cellulose electrode;
- By various sound protection performance, it can keep the welding machine from overheating, over current and so on. When the main supply compensation is not less than ±15%, it can increase while the welding current reduces. Because of its anti jamming high performance, the control system can respond to the power source, work piece, electrode and operational changes with less than 1m/s speed in order to keep steady output of the current;
- Its unique electric arc performances may satisfy the need of different welding
procedures; - Easy connection. To conduct external connection, CARi-ARC series use all the connectors, which can facilitate quick and safe connection with simple but reliable performance. No notification will be given if the manual’s content or welder’s function change
WARNING
To avoid personal injury and/ or property damage, please read and follow ALL of these instructions before assembling and operating this welder.
This manual will assist you in the safest and most affective way to operate this welder.
SAFETY OPERATION
Operator’s Self Protection
- Please always follow the rules that conform to safety and hygiene. Wear protective
garments to avoid injuries to eyes and skins. - Use the welding helmet to cover your head while working with the welding machine.
- Only by viewing through the filter lens on the welding helmet can you watch your
operation. - Under no circumstance can you allow any part of your body to touch the welder’s
output bipolarity (the handle of electrode holder and work piece.).
Attention - Portable CARi-ARC series DC Inverter Arc Welder is electronic products whose spare parts are very tender, do not change or adjust with a rush otherwise the switch will be damaged;
- Check the connection to see if it is well connected, whether the earth (ground)N connection is reliable, etc;
- Fumes and gases produced when welding are hazardous to health. Make sure
to work in places where there are exhaust or ventilation facilities to keep fumes or emissions away from the breathing zone; - Please remember to keep arc rays away from the other nearby people when welding. This is only due to the interference from arc rays;
- Never allow anybody else other than the operator himself to dislocate or modulate the welding machine;
- Never allow the people with the cardiac pacemaker or any other things which are susceptible to the electromagnetism to get close to the welding machine, which has interference with the pacemaker’s normal function;
- The welder can not be used for defrosting ice from pipes;
- Never allow use the welder over the rated duty cycle.
Safety Measures to Be Taken to Assure the Correct Installation and Position
- Careful precaution must be taken to keep the operator and the machine from the foreign materials falling from up above.
- The dust, acid and erosible dirt in the air at the job site can not exceed the amount required by the norm (excluding the emission from the welder).
- The welder must be installed in the place where it can not be exposed to sun, rain and snow. Also it must be stored in less humid place with the temperature range at -10~40˚C.
- There should be 50 cm space about for the welding machine to have good ventilation.
- Make sure that there is no metal-like foreign body to enter the welding machine.
- No violent vibration in the welder’s surrounding area.
- Make sure that there is no interference with the surrounding area at the installation site.
- Make sure whether there is enough power supply to make the welding machine work properly. Any power source required to access the welder must be installed with some protective equipments.
- The welder should be installed on the horizontal surface and if it over 10°, there should be added some anti-dump set.
Safety Check
Each item listed below must be carefully checked before operation:
- Make sure that the welding machine has reliable earth wire connection;
- Make sure that there is no short circuit connection with welder’s both outputs;
- Make sure that there is always sound output and input wire connection instead of exposing it outside. Regular check needs to be conducted by the qualified personnel after the welder has been installed over a period of six months, which involves as follows:
- Routine cleaning needs to be done to make sure that there is no such abnormal condition as loose connection happening in the welding machine.
- The external parts installed with the welder must guarantee that the welder works properly.
- Check the welding cable to see if it can continue to be used before it is worn out.
- Replace the welder’s input cable as soon as it is found to be broken or damaged.
WARNING: Please shut off the power before you open the welder cover
for checking.
TECHNICAL SPECIFICATION
Environment to which the product is subject
- The surrounding temperature range:
When welding: -10~+40˚C During transport or in storage: -25~+55˚C - Relative humidity: when at 40˚C: ≤50%, when at 20˚C: ≤90%.
- The dust, acid and erosible materials in the air can not exceed the amount requiredby the norm (apart from the emissions from the welder). No violent vibration at the job site.
- Altitude no more than 1,000m.
- There should be 50 cm space about for the welding machine to have good ventilation.
- Keep from raining when it is used outdoors.
- Please at a distance of 300mm or more from walls or similar that could restrict natural air flow for cooling.
- The wind speed for all of the location should less then 1m/s; The Requirement for Main Supply
- The voltage oscillogram should display actual sine wave, the oscillation of the frequency should not exceed ± 1% of the rated value.
- The oscillation of the supplied voltage should not exceed ±15% of the rated value.
The Welder’s Principle

The Welder Structures
Portable CARi-ARC series use the movable carton like structures: The upper part
in the front is equipped with a welding current regulation knob, power indicator light (green), abnormal indicator light (yellow), while the lower part is furnished with the current output “+” quick connector and “-” quick connector. The back side is installed with a power switch, cooling fan, power source lead-in wire. On the top there is a strap for the convenient of easy transport. When you open the cover, there is one primary transformer, one piece of printed circuit board. The bottom part is supplied with output reactor, primary transformer and etc. Installed in the middle part is a radiator with power elements.
The Welder Type Coding
- Irregular Coding:
Combination of the English letters and the Arabic numerals. Implication of Coding:
MAIN TECHNICAL DATA
ITEM | CARi-ARC-140 | |
| Rated Input Voltage | V | 240 |
| Electrical Source Fre- quency | HZ | 50 |
| Rated Input Current | A | 23 |
| Rated Input Capacity | KVA | 5.52 |
| No-load Voltage | V | 78 |
| Rated Working Voltage | V | 25.6 |
| Current Regulation Range | A | 20~140 |
| Electrode diameter | Φ | 2.5mm |
| Rated Welding Current | I2 | 140A |
| Rated Duty Cycle | % | 20% |
| Efficiency | η | 85% |
| Power Factor | CosΦ | 0.92 |
| Insulation Grade | H | |
| Case Protection Grade | IP21S | |
| Cooling Type | Fan Cool | |
| Case Size | cm | 30x12x24 |
| Net Weight | kg | 4.7 |
The Norm that the Welder Applies
Portable CARi-ARC series DC Inverter Arc Welder conforms with the following
standard to perform
AS 60974-6: 2006
Sign & Pictures Illustration
Ground
Single phases AC power source
Single phase stillness transducer transformer—rectifier
DC current
To identify a welding power sourse suitable for welding in an environment with increased hazard of electric shock.
- +: “+“ electrode
- -: “-“electrode
- I1max…A: Maximum Rated Input Current
- I1eff…A: Maximum virtual value input current
- Φ: Electrode diameter
- X:Duty Cycle
- I2: Rated Welding Current
- U0: Rated Open Circuit Voltage
- U1:Rated Input Voltage
- U2: Rated Load V
- ~50/60Hz: AC, Rated frequency 50 Hz, workable frequency 60 Hz.
- …V: Voltage (V)
- …A: Current (A)
- …%: Percentage
- ..A/…V~…A/…V: Output range. Rated minimum and rated maximum welding current and related load voltage.
IP21S: Case protection class. IP is the code of International Protection. 2 mean preventing user’s finger from the dangerous parts; preventing the solid material with the diameter no less than 12.5 mm into the box. 1 means preventing water dropping
vertically which is harmless. S means water proof test is conducting while the movable parts are standstill.
H: H insulation grade.
Notice: The temperature rise test of the welding power source had been carried out in the room temperature. The rated duty cycle of 40˚C is obtained by simulating.
WELDER’S PLACEMENT

Welder’s Connection Sketch Map
- The dust, acid and erosible dirt in the air at the job site can not exceed the amount required by the norm.
- The welder must be installed in the place where it can not be exposed to sun and rain. Also it must be stored in less humid place with the temperature range at -10~40°C.
- There should be 50 cm space about for the welding machine to have good ventilation.
- Apparatus to exclude wind and smoke should be equipped if the inside aeration is not sound.
Connection between Welder and Power Source (See the Input Connection Sketch) Connect the power source cable at the back board of the welder into the single phase 220~240 voltage power network with breaker; 380 voltage power sources is strictly
prohibited to the welder which will severely damage the welder, otherwise the user should take the consequences for it. Power supply cable is 2m length with 10A plug. Insert plug on socket and turn on main switch.
- Lift the welder by handle.
DO NOT LIFT IT BY PULLING POWER CORD OR THE CABLE OF EARTH CLAMP AND
ELECTRODE HOLDER.
Notice: Power network earth connection is not power network connection zero.
Input Connection Sketch
Power supply configure of a welder
| Item | CARi-ARC-140 |
| Circuit breaker(A) | ≥30 |
| Fuse(Rated current(A) | 25 |
| Knife Switch(A) | ≥30 |
| Power cord(mm2) | ≥1.5 |
Notice: The melting current of the fuse is 1.2~1.5 times of its rated current.
Connection between Welder and Torch (See Output Connection Sketch) Insert the quick connector of the welding cable on the electrode holder into current
output “+” electrode adaptor on the second half of the front panel and then screw down clockwise.

Output Connection Sketch
Connection between Welder and Work Piece (See Output Connection Sketch) Insert the quick connector of earth cable with earth clamp into current output
‘-’ electrode adaptor on the second half of the front panel and then screw down clockwise. The earth clamp is connected with work piece.
Notice: Do not use steel plate or the materials alike which are ill conductor to connect between welder and work piece.
OPERATION (SEE THE FRONT PANEL)
ATTENTION: The protection class of CARi-ARC series DC Inverter Arc Welder is IP21S. It is forbidden to put in a finger or insert a round bar less than 12.5 mm (metal bar in particular) into the welder. No heavy force can be employed on the welder.
- Invert Flash Front Panel Sketch

- Invert Flash Back Panel Sketch

- Power Indicator Light
- Protection Indicator Light
- Handle
- Welding Current Adjustment Knob
- Current Output “-” Electrode Quick Connector Socket
- Current Output “+” Electrode Quick Connector Socket
- On-off Switch
- Power Input Wire
ATTENTION
- The equipment class of CARi-ARC series DC Inverter Arc Welder is class A.The class
A equipment is not intended for use in residential locations where the electrical power is provided by the public low-voltage supply system. - CARi-ARC series DC Inverter Arc Welder adopt the drooping characteristic.
- The ‘protection indicator light’ will be on after a long time operation, it shows that the inner temperature is over the permitted data, then the machine should be stopped using for some time to let it cool down. It can continue using after the ‘protection indicator light’ is off.
- The power source should be switched off after the operation or while temporarily leaving job site.
• Welders should dress canvas work cloth and wear welding mask to prevent the hurt from arc and thermal radiation. - Light separating screen should be put in the job site to prevent the arc will hurt other
people. - Inflammable or explosive materials are prohibited to access the job site.
- Each connection of the welder should be connected correctly and creditably
Basic Welding Procedure
a) Connecting the power source switch, Power Indicator Light bright;
b) Regulate the welding current potentiometer to reach the value for welding;
c) Take-up the torch hand, aim at the welding seam, use the stick contact with the work piece and then the electric arc was ignited, i.e. you can effect the arc welding at the same time the Welding Indicator Light bright.
Replacement of Electrode
Only when the electrode burns up to 1~2 cm away from the electrode holder does it become necessary to replace it with a new one in order to proceed with welding.
REMARKS:
- Electrode burns at high temperature. Please do not use hand to replace it. The replaced electrode end should be placed in a metal container;
- Do not use the electrode holder to clamp the electrode coating;
- While ignite the electric arc, you should scrap lightly, or it may adhere to the stick; Removal of Slag When the welding job is finished, please use the special slag hammer to knock off the slag on the surface of welding rail.
REMARKS:
- Only until the slag cools off and becomes hardened can the removal work starts.
- To avoid the slag injuring people, never point at the nearby people when you remove
slag.
TROUBLESHOOTING
| No. | Breakdown | Analysis | Solutions |
| 1 | Yellow Indicator is on | Voltage is too low (≤15%) | Switch off power source; Check the main supply; Restart welder when power recovers to normal state. |
| Bad power ventilation lead to over-heat protection | Improve the ventilation condition. | ||
| Circumstance temperature is too high | It will automatically recover when the temperature low down. | ||
| Using over the rated duty-cycle | It will automatically recover when the temperature low down. | ||
| 2 | The adjustment knob on the front panel didn’t work | Potentiometer broken (current regulation) | Replace the potentiometer. |
| 3 | Cooling Fan not working or turning very slowly | Switch broken | Replace the switch |
| Fan broken | Replace or repair the fan | ||
| Wire broken or falling off | Check the connection | ||
| 4 | No no-load voltage | Over voltage, under voltage or scarcity of phase | See No. 1 |
| Welder getting overheated | See No. 1 | ||
| Switch broken | Replace the switch | ||
| 5 | Electrode Holder and Cable getting hot;“+” “-” polar sockets becoming hot | Electrode Holder’s capacity is too small; | Replace it with a bigger capacity one |
| Cable is of small size | Replace it with another one in conformity with the requirement | ||
| Socket loosen | Remove the oxide skin and tighten it | ||
| Bigger resistance between the electrode holder and the cable | |||
| 6 | Power source tripping | Resume power over a long period of time ( more than two days ) | Not failure. Trip caused by the main power filter’s capacity charging. Switch on the main power source. |
| In the process of welding | |||
| 7 | Others | Contact us |
LIST OF COMPONENT PARTS
| No. | Code | Name | Type & Specifica- tion | QTY | Circuit Code | REMARKS |
| 1 | PR | Potentiometer Knob | 1 | |||
| 2 | W | Potentiometer | 10K | 1 | ||
| 3 | LED | Light-Emitting Diode | 5D Green | 1 | LED1 | |
| 4 | LED | Light-Emitting Diode | 5D Red | 1 | LED2 | |
| 5 | BR | 1-phase Rectifier Bridge | 1 | B1 | ||
| 6 | SW | Wave Switch | 1 | SW1 | ||
| 7 | XS | Output Quick Con- nector | 10-25 | 2 | XS1 XS2 | |
| 8 | FAN | Axle-shaped Fan | 92*92*25 12V DC | 1 | FAN1 | |
| 9 | T | Control Transformer | 1 | T2 | ||
| 10 | T | Medium Frequency Transformer | Self-made | 1 | T1 | |
| 11 | L | Output Reactor | Self-made | 1 | L1 | |
| 12 | PCB | Printed Circuit Panel | MINI- PWM | 1 | with all accessories | |
| 13 | PCB | Printed Circuit Panel | CARiARC-S | 1 | with all accessories |

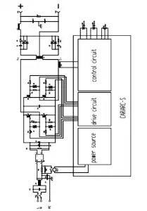
The Circuit Chart
COMPLETE SET SPECIFICATION
- CARi-ARC -XXX DC Inverter Arc Welder 1set
- Operator’s Manual 1
Accessories - Welding Cable (fixed with Electrode Holder) 1(0.6kg)
- Earth cable (fixed with earth clamps) 1(0.69kg)
Remarks:
a) No guarantee has been made yet to get the welding accessories repaired at any time
because of its breakable attribute.
b) If there is any stipulation in the contract, then base on the contract.
TRANSPORT & STORAGE
The welder comes under the category of indoor equipment. The tolerable temperature for both transport and storage ranges from -25 to +55˚C, and the storage environment should be dry. To keep the machine from the humidity, it is recommended to free it from moisture and dust before it is kept in the plastic bag.
Users are suggested to keep carton and shock-proof stuff for the future possible transport. In line-haul, please prepare another wood carton which is labeled “Keep it from rain”, “Handle with care”, and “Precision Instrument etc.”



















