Megastick DC Welding Inverter
User Manual
Megastick
(+90) 444 93 53
magmaweld.com
[email protected]
(+90) 538 927 12 62
Customer Service (+90) 444 93 53
E-Mail : [email protected]
Organize 5. Kısım 45030 Manisa
All rights reserved. It is prohibited to reproduce this documentation or any part thereof, without the prior written authorization of Magma Mekatronik Makine Sanayi ve Ticaret A.Ş. Magma Mekatronik may modify the information and the images without any prior notice.
SAFETY P3RECAUTIONS
Be Sure To Follow All Safety Rules In This Manual!
![]()
Explanation Of Safety Information
- Safety symbols found in the manual are used to identify potential hazards.
- When any one of the safety symbols is seen in this manual, it must be understood that there is a risk of injury and the following instructions should be read carefully to avoid potential hazards.
- The possessor of the machine is responsible for preventing unauthorized persons from accessing the equipment.
- Persons using the machine must be experienced or fully trained in welding; they have to read the user manual before operation and follow the safety instructions.
Explanation Of Safety Symbols
ATTENTION
Indicates a potentially hazardous situation that could cause injury or damage. In case if no precaution is taken, it may cause injuries or material losses/damages.
IMPORTANT
Specifies notifications and alerts on how to operate the machine.
DANGER
Indicates a serious danger. In case if not avoided, severe or fatal injuries may occur.
Comprehending Safety Precautions
- Read the user manual, the label on the machine, and the safety instructions carefully.
- Make sure that the warning labels on the machine are in good condition. Replace missing and damaged labels.
- Learn how to operate the machine, and how to make the checks in a correct manner.
- Use your machine in suitable working environments.
- Improper changes made in your machine will negatively affect the safe operation and its longevity.
- The manufacturer is not responsible for the consequences resulting from the operation of the device beyond the specified conditions.
Electric Shocks
May Kill
Make certain that the installation procedures comply with national electrical standards and other relevant regulations, and ensure that the machine is installed by authorized persons.
| • Wear dry and sturdy insulated gloves and a working apron. Never use wet or damaged gloves and working aprons. • Do not work alone. In case of danger make sure you have someone for help in your working environment. • Do not touch the electrode with the bare hand. Do not allow the electrode holder or electrode to come in contact with any other person or any grounded object. • Never touch parts that carry electricity. • Never touch the electrode if you are in contact with the electrode attached to the work surface, floor or another machine. • By isolating yourself from the work surface and the floor, you can protect yourself from possible electric shocks. Use a non-flammable, electrically insulating, dry and undamaged insulation material that is large enough to cut off the operator’s contact with the work surface. • Do not connect more than one electrode to the electrode holder. • Clamp work cable with good metal-to-metal contact to workpiece or worktable as near the weld as practical. • Do not touch electrode holders connected to two welding machines at the same time since the double open-circuit voltage will be present.
|
Procedures for Electric Shock![]()
- Turn off the electric power.
- Use non-conducting material, such as dry wood, to free the victim from contact with live parts or wires.
- Call for emergency services.
If you have first aid training;
- If the victim is not breathing, Administer cardiopulmonary resuscitation (CPR) immediately after breaking contact with the electrical source. Continue CPR (cardiac massage) until breathing starts or until help arrives.
- Where an automatic electronic defibrillator (AED) is available, use it according to instructions.
- Treat an electrical burn as a thermal burn by applying sterile, cold (iced) compresses. Prevent contamination, and cover with a clean, dry dressing.
Moving Parts May
Cause Injuries![]()
- Keep away from the moving parts.
- Keep all protective devices such as covers, panels, flaps, etc., of machinery and equipment closed and in the locked position.
- Wear metal toe shoes against the possibility of heavy objects falling onto your feet.
Fumes and Gases
May Be Harmful To Your Health
Long-term inhalation of fumes and gases released from welding and cutting is very dangerous.
| • Burning sensations and irritations in the eyes, nose, and throat are signs of inadequate ventilation. In such a case, immediately boost the ventilation of the work area, and if the problem persists, stop the welding process completely. • Create a natural or artificial ventilation system in the work area. • Use a suitable fume extraction system where welding and cutting works are being carried out. If necessary, install a system that can expel fumes and gases accumulated in the entire workshop. Use a suitable filtration system to avoid polluting the environment during discharge. • If you are working in narrow and confined spaces or if you are welding lead, beryllium, cadmium, zinc, coated or painted materials, use masks that provide fresh air in addition to the above precautions. • If the gas tanks are grouped in a separate zone, ensure that they are well ventilated, keep the main valves closed when gas cylinders are not in use, pay attention to possible gas leaks. • Shielding gases such as argon are denser than air and can be inhaled instead of air if used in confined spaces. This is dangerous for your health as well. • Do not perform welding operations in the presence of chlorinated hydrocarbon vapors released during lubrication or painting operations. |
ArcLight May Damage Your Eyes and Skin![]()
- Use a suitable protective mask and glass filter (4 to 13 according to EN 379) suitable for that to protect your eyes and face.
- Protect other naked parts of your body (arms, neck, ears, etc.) with suitable protective clothing from these rays.
- Enclose your work area with flame-resistant folding screens and hang warning signs at eye level so that people around you will not sustain injuries from arc rays and hot metals.
- This machine is not used for heating of icebound pipes. This operation performed with the welding machine causes an explosion, fire or damage to your installation.
Sparks and Spattering Particles May Get Into Eyes and Cause Damage![]()
- Performing works such as welding, surface grinding, and brushing cause sparks and metal particles to splatter. Wear approved protective work goggles which have edge guards under the welding masks to prevent sustaining possible injuries
Hot Parts May Cause
Severe Burns![]()
- Do not touch the hot parts with bare hands.
- Wait until the time required for the machine to cool down before working on its parts.
- If you need to hold hot parts, use suitable tools, welding gloves with high-level thermal insulation and fire-resistant clothes.
Noise May Cause
Damage To Your Hearing Ability
![]()
- The noise generated by some equipment and operations may damage your hearing ability.
- Wear approved personal ear protective equipment if the noise level is high.
Welding Wires Can Cause Injuries![]()
- Do not point the torch towards any part of the body, other persons, or any metal while unwrapping the welding wire.
- When welding wire is run manually from the roller, especially in thin diameters the wire can slip out of your hand, like a spring or can cause damage to you or other people around, therefore you must protect your eyes and face while working on this.
Welding Operations
May Cause Fire and Explosion
- Never perform welding work in places near flammable materials. There may be fire or explosions.
- Before starting the welding work, remove these materials from the environment or cover them with protective covers to prevent combustions and flaring.
- National and international special rules apply in these areas.
| • Do not apply welding or cutting operations into completely closed tanks or pipes. • Before welding to tanks and closed containers, open them, completely empty them, and clean them. Pay the greatest attention possible to the welding operations you will perform in such places. • Do not weld in tanks and pipes which might have previously contained substances that may cause explosions, fires or other reactions. • Welding equipment heats up. For this reason, do not place it on surfaces that could easily burn or be damaged! |
| • Welding sparks can cause a fire. For this reason, keep materials such as fire extinguishers tubes, water, and sand in easily accessible places. • Use holding valves, gas regulators, and valves on flammable, explosive and compressed gas circuits. Make sure that they are periodically inspected and pay attention that they run reliably. |
Maintenance Work
Performed by Unauthorized
Persons To Machines and Apparatus May Cause Injuries![]()
![]()
![]()
- Electrical equipment should not be repaired by unauthorized persons. Errors that occurred if failed to do so may result in serious injury or death when using the equipment.
- The gas circuit elements operate under pressure; explosions may occur as a result of services provided by unauthorized persons, and users may sustain serious injuries.
- It is recommended to perform technical maintenance of the machine and its auxiliary units at least once a year.
Welding In Small Sized and Confined Spaces
![]()
- In small-sized and confined spaces, absolutely make sure to perform welding and cutting operations, accompanied by another person.
- Avoid performing welding and cutting operations in such enclosed areas as much as possible.
Failure To Take
Precautions During
Transport May Cause
Accidents
![]()
- Take all necessary precautions when moving the machine. The areas where the machine is to be transported, the parts to be used in transportation and the physical conditions and health of the person carrying out the transportation works should be suitable for the transportation process.
- Some machines are extremely heavy; therefore, make sure that the necessary environmental safety measures are taken when changing their places.
- If the welding machine is to be used on a platform, it must be checked that this platform has suitable load-bearing limits.
- If it is to be transported by means of a haulage vehicle (transport trolley, forklift, etc.), make sure of the durableness of the vehicle, and the connection points (carrying suspenders, straps, bolts, nuts, wheels, etc.) that connect the machine to this vehicle.
- If the machine will be carried manually, make sure the durability of the machine apparatuses (carrying suspenders, straps, etc.) and connections.
- Observe the International Labor Organization’s rules on carriage weights and the transport regulations in force in your country in order to ensure the necessary transport conditions.
- Always use handles or carrying rings when relocating the power-supply sources.
- Never pull from torches, cables, or hoses. Be absolutely sure to carry gas cylinders separately.
- Remove all interconnections before transporting the welding and cutting equipment, each being separate, lift and transport small ones using their handles, and the big ones from their handling rings or by using appropriate haulage equipment, such as forklifts.
Falling Parts May Cause Injuries
Improper positioning of the power-supply sources or other equipment can cause serious injury to persons and physical damage to other objects.
![]()
- Place your machine on the floor and platforms with a maximum tilt of 10° so that it does not fall or tip over. Choose places that do not interfere with the flow of materials, where there is no risk of tripping over cables and hoses; yet, large, easily ventilatable, dust-free areas.
- To prevent gas cylinders from tipping over, on machines with a gas platform suitable for the tanks, fix the tanks onto the platform; in stationary usage applications, fix them to the wall with a chain in a way that they would not tip over for sure.
- Allow operators to easily access settings and connections on the machine.
Excessive Use Of The Machine Causes Overheating![]()
- This device is in group 2, class A in EMC tests according to TS EN 55011 standard.
- This class A device is not intended for use in residential areas where electrical power is supplied from a low-voltage power supply. There may be potential difficulties in providing electromagnetic compatibility due to radio frequency interference transmitted and emitted in such places.
This device is not compliant with IEC 61000 -3-12. In case if it is desired to be connected to the low voltage network used in the home, the installer to make the electrical connection or the person who will use the machine must be aware that the machine has been connected in such a manner; in this case the responsibility belongs to the user. - Make sure that the work area complies with electromagnetic compatibility (EMC). Electromagnetic interferences during welding or cutting operations may cause undesired effects on your electronic devices and network, and the effects of these interferences that may occur during these operations are under the responsibility of the user.
- If there is any interference, to ensure compliance; extra measures may be taken, such as the use of short cables, use of shielded (armored) cables, transportation of the welding machine to another location, removal of cables from the affected device, and/or area, use of filters or taking the work area under protection in terms of EMC.
- To avoid possible EMC damage, make sure to perform your welding operations as far away from your sensitive electronic devices as possible (100m).
- Ensure that your welding and/or cutting machine has been installed and situated in its place according to the user manual.
Evaluation Of Electromagnetic
According to article 5.2 of IEC 60974-9;
Suitability Of The Work Area
![]()
Before installing the welding and cutting equipment, the person in charge of the operation and/or the user must conduct an inspection of possible electromagnetic interference in the environment. The aspects indicated below has to be taken into consideration;
a) Other supply cables, control cables, signal and telephone cables, above and below the welding machine and its equipment,
b) Radio and television transmitters and receivers,
c) Computer and other control hardware,
d) Critical safety equipment, e.g. protection of industrial equipment,
e) Medical apparatus for people in the vicinity, e.g. pacemakers and hearing aids,
f) Equipment used for measuring or calibration,
g) Immunity of other equipment in the environment. The user must ensure that the other equipment in use in the environment is compatible. This may require additional protection measures.
h) Considering the time during which the welding operations or other activities take place during the day, the boundaries of the investigation area can be expanded according to the size of the building, the structure of the building, and other activities that are being performed in the building.
In addition to the evaluation of the field, evaluation of device installations may also be necessary for solving the interfering effect.
In case if deemed necessary, on-site measurements can also be used to confirm the efficiency of mitigation measures. (Source: IEC 60974-9).
Electromagnetic Interference
Reduction Methods
![]()
- The appliance must be connected to the electricity supply in the recommended manner by a competent person. If interference occurs, additional measures may be applied, such as filtering the network. The supply of the fixed-mounted arc welding equipment must be made in a metal tube or with an equivalent shielded cable. The housing of the power supply must be connected and good electrical contact between these two structures has to be provided.
- The recommended routine maintenance of the appliance must be carried out. All covers on the body of the machine must be closed and/or locked when the device is in use. Any changes, other than the standard settings without the written approval of the manufacturer, cannot be modified on the appliance. Otherwise, the user is responsible for any consequences that may possibly occur.
- Welding cables should be kept as short as possible. They must move along the floor of the work area, in a side-by-side manner. Welding cables should not be wound in any way.
- A magnetic field is generated on the machine during welding. This may cause the machine to pull metal parts onto itself. To avoid this attraction, make sure that the metal materials are at a safe distance or fixed. The operator must be insulated from all these interconnected metal materials.
- In cases where the workpiece cannot be connected to the ground due to electrical safety, or because of its size and position (for example, in building marine vessel bodies or in steel construction manufacturing), a connection between the workpiece and the grounding may reduce emissions in some cases, it should be kept in mind that grounding of the workpiece may cause users to sustain injuries or other electrical equipment in the environment to break down. In cases where necessary, the workpiece and the grounding connection can be made as a direct connection, but in some countries where a direct connection is not permissible, the connection can be established using appropriate capacity elements in accordance with local regulations and ordinances.
- Screening and shielding of other devices and cables in the work area can prevent aliasing effects. Screening of the entire welding area can be evaluated for some specific applications.
Arc Welding May Cause Electromagnetic Field (EMF)
The electrical current passing through any conductor generates zonal electric and magnetic fields (EMF).
All welders must follow the following procedures to minimize the risk of exposure to EMF from the welding circuit;
- In the name of reducing the magnetic field, the welding cables must be assembled and secured as far as possible with the joining materials (tape, cable ties etc.).
- The welder’s/worker’s body and head should be kept as far away from the welding machine and cables as possible,
- Welding and electric cables should not be wrapped around the body of the machine in any way,
- The body of the machine should not get caught between the welding cables. The source cables must be kept away from the body of the machine, both being placed side by side,
- The return cable must be connected to the workpiece as close as possible to the welded area,
- The welding machine should not rest against the power unit, ensconce on it and not work too close to it,
- Welding work should not be performed when carrying the welding wire supply unit or welding power unit.
EMF may also disrupt the operation of medical implants (materials placed inside the body), such as pacemakers. Protective measures should be taken for people who carry medical implants. For example, access limitations may be imposed for passers-by, or individual risk assessments may be conducted for welders. Risk assessment should be conducted and recommendations should be made by a medical professional for users who carry medical implants.
Protection
![]()
- Do not expose the machine to rain, prevent the machine from splashing water or pressurized steam.
Energy Efficiency
![]()
- Choose the welding method and welding machine for the welding work you are to perform.
- Select the welding current and/or voltage to match the material and thickness you are going to weld.
- If you have to wait for a long time before you start your welding work, turn off the machine after the fan has cooled it down. Our machines (our products) with smart fan control will turn off on their own.
Waste Procedure![]()
- This device is not domestic waste. It must be directed to recycling within the framework of the
European Union directive and national laws. - Obtain information from your dealer and authorized persons about the waste management of your used machines.
TECHNICAL INFORMATION
General Information
GL 451 / GL 600 is a moving magnetic-core type welding machine, designed to weld all type of coated electrodes from 2.0 to 6.0 mm. It has excellent welding performance with cellulosic electrodes and carbon gauging, for GL 451 up to 8.0 mm, for GL 600 up to 10 mm is possible.
The equipment is very easy to use, current adjustment is made by just turning the lever on top of the machine clockwise or counterclockwise and the adjusted value of the current is observed by the scale in front of the machine. Although it is not an electrically efficient machine, due to its very simple concept, its downtime and operation costs are very low.
Since there is no electronics involved, the machine can perform great at dusty, humid, corrosive, very hot, and very cold environments. With its telescopic arms and big wheels, it can be pulled easily across the working area, especially at outdoor welding sites.
The machine is fan-cooled and thermally protected against overheating and phase failures.
Machine Components
- Power Switch
- Welding Cable Sockets (+ and -)
- Current Adjustment Lever
- Current Adjustment Indicator
- Lifting Eye
- Handle
- Wheel
Product Label
Warking Clyde

As defined in the standard EN 60974-1, the operating cycle rate includes a time period of 10 minutes. For example, if a machine specified as 250A at %60 is to be operated at 250A, the machine can weld without interruption in the first 6 minutes of the 10-minute period(zone 1). However, the following 4 minutes should be kept idle for the machine to cool down (zone 2).
Technical Data
| TECHNICAL DATA | UNIT | VALUE |
| Mains Voltage (1 Phaze – 50-60 Hz) | V | 230 |
| Power Drawn from the Mains (%14) | kVA | 9,68 |
| Current Drawn from the Mains (%14) | A | 42,1 |
| Power Factor | VDC | 0,67 |
| Idle Voltage | ADC | 75 |
| Welding Current Setting Range | ADC | 10-200 |
| Rated Welding Current (%14) | 200 | |
| Protection Class | IP23S | |
| Cooling System | Air | |
| Dimensions (LxWxH) | mm | 360x120x200 |
| Weight | kg | 5 |
| Fuse | A1 | 50 |
| Standards And Approval | CE,EN60974-1,EN60974-10 |
Accessories
| STANDARD ACCESSORIES Megastick(For The Boxed Version) | PIECE | PRODUCT CODE |
| Elektrode Clamp and Cable | 1 | 7.91E+09 |
| Grounding Pliers and Cable | 1 | 7.91E+09 |
| Megastick Deluxe (For The Briefcase Version) | PIECE | PRODUCT CODE |
| Electrode Clamp and Cable | 1 | 7.91E+09 |
| Grounding Pliers and Cable | 1 | 7.91E+09 |
| Wire Brush / Hammer | 1 | 8.37E+09 |
| Handheld Mask | 1 | 8.5E+09 |
| Elektrode (Package) | 1 | 11101NAEM1 |
INSTALLATION
Delivery Control
Make sure you have received your order in full. If any material is missing or damaged, contact your place of purchase immediately.
The standard box includes the following;
- The main machine and connected mains cable
- Grounding clamps and cable
- Electrode clamps and cable
- Strap Belt
- Warranty certificate
- User manual
The standard bag version includes:
- The main machine and connected mains cable
- Grounding clamps and cable
- Electrode clamps and cable
- Wire Brush / Hammer
- Welding hand mask
- User manual
- Electrode (1 pack)
- Strap Belt
- Warranty certificate
In the case of damaged delivery, draw up a record, take a picture of the damage and report to the transport company together with a photocopy of the delivery note. If the problem persists, contact customer service.
Symbols and their meanings on the device;
The welding process is dangerous. Proper working conditions should be ensured and necessary precautions should be taken. Specialists are responsible for the machine and have to be equipped with the necessary equipment. Irrelevant persons should be kept away from the welding area.
This device is not compatible with IEC 61000-3-12. If it is desired to connect to the low voltage mains used in homes, it is essential that the installer or the person who will operate the machine to make the electrical connection has information on the machine’s connectivity. In this case, the responsibility will be assumed by the person who will perform the installation or by the operator.
The safety symbols and warning notes on the device and in the operating instructions must be observed and the labels must not be removed.
Grids are intended for ventilation. The openings should not be covered in order to provide good cooling and no foreign objects should be inserted.
Installation And Operation Recommendations
For better performance, place the machine at least 30 cm away from the surrounding objects. Pay attention to overheating, dust, and moisture near the machine. Do not operate the machine under direct sunlight. If the ambient temperature exceeds 40°C, operate the machine at a lower current or a lower operating cycle.
Avoid welding outdoors in windy and rainy weather circumstances. If welding is necessary in such cases, protect the welding area and the welding machine with a curtain and canopy.
If you weld indoors, use a suitable smoke extraction system. Use breathing apparatus if there is a risk of inhaling welding fumes and gas in confined spaces.
Observe the operating cycle rates specified on the product label. Suspending operating cycle rates can damage the machine and this may invalidate the warranty. Use the fuse that is compliant with your system.
Tighten the ground wire as close as possible to the welding area. Do not allow the welding current to pass through equipment other than the welding cables.
If TIG is to be applied with a plug torch, secure the gas cylinder in a way not causing any hazards.
The welding cables and the mains cable must not be wrapped in the machine housing during operation.
2.3 Covered Electrode And TIG Welding Connections
Check the mains voltage before connecting the machine to the mains.
When plugging the power plug into the outlet, make sure that the power switch is set to “0” in the turned-off position.
For covered electrode welding;
- Start the machine with the on / off switch (1) and check to see if the cooling fan is working or not. Insert the welding and grounding cable into the welding and grounding cable sockets (4-6) according to the electrode to be used and poles that are recommended by the manufacturer of the electrode. Make sure to tighten them by wringing them clockwise.
- Connect the ground pliers to the workpiece as close as possible to the welding area.
For TIG welding;
- Start the machine with the On/Off Power Switch (1) and check to see if the cooling fan is working or not.
- A TIG torch with a gas valve has to be used.
- Connect the power cable of the TIG torch to the negative pole socket (6) and connect the grounding cable to the positive pole socket (4).
- Connect the argon gas regulator to the argon gas tank.
- Connect the gas hose of the torch to the gas regulator.

The following table is a reference for the amperage setting of non-alloy steels. Please make sure to follow the recommendations of the electrode manufacturer at all times.
| Covered Electrode | Recommended Welding Current | |
| Diameter(mm) | Rutile | Basic |
| 2 | 40-60 A | – |
| 2.5 | 60-90 A | 60-90 A |
| 3.2 | 100-140 A | 100-130 A |
| 4 | 140-180 A | 140-180 A |
OPERATION
3.1 User Interface

| The Megastick control panel with its user-friendly interface includes a digital display and a current adjustment pod. | |
![]() | Digital Display • Current during welding are monitored from the digital display. |
![]() | Current Adjustment Pod • There is a current setting scale around the current setting pot. With this current setting scale, you can select the electrode diameter you want to burn. |
3.2 Machine Features
- It is an MMA lightweight, portable machine that can perform welding works in the range of 10-200 A, and it is very high in performance compared to its size.
- It’s rutile and basic electrode performances are excellent.
- Weighs 5 kg and it has a small, compact size.
- Fully meets EMC testing and CE requirements.
- The kVA value for the generator to be selected should be determined by checking the technical specifications of the machine (Page 12).
MAINTENANCE AND SERVICE
- Maintenance and repairs to the machine must be carried out by qualified personnel. Our company will not be responsible for any accidents that may occur by unauthorized interventions.
- Parts that will be used during repair can be obtained from our authorized services. The use of original spare parts will extend the life of your machine and prevent performance losses.
- Always contact the manufacturer or an authorized service specified by the manufacturer.
- Any unauthorized repair attempt other than by the manufacturer during the warranty period will cause all warranty provisions to be void.
- Always comply with the applicable safety regulations during maintenance and repair.
- Before performing any work on the machine for repair, disconnect the machine’s power plug from the power supply and wait for 10 seconds for the capacitors to discharge.
Maintenance
Daily Maintenance
- Do not remove the warning labels on the device. Replace the worn/torn labels with the new ones. Labels can be obtained from the authorized service.
- Check your clamps and cables. Pay attention to the connections and the durableness of the parts. Replace the damaged/defective parts with the new ones. Do not ever make additions to/repair the cables.
- Ensure adequate space for ventilation.
- The supplies on the optional TIG torch must be cleaned regularly. Should be replaced if necessary. It should be ensured that these materials are original products for long-term use.
Every 6 Months
- Clean and tighten fasteners such as bolts and nuts.
- Check the electrode clamp and grounding clamp cables.
- Open the side covers of the machine and clean with low-pressure dry air. Do not apply compressed air to electronic components at a close distance
NOTE: The above-mentioned periods are the maximum ones that should be applied if no problems are encountered in your device.
Depending on the workload and contamination of your work environment, you can repeat the above processes more frequently.
Trouble Shooting
The following tables contain possible errors to be encountered and their solutions.
| Error Code | Solution |
| Thermal LED on the front panel has lit up | • The machine’s operation cycle rate may be exceeded. Wait for a while to allow the machine to cool down. If the failure disappears, try to use lower amperage values. • The fan may not be working. Inspect the fan to see if it is functioning properly. If it is still not working, please contact the authorized service center. • The air inlet and outlet ducts may be blocked. Clear the air ducts from any blockage. • The machine operating environment can be extremely hot or airless. Have the machine placed in an environment where it can work more comfortably. |
| The machine does not work at all | • Make sure that the machine is connected to power. • Check that the mains connections are correct. • Check the mains power supply fuses, mains cable, and its plug. • Check the on / off operating switch. • If you have made all the checks and if the problem still persists, please contact the authorized service center. |
| The machine does not weld/welds poorly | • Make sure that the machine’s grounding pliers are connected to the workpiece. • Make sure that the cables are secure and that the connection points are not worn • Make sure that the parameter and process selection is correct. • According to the process you have chosen, follow the steps below: • Check the pole that the electrode must be connected to and the current value that must be set on the machine. • Check that the gas flow is open, ensuring that the flow is accurate. • Make sure that the tungsten tip is clean. • Make sure the durableness of the welding torch. • If you have made all the checks if the problem still persists, please contact the authorized service center. |
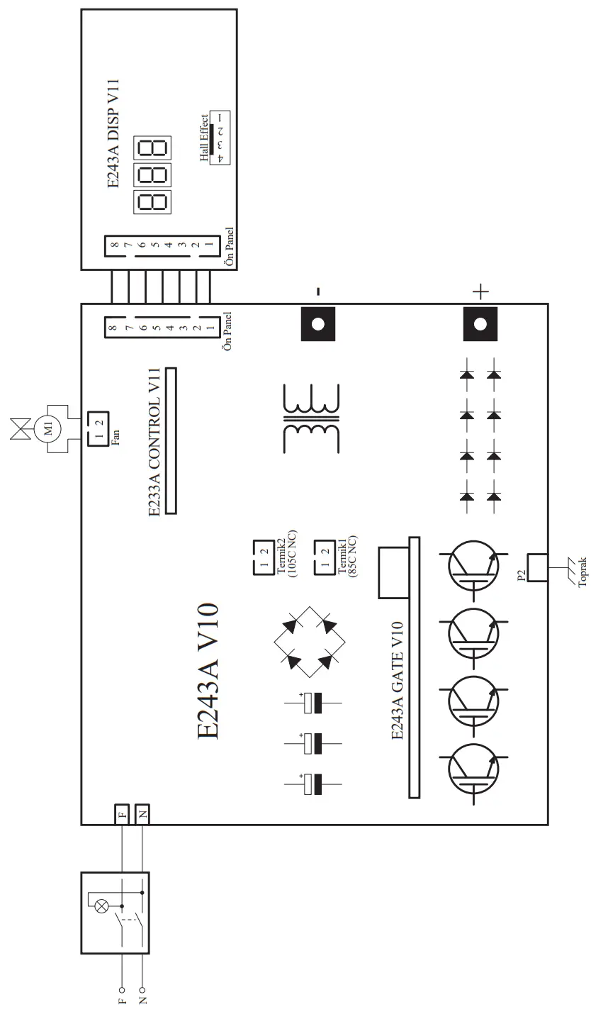
ANNEX 1 – SPARE PARTS LIST

| NO | DEFINITION | MATERIAL CODE |
| 1 | Electronic Card | K405000306 |
| 2 | Electronic Card | K405000308 |
| 3 | On/Off Switch | A310100011 |
| 4 | Fan Mono | A250001024 |
| 5 | Bridge Diode GBPC5010-G | A430901023 |
| 6 | Welding Plug | A229500004 |
| 7 | Potency Knob | A377900103 |
| Hall Effect Sensor | A834000001 | |
| Electronic Card | K405000307 |
ANNEX 2 – CIRCUIT CHART
www.magmaweld.com
USER MANUAL
(+90) 444 93 53
magmaweld.com
[email protected]
























