Magmaweld monoSTICK 165i Inverter Welding Machine User Manual
SAFETY PRECAUTIONS
Be Sure To Follow All Safety Rules In This Manual
Explanation Of Safety Information
- Safety symbols found in the manual are used to identify potential hazards.
- When any one of the safety symbols are seen in this manual, it must be understood that there is a risk of injury and the following instructions should be read carefully to avoid potential hazards.
- The possessor of the machine is responsible for preventing unauthorized persons from accessing the equipment.
- Persons using the machine must be experienced or fully trained in welding / cutting they have to read the user manual before operation and follow the safety instructions.
Explanation Of Safety Symbols
ATTENTION
Indicates a potentially hazardous situation that could cause injury or damage.
In case if no precaution is taken, it may cause injuries or material losses / damages.
IMPORTANT
Specifies notifications and alerts on how to operate the machine.
DANGER
Indicates a serious danger. In case if not avoided, severe or fatal injuries may occur.
Comprehending Safety Precautions
- Read the user manual, the label on the machine and the safety instructions carefully.
- Make sure that the warning labels on the machine are in good condition. Replace missing and damaged labels.
- Learn how to operate the machine, how to make the checks in a correct manner.
- Use your machine in suitable working environments.
- Improper changes made in your machine will negatively affect the safe operation and its longevity.
- The manufacturer is not responsible for the consequences resulting from the operation of the device beyond the specified conditions.
Electric Shocks May Kill
Make certain that the installation procedures comply with national electrical standards and other relevant regulations, and ensure that the machine is installed by authorized persons.
- Wear dry and sturdy insulated gloves and working apron. Never use wet or damaged gloves and working aprons.
- Wear flame-resistant protective clothing against the risk of burning. The clothing used by the operator must be protective against sparks, splashing and arc radiation.
- Do not work alone. In case of a danger make sure you have someone for help in your working environment.
- Do not touch the electrode with the bare hand. Do not allow the electrode holder or electrode to come in contact with any other person or any grounded object.
- Never touch parts that carry electricity.
- Never touch the electrode if you are in contact with the electrode attached to the work surface, floor or another machine.
- By isolating yourself from the work surface and the floor, you can protect yourself from possible electric shocks. Use a non-flammable, electrically insulating, dry and undamaged insulation material that is large enough to cut off the operator’s contact with the work surface.
- Do not connect more than one electrode to the electrode holder.
- Clamp work cable with good metal-to-metal contact to workpiece or worktable as near the weld as practical.
- Check the torch before operating the machine. Make sure the torch and its cables are in good condition. Always replace a damaged, worn torch.
- Do not touch electrode holders connected to two machines at the same time since double open-circuit voltage will be present.
- Keep the machine turned off and disconnect cables when not in use.
- Before repairing the machine, remove all power connections and / or connector plugs or turn off the machine.
- Be careful when using a long mains cable.
Make sure all connections are tight, clean, and dry. - Keep cables dry, free of oil and grease, and protected from hot metal and sparks.
- Bare wiring can kill. Check all cables frequently for possible damage. If a damaged or an uninsulated cable is detected, repair or replace it immediately.
- Insulate work clamp when not connected to workpiece to prevent contact with any metal object.
- Make sure that the grounding of the power line is properly connected.
- Do not use AC weld output in damp, wet, or confined spaces, or if there is a danger of falling.
- Use AC output ONLY if required for the welding process.
- If AC output is required, use remote output control if present on unit.
Additional safety precautions are required when any of the following electrically hazardous conditions are present : - in damp locations or while wearing wet clothing,
- on metal structures such as floors, gratings, or scaffolds,
- when in cramped positions such as sitting, kneeling, or lying,
- when there is a high risk of unavoidable or accidental contact with the workpiece or ground.
For these conditions, use the following equipment in order presented: - Semiautomatic DC constant voltage (CV) MIG welding machine,
- DC manual MMA welding machine,
- DC or AC welding machine with reduced open-circuit voltage (VRD), if available.
Procedures for Electric Shock
- Turn off the electric power.
- Use non-conducting material, such as dry wood, to free the victim from contact with live parts or wires.
- Call for emergency services.
If you have first aid training; - If the victim is not breathing, Administer cardiopulmonary resuscitation (CPR) immediately after breaking contact with the electrical source. Continue CPR (cardiac massage) until breathing starts or until help arrives.
- Where an automatic electronic defibrillator (AED) is available, use according to ins tructions.
- Treat an electrical burn as a thermal burn by applying sterile, cold (iced) compresses. Prevent contamination, and cover with a clean, dry dressing.
Moving Parts May Cause Injuries
- Keep away from the moving parts.
- Keep all protective devices such as covers, panels, flaps, etc., of machinery and equipment closed and in locked position.
- Wear metal toe shoes against the possibility of heavy objects falling on to your feet.
Fumes and Gases May Be Harmful To Your Health
Long-term inhalation of fumes and gases released from welding / cutting is very dangerous.
- Burning sensations and irritations in the eyes, nose and throat are signs of inadequate ventilation. In such a case, immediately boost the ventilation of the work area, and if the problem persists, stop the welding / cutting process completely.
- Create a natural or artificial ventilation system in the work area.
- Use a suitable fume extraction system where welding / cutting works are being carried out. If necessary, install a system that can expel fumes and gases accumulated in the entire workshop.
Use a suitable filtration system to avoid polluting the environment during discharge. - If you are working in narrow and confined spaces or if you are welding lead, beryllium, cadmium, zinc, coated or painted materials, use masks that provide fresh air in addition to the above precautions.
- If the gas tanks are grouped in a separate zone, ensure that they are well ventilated, keep the main valves closed when gas cylinders are not in use, pay attention to possible gas leaks.
- Shielding gases such as argon are denser than air and can be inhaled instead of air if used in confined spaces. This is dangerous for your health as well.
- Do not perform welding / cutting operations in the presence of chlorinated hydrocarbon vapors released during lubrication or painting operations.
- Some welded / cut parts require special ventilation. The safety rules of products that require special ventilation should be read carefully. A suitable gas mask should be worn when necessary.
Arc Light May Damage Your Eyes and Skin
- Use a standard protective mask and a suitable glass filter to protect your eyes and face.
- Protect other naked parts of your body (arms, neck, ears, etc.) with suitable protective clothing from these rays.
- Enclose your work area with flame-resistant folding screens and hang warning signs at eye level so that people around you will not sustain injuries from arc rays and hot metals.
- This machine is not used for heating of icebound pipes. This operation performed with the welding / cutting machine causes explosion, fire or damage to your installation.
Sparks and Spattering Particles May Get Into Eyes and Cause Damage
- Performing works such as welding / cutting, surface grinding, and brushing cause sparks and metal particles to splatter. Wear approved protective work goggles which have edge guards under the welding masks to prevent sustaining possible injuries.
Hot Parts May Cause Severe Burns
- Do not touch the hot parts with bare hands.
- Wait until the time required for the machine to cool down before working on its parts.
- If you need to hold hot parts, use suitable tools, welding / cutting gloves with high-level thermal insulation and fire-resistant clothes.
Noise May Cause Damage To Your Hearing Ability
- The noise generated by some equipment and operations may damage your hearing ability.
- Wear approved personal ear protective equipment if the noise level is high.
Welding Wires Can Cause Injuries
- Do not point the torch towards any part of the body, other persons, or any metal while unwrapping the welding / cutting wire.
- When welding wire is run manually from the roller especially in thin diameters the wire can slip out of your hand, like a spring or can cause damage to you or other people around, therefore you must protect your eyes and face while working on this.
Welding Operations May Cause Fire and Explosion
- Never perform welding / cutting work in places near flammable materials. There may be fire or explosions.
- Before starting the welding / cutting work, remove these materials form the environment or cover them with protective covers to prevent combustions and flaring.
- National and international special rules apply in these areas.
- Do not apply welding / cutting operations into completely closed tanks or pipes.
- Before welding to tanks and closed containers, open them, completely empty them, and clean them. Pay the greatest attention possible to the welding / cutting operations you will perform in such places.
- Do not weld in tanks and pipes which might have previously contained substances that may cause explosions, fires or other reactions.
- Welding / cutting equipment heats up. For this reason, do not place it on surfaces that could easily burn or be damaged !
- Sparks and splashing parts may cause a fire. For this reason, keep materials such as fire extinguishers tubes, water, and sand in easily accessible places.
- Use holding valves, gas regulators and valves on flammable, explosive and compressed gas circuits. Make sure that they are periodically inspected and pay attention that they run reliably.
Maintenance Work Performed by Unauthorized Persons To Machines and Apparatus May Cause Injuries
- Electrical equipment should not be repaired by unauthorized persons.
Errors occurred if failed to do so may result in serious injury or death when using the equipment. - The gas circuit elements operate under pressure; explosions may occur as a result of services provided by unauthorized persons, users may sustain serious injuries.
- It is recommended to perform technical maintenance of the machine and its auxiliary units at least once a year.
Welding / Cutting in Small Sized and Confined Spaces
- In small-sized and confined spaces, absolutely make sure to perform welding / cutting operations, accompanied by another person.
- Avoid performing welding / cutting operations in such enclosed areas as much as possible.
Failure To Take Precautions During Transport May Cause Accidents
- Take all necessary precautions when moving the machine. The areas where the machine to be transported, parts to be used in transportation and the physical conditions and health of the person carrying out the transportation works should be suitable for the transportation process.
- Some machines are extremely heavy; therefore, make sure that the necessary environmental safety measures are taken when changing their places.
- If the machine is to be used on a platform, it must be checked that this platform has suitable load bearing limits.
- If it is to be transported by means of a haulage vehicle (transport trolley, forklift etc.), make sure of the durableness of the vehicle, and the connection points (carrying suspenders, straps, bolts, nuts, wheels, etc.) that connect the machine to this vehicle.
- If the machine will be carried manually, make sure the durableness of the machine apparatuses (carrying suspenders, straps, etc.) and connections.
- Observe the International Labor Organization’s rules on carriage weights and the transport regulations in force in your country in order to ensure the necessary transport conditions.
- Always use handles or carrying rings when relocating the power-supply sources. Never pull from torches, cables or hoses. Be absolutely sure to carry gas cylinders separately.
- Remove all interconnections before transporting the welding / cutting equipment, each being separately, lift and transport small ones using its handles, and the big ones from its handling rings or by using appropriate haulage equipment, such as forklifts.
Falling Parts May Cause Injuries
Improper positioning of the power-supply sources or other equipment can cause serious injury to persons and physical damage to other objects.
- Place your machine on the floor and platforms with a maximum tilt of 10° so that it does not fall or tip over. Choose places that do not interfere with the flow of materials, where there is no risk of tripping over on cables and hoses; yet, large, easily ventilatable, dust-free areas. To prevent gas cylinders from tipping over, on machines with a gas platform suitable for the tanks, fix the tanks on to the platform; in stationary usage applications, fix them to the wall with a chain in a way that they would not tip over for sure.
- Allow operators to easily access settings and connections on the machine.
Excessive Use Of The Machine Causes Overheating
- Allow the machine to cool down according to operation cycle rates.
- Reduce the current or operation cycle rate before starting the welding / cutting again.
- Do not block the fronts of air vents of the machines.
- Do not put filters that do not have manufacturer approvals into the machine’s ventilation ports
Excessive Use Of The Machine Causes Overheating
- This device is in group 2, class A in EMC tests according to TS EN 55011 standard.
- This class A device is not intended for use in residential areas where electrical power is supplied from a low-voltage power supply. There may be potential difficulties in providing electromagnetic compatibility due to radio frequency interference transmitted and emitted in such places.
This device is not compliant with IEC 61000 -3-12. In case if it is desired to be connected to the low voltage network used in the home, the installer to make the electrical connection or the person who will use the machine must be aware that the machine has been connected in such a manner; in this case the responsibility belongs to the user.
- Make sure that the work area complies with electromagnetic compatibility (EMC).
Electromagnetic interferences during welding / cutting operations may cause undesired effects on your electronic devices and network; and the effects of these interferences that may occur during these operations are under the responsibility of the user. - If there is any interference, to ensure compliance; extra measures may be taken, such as the use of short cables, use of shielded (armored) cables, transportation of the welding machine to another location, removal of cables from the affected device and / or area, use of filters or taking the work area under protection in terms of EMC.
- To avoid possible EMC damage, make sure to perform your welding / cutting operations as far away from your sensitive electronic devices as possible (100 m).
- Ensure that your welding and/or cutting machine has been installed and situated in its place according to the user manual.
Evaluation Of Electromagnetic Suitability Of The Work Area
According to article 5.2 of IEC 60974-9;
Before installing the welding / cutting equipment, the person in charge of the operation and / or the user must conduct an inspection of possible electromagnetic interference in the environment.
Aspects indicated below has to be taken into consideration;
- Other supply cables, control cables, signal and telephone cables, above and below the welding / cutting machine and its equipment,
- Radio and television transmitters and receivers,
- Computer and other control hardware,
- Critical safety equipment, e.g. protection of industrial equipment,
- Medical apparatus for people in the vicinity, e.g. pacemakers and hearing aids,
- Equipment used for measuring or calibration,
- Immunity of other equipment in the environment. The user must ensure that the other equipment in use in the environment is compatible. This may require additional protection measures.
- Considering the time during which the welding / cutting operations or other activities take place during the day, the boundaries of the investigation area can be expanded according to the
size of the building, the structure of the building and other activities that are being performed in the building.
In addition to the evaluation of the field, evaluation of device installations may also be necessary for solving the interfering effect. In case if deemed necessary, on-site measurements can also be used to confirm the efficiency of mitigation measures.
(Source: IEC 60974-9).
Electromagnetic Interference Reduction Methods
- The appliance must be connected to the electricity supply in the recommended manner by a competent person. If interference occurs, additional measures may be applied, such as filtering the network. The supply of the fixed-mounted arc welding equipment must be made in a metal tube or with an equivalent shielded cable. The housing of the power supply must be connected and a good electrical contact between these two structures has to be provided.
- The recommended routine maintenance of the appliance must be carried out. All covers on the body of the machine must be closed and / or locked when the device is in use. Any changes, other than the standard settings without the written approval of the manufacturer, cannot be modified on the appliance. Otherwise, the user is responsible for any consequences that may possibly occur.
- Welding / cutting cables should be kept as short as possible. They must move along the floor of the work area, in a side by side manner. Welding / cutting cables should not be wound in any way.
- A magnetic field is generated on the machine during welding / cutting. This may cause the machine to pull metal parts on to itself. To avoid this attraction, make sure that the metal materials are at a safe distance or fixed. The operator must be insulated from all these interconnected metal materials.
- In cases where the workpiece cannot be connected to the ground due to electrical safety, or because of its size and position (for example, in building marine vessel bodies or in steel construction manufacturing), a connection between the workpiece and the grounding may reduce emissions in some cases, it should be kept in mind that grounding of the workpiece may cause users to sustain injuries or other electrical equipment in the environment to break down.
In cases where necessary, the workpiece and the grounding connection can be made as a direct connection, but in some countries where direct connection is not permissible, the connection can be established using appropriate capacity elements in accordance with local regulations and ordinances. - Screening and shielding of other devices and cables in the work area can prevent aliasing effects. Screening of the entire welding / cutting area can be evaluated for some specific applications.
Electromagnetic Field (EMF)
The electrical current passing through any conductor generates zonal electric and magnetic fields (EMF).
All operators must follow the following procedures to minimize the risk of exposure to EMF;
- In the name of reducing the magnetic field, the welding / cutting cables must be assembled and secured as far as possible with the joining materials (tape, cable ties etc.).
- The operator’s body and head should be kept as far away from the welding / cutting machine and cables as possible,
The electrical current passing through any conductor generates zonal electric and magnetic fields (EMF).
All operators must follow the following procedures to minimize the risk of exposure to EMF;
- In the name of reducing the magnetic field, the welding / cutting cables must be assembled and secured as far as possible with the joining materials (tape, cable ties etc.).
- The operator’s body and head should be kept as far away from the welding / cutting machine and cables as possible,
- Welding / cutting and electric cables should not be wrapped around the body of the machine in any way,
- The body of the machine should not get caught between the welding / cutting cables. The source cables must be kept away from the body of the machine, both being placed side by side,
- The return cable must be connected to the workpiece as close as possible to the work area,
- The welding / cutting machine should not rest against the power unit, ensconce on it and not work too close to it,
- Welding / cutting work should not be performed when carrying the wire supply unit or power unit.
EMF may also disrupt the operation of medical implants (materials placed inside the body), such as pacemakers. Protective measures should be taken for people who carry medical implants. For example, access limitation may be imposed for passers-by, or individual risk assessments may be conducted for welders. Risk assessment should be conducted and recommendations should be made by a medical professional for users who carry medical implants.
Protection
- Do not expose the machine to rain, prevent the machine from splashing water or pressurized steam.
Energy Efficiency
- Choose the welding / cutting method and welding machine for the welding work you are to perform.
- Select the welding / cutting current and/or voltage to match the material and thickness you are going to weld.
- If you have to wait for a long time before you start your welding / cutting work, turn off the machine after the fan has cooled it down. Our machines with smart fan control will turn off on their own.
Waste Procedure
- This device is not domestic waste. It must be directed to recycling within the framework of the European Union directive and national laws.
- Obtain information from your dealer and authorized persons about the waste management of your used machines.
TECHNICAL INFORMATION
General Information
mono STICK 165i is an inverter type portable, mono-phase DC MMA welding machine designed to weld stick electrodes up to 3.25 mm. This unit can also be used as a DC TIG power source for touch-start applications. Even though the machine is mono-phase, due to the inverter technology it provides stable arc and good restriping performance, also the electric consumption is approximately %10 less than the silicon controlled rectifier equipment’s and %25 less than the magnetically controlled equipment’s. mono STICK 165i proved well that it can work between 185 to 250 V 50/60 Hz line voltages. Therefore this machine is quite immune to mains voltage fluctuations and perfectly welds with generator-sets. mono STICK 165i can also be used with long welding cables up to 25 mt. The machine is fan cooled and thermally protected against over heating.
Machine Components

- Handle
- Thermic / Error Led
- Current Adjustment Pot
- Earth Cable and Welding Cable (-)
- Power Led
- Earth Cable and Welding Cable (+)
- Line Cable Inlet
- Power Switch
Product Label

| Single Phase Transformer Rectifier |
| MMA Welding |
| Direct Current |
| Vertical Characteristic |
| Mains Input 1-Phase Alternating Current |
| Suitable for Operation at Hazardous Environments |
| X | Duty Cycle |
| U0 | Open Circuit Voltage |
| U1 | Mains Voltage and Frequency |
| U2 | Rated Welding Voltage |
| I1 | Rated Mains Current |
| I2 | Rated Welding Current |
| S1 | Rated Power |
| IP23S | Protection Class |
Duty Cycle
Temperature (C°)
As defined in the standard EN 60974-1, the duty cycle rate includes a time period of 10 minutes.
For example, if a machine specified as 250A at %60 is to be operated at 250A, the machine can weld without interruption in the first 6 minutes of the 10 minutes period (zone 1). However, the following 4 minutes should be kept idle for the machine cool down (zone 2).
Technical Data
| TECHNICAL DATA | UNIT | monoSTICK 165i |
| Mains Voltage (1-phase 50-60 Hz) | V | 230 |
| Rated Power | kVA | 7.7 |
| Duty Cycle Rate (25°C) | %35 | |
| EN 60974 -1 (I/X%) | 160 / 20 | |
| Welding Current Range | ADC | 10 – 160 |
| Rated Welding Current | ADC | 160 |
| Open Circuit Voltage | VDC | 65 |
| Stick Electrode Diameter Range | mm | 1.60 – 3.25 |
| Dimensions (l x w x h) | mm | 467 x 160 x 312 |
| Weight | kg | 7.5 |
| Protection Class | IP 23S |
Accessories
| STANDARD ACCESSORIES | QTY | PRODUCT CODE |
| Workpiece Clamp and Cable | 1 | 7905201603 (16 mm² – 3 m) |
| Electrode Clamp and Cable | 1 | 6201603 (16 mm² – 3 m) |
INSTALLATION
Delivery Control
Make sure that all the materials you have ordered have been received. If any material is missing or damaged, contact your place of purchase immediately.
The standard box includes the following;
- Welding machine and connected mains cable
- Warranty certificate
- Workpiece clamp and cable
- User manual
- Electrode clamps and cable
In case of a damaged delivery, record a report, take a picture of the damage and report to the transport company together with a photocopy of the delivery note. If the problem persists, contact the customer service.
Symbols and their meanings on the device
| Welding may be dangerous. Proper working conditions should be ensured and necessary precautions should be taken. Specialists are responsible for the machine and have to be equipped with the necessary equipment and those who are not relevant should be kept away from the welding area. |
| This device is not compatible with IEC 61000-3-12.If it is desired to connect to the low voltage mains used in homes, it is essential that the installer or the person who will operate the machine to make the electrical connection has information on the machine’s connectivity. In this case the responsibility will be assumed by the person who will perform the installation or by the operator. |
| The safety symbols and warning notes on the device and in the operating instructions must be observed and the labels must not be removed. |
| Grids are intended for ventilation. The openings should not be covered in order to provide good cooling and no foreign objects should be inserted. |
Installation and Operation Recommendations
- For a better performance, place the machine at least 30 cm away from the surrounding objects. Pay attention to overheating, dust and moisture near the machine.
- Do not operate the machine under direct sunlight. If the ambient temperature exceeds 40°C, operate the machine at a lower current or a lower duty cycle.
- Avoid welding outdoors in windy and rainy weather circumstances. If welding is necessary in such cases, protect the welding area and the welding machine with a curtain and canopy. If you weld indoors, use a suitable fume extraction system. Use breathing apparatus if there is a risk of inhaling welding fumes and gas in confined spaces.
- Observe the duty cycle rates specified on the product label. Exceeding duty cycle rates can damage the machine and this may invalidate the warranty.
- Use the fuse that is compliant with your system.
- Secure the ground cable as close as possible to the welding area.
- Do not allow the welding current to pass through equipment other than the welding cables.
- Secure the gas cylinder to the wall with a chain.
- The welding cables and the mains cable must not be wrapped in the machine housing during operation.
Connections for MMA Welding
Check the mains voltage before connecting the machine to the mains.
When plugging the power plug into the outlet, make sure that the power switch is set to “0” in the turned-off position.
- SWITCH ON the machine via power switch and check if power led lights up and cooler fan works.
- According to the polarity of the electrode to be used, insert welding cables into the appropriate socket and tighten them by turning clock-wise.
- Connect the earth clamp tightly to the workpiece as close as possible to the welding area.
- Adjust the desired current and the machine is ready to weld.
- Below table is given as a reference for current adjustment of mild steel electrodes, please refer to the electrode manufacturer’s recommendations.
| Covered Electrode Diameter (mm) | Recommended Welding Current Rutile Basic Cellulosic | |
| 2.0 | 40-60 A – | – |
| 2.5 | 60-90 A 60-90 A | 60-100 A |
| 3.25 | 100-140 A 100-130 A | 70-130 A |
| 4.0 | 140-180 A 140-180 A | 120-170 A |
Connections for TIG Welding
Check the mains voltage before connecting the machine to the mains.
When plugging the power plug into the outlet, make sure that the power switch is set to “0” in the turned-off position.
- Start the machine with the on/off switch and check whether the Leds are on and the cooling fan is working.
- TIG torch with a valve should be used.
- Connect the TIG torch power cable to the negative welding socket and the earth cable to the positive welding socket of the machine.
- Install the Argon gas regulator onto the Argon gas cylinder.
- Connect the gas hose of the torch to the gas regulator.
- Adjust the desired current and the machine is ready to weld.
Figure 2 : TIG Welding Connections
Figure 3 : Gas Cylinder Connection
MAINTENANCE AND SERVICE
- Maintenance and repairs to the machine must be carried out by a qualified personnel. Our company will not be responsible for any accidents that may occur by unauthorized interventions.
- Parts that will be used during repair can be obtained from our authorized services. The use of original spare parts will extend the life of your machine and prevent performance losses.
- Always contact the manufacturer or an authorized service designated by the manufacturer.
- Never make interventions yourself. In this case the macufacturer warranty is no langer valid.
- Always comply with the applicable safety regulations during maintenance and repair.
- Before performing any work on the machine for repair, disconnect the machine’s power plug from the power supply and wait for 10 seconds for the capacitors to discharge.
Maintenance
Daily Maintenance
- Do not remove the warning labels on the device. Replace the worn/torn labels with the new ones. Labels can be obtained from the authorized service.
- Check your torch, clamps and cables. Pay attention to the connections and the durableness of the parts. Replace the damaged/defective parts with the new ones. Do not ever make additions to/repair the cables.
- Ensure adequate space for ventilation.
- Before starting welding, check the gas flow rate from the tip of the torch with a flow meter. If the gas flow is high or low, bring it to the appropriate level for the welding process.

Every 6 Months
- Clean and tighten fasteners such as bolts and nuts.
- Check the electrode clamp and grounding clamp cables.
- Open the side covers of the machine and clean with low pressure dry air. Do not apply compressed air to electronic components at close distance.
- Check the socket to which the power supply plug of the machine is connected. If there is any looseness in the power cable connection points of the socket, remove such looseness. If there is an arc or expansion in the socket slots, replace them with new ones.
- Check the power supply plug of the machine. If there is any looseness in the power cable connection points in the electricity plug, remove such looseness. If there is an arc or deformation at the ends of the plug, replace it with a new one.

NOTE: The above mentioned periods are the maximum ones that should be applied if no problems are encountered in your device. Depending on the work load and contamination of your work environment, you can repeat the above processes more frequently
Troubleshooting
The following tables contain possible errors to be encountered and their solutions.
| Error | Solution |
| Thermal led on the front panel has lit up |
If it is still not working, please contact the authorized service center.
|
| Machine does not work at all |
|
| The machine welds poorly |
|
ANNEX
Spare Parts List

| NO | DEFINITION | monoSTICK 165i |
| 1 | Electronic Card E203A CNT V43/165I | K405000238 |
| 2 | Red Led | A430800001 |
| 3 | Green Led | A430800002 |
| 4 | Potency Button | A229500001 |
| 5 | Welding Socket | A377900104 |
| 6 | Electronic Card E203A AC PWR V43 | K405000222 |
| 7 | Electronic Card E203A PWR V43/160 | K405000178 |
| 8 | Electronic Card E205A-RL V1.2 | K405000212 |
| 9 | Electronic Card E201B-FLT | K405000101 |
| Fan | K250200025 | |
| Thermostat | A314800108 |
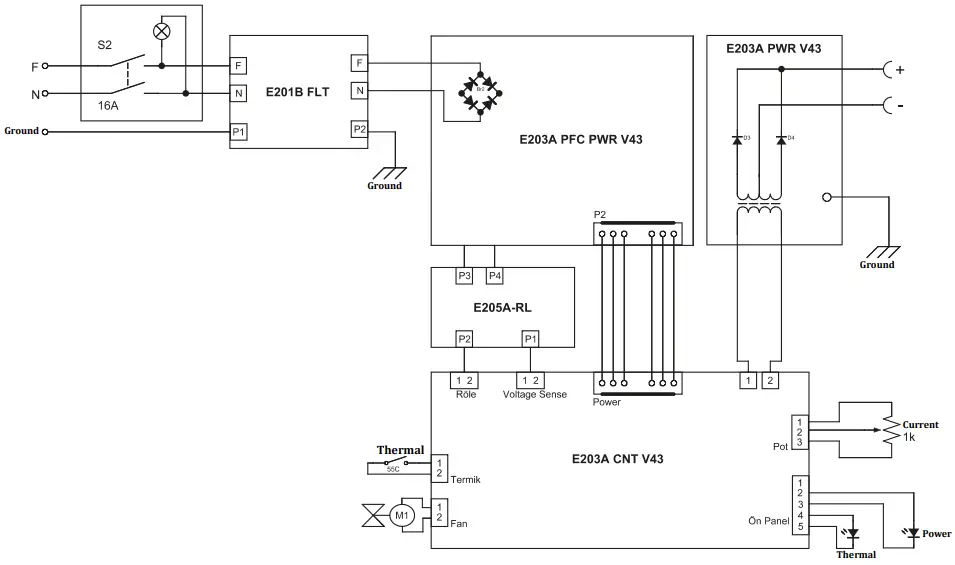
Connection Diagrams
Block Diagram
Circuit Diagram
DECLARATION OF CONFORMITY
Company
Organize Sanayi
No:1 45030 Manisa
Factory
Organize Sanayi
No:1 45030
The Product
Appropriate for professional and industrial usage.
160Amp (%20) Shielded metal arc welding machine
MONOSTICK 1
65i 160Amp (%20)
Date of assessment
European Standard
EN IEC 60974- 1:2018+A1:2019
EN 60974-10:2014+A1:2015
Meet the requirements of the European Directive
Directive 2014/30/EU – LVD
Directive 2014/35/EU
Magma.
Industry and Trade Co. We declare that the above mentioned products comply with the standard. This declaration will loose its validity in case of modification on the welding machine without our written authorization.
Date of issue -12.10.2021
R&D Manager
Support
Organize Sanayi 45030 MANİSA
Tel: 444 93 53
E-mail: [email protected]
Scan Me
www.magmaweld.com.tr/servis-listesi
Magma Mekatronik Makine Sanayi ve Ticaret A.Ş.
Organize Sanayi Bölgesi, 5. Kısım 45030 Manisa, TÜRKİYE
T: (236) 226 27 00
F: (236) 226 27 28
(+90) 444 93 53
magmaweld.com
[email protected]





























