Magmaweld Monostick 200i DC Inverter Arc Welding Machine User Manual

magmaweld.com
[email protected]
(+90) 538 927 12 62
Customer Service / Müteri Hizmetleri: (+90) 444 93 53 E-Mail / E-Posta: [email protected]
Organize Sanayi Bölgesi, 5. Kisim 45030 Manisa / TURKEY
All rights reserved. It is prohibited to reproduce this documentation, or any part thereof, without the prior written authorisation of Magma Mekatronik Makine Sanayi ve Ticaret A.. Magma Mekatronik may modify the information and the images without any prior notice.
SAFETY PRECAUTIONS
Be Sure To Follow All Safety Rules In This Manual!












TECHNICAL INFORMATION
1.1 General Information
Monostick 200i is an inverter type portable, mono-phase DC MMA welding machine designed to weld stick electrodes up to 4 mm. Even though the machine is mono-phase, due to the inverter technology it provides stable arc and good re-striking performance, also the electric consumption is approximately 10% less than the silicon controlled rectifier equipment’s and 25% less than the magnetically controlled equipment’s. Monistic 200i proved well that it can work between 185 to 250 V 50/60 Hz line voltages. Therefore this machine is quite immune to mains voltage fluctuations and perfectly welds with generator-sets. Monostick 200i can also be used with long welding cables up to 25 mt. The machine is fan cooled and thermally protected against over heating.
1.2 Machine Components

- Power Switch
- Power LED
- Thermic / Error LED
- Current Adjustment Knob
- Earth Cable and Welding Cable Socket (-)
- Earth Cable and Welding Cable Socket (+)
- Line Cable Inlet
- Handle
- Fan
1.3 Product Label

As defined in the standard EN 60974-1, the operating cycle rate includes a time period of 10 minutes. For example, if a machine specified as 250A at %60 is to be operated at 250A, the machine can weld without interruption in the firs 6 minutes of the 10 minute period(zone 1). However, the following 4 minutes should be kept idle for the machine cool down (zone 2).
1.4 Technical Data

1.5 Accessories

INSTALLATION
2.1 Delivery Control
To unpack your purchased welding machine to comply with the truck transport regulations, first tear the cutter, then cut the ring and lift the machine down the pallet to comply with the truck transport regulations. Make sure you receive your order in full. If any material is missing or damaged, contact your place of purchase immediately.
The standard pallet includes:
- Power Source
- Earth Clamp Cable
- Electrode Holder Cable
- User Manual
In the case of a damaged delivery, draw up a record, take a picture of the damage and report to the transport company together with a photocopy of the delivery note. If the problem persists, contact the customer service.
Symbols and their meanings on the device;

2.2 Installation And Operation Recommendations
- Necessary precautions should be taken during transportation of the machine. Do not lift the machine with the gas cylinder. Place the power supply on a hard, level and level surface where it will not fall or tip over.
- For better performance, place the machine at least 30 cm away from surrounding objects. Pay attention to overheating, dust and moisture around the machine. Do not operate the machine in direct sunlight. When the ambient temperature exceeds 40°C, operate the machine at a lower current or at a lower cycle rate.
- Avoid welding with wind and rain outdoors. If welding is required in such cases, protect the welding area and the welding machine with curtains and awnings.
- When positioning the machine, make sure that materials such as walls, curtains, panels, etc. do not impede easy access to the controls and connections of the machine.
- If welding inside, use a suitable smoke extraction system. Use breathing apparatus if there is a risk of inhaling welding fumes and gas indoors.
- Observe the duty cycle rates specified on the product label. Frequent exceeding duty cycle rates can damage the machine and void the warranty.
- Use the appropriate fuse for your system.
- Connect the ground wire as close to the welding area as possible. Do not allow welding current to pass through elements other than welding cables, eg the machine itself, the gas cylinder, the chain, the bearing.
- When the gas cylinder is placed on the machine, immediately fasten the chain to secure the gas cylinder. If you do not place the gas cylinder on the machine, fasten it to the wall with a chain.
- The electrical outlet on the back of the machine is for the CO heater. NEVER connect a device other than a CO heater to the CO socket!
2.3 Connections For MMA Welding
Check the mains voltage before connecting the machine to the mains. When plugging the power plug into the outlet, make sure that the power switch is set to “0” in the turned-off position.
- SWITCH ON the machine via power switch (1) and check if power LED (2) lights up and cooler fan works.
- According to the polarity of the electrode to be used, insert welding cables into the appropriate socket (5-6) and tighten them by turning clock-wise.
- Connect the earth clamp tightly to the workpiece as close as possible to the welding area.
- Adjust the desired current and the machine is ready to weld.
- Below table is given as a reference for current adjustment of mild steel electrodes, please refer to the electrode manufacturer’s recommendations.

2.4 Connections For TIG Welding
Check the mains voltage before connecting the machine to the mains. When plugging the power plug into the outlet, make sure that the power switch is set to “0” in the turned-off position.
- Start the machine with the on/off switch and check whether the LEDs are on and the cooling fan is working.
- TIG torch with a valve should be used.
- Connect the TIG torch power cable to the negative welding socket (5) and the earth cable to the positive welding socket (6) of the machine.

MAINTENANCE AND SERVICE
- Strictly follow the instructions in safety rules while servicing the machine.
- Before removing any screw on the machine for maintenance, power supply must be disconnected from the electric lines and enough time (10 seconds) should be allowed for capacitor discharging.

3.1 Maintenance

NOTE: The above mentioned periods are the maximum ones that should be applied if no problems are encountered in your device. Depending on the work load and contamination of your work environment, you can repeat the above processes more frequently.
3.2 Troubleshooting
- If the Thermal Protection LED (3) lights up while cooling fan is working and the machine doesn’t weld; machine maybe overheated and stopped for auto protection due to overheat. Hot weather or working in high current values for long time may cause this. Let the machine on for a while in order to cool down itself with the cooling fan. After it cools enough, Thermal Protection LED (3) fades away and the machine can weld.
- When the Power LED (2) green is lighting, cooling fan is working but the machine does not weld; turn off the machine for 1 minute then turn it on again and try to weld. If it still doesn’t weld, contact to your authorized technical service.
- If the cooling fan is working but the power LED (2) color is yellow. Then the mains input is at low voltage, In this case close the machine. Wait 30 sec. after yellow led is turned off. Then start the machine again. If you see the yellow led is lighting then make control of your mains input. If there is not a problem with your mains voltage then contact to your authorized technical service. If the mains voltage is low, output current of machine can be set to 130A maximum.
ANNEX 1 – SPARE PARTS LIST


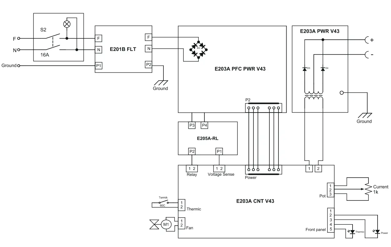
ANNEX 2 – ELECTRICAL DIAGRAM

DECLARATION OF CONFORMITY
Company Magma Mekatron k Mak ne Sanay ve T caret A.. Organ ze Sanay Bölges 5. Kisim Yalçin Özaras Caddes No:1 45030 Man sa
Factory Magma Mekatron k Mak ne Sanay ve T caret A.. Organ ze Sanay Bölges 5. Kisim Yalçin Özaras Caddes No:1 45030 Man sa
The Product Appropr ate for profess onal and ndustr al usage. MONOSTICK 200 200Amp (%14) Sh elded metal arc weld ng mach ne
Date of assessment 07.01.2019
European Standard EN IEC 60974- 1:2018 , EN 60974-10:2014
Meet the requirements of the European Directive EMC Direct ve 2014/30/EU – LVD Direct ve 2014/35/EU
Magma Mekatronƌk Makƌne Industry and Trade Co. We declare that the above mentioned products comply wth the standard. This declaration wall loose ts validity in case of modification on the welding machine without our written authorization.
Date of issue 07.01.2019
Plant Manager

İMALATÇI FİRMA
Organize Sanayi Bölgesi 5. Kısım Yalçın Özaras Caddesi No: 1
45030, MANİSA, Türkiye
T: (+90) 236 226 27 28
Made in TÜRKİYE
29.01.2021
UM_MONOS200_102015_012021_002_40

(+90) 444 93 53
magmaweld.com
[email protected]


















