Miele EK047 Wireless Module User Manual
Revision History
| Date | Version | Description | Author | Department |
| 12.08.2020 | 0.1 Draft | Initial manual for FCC/ISED | L. Pan | SH/EPD |
| 15.09.2020 | 1.0 | Addition and Revision | F. Benner | SH/DPS |
| 28.10.2020 | 1.1 Draft | Revision and Label with FCC/ISED ID | L. Pan | SH/EPD |
| 25.11.2020 | 1.2 | Listing exact Transmission Power | L. Pan | SH/EPD |
| 14.12.2020 | 1.3 | Revision of Transmission Power | L. Pan | SH/EPD |
Reviewed By
| Date | Version | Name | Department |
| 15.09.2020 | 1.0 | G. Borgelt | GTZ/TPE |
| 18.11.2020 | 1.1 | G. Borgelt | GTZ/TPE |
Approvals
| Date | Version | Name | Department |
General
The EK047 is a wireless network interface module for Miele domestic and professional appliances like hoods, hobs, cooling devices or washing machines. The module supports the IEEE 802.11 b/g/n Wifi standard. The EK047 module is designed to solder on PCB during manufacturing.

Operational Description
The EK047 is based on WiFi SOC Controller and has a board design in stamp form factor. The Chip contains the wireless communication stack and Miele protocol. EK 047 utilizes a PCB Antenna.
Integration instruction
The EK047 must be integrated under consideration of the technical data. It is not allowed to make any changes on the module or to use another antenna. The module should be placed in an area with good RF performance.
Technical data EK047
| VCC in V | 3.0 min. 3.3 typical 3.6 max. |
| Current in mA | ~8, Application active, WiFi inactive 135 typical, Application active, WiFi active 150 typical, Accesspoint |
| ambient temperature in°C | 0 – 75 0 – 85 Chip |
| Humidity max | 85% non condensation |
| Dimensions in mm | 30.5/28 |
| Wireless | |
| MCU/RF IC | Type 1GC |
| Input | double buffered interface |
| Antenna type | PCB inverted F |
| Antenna gain | +7 dBi |
| RF Frequency | 2.45 GHz |
| Channels | 1 to 11 |
| Channel Frequencies | 2,412 GHz – 2,462 GHz |
| Channel Frequencies Range | 2,400 GHz – 2,4735 GHz |
| Transmission Power in mW | < 50.2 |

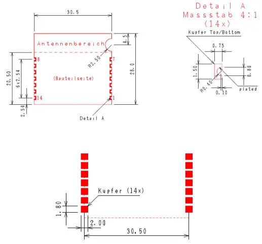
Footprint

Norms / Standards
FCC / ISED
FCC Regulation Part 15.109, Part 15.209 and Part 15.247
ISED regulations RSS-247, RSS-102 and RSS-Gen
Safety
UL 60730-1, CAN/CSA E60730-1:2015+A1:2017
RF-Standard
The modules use the RF standard IEEE 802.11 b/g/n20/n40
Photo and Label

Regulatory Notice and Integration
United States (FCC Notice)
FCC ID: 2ACUWEK047
In accordance with FCC Part 15, the 2ACUWEK047 is listed as a Full Modular Transmitter Device.
FCC CAUTION:
ANY CHANGES OR MODIFICATIONS NOT EXPRESSLY APPROVED BY THE PARTY RESPONSIBLE FOR COMPLIANCE COULD VOID THE USER’S AUTHORITY TO OPERATE THE EQUIPMENT.
THIS DEVICE COMPLIES WITH PART 15 OF FCC RULES. OPERATION IS SUBJECT TO FOLLOWING TWO CONDITIONS:
(1) THIS DEVICE MAY NOT CAUSE HARMFUL INTERFERENCE, AND
(2) THIS DEVICE MUST ACCEPT ANY INTERFERENCE RECEIVED INCLUDING INTERFERENCE THAT CAUSE UNDESIRED OPERATION.
USERS MANUAL OF THE END PRODUCT:
The end user has to be informed that any changes or modifications not expressly approved by the manufacturer could void the user’s authority to operate this equipment. If the size of the end product is smaller than 8x10cm, then additional statement is required to be printed in the user’s manual of the appliances:
FCC CAUTION:
ANY CHANGES OR MODIFICATIONS NOT EXPRESSLY APPROVED BY THE PARTY RESPONSIBLE FOR COMPLIANCE COULD VOID THE USER’S AUTHORITY TO OPERATE THE EQUIPMENT.
THIS DEVICE COMPLIES WITH PART 15 OF FCC RULES. OPERATION IS SUBJECT TO THE FOLLOWING TWO CONDITIONS:
(1) THIS DEVICE MAY NOT CAUSE HARMFUL INTERFERENCE AND
(2) THIS DEVICE MUST ACCEPT ANY INTERFERENCE RECEIVED, INCLUDING INTERFERENCE THAT MAY CAUSE UNDESIRED OPERATION.
As to meet the conditions as Full Modular Approval under the situation that the application of the host devices is not clear, the Exposure Statement of 20cm has to be listed on the end products, only if the 20cm couldn’t be maintained in the end-products. End products with a construction under 20cm, can exempt from Exposure Statement of 20cm, as below, with a SAR measurement which shows that the exposure is under the relevant limits.
RADIATION EXPOSURE STATEMENT:
THIS EQUIPMENT COMPLIES WITH FCC AND WITH ISED RADIATION EXPOSURE LIMITS SET FORTH FOR AN UNCONTROLLED ENVIRONMENT.
THIS EQUIPMENT SHOULD BE INSTALLED AND OPERATED WITH A MINIMUM DISTANCE OF 20CM BETWEEN THE RADIATOR AND YOUR BODY. THIS DEVICE AND ITS ANTENNA(S) MUST NOT BE COLOCATED OR OPERATION IN CONJUNCTION WITH ANY OTHER ANTENNA OR TRANSMITTER.
LABEL OF THE END PRODUCT:
The final end product must be labeled in a visible area with the following “CONTAINS FCC ID: 2ACUWEK047 “. If the size of the end product is larger than 8x10cm, then the following FCC statement has to be available on the label:
THIS DEVICE COMPLIES WITH PART 15 OF FCC RULES. OPERATION IS SUBJECT TO THE FOLLOWING TWO CONDITIONS:
(1) THIS DEVICE MAY NOT CAUSE HARMFUL INTERFERENCE AND
(2) THIS DEVICE MUST ACCEPT ANY INTERFERENCE RECEIVED, INCLUDING INTERFERENCE THAT MAY CAUSE UNDESIRED OPERATION.
Canada (ISED Notice)
IC: 5669C-EK047
The term “IC” before the radio certification number only signifies that ISED technical specifications were met.
OPERATION IS SUBJECT TO THE FOLLOWING TWO CONDITIONS:
(1) THIS DEVICE MAY NOT CAUSE INTERFERENCE, AND
(2) THIS DEVICE MUST ACCEPT ANY INTERFERENCE, INCLUDING INTERFERENCE THAT MAY CAUSE UNDESIRED OPERATION OF THE DEVICE
USERS MANUAL OF THE END PRODUCT:
The end user has to be informed that any changes or modifications not expressly approved by the manufacturer could void the user’s authority to operate this equipment. If the size of the end product is smaller than 8x10cm, then additional statement is required to be printed in the user’s manual of the appliances:
THIS DEVICE COMPLIES WITH PART 15 OF THE FCC RULES AND CONTAINS LICENSE-EXEMPT TRANSMITTER(S)/RECEIVER(S) THAT COMPLY WITH INNOVATION, SCIENCE AND ECONOMIC DEVELOPMENT CANADA’S LICENCE-EXEMPT RSS STANDARD(S). OPERATION IS SUBJECT TO THE FOLLOWING TWO CONDITIONS: (1) THIS DEVICE MAY NOT CAUSE HARMFUL INTERFERENCE, AND (2)
THIS DEVICE MUST ACCEPT ANY INTERFERENCE RECEIVED, INCLUDING INTERFERENCE THAT MAY CAUSE UNDESIRED OPERATION.
LABEL OF THE END PRODUCT
The final end product must be labeled in a visible area with the following
“CONTAINS IC : 5669C-EK047″.
THIS DEVICE COMPLIES WITH PART 15 OF THE FCC RULES AND CONTAINS LICENSE-EXEMPT TRANSMITTER(S)/RECEIVER(S) THAT COMPLY WITH INNOVATION, SCIENCE AND ECONOMIC DEVELOPMENT CANADA’S LICENCE-EXEMPT RSS STANDARD(S). OPERATION IS SUBJECT TO THE FOLLOWING TWO CONDITIONS: (1) THIS DEVICE MAY NOT CAUSE HARMFUL INTERFERENCE, AND (2)
THIS DEVICE MUST ACCEPT ANY INTERFERENCE RECEIVED, INCLUDING INTERFERENCE THAT MAY CAUSE UNDESIRED OPERATION.
Integration
This EK047 Module will only be integrated on our responsibility into Miele appliances/end products.
The final products, including the integrated radio module, have to show compliance to the FCC /ISED requirements.
Appropriate measurements (e.g. 15 B compliance) and if applicable additional equipment authorizations (e.g. Verification, DoC) of the final end products will be addressed by Miele & Cie. KG.

















