COGNEX 50165 Wireless Module User Manual

1 Description:
General
The 50165 wireless module is designed based on B-Link BL-M3455AT1(BL-6255) using a Cypress CYW43455 chipset. It operates in 2.4GHz band for BT classic/ BT LE and WiFi and in the 5GHz band
for Wifi. The module supports standard SDIO v3.0 interfaces, backward compatible with SDIO v2.0 and supports a high-speed UART interface.

Front Side With Shield
Front Side Without Shield
Back Side
The module uses a PCB antenna that provides with max 3.4 dBi gain in the frequency range from 2412-2472 MHz and 5.18-5.835GHz
Features
Supports with SDIO2.0/3.0;
Supports a high-speed UART interface for Bluetooth 4.1
Supports IEEE 802.11a/b/g/n/ac
Operating frequencies: 2.4~2.4835GHz & 5.18-5.835GHz
Build in PCB Antenna with 3.4 dBi gain
Applications
Cognex DM8700 series Handheld Readers
Cognex DM8700 series Base Stations
2 Functional Block Diagram
The 50165 has two crystals. One 32.768 kHz low power oscillator for low power mode timing and one 37.4 MHz reference clock. Via the connector the module is powered with 5VDC and internally 3.3VDC are generated and filtered. The wireless connectivity is based on the B-Link BL-M3455AT1(BL-6255) chip.

3 Antenna Specification

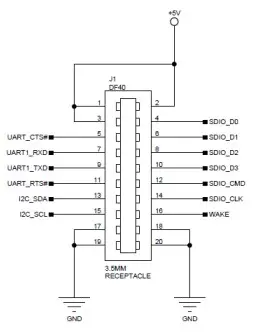
4 Pin Assignments


5 Application Information
Supported Platforms:
Cognex products using Linux based operating systems based on ARM CPU framework.
Integration Information:
UART
50165 provides with a high-speed 4-wire CTS/RTS UART interface. It is compatible with the industry standard 16550 UART.
SDIO
50165 provides support for SDIO version 3.0, including the new UHS-I modes:
DS: Default speed (DS) up to 25 MHz, including 1- and 4-bit modes (3.3 V signaling).
HS: High speed up to 50 MHz (3.3 V signaling).
Mechanical
For integration in Cognex Handheld Readers keep a minimum clearance of 1.6mm and a maximum clearance of 2mm between outer round shape of the module and Readers main plastic housing. Main housing thickness should be 3.7 +/-1mm

For integration in Cognex Base Stations use part number 1000001866 underneath the 50165

Or at least a similar supporting structure underneath the module in the same shape made of Makrolon 2405 and 4.9 +/- 0.1mm thickness.
Labeling
The module is labeled with FCC ID, IC ID and model name

Integrators have to label End-devices with:
Contains FCC ID: TXH-50165; IC: 6315A-50165
Labeling shall be clear and legible and shall resist the effects of the cleaning agents specified by the End-device Manual.
Warnings:
FCC § 15.19 Labelling requirements
This device complies with part 15 of the FCC Rules and Industry Canada license-exempt RSS standard(s). Operation is subject to the following two conditions:
- This device may not cause harmful interference, and
- this device must accept any interference received, including interference that may cause undesired operation.
FCC § 15.21 Information to user
Changes or modifications not expressly approved by the party responsible for compliance could void the user’s authority to operate the equipment.
FCC RF Exposure:
To comply with FCC RF exposure requirements, a minimum separation distance of 35mm must be maintained between the user’s hand and the integral antenna of the device during normal handling of the device.
For more information about RF exposure, please visit the FCC website at www.fcc.gov
ESD CAUTION: Although this module is designed to be as robust as possible, Electrostatic Discharge (ESD) can damage this module. It must be protected from ESD at all times and handled under the protectionof ESD.




















