FOAMit FG-NA-N130 Wall Mounted Mist System

READ ALL INSTRUCTIONS BEFORE OPERATING EQUIPMENT
WARNING
Read this manual completely and understand the machine before interacting with it.
- Read all instructions before installing or operating unit.
- Always wear appropriate personal protective equipment (PPE) when operating or servicing unit.
- Always follow all chemical safety precautions and handling instructions provided by the chemical manufacturer and Safety Data Sheet (SDS).
- Misting with chemical products can be hazardous. Know the hazards of your chemical products prior to use. Wear appropriate personal protective equipment and follow all instructions and safety precautions in accordance with the SDS for your chemical product.
- If this unit is modified or serviced with parts not listed in this manual, the unit may not operate correctly.
- Before performing any maintenance on this unit, disconnect the unit from the electrical power source and compressed air supply, and open the air purge valve (QFSOV38) to release any air pressure stored in the system.
- Do not exceed an incoming air pressure of 150 psi (10.3 bar).
- Do not exceed a fluid temperature of 100˚F (37˚C).
- Only use clean and dry air. Air must be filtered and free of moisture or pump life will be diminished. If needed, install a water separator (WS-20CFM) before unit.
- Do not use an air lubricator before the unit.
- Never use unit if it is damaged or leaking.
- Disconnect unit from electrical power source before servicing.
OPTIONS

PROTECT THE ENVIRONMENT
Please dispose of packaging materials, old machine components, and hazardous fluids in an environmentally safe way according to local waste disposal regulations.
Always remember to recycle. Specifications and parts are subject to change without notice.
READ ALL INSTRUCTIONS BEFORE OPERATING EQUIPMENT
REQUIREMENTS

SPECIFICATIONS

Installation Instructions
- Remove all components from packaging.
- Select an area to mount the control box.
Note: The control box should be mounted to a vertical wall. We recommend mounting the control box at a height of 6 ft. (1.8 m) or less. The chemical suction
line must reach the bottom of the chemical container. The bottom of the chemical container should not be positioned higher than the bottom of the control box. - Attach the control box mounting feet to the back of the control box, using the four screws provided in the parts package.
- Mount the control box to the wall using the four screws and plastic anchors provided in the parts package.
Note: To drill holes for the plastic anchors, use a 5/16 inch drill bit. - Install the air purge valve (QFSOV38) and tee fitting (QFT38) as shown in the diagram.
AIR PURGE SYSTEM DIAGRAM
- Mount the mist nozzle assembly (FG-NA-N130, FG-NA-26SS) in the desired location, using the included screws and plastic anchors. Repeat as needed for multiple nozzles.
- Run tubing (H38CP) from the tee fitting (QFT38) to the solution inlet fitting on a nozzle assembly. Then run tubing from the solution outlet fitting on the original nozzle to the solution inlet fitting on the next nozzle. Repeat as needed for multiple nozzles.
- Run tubing (H38CP) from the air outlet (QF1238) on the control box to the air inlet fitting on a nozzle assembly. Then run tubing from the air outlet fitting on the original nozzle to the air inlet fitting on the next nozzle. Repeat as needed for multiple nozzles.
Note: The air and solution lines must be routed to the appropriate fittings (as labeled), or the mist quality of the unit will be negatively impacted. Make sure to insert the tubing all the way into the fittings to ensure proper connection. - When you reach the last nozzle, either plug the air and solution outlet fittings, or loop the air and solution lines from the last nozzle back into the system.
Note: Depending on your configuration, plugs (QFP38), additional tee fittings (QFT38) and/or additional tubing (H38CP) may be required to complete the installation. - With the air inlet valve (HV60-H) in the closed position, connect a compressed air line to the air inlet fitting (SSE12). The air inlet fitting is 1/2 in. FPT.
- Set the timer (TR120MF) for the desired delay time and run time, as described in the timer adjustment instructions on page 9.
- With the power switch (TS2, TS2PLATE, TSBT12) in the OFF position, plug the unit into a GFCI protected 120 VAC power outlet.
- Follow all instructions from chemical manufacturer. Placethe chemical suction line into a container of pre-mixed chemical solution.
Operation Instructions
Misting with chemical products can be hazardous. Know the hazards of your chemical products prior to use. Wear appropriate personal protective equipment and follow all instructions and safety precautions in accordance with the SDS for your chemical product.
- Prepare the area to be misted.
- Verify the delay time and run time settings on the timer (see Timer Adjustment Instructions)
- Make sure the air inlet valve (HV60-H) is open, and the air purge valve (QFSOV38) is closed.
- Turn the power switch (TS2, TS2PLATE, TSBT12) to the ON position.
- To activate the unit, push the green button (BUT78GR). The unit will begin cycling through the delay and run time intervals set on the timer, beginning with the delay time.
- At the end of the run time, the unit will shut off. Observe appropriate safety precautions when reentering the area, in accordance with the SDS for your chemical product.
- Turn the power switch (TS2, TS2PLATE, TSBT12) OFF to prevent unwanted activation of the unit
- With the air inlet valve (HV60-H) in the open position, open the air purge valve (QFSOV38) to clear any solution from the lines. Close the air purge valve (QFSOV38)
- after all solution has been cleared from the system.
Maintenance Instructions
To keep your mist unit operating properly, periodically perform the following maintenance procedures:
Note: Before performing any maintenance, disconnect the unit from the electrical power source and compressed air supply, and open the air purge valve (QFSOV38) to release any air pressure stored in the system.
- Inspect the pump (P56/P56K/P56V) for wear and leaks.
- inspect all hoses for leaks or excessive wear. Make sure all hose clamps and push-fittings are in good condition and properly secured.
- Check the chemical suction line and strainer for debris and clean as needed.
- Drain your air compressor tank on a regular basis to help extend pump life. An air source with a high moisture content will accelerate pump wear. Note: If your air source has a high moisture content, you may wish to install a water separator (WS-20CFM) before the unit.
Troubleshooting Instructions
- If air passes through the pump (P56/P56K/P56V) without cycling, the pump needs to be replaced.
- Check the chemical suction line and strainer for debris or damage. Clean or replace as needed. To prevent damage to the unit, the strainer (STR14) must always be used.
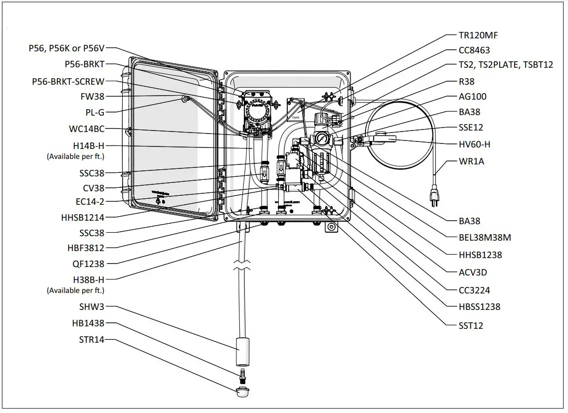
CONTROL BOX ASSEMBLY
Inside View
CONTROL BOX ASSEMBLY
Outside View

OPTIONAL COMPONENT
WATER SEPARATOR
Item Number: WS-20CFM

NOZZLE ASSEMBLY
- Item Number: FG-NA-N130
- Item Number: FG-NA-26SS or FOG-IT6-NP




TIMER ADJUSTMENT INSTRUCTIONS
The TR120MF is a multifunction timer.
- The four switches in the top left (Function) control the timer mode. For fogging/misting applications, switches A, C, and D should be ON, and switch B should be OFF. This puts the timer in Dual Mode.
- The six switches in the bottom left (Time Base) control the time interval. The timer is factory set to MINUTES. To change the Time Base to seconds or hours, refer to the chart below.
- The five switches in the top right (Dual Mode t1) control the delay time.
- The five switches in the the bottom right (Dual Mode t2) control the run time. The active time for each function is equal to the combined values of any switch(es) that are ON.
NOTICE: the timer is factory set at 2 minute delay, 8 minute run time.
Timer Setting Example
In this example, the delay time has been set to 5 minutes, and the run time has been set to 20 minutes.
- The FUNCTION is set to Dual Mode.
- The TIME BASE is set to minutes.
- The total DELAY time is 5 (1+4=5)
- The total RUN time is 20 (4+16=20)

















