
ADKINS Omega Series 750 v2 Heat Press Instruction Manual

OMEGA SERIES 750 v2
Preface
Dear User
Welcome to the growing group of Omega Series 750 v2 Heat Press users. The product you have purchased has been carefully designed and manufactured to ensure that you, the user, will gain the maximum benefit.
All A. Adkins & Sons products are specifically designed to ensure ease of use with particular attention to safety requirements. Should you discover any fault or damage upon receipt of this product, you should immediately contact your supplier.
1. Introduction Omega Series 750 v2 Heat Press
The Omega Series 750 v2 Heat Press is a pneumatically operated heat press for transfer printing and material fusing. It is ideal for high volume production with low operator fatigue.
The work area of the Omega Series 750 v2 Heat Press is 80 cm x 109.5 cm (31.5 in x 43 in) but machines may have, to special order, optional smaller sized interchangeable worktables of any size and various shapes within this table size.
The Omega Series 750 v2 Heat Press has a worktable which pulls out towards the operating position and away from the heat plate for loading and unloading. After loading the work piece, and with the correct settings for temperature, pressure and dwell time, the worktable is pushed back to the operating position with the handle provided. The cycle is started by pressing the green buttons on either the side of the head. The controller operates the timer and the solenoid valve and thus the pneumatic cylinder. When the set time elapses the heat plate is automatically lifted, enabling the worktable to be pulled out. The worktable may then be unloaded and reloaded ready for another cycle.
The Omega Series 750 v2 Heat Press is produced in one version, nominally 230 Volts AC for the European market.
1.1 What did you receive?
The Omega Series 750 v2 Heat Press has been a placed in a shipping crate, and is held in place with bolts, for safe transportation. The following articles should have been delivered:
- Omega Series 750 v2 Heat Press
- Omega Series 750 v2 Heat Press Operators Handbook
- Any extra items ordered
If there is any damage or any article is missing, please contact your supplier immediately.
1.2 Specifications of the Omega Series 750 v2 Heat Press
The Omega Series 750 v2 Heat Press is a pneumatically operated heat press for transfer printing and material fusing. It is ideal for high volume production with low operator fatigue.
Specification
- Power consumption: 7 kW
- Power supply: 230 Volts AC (Single Phase)
- Working temperature: 0 – 230oC (32 – 446°F)
- Display Timer Range: 0 – 65535 sec (±0.5%)
- Machine height: 99.4 cm (39 in)
- Machine width: 128 cm (50 in)
- Machine depth, closed: 122.8 cm (48.2 in)
- Machine depth, open: 173 cm (68 in)
- Working area: 102(W) x 100(H) x 173(D) cm
(40(W) x 39(H) x 68(D) in) - Size export packed: 138(L) x 153(W) x 126(H) cm
(54(L) x 61(W) x 49.6(H) in) - Net weight: 263 kg (580 lbs.)
- Gross weight: 340 kg (749.6 lbs.)
- Press pad dimensions: 80 cm x 109.5 cm (31.5in x 43 in)
- Maximum compressed air supply: 6 bar (87 Psi)
- Suggested compressed air supply: 3.5 – 5.0 bar (51 – 65 Psi)
- Compressed air consumption: 5 – 40 litres/min (0.17 – 1.41 cu. ft./min)
- A-weighted noise level: <70dB(A)
- Amps: 63 Amps trip
- Fuse: 27 A
1.3 Safety
The Omega Series 750 v2 Heat Press has been equipped with various safety features to ensure operator safety.
a. The time/temperature controller has a built in facility giving error messages in the event of faults with the element heating and control system.
b. Emergency stop button.
c. The machine table will only set to pressing position when the heat plate is aligned with it due to a micro switch safety interlock.
1.4 Safety Tips
If required, our customer service team can arrange maintenance service.
- The Omega Series 750 v2 Heat Press meets the European Legislation standard. Under normal conditions accidents are rare. However, listed below are some practical points to ensure your safety.
- Always switch off and isolate the mains supply (i.e. Remove plug) before undertaking any maintenance work or cleaning the machine, or when not in use.
- Keep other people away from the machine during use.
- Ensure that there is sufficient space around the machine. Cables and connections must not get jammed. Although the heat radiation of the press is low, there should be enough space for cooling down.
- Avoid contact with the press element.
- DO NOT REMOVE THE TOP COVER UNLESS QUALIFIED TO DO SO – touching internal parts is dangerous and may cause shock hazard.
- PROTECT THE MAINS CABLE – damage to the mains cable may cause fire or shock hazard. When unplugging, hold by the plug only and remove carefully. Take care that the mains cable does not come into contact with the heat plate (or moving parts of the mechanism) during operation of the machine.
- FOR SAFETY REASONS – please ensure that when the machine is not in use the table is fully closed.
OPERATING AMBIENT TEMPERATURE RANGE – the operating ambient temperature range is 0oC –35oC, (32oF – 104oF) and humidity of 20 – 80%. - MACHINE FUSES – type: ultra-rapid (FF) fuses 1¼”. (230 Vac Max. 27 Amps)
- WARNING – THIS APPARATUS MUST BE EARTHED (GROUNDED).
- CAUTION
This machine gets hot whilst operating. Take care not to touch any surfaces that are labelled “Caution this plate is HOT”. - MACHINE OPERATION
Only suitably trained personnel should operate this machine.
This machine is designed to be operated by one operator only. - CAUTION
Please ensure the table is fully engaged before pressing the green cycle start buttons.
For operator safety this machine is fitted with a non-return valve that prevents the table from lowering if the air supply is lost.
Contact your print media suppliers to ascertain whether fumes are given off during the process, and if so what precautions are needed for operator safety. These may include air extraction and/or masks for personnel.
Please refer to section 5.1 for an illustration of the Omega Series 750 v2 Heat Press.
2. Installation
2.1 Transport instructions
The machine comes to you, in a shipping crate, and is held in place with bolts, for safe transportation. If you have to transport the machine at any time it is recommended that you use a similar box and packing method. Please let the machine cool down fully before attempting to pack.
2.2 Installing the machine
Take the machine out of the crate, due to the weight of the machine we recommend that a fork lift truck or winch is used. Put the machine on a sturdy worktable close to a suitable electric socket and compressed air supply connection point, within easy reach of the operator. There must be sufficient space for the machine’s table to be pulled out until it hits the built in stops and back to the pressing position without creating trapping points against adjacent articles. Ensure that no items vulnerable to heat radiation are too close to the machine.
2.3 Electrical requirements
The Omega Series 750 v2 Heat Press should be connected to the mains supply (nominally 230 Volts AC for the European Market) using either a commando plug and socket or an isolator box.
The press is designed for 230 Volts AC 50/60 hertz and requires exclusive use of a power outlet rated for at least 32 amps.
Ensure that the supply rating on the machine specification plate corresponds with your local supply and that the correct plug is fitted.
MAINS LEAD
The wires in this mains lead are coloured in accordance with the following code:

Wiring the plug for a 230 VAC machine.
As the colours of the wires in the mains lead of this apparatus may not correspond with the coloured markings identifying the terminals in your plug, proceed as follows:-
- The wire, which is, coloured green and yellow must be connected to the terminal in the plug, which is marked by the letter E, or by the safety earth symbol coloured green, or green and yellow.
- The wire coloured blue must be connected to the terminal, which is marked with the letter N, (Neutral connector)
- The wire coloured brown must be connected to the terminal, which is marked with the letter L, (Live connector)
NOTE: Replacement of the mains cable must be undertaken by a competent service engineer.
2.4 Pneumatic requirements
The Omega Series 750 v2 Heat Press should be connected through a filter regulator to a compressed air supply capable of delivering 30 litres/min at a pressure of 3.5 – 5 bar. max. (1.06 cu.ft./min at 14.5 – 72.5 Psi). The press will not operate if the pressure drops below 1 bar. (14.5 Psi) Double hose clips should be used on the delivery hose.
We would advise that when setting up the machine you check that sufficient pressure is maintained into the regulator valve. When the desired pressure is achieved the regulator is locked by pushing the knob back down. We recommend that this should be set between 3.5 to 5 bar.
The Pressure Adjustment Gauge on the left hand side of the machine should only be used to control the settings required for heat transfer and garments.
2.5 Adjusting the pressure
This press is fitted with a manually adjustable pneumatic pressure regulator on the left hand side of the machine. To adjust the operating air pressure, and therefore the pressure exerted by the press on the work, the regulator is unlocked by pulling upwards on the black plastic knob. Turning the regulator knob clockwise will increase the air pressure; turning anticlockwise will decrease the pressure. When the desired pressure is achieved the regulator is locked by pushing the knob back down.
3. How to Operate the Omega Series 750 v2 Heat Press
3.1 Starting with the Omega Series 750 v2 Heat Press
3.1.1 Turn on the Omega Series 750 v2 Heat Press; the on/off switch is on the front of the machine head. Set the machine controls as necessary. See instructions for adjusting the pressure, section 2.5, and the operation of the time temperature unit, section 5.2. When the set temperature is steady in the display the machine is ready to use.
3.2 Working with Heat Transfer Materials
3.2.1 Ascertain from the supplier of the transfer paper and/or the suppliers of the material, that the material to be used is suitable and has been prepared for transfer printing.
3.2.2 Obtain from the supplier of the transfer paper, or material to be used, the recommended temperature, time and pressure settings for the material to be worked on.
Approximate settings are usually within the following:-

3.2.3 Wait until the set temperature has been reached, signalled by the temperature on the controller display becoming steady at the desired figure. Pull the table assembly from beneath the heat plate using the handle on the front of the machine. Place the work piece on the pressure pad, removing all wrinkles. Place the transfer in the desired position. Push the table assembly back into the pressing position, until it stops. This will ‘trigger’ the micro switch which will enable the machine to perform a heat transfer cycle.
3.2.4 Start the sequence by pressing the green buttons located on either side of the machine head. The heat plate will automatically lower to the table. (The process can be stopped at any time by using the “EMERGENCY STOP” button on the front of the machine head. This will automatically raise the heat plate away from the table).
CAUTION
Please ensure the table is fully engaged before pressing the green cycle start buttons.
3.2.5 At the end of the set time, the heat plate rises, allowing the table to be pulled out to permit unloading.
3.3 Pressing Pad Assembly
The pressing pad supplied with this machine is made of heat proof foam/green silicone and has a Nomex® cover and although they are extremely durable they must be maintained in good condition at all times and replaced when showing signs of wear. A worn pressing pad will always affect the quality of printing/fusing.
CAUTION: Do not insert items into the machine, which would tend to cut the pressing pad, i.e. buttons, pins, press-studs or zips.
IMPORTANT NOTE:
The pressing pad supplied with the machine is of the correct thickness.
Using a thicker pad may invalidate your warranty.
3.4 Shutting Down
To shut down the machine when a cycle is finished, turn off the red illuminated rocker switch on the front of the machine head.
To temporarily interrupt the pressing cycle, press the red button on the front of the machine head.
3.5 Fault Diagnosis
This Omega Series 750 v2 Heat Press has built in fault diagnosis. The display may show the following:
- No.1 Thermocouple Break
If the 1st thermocouple breaks, the display will show “1#
Thermocouple break” immediately. Contact your machine supplier immediately. - No.2 Thermocouple Break
If the 2nd thermocouple breaks, the display will show “2#
Thermocouple break” immediately. Contact your machine supplier immediately. - “Engineering Mode”
If the machine temperature on the controller display does not match the actual heat plate temperature, there is an “Engineering mode” that allows the operator to compensate for the discrepancy in temperature. (Please contact A. Adkins & Sons Limited before using Engineering mode).
CAUTION
In all fault conditions switch off the power to the machine and unplug the machine from the electrical supply before contacting your machine supplier.
Transfer Printing
Extra care should always be taken to ensure that transfer paper is placed print down onto the article, as mistakes will result in the heat plate becoming soiled with ink and spoiling following work.
When transfer printing, it may be found advantageous to cover the press pad with paper or P.T.F.E. to prevent strike-through of surplus ink, particularly when printing thin material as surplus print on the pressing pad cover can also strike back on the following work.
Transfer Paper/Motifs Fail to Print Out Correctly
Check:-
- Heat and time dwell settings are correct.
- Article having transfers applied is locked in contact between pressing pad and heat plate.
- Pressing pad is in good condition, is flat and making complete contact over the whole area of the heat plate. See Pressing Pad details.
“Ghosting” (Double Image) of Transfer Prints
Check:-
- Material being used has been correctly heat set for transfer printing.
- Material being used does not shrink during printing process, i.e. measure material before and after printing.
- Transfer paper does not move after printing process upon lift off of the heat plate.
- If possible, use adhesive coated paper, particularly to overcome fabric shrinkage.
- By pre-shrinking of material in press before transfer printing.
3.7 Heat Plate Temperature Measurement
Testing of the Heat Plate for temperature consistency or fault condition should only be undertaken after consulting A. Adkins and Sons, and then only using a wired Digital Thermometer (*please see note below).

*Please Note:
The Digital Thermometer with external probe is suitable for surface, air and immersion/penetration measurement, which is required for all Adkins heat presses.
Laser Thermometers only measure air surfaces which can be misleading due to currents of hot air floating on the surface of the heat plate.
4. Maintenance of the Machine
4.1 Daily Maintenance
For good press results it is important to keep the press surfaces clean.
Wipe the surface of the heat plate with a dry non-abrasive cloth before use when the plate is cold.
When heat plates are hot and not in use, keep in the open position away from the foam pad.
4.2 Periodic Maintenance
Periodically clean the TEFLON® coated heat plate with a non-abrasive piece of cloth. Stubborn stains may be cleaned, when heat plate is cool, with mineral spirits.
4.3 General Maintenance
The following checks should be carried out at regular intervals by a qualified and competent person:-
- Pneumatic system for air leaks
- Pneumatic system for lubrication
- Electrical connections
- Mechanical moving parts
Any enquiries to: [email protected]
4.4 Cleaning
First unplug the machine. Clean the outside of the machine frequently with a clean, moist cloth. This may conveniently be carried out when the machine is cold.
To prevent soiling of the substrate, periodic wiping of the entire exterior of the machine, including heat plate, with a clean rag is recommended. If necessary, use mineral spirits for cleaning a cold machine. Since mineral spirits are flammable, use precautions at all times and keep away from sparks, flames or hot heat plate.
5. Machine Drawings and Diagrams
On the following pages are the schematic diagrams for the Omega Series 750 v2 Heat Press.
5.1 General Layout

5.2 Operation of PLC Control Unit, setting time and temperature
(The Heat plate must always be in the down position before the Controller is set)


5.3 Exploded Diagram and Parts List


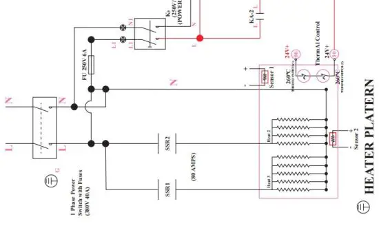
5.4 Electrical Diagram


5.5 Pneumatic Schematic

6. Design Change
With the policy of constant improvement and/or modification to meet changing conditions, the right is reserved to change the design and/or specifications at any time without prior notification, and therefore specifications may vary and not be in accordance with this manual.
7. Guarantee (Limited Warranty)
A. Adkins & Sons Limited warrants that the press is free from defects in material and workmanship for a period of 12 months from the date of supply. The machine comes with a 12 month warranty on the heating element, 12 month warranty on parts and 90 days labour.
This guarantee will only be effective when A. Adkins & Sons Limited authorises the original purchaser to return the machine to the factory, and only when the product upon examination has proven to be defective.
Should in our opinion any part of this press be defective in materials or workmanship, it will be replaced or repaired free of charge, provided that the press has been installed and operated in the correct manner and not subjected to misuse. (This is excluding any travelling and/or carriage costs which will be charged at our discretion.)
This guarantee does not apply to any machine that has been subjected to misuse, negligence, alteration or accident.
A charge will be made for any costs incurred if a reported fault on the press is found to be due to incorrect installation, operation and/or incorrect materials being used. It is the responsibility of the press user to ensure the suitability of the materials operating through the press. In order for this guarantee to be effective, no return of machine or parts may be made without prior factory authorisation.
No claim of any kind shall be greater in amount than the sale price of the product or part to which the claim is made.
This is the sole guarantee given by the company, it is in lieu of any other guarantees, expressed or implied, in law or in fact, including the guarantees of merchantability and fitness for particular use, and is accepted as such by the purchaser in taking delivery of this product.
A. Adkins & Sons Limited shall not be liable for any injury, loss or damage, direct or consequential, arising out of the use or the inability to use the product.
A. ADKINS AND SONS LIMITED
DECLARATION OF CONFORMITY


Read More About This Manual & Download PDF:










