ADKINS Studio Cap High Quality Press Instruction Manual
Preface
Dear User
Welcome to the growing group of Studio Cap Press users. The product you have purchased has been carefully designed and manufactured to ensure that you, the user, will gain the maximum benefit.
All A. Adkins & Sons Limited products are specifically designed to ensure ease of use with particular attention to safety requirements.
Should you discover any fault or damage upon receipt of this product, you should immediately contact your supplier.
Introduction Studio Cap Press
The Studio Cap Press is a manually operated heat press for printing caps and similar small items. This simple robust machine is powered by a micro-processor for control of both heat and dwell accuracy and ease of operation and requires minimal operating space.
The work area of the Studio Cap attachment:
15 cm x 8 cm (6 in x 3.14 in).
The work area of the optional Studio Pocket attachment:
15 cm x 9 cm (6 in x 3.6 in).
The work area of the optional Studio Pocket attachment:
8 cm x 6.5 cm (3.14 in x 2.55 in)
Specifications of the Studio Cap Press
The Studio Cap Press is a manually operated heat press for transfer printing and material fusing. It is ideal for medium volume production.
The work area of the Studio Cap attachment:
15 cm x 8 cm (6 in x 3.14 in).
The work area of the Studio Pocket attachment:
15 cm x 9 cm (6 in x 3.6 in).
The work area of the Studio Pocket attachment:
8 cm x 6.5 cm (3.14 in x 2.55 in)
Specifications
Power consumption: 400 Watts
Power supply 230 Volts AC
Working temperature: 0 – 260o C (32 – 500 F)
Display timer range: 0 – 9.59 min
Machine height open: 63 cm (24.8 in)
Machine height closed: 43.5 cm (17.1 in)
Machine width: 30 cm (11.8 in)
Machine depth open: 45 cm (17.7 in)
Machine depth closed: 56 cm (22 in)
Working area: 63(H) x 32(W) x 46(D) cm (24.8(H) x 12.6(W) x 18(D) in)
Gross weight: 13.5 Kg (29.8 lbs)
Net weight: 11.5 Kg (25.4 lbs)
Cap press pad dimensions: 15 cm x 8 cm (6 in x 3.14 in)
Optional pocket press pad dimensions: 15 cm x 9 cm (6 in x 3.6 in)
Optional smaller pocket press pad dimensions: 8 cm x 6.5 cm(3.14 in x 2.55 in)
Fuses: 3 A
Safety Tips
If required, our customer service team can arrange maintenance service.
- The Studio Cap Press meets the European Legislation standard. Under normal conditions accidents are rare. However listed below are some practical points to ensure your safety.
- Always switch off and isolate the mains supply (i.e. remove plug) before undertaking any maintenance work.
- Keep other people away from the machine during use.
- Ensure that there is sufficient space around the machine. Cables and connections must not get jammed. Although the heat radiation of the press is low, there should be enough space for cooling down.
- Avoid contact with the press element.
- DO NOT REMOVE CONTROLLER UNLESS QUALIFIED TO DO SO – touching internal parts is dangerous and may cause shock hazard. All electrical connections inside covers are live. Never operate Press with any covers and/or guards removed.
- PROTECT THE MAINS CABLE – damage to the mains cable may cause fire or shock hazard. When unplugging, hold by the plug only and remove carefully. Take care that the mains cable does not come into contact with the heat plate (or moving parts of the mechanism) during operation of the machine.
- OPERATING AMBIENT TEMPERATURE RANGE – the operating ambient temperature range is, 0o C – 35o C (32o F – 104o F) and humidity of 20 – 80%. This heat press is fitted with a thermal cut out to ensure that it cannot operate above 235o C ± 15o C (455o F ± 27o F).
- MACHINE FUSES – type: ultra rapid (FF) fuses 1¼” 230 V AC max. 3.15 Amps.
- WARNING – THIS APPARATUS MUST BE EARTHED (GROUNDED)
- CAUTION – This machine gets hot whilst operating. Take care not to touch any surfaces that are labelled “Caution HOT”.
- MACHINE OPERATION
Only suitably trained personnel should operate this machine.
This machine is designed to be operated by one operator only.
For Safety use both hands to move the handle up and down.
Do not allow the handle to move upward, by the effect of the springs, without a hand on it.
Keep fingers away from trapping points in the arm – lever toggle mechanism. Using both hands on the handle keeps the hands safe.
Contact your print media suppliers to ascertain whether fumes are given off during the transfer process, and if so what precautions are needed for operator safety. These may include air extraction and/or masks for personnel.
Please refer to Page 13 for an illustration of the Studio Cap Press machine.
Installation
Transport Instructions
The machine comes to you in a box or shrink-wrap. If you have to transport the machine at any time it is recommended that you use a similar box and packing methods. Please let the machine cool down and lower the handle to the locked position.
Installing the Machine
- Remove all packaging from the heat press.
- Check to ensure that no damage has been caused to the machine during transit.
- Place the machine on a sturdy horizontal surface that is within easy reach of the operator and allow space for the handle to move up to the loading position. Ensure that no items vulnerable to heat radiation are too close to the machine and that local lighting is adequate.
Electrical Requirements
The Studio Cap Press should be connected to the mains supply, (nominally 230VAC for the European Market) by the mains cable provided and a suitable plug. A qualified person should carry out this work.
The press is designed for 230VAC ± 50/60 hertz and requires exclusive use of a power outlet rated for at least 5 Amps.
Ensure that the supply rating on the machine specification plate corresponds with your local supply and that the correct plug is fitted.
MAINS LEAD
The wires in this mains lead are coloured in accordance with the following code:
As the colours of the wires in the mains lead of this apparatus may not correspond with the coloured markings identifying the terminals in your plug, proceed as follows:-
- The wire coloured green and yellow must be connected to the terminal in the plug, which is marked by the letter E, or by the safety earth symbol coloured green, or green and yellow.
- The wire coloured blue must be connected to the terminal, which is marked with the letter N, (Neutral connector).
- The wire coloured brown must be connected to the terminal, which is marked with the letter L, (Live connector).
NOTE:
Replacement of the mains cable must be done by a competent service engineer.
HEATING ELEMENTS
The heating elements fitted to this press are rated at 400 Watts. Never connect to any outlet or power supply having a different voltage/frequency from that on the machine data plate.
Adjusting the Pressure
This press is fitted with a pressure-adjusting unit, which enables the heat element assembly to be raised or lowered by use of a pressure adjustment knob located at the back of the machine:
a) To increase pressure or to use thinner materials turn knob clockwise.
b) To decrease pressure or to raise the heat element assembly to enable thicker materials to be used, turn the adjustment knob anticlockwise.
NOTE
DO NOT adjust the pressure when the machine is clamped shut
CAUTION
Never increase the pressure to the extent of requiring undue force to lower the toggle/heat plate assembly into the lock position, as this will place excessive stress on the press frame, resulting in permanent damage to the press.
Adjusting the Time and Temperature
How to Operate the Studio Cap Press
Starting with the Studio Cap Press
- Plug into your supply outlet and switch supply on.
N.B. Please ensure the mains plug is easily accessible to the operator so that in the event of a fault the machine can be unplugged. - Turn on the Studio Cap Press; the on/off switch is to the right of the controller. Set the machine controls as necessary. See instructions for adjusting the pressure, page 6, and the operation of the time temperature unit, page 13. When the set temperature is steady in the display the machine is ready to use
- Make sure that before you change the attachments ALL power to the machine is switched off; preferably completely remove the plug from the mains socket.
Only when the heating element is COLD should changing the attachments be undertaken. Carefully unlock and unplug the lead from the back of the element assembly, carefully remove the head attachment by unscrewing the two thumb screws and place in a safe area, making sure that you do not catch or scratch the TEFLON covered heating element.
Replace with the required new attachment (Cap or Pocket) by inserting into the runners and make sure that it is in its locked position and secure by screwing the thumb screws up. Carefully insert the plug into its socket and lock into place. Check that both head and plug are secure, only then switch on the power to the machine.
When fitting the tables, unscrew the thumb screws under the table and remove, fit the required table (Cap or Pocket) and tighten securely, making sure that the heating element fits correctly over the pressing pad so as not to cause any undue wear.
NB. It is advised to screw/unscrew the rear thumb screw before the front thumb screw to allow for a more secure and level fit.
When one element (Cap or Pocket) is not in use, make sure it is safely packaged to prevent damage to the TEFLON coating.
Working with Heat Transfer Materials
NOTE: Always ascertain from the supplier of material and transfer paper, that the material to be used is suitable for, and has been prepared for transfer printing. Obtain correct heat and time dwell setting for the material and transfer.
- Adjust the pressure setting of the machine by rotating the adjusting knob situated at the rear of the machine. (See exploded diagram in this manual.) Clockwise for more pressure, anticlockwise for less pressure.
- Adjust the position of the silicone pad table to align with the heat plate by loosening the thumb screws situated underneath the base, positioning it as required (front to back) by turning the adjusting knob at the front of the machine, and retightening the thumb screws under the base.
- Hook the cap under the cap-tensioning arm and pull the cap onto the silicone pad table.
- Place the transfer in the desired position on the work.
- Gently pull the handle forward into the lock position, using both hands for safety and ensuring the work is firmly clamped between the heat element and pressure pad.
- When the pre-set dwell time has been reached, a buzzer will sound. The heat plate should then be lifted by pushing the handle back to its full extent. The handle should be held until the up position is reached to remove the possibility of injury to the operator’s face from an uncontrolled upward movement of the handle.
- For safety reasons, it is necessary to push the handle into the locked position after it is lifted. This will prevent the accidental lowering of the heat platen handle.
Pressing Pads Assembly
The pressing pads normally supplied with this machine are silicone rubber. The pressing pad must be maintained in good condition at all times and replaced when showing signs of wear. A worn pressing pad will always affect the quality of printing/fusing. Do not insert items into the machine, which would tend to cut the pressing pad, i.e. buttons, pins, press-studs or zips.
Never allow the hot heat plate to rest on the pressing pad when the press is not being used as the pad may be damaged.
IMPORTANT NOTE:
The pressing pads supplied with the machine are of the correct thickness. Using a thicker pad may invalidate your warranty.
Shutting Down the Machine
To shut down the machine, turn off the rocker switch to the right of the controller. The handle should be in the up position.
After shutting off the machine, it should not be switched on again for 30 seconds.
Hints and Tips
Transfer Printing
Extra care should always be taken to ensure that transfer paper is placed print down onto the article, as mistakes will result in the heat plate becoming soiled with ink and spoiling following work.
When transfer printing, it may be found advantageous to cover the press pad with paper or PTFE barrier to prevent strike-through of surplus ink, particularly when printing thin material as surplus print on the pressing pad cover can also strike back on the following work.
Transfer Paper/Motifs Fail to Print Out Correctly. Check:-
- Heat and time dwell settings are correct.
- Article having transfer applied is locked in contact between pressing pad and heat plate.
- Pressing pad is in good condition, and making complete contact over the whole area of the heat plate. See Pressing Pad details.
“Ghosting” (Double Image) of Transfer Prints. Check:-
- Material being used has been correctly heat set for transfer printing.
- Material being used does not shrink during printing process, i.e. measure material before and after printing.
- Transfer paper does not move after printing process upon lift off of the heat plate.
- If possible, use adhesive coated paper, particularly to overcome fabric shrinkage.
- By pre-shrinking of material in press before transfer printing.
Heat Plate Temperature Measurement
Testing of the Heat Plate for temperature consistency or fault condition should only be undertaken after consulting A. Adkins and Sons, and then only using a wired Digital Thermometer (*please see note below).

Please Note:
The Digital Thermometer with external probe is suitable for surface, air and immersion/penetration measurement, which is required for all Adkins heat presses.
Laser Thermometers only measure air surfaces which can be misleading due to currents of hot air floating on the surface of the heat plate.
Maintenance of the Machine
Daily Maintenance
For good press results it is important to keep the press surfaces clean. Wipe the surface of the heat plate with a dry non-abrasive cloth before use when the plate is cold.
When heat plates are hot and not in use, keep open position away from the silicone pad.
Periodic Maintenance
Put a few drops of oil onto the various pivot pins and the pressure adjusting screw every three months.
Periodically clean the TEFLON coated heat elements with a nonabrasive piece of cloth. Stubborn stains may be cleaned, when the elements are cool, with mineral spirits.
General Maintenance
The following checks should be carried out at regular intervals by a qualified and competent person:-
- Electrical connections
- Mechanical moving parts
Any enquiries to: [email protected]
Cleaning
First unplug the machine. Clean the outside of the machine frequently with a clean, moist cloth. This may conveniently be carried out when the machine is cold.
To prevent soiling of substrate, periodic wiping of entire exterior machine, including elements, with a clean rag is recommended. If necessary, use mineral spirits for cleaning a cold machine. Since mineral spirits are flammable, use precautions at all times and keep away from sparks, flames or hot heat platen.
Machine Drawings and Diagrams
General Layout of the Studio Cap Press

Operation Of Control Unit, Setting Temperature and Time
(The press must always be in the open position before the controller is set)
Setting Temperature
- Switch on machine.
- Press ‘SELECT’ button to select ‘Setting Temp’ on LH indicator.
- Use the ‘up and down’ arrow buttons to set the required temperature.
- Press ‘SELECT’ button to select ‘Current Temp’ on LH indicator.
- Press ‘START/STOP’ button to start the machine heating to the selected temperature.

Setting Time
- Switch on machine.
- Press ‘SELECT’ button twice to select ‘Setting Time’ on LH indicator.
- Use the ‘up and down’ arrow buttons to set the required time.
- Press ‘SELECT’ button to select ‘Current Temp’ on LH indicator.
- Press ‘START/STOP’ button to start the machine.

Selecting Temperature Format
- Switch on machine.
- Press and hold ‘˚C/˚F’ button to select ‘˚C Celsius’ or ‘˚F Fahrenheit’ on RH indicator.
- Press and hold ‘˚C/˚F’ button again to toggle between the two temperature formats.
Setting Digital Counter to Zero
- Press ‘SELECT’ button three times to select ‘Counter’ on LH indicator.
- Press and hold ‘CLEAR’ button to zero counter.
Exploded Diagram and Parts List

| 1 | Cast Body | 1 | ASC1 |
| 2 | ‘Z’ Piece Slide Plate | 1 | ASC8 |
| 3 | Tension Arm Sleeve | 1 | ASCOM3 |
| 4 | Cap Tension Arm | 1 | ASC15 |
| 5 | Cap Tension Coil Spring | 1 | ASCOM5 |
| 6 | Cap Tensioner | 1 | ASCOM6 |
| 7 | Tension Spring Anchor Bracket | 1 | ASCOM7 |
| 8 | Cap Grip Bracket | 1 | ASCOM8 |
| 9 | Tension Spring For Cap Grip | 1 | ASC33 |
| 10 | Screw Adjuster | 1 | ASC6 |
| 11 | Five Star Knob | 1 | ASC7 |
| 12* | Pocket Table (15 x 9 cm) | 1 | ASCOM12 |
| 13* | Pocket Silicone Pad | 1 | ASCOM13 |
| 14* | Pocket Heat Plate | 1 | ASCOM14 |
| 15* | Pocket Element | 1 | ASCOM15 |
| 16* | Pocket Clamp Plate | 1 | ASCOM16 |
| 17* | Pocket Insulation Cover | 1 | ASCOM17 |
| 18 | Cap Male Mould | 1 | ASC13 |
| 19 | Cap Silicone Pad | 1 | ASC14 |
| 20 | Cap Heat Plate Mould | 1 | ASC27 |
| 21 | Cap Element | 1 | ASC26 |
| 22 | Combo Clamp Plate | 1 | ASCOM22 |
| 23 | Combo Insulation Cover | 1 | ASCOM23 |
| 24 | Pivot Arm Pair | 1 | ASC21 |
| 25 | Operating Arm | 1 | ASC17 |
| 26 | Pivot Pair Connecting Plate | 1 | ASC19 |
| 27 | Combo Support Arm | 1 | ASCOM27 |
| 28 | Combo Head Locking Screws | 2 | ASCOM28 |
| 29 | Arm Tension Spring | 1 | ASC32 |
| 30 | Pressure Adjusting Knob | 1 | ASC11 |
| 31 | Pressure Adjusting Screw | 1 | ASC10 |
| 32 | Rivet Pins | 2 | ASC18 |
| 33 | ‘Z’ Piece Adjuster | 1 | ASC5 |
| 34 | PVC Facia | 1 | ASM18/N |
| 35 | Controller Housing | 1 | ASM19 |
| 36 | PCB Board Controller | 1 | ASM10/N |
| 37 | Controller Housing Box | 1 | ASC2 |
| 38 | ‘Z’ Piece | 1 | ASC12 |
| 39 | Tension Arm Retaining Plate | 1 | ASC9 |
| 40 | Probe | 2 | ASC28 |
| 41 | Plug and Socket Elbow Connection | 1 | ASCOM41 |
| 41a* | Plug and Socket Elbow Connection | 1 | ASCOM41 |
| 42 | Micro Switch | 1 | ASC30 |
| 43 | Rocker Switch | 1 | ASC37 |
| 44 | Mains Socket | 1 | ASC29 |
| 45 | 3 Amp Fuse (Where Applicable) | 1 | ASC36 |
| 46 47 | Control Housing Box Baseboard | 1 | ASC3 |
| Mains Lead And Plug – 230 V – (UK) | 1 | BMC618 | |
| Mains Lead And Plug – 230 V – (EU) | 1 | BMC620 | |
| Mains Lead And Plug – 120 V – (USA) | 1 | BMC618/A | |
| 48* | Small Pocket Silicone Pad | 1 | ASCOM48 |
| 49* | Small Pocket Table (6.5 x 9 cm) | 1 | ASCOM12/S |
| 50 | Fuse Holder | 1 | ASC35 |
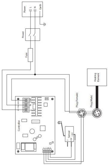
Electrical Diagram

Design Change
With the policy of constant improvement and/or modification to meet changing conditions, the right is reserved to change the design and/or specifications at any time without prior notification, and therefore specifications may vary and not be in accordance with this manual.
Guarantee (Limited Warranty)
A. Adkins & Sons Limited warrants that the press is free from defects in material and workmanship for a period of 12 months from the date of supply to the customer. The machine comes with a one year warranty on parts and 90 days labour.
This warranty covers all parts to repair the defects, except when damage results from misuse or abuse, accident, alteration or negligence or when a machine has been improperly installed.
If a press covered by warranty should need to be returned to the factory for examination and repair, if on-site component replacement is not possible, A. Adkins & Sons Limited will make every effort to repair the customers press. The warranty will only be effective when A. Adkins & Sons Limited authorises the original purchaser to return the machine to the factory and only when the product upon examination has proven to be defective.
Should in our opinion any part of this press be defective in materials or workmanship, it will be replaced or repaired free of charge, provided that the press has been installed and operated in the correct manner and not subjected to misuse. If A. Adkins & Sons Limited authorise a replacement press, the warranty of the replacement press shall expire on the anniversary date of the original machines invoice to the customer.
In order for this warranty to be effective, no return of machine or parts may be made without prior factory authorisation. (This will exclude any travelling and/or carriage costs which will be charged at our discretion).
This is the sole warranty given by the company; there are no warranties, which extend beyond the description on the face hereof. The seller disclaims any implied warranty of merchantability and/or any implied warranty of fitness for a particular purpose; the buyer agrees that the goods are sold “as is”. A. Adkins & Sons Limited does not warrant that the functions of the press will meet the customer’s requirements or expectations. The entire risk as to use, quality and performance of the press lies with the customer. (No claim of any kind shall be greater than the sale price of the product or part to which the claim is made).
In no event will A. Adkins & Sons Limited be liable for any injury, loss or damage, including loss of profits, destruction of goods or any special, incidental, consequential or indirect damages arising from the use of the press or accompanying materials. This limitation will apply even if A. Adkins & Sons Limited or its authorised agent had been advised of the possibility of such damage.
A. ADKINS AND SONS LIMITED DECLARATION OF CONFORMITY
Application of Council Directives:
European Low Voltage Directive (LVD),
European Machinery Directive (MD),
Electro Magnetic Conformity (EMC)
Standards to which Conformity is Declared:
(LVD): EN 60204-1:2018
(MD): EN ISO 12100:2010 2006/42/EC Annex1
(EMC): EN 61000-6-2:2019
Manufacturer’s Name:
A. Adkins and Sons Limited
Manufacturer’s Address:
High Cross, 18 Lancaster Road, Hinckley, Leicestershire LE10 0AW United Kingdom.
Type of Equipment:
Studio Cap Heat Press
Standards Compliance:
![]()
Model Number:
ASCOM ……………………………………………………………………….
Serial Number: ……………………………………………………………..
Year of Manufacture: ……………………………………………………
I, the undersigned, hereby declare that the equipment specified above conforms to the above directives and standards.
Place: Hinckley, United Kingdom
Signature: 
Date: ……………….
Full Name: Marie McMahon
Position: General Manager


















